
In this issue:
Cruise the SW Pacific
Upcoming Events
Sail South to NZ
Go West to Australia
Lots of Boats For Sale
Sailing Society Pages
Boating Etiquette
CITES Regulations
Savusavu Sailing Club
Servicing Your Windlass
In this issue:
Cruise the SW Pacific
Upcoming Events
Sail South to NZ
Go West to Australia
Lots of Boats For Sale
Sailing Society Pages
Boating Etiquette
CITES Regulations
Savusavu Sailing Club
Servicing Your Windlass
Send us your photos and news!
Email to info@islandcruising nz
FROM THE HELM
The latest update from Viki
JOIN A RALLY INFO WEBINAR
Learn more about upcoming Rallys
SAVUSAVU JUNIOR SAILING CLUB
Tiny Boats, Big Energy
IMPORTANT NOTICES
Suwarrow Islands Closure | Goiot Systems Escape Hatches
PART 2: MORE JOYS OF A LOFRANS TIGRES OWNER
JOIN THE PACIFIC RALLY
UPCOMING EVENTS
Don’t miss these!
Viki is a lifelong sailor, qualified RYA Offshore Yachtmaster, former Director of Yachting New Zealand, founder of Women Who Sail New Zealand, Regional Rear Commodore - South Pacific for the Ocean Cruising Club, President of the Little Ship Club of Canterbury, former On Water Operations Manager for SailGP, a Seven Seas Cruising Association Cruising Station Host, and has a wealth of sailing experience under her belt
She has also been recognised for her services to the sailing community and received a Yachting New Zealand Excellence Award in 2016 & 2023 and the Ocean Cruising Club Award in 2021 for extraordinary service to the cruising community at large
Viki purchased Island Cruising in 2021 & Down Under Rally in 2023. The business provides resources & a community for cruisers wanting to prepare for long coastal or offshore voyages They also run independent yacht cruising rallies around Australia, New Zealand and the islands of the South Pacific; namely Tonga, Fiji, Vanuatu and New Caledonia, and further afield to French Polynesia, Cook Islands, Samoa & Niue
GEMMA DOOLEY
Gemma came to sailing later in life, beginning her journey four years ago when she and her partner rescued a written-off Coast 34 in Bluff, New Zealand
After two years of rebuilding and living aboard while exploring New Zealand’s coastlines, they set sail for the South Pacific to discover new horizons
Gemma has a strong background in events planning, and brings her organisational skills and love of sailing to the Island Cruising team, helping fellow sailors create unforgettable experiences on the water
About five years ago, Cecile and her partner bought their first boat and have lived aboard ever since.
Jumping in headfirst, Cecile embraced the challenges of boat life, driven by a dream to sail to distant lands
After years of hard work preparing and repairing, she finally set off for the islands
With a bachelor’s degree in marketing and event management, and firsthand experience from the 2024 Pacific Rally, Cecile is excited to be involved with the future of this fantastic event, and to help other cruisers have an incredible travel experience.
Tara is a Kiwi sailor with an unhealthy obsession for plotting multiple lives in exotic locations around the world the more wild and remote the better
An experienced brand and editorial designer, and content creator specialising in marine and adventure storytelling, she’s also the founder of Saltwater Journal
Tara brings years of design and publishing experience to Island Cruising, with a focus for helping new sailors gain confidence and businesses share their unique stories, setting them up for success on the water and beyond
Welcome to our June edition of Cruise News!
It has been a busy month! The main departures of the Pacific Rally have mostly all arrived in one piece in the Islands and have enjoyed some fabulous welcome events thanks to all our generous partners You can check out all the photos later in the magazine
This month we launch our Sail South to NZ and Go West to Australia rally packages for those cruising in the Pacific already, and we invite you to join us in our upcoming webinars to learn more about how we can help you cruise the SW Pacific this season
If you are cruising the SW Pacific this season, it is very important that you understand all the formalities & requirements for entering each country You can join us on the Pacific Rally or become a member of Island Cruising, you can stay in the loop with everything going on behind the scenes and stay informed at every step along the way.
It is also super important to us that cruisers continue to receive a warm welcome in the SW Pacific, this means learning and understanding the various cultural practices and protocols - such as Sevusevu in Fiji, respecting Sundays in Tonga, dressing appropriately, using your holding tanks when in anchorages particularly where people are swimming and villages are collecting food, and generally being a good guest. You can read more about our rally values on our website.
In July, I’ve been asked to speak at a United Nations conference about yachting in the South West Pacific to educate the Maritime Officials about typical yachting behaviour. These conferences are very valuable for all parties to better understand the challenges we are all facing out there and I’ll be keeping all our members updated with the outcomes of these meetings. If you are interested in staying informed, you can join us as a member for just NZD$12900 per annum and get a weekly members newsletter with all the inside info on this and many other topics
We’ve also been hard at work advocating on behalf of our rally participants and cruisers in general throughout the SW Pacific. At the beginning of every season there are always a few inconsistencies we like to iron out, but so far this season we’ve been requesting better protection on the concrete docks in Tonga, questioning the inconsistencies in the application of the biosecurity rules in Fiji, requesting that officials provide govt receipts for all cash payments taken, fighting some changes to the way boats are sold in NZ, and we continue to question the requirements around excessive red tape and other time consuming & costly administration
If you are an international vessel planning on selling your boat in New Zealand this season, I encourage you to get in touch with us so we can fill you in on the proposed changes and what is going on behind the scenes to challenge this.
On a personal note, I have finished my last round of chemotherapy for Diffuse Large B-Cell Non-Hodgkin Lymphoma I am hoping to now make a full recovery and put this horrible chapter in my life behind me and get back out on the water and growing some hair back! We’ve had other rally participants fighting various other health issues, too and so it is an important reminder for everyone out there to take advantage of every moment! How about joining us next year on the Pacific Rally 2026? We will be launching all our plans in July, and we are taking preregistrations now here
I hope you enjoy this month’s magazine Thanks to Tara for pulling it all together, and to our fabulous contributors! Enjoy.
Join us to achieve your sailing dreams
Choose from Tonga, Fiji, Vanuatu, New Caledonia, New Zealand or Australia
Flexible dates & destinations
Yachts and Powerboats welcome
FIND OUT MORE HERE
Become a Member
It’s just NZD$12900 per year
Thanks for all your help, advice, counselling, support, emails, sessions on line, all documents and templates and above all your amazing ability to be in 100 places at once always with a smile and always ready to help no matter where you were and how busy you were! You are amazing Viki! Highly recommend Viki and Island Cruising NZ!
You have absolutely blown this rally out of the water with your organisation and info passed onto all the participants I would highly recommended your rally to anyone new next year
Planning a sailing departure from the Pacific Islands this year?
5 June 5pm NZ Time
Register for the information webinar here
We'll discuss your options for sailing into Australia this summer, and the islands you can visit on your way Plus, how we can help with all the formalities, documentation, strict biosecurity and biofouling regulations, cultural protocols, visas, offer marina and yard discounts, cruising info, and more!
Explore the tropical Great Barrier Reef and Whitsundays in the North, experience stunning Sydney Harbour for the New Year’s Eve fireworks, down to the rugged beauty and wildlife in Tasmania in the south.
4 June 5:30pm NZ Time
Register for the information webinar here
From the gorgeous Bay of Islands in the Northland region down to Marlborough Sounds, the rugged beauty and wildlife in Fiordland, and Stewart Island in the south - New Zealand has excellent cruising grounds to explore.
See more information about what we'll cover in the each webinar here at Island Cruising
To kick off your Pacific adventure, we're thrilled to offer 20% OFF our best seller ‘Used Boat Kit’—valued at over $200! This exclusive kit also comes with a FREE Dulon cap. As a special bonus, owner Chris Toorenburg will personally demonstrate how to get the most out of your kit, sharing expert tips on boat care and maintenance. Group session date to be advised on our social media page. Email us at admin@dulon.com.au to claim your discount and secure your kit. Pickup also available at our store inside The Boat Works, Monday to Friday, 9am–2pm. We can’t wait to see you there!
Nestled along the palm-lined coastline of Fiji’s second-largest island, Vanua Levu, the Savusavu Yacht Club is more than just a place to dock your boat and relax with a sundowner. It’s the heart of a small community sailing club that’s changing the lives of young locals creating a safe space for learning, fun, and world-class sailing right from a small corner of the Pacific.
WRITTEN&PHOTOGRAPHEDBYTARACOONEY|SALTWATERJOURNAL
The club's roots stretch back to the early 1990s, when it was co-founded by Geoff Taylor a passionate father, geologist (with an entertaining memoir), and sailor who saw the ocean as both a classroom and a place of communion with family. Along with Anthony (Tony) Philp (a stalwart of Fijian yachting), they transformed an old copra storage shed into a Marina hub for cruising adventure and gathering in the ‘Hidden Paradise of Fiji’ Now there’s a small clubhouse next door for junior sailing.
In a recent visit to Savusavu, I spotted the Optis dotted white along the club lawn while wandering past. A group of kids were listening intently in front of a whiteboard, and I poked my head in to find out more. It was there I met Geoff’s daughter Salote Taylor who gave me the rundown of the juniors and what they were up to.
“I was just a kid when it started,” recalls Salote, who now helps carry on the program.
“We’d come in to town from out past the airport, pick up all the other kids on the way in a Hilux ute, and head to the club. That’s how it began.”
With just a handful of families and a couple of boats, they launched what would become the Savusavu Junior Sailing Club It’s one that ripples across generations.
With the passing of Geoff in January, his family honoured his 100-day burial memorial (a significant tradition in Fijian culture) and legacy, with a special regatta and fundraiser.
And volunteer coaches still do a Hilux run to ferry kids to and from sailing sessions.
You can feel the energy from the kids as they get set to sail they can’t wait to get out there. At the heart of the club’s mission is accessibility There’s no cost for the kids, and no barriers to giving it a go. All membership fees from the yacht club are funnelled directly into the junior sailing program, and every fundraiser helps keep kids on the water
There are plenty of ways for visiting sailors to help too Whether it’s a spare sailing dinghy, life jackets, or donations of pre-loved gear, every bit is gratefully accepted and really helps “We don’t need new,” Salote shares with a smile. “We’ll take anything Opti sails, spars, life jackets, even water bottles If we can’t use it, we’ll raffle it off to raise money.”
Ready to launch for an afternoon session on the water
ROM OPTIS TO THE OLYMPICS
he program is thriving, with over 20 ids sailing regularly But there are hallenges for the club especially in xpanding the Optimist fleet and roviding boats for older kids Once hey age out of the Opti class, there’s gap.
he teens are encouraged to stay nvolved with coaching the younger nes, but the club hopes to build a fleet f Laser 47s and standard Lasers, and rovide the opportunity to keep sailing and a pathway into further coaching, r even international competition nd the talent is strong. A number of ailors have represented Fiji in the acific and Olympic games (Pretty mpressive given the funding comparison to well-resourced clubs around the world!)
Both Geoff Taylor and Tony Philps were Olympic sailors, and more recently, Viliame Ratulu (who's initiation to sailing was taking off in a club dinghy with a mate) competed in the Paris Olympics all have been local role models for the next generation Not to mention the volunteer coaches who bring their own sailing stories and Olympic experiences to mentor and motivate the kids.
“We’ve always had heaps of girls out there. There’s no difference on the water everyone’s competitive, and the banter is brilliant.”
“I LOVE IT!”
The impact goes beyond racing. With the creep of drugs into the island, sailing provides a positive alternative to hanging out on the streets. The youngest sailors are around five years old, through to older teens all trying something new on the water and finding themselves coming back.
“And it’s not just boys” Salote grins,
“We’ve always had heaps of girls out there. There’s no difference on the water everyone’s competitive, and the banter is brilliant. You should hear them yelling at each other during races!”
Soon the kids finish up their whiteboard briefing with the coaches and head out to launch the boats Faces all zinced up, ragtag lifejackets on and massive smiles it’s obvious how much fun they have I chat to a girl fitting her rudder and ask if she likes being out on the water. Her reply? “I love it!”
If you’re keen to support Savusavu Junior Sailing Club, here are some great ways to do that:
Donate an unsed sailing dinghy | Optis or Lasers even if they’re older they’d be gratefully used Pass on sailing gear | Child life jackets, rashvests, sunscreen, old club markers you name it, if it’s for sailing they’ll likely find a use for it!
Support fundraising events & follow updates | via the Copra Shed Marina Facebook page Become a member of Savusavu Yacht Club | The best $25 you’ll spend to join a sailing club in Fiji! 100% of fees go to junior sailing
Vinaka vaka levu
Thank you very much!
Surwarrow Islands are closed
Suwarrow Islands (Cook Islands) internal borders remains closed until further notice. Choosing to sail directly to Suwarrow without prior approval from Cook Islands Customs Service could impact future travel permissions.
For inquiries or clarification, please contact Cook Islands Customs email customs.craft@cookislands.gov.ck
Dear yachtsmen and professionals,
Goiot Systems, created in August 2014, is a manufacturer of fixed and opening multihull escape hatches.
Following a few cases of glazing failing to adhere to the aluminum frame, Goiot Systems has set up in 2020, for a limited time, securing kits or the replacement of opening hatches, with the shipyard manufacturers.
Goiot Systems invites multihull owners and/or users who have not yet done so to contact LAGOON or their boatbuilder immediately before setting sail
Nawi Island Marina is situated directly across from the heart of Savusavu Town, offering convenient access to this charming coastal community The marina features 137 berths, including 21 dedicated superyacht slips accommodating vessels up to 85 metres (297 feet) in length Designed to serve yachts of all sizes, Nawi Island Marina is the premier docking destination in northern Fiji.
Located on Korovesa Island, the marina is equipped with worldclass amenities including:
Fuel dock and full-service pontoons
24-hour security
Power supply: 240V single-phase and 415V three-phase
UV-filtered water and sewage services
A shuttle service operates hourly, providing convenient transfers between Nawi Island and Waitui Marina on the mainland M A R I N A F A C
High-speed internet access
Laundry services
Marina Bathrooms
D I N I N G & R E F R E S H M E N T S
FIJITIME MEXICAN GRILL & POOL CLUB
Savor authentic Mexican cuisine infused with local Fijian ingredients and flair. Located at the Nawi Island Pool Club.
Enjoy Italian comfort food and Fijian-inspired appetizers, featuring wood-fired pizzas, world-class pastries, and a craft cocktail bar
A cozy bakery serving fresh pastries, sandwiches, cakes, and traditional comfort foods.
Kickstart your day with aromatic coffees and island-style service.
Relax in a 300,000-litre ionized natural infinity pool overlooking the marina Includes a swimup bar and restaurant for a refreshing, indulgent experience
Recently opened, this center offers unforgettable experiences for in-house and local guests alike. Activities include:
Waterfall hikes
Traditional Kava tasting and Dance
Mud baths
Kayaking
Bike tours
And much more
Operated by a certified spa therapist with over eight years of experience in hospitality and wellness Niuspa offers a range of therapeutic treatments that promote relaxation and beauty, including:
Massages & body treatments
Facials & waxing
Manicures & pedicures
Eyelash extensions
Eyebrow shaping and tinting
M A R I N A F A C I L I T I E S
Conveniently located on Nawi Island, this market is stocked with all your essentials eliminating the need to go into town for supplies.
A fully equipped meeting space is available for hire, ideal for events, business meetings, or quiet remote work
Nawi Island is expanding its offerings with the addition of three single bure accommodations, currently in the final stages of completion on Korovesa Island These will be available for booking from July
Stay updated via our website: wwwnawiislandcom or follow us on social media
If you’ve just left for the islands or are about to, you might be realis that cotton is clingy as (think: damp towel on a humid day), it never drie (unless you hang it up in the breeze), and it never smells better on day two
Here’s the fix: Henri-Lloyd’s Dri-Fast polos, tees, and Explorer shorts are the go-to kit for island heat, long Pacific passages, and marina beers after arrival. Telling y ou from experience.
Warren just got back from another Fiji delivery (this time properly sailing with 40kn winds). Started in full offshore gear (Elite jacket and hi-fits), but by the end? Shorts, Dri-Fast short sleeve tee or polo, Breeze jacket or gilet if needed to just keep that spray and wind off the core And he could carry on with the same gear also on the shore (well, he did have spares just for extra freshness it was a 6+ day trip after all)
polos work: effective
Quick-dry fabric no sticking, no sagging, no ironing (hello sharp look on day whatever)
Moisture-wicking + breathable stay dry, feel better
Antimicrobial Polyglene tech no lingering smell after a sweaty day And yes, this one really works Tees Available in male and female fit classy navy and white options Polos: male and female fit too, and colour options? Blue, more blue, less blue, white, black, ice, red by the way, we may or may not know someone (not naming names, Warren) who spilled prosecco and beer on one (fully accidental) and the spill dried out without leaving a mark. We’re not promising miracles, but… we saw it happen. Bargain.
And the Explorer Shorts?
Your new best mate.
An absolute sailing essential, HenriLloyd’s Explorer shorts are inspired by climbing gear, made from doubleweave 4-way stretch fabric for ease and comfort on the move, whilst retaining their fit and shape The Explorer range uses recycled polyester, PFC-free, DWR fabric that features a quick-dry waterrepellent and high-wicking outer, ideal to protect the wearer from spray and light rainfall.
For protection and longevity, the fabric also features a high-abrasion coating, designed to withstand wear and tear without showing marks or blemishes Want something even better for the boat so your bottom stays totally dry? There is a waterproof option Dynamic Shorts both male and female versions available.
These pieces are made to work day after day, rain or sweat, on the boat or off it. And yes, they still look sharp enough for a marina bar. (Unless you’ve covered them in fish blood Then maybe do get changed)
One more thing the tees and polos are great for crew branding, so maybe plan it in for your next round of new team kit. With a subtle Henri-Lloyd logo, these Dri-Fast Polos and tees are ideal to be printed or embroidered with team, boat or company branding. If you’re still packing heavy cotton for the tropics might be time to upgrade
Are you still on the shore in NZ or AUS? Get in touch with one of the suppliers and we’ll get you sorted. Yes, members’ discounts apply!
Get Yours at:
New Zealand sailors – thechandlery.co.nz
Australian sailors – henrilloyd.com.au
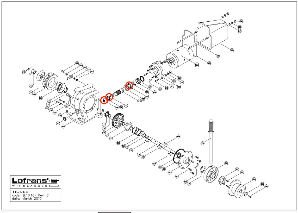
As I mentioned in the last article, servicing my Lofrans Tigres had become a bit of a priority as my previous neglect had led to a few issues.
In a nutshell, these included: Galvanic corrosion due to dissimilar metals in the windlass.
A runaway anchor episode (the windlass failed to stop when the button to raise the anchor was released), probably due to corrosion in the solenoids in the control box
The anchor chain skipped on the gypsy
The windlass intermittently failed to work.
In a booklet entitled, Tigres; Mounting, Operation and Maintenance
Instructions, Lofrans recommends washing the windlass every month, disassembling the gypsy and drum every six months, and removing the windlass from the deck (to rinse underneath it) every year They don’t advise how often to change the oil and seals, but I read elsewhere that 3-4 years is reasonable
As we hadn’t changed the oil or seals in the five years we had owned Taurus, we
were past due With Cara back in New Zealand and Taurus safely tied up to a dock in Hobart there were no excuses to further delay a service
After my recent ministrations, the windlass practically fell apart in my hands as I disassembled it The previous battle, which involved levers, gear pullers, copious amounts of CRC and brute force, was evidence of how far I had allowed things to deteriorate It would seem Lofrans has a point when they recommend stripping the machine every six months.
Before going crazy, I decided to only strip the windlass to the point where I could see the markings on the oil seals and bearings.
I wanted to make sure that I could source these items before I destroyed them in the disassembly process, only to then find that a replacement was made of ‘unobtanium’ or unknown outside of France.
Fortunately, the Prince of Wales Marina, where I was staying whilst Cara was away, is adjacent to all manner of industrial and marine related stores One of these is ‘Tas Bearing and Chain’
where a good guy called Chris, who also happens to be a ‘yachtie,’ works Friendly, knowledgeable, and interested people can make or break a project, and a helpful discount and opportunity to chat doesn’t hurt either!
Happily, all the seals, bearings, and Orings turned out to be common items and in stock.
If you’re planning a similar exercise, the seals either side of the gypsy and drum are 25x42x7TC, the inner bearings were 6005LLU, and the large O-ring that sits inside the cover on the drum side was coded BS247
Of course, when I got past the point of my last tear down things started getting a little harder to take apart. The situation everyone dreads is the bolt or machine screw that refuses to budge The cover on the drum side has six machine screws, so it was inevitable that one would refuse to play ball.
This particular screw’s allen key socket rounded off oh so easily, and I was left to contemplate how much of a PITA my ham-fistedness was going to create. After trying other bits to see if any would grip, I had little choice but to drill the head off the screw
Rather than scar the housing whilst trying to remove the seal, I find drilling a small hole and screwing in a self-tapping screw allows the seal to be pulled out (fairly) easily
Amazingly, this was a straight forward exercise, and with the head removed I was able to take off the plate and remove the remaining piece of screw with mole grips. Of course, oil will start to leak out as soon as the seal is disturbed, so have a container ready Feeling fortunate that the machine screw hadn’t snapped off inside the aluminum housing, I decided to replace all the screws and clean the housing’s threads with a tap
Above: Escaping oil, a broken machine screw, and mole grips to the fore A typical day at the office
Left: A rounded off machine screw Luckily, I was able to drill out the head and remove the remainder with mole grips
At this point of disassembly, I was able to drift the lateral shaft out from the gypsy side. You can see that I used a piece of scrap plywood to protect the end of the shaft from the gentle ministrations of my lump hammer
Due to the interaction between the gear on the shaft and the worm gear that runs fore and aft there is some resistance to the shaft being tapped out I was loath to use brute force to overcome this but, having read other peoples’ accounts, scratched my head, and come up with no better plan, a bit of force seemed the only way to proceed Fortunately, the shaft came out fairly easily.
With the shaft out I tapped free the bearings and could finally see clearly into the windlass’ interior
I used the gypsy below the housing to help ease the bearing out
There is plenty of empty space inside the housing so it’s difficult to know why I struggled to get a tube down through the filler cap. I forgot to check at the time, and am currently sailing on a friend’s boat so can’t check, but presumably the filler cap is directly above the gear. Perhaps more persistence would have allowed the tube to pass by it
However, when I tried to pump out the oil through the now enormous hole in the side of the windlass I still struggled. The oil was simply too viscous for my pump to handle If you can find a decent pump, with a decent bore, you might avoid a good deal of cussing.
The experience taught me that there was no way I would have been able to drain the oil via the filler cap which is not to say that you shouldn’t give it a go. Your oil may be thinner, but don’t be surprised if you need a Plan B.
Shaft free Note the worm gear still in the housing I’ve started to strip the shaft The spring creates some tension on the circlip, but not a great deal Make sure it doesn’t fly overboard!
With the main shaft out I decided to remove the worm gear. To do this you have to first remove the electric motor which is held on by three bolts. The motor can then be withdrawn Take care not to lose the woodruff key that allows the worm gear to be turned by the motor.
With the motor removed you will be able to see a spacer in the housing (photo below) I was able to take out the worm gear shaft by pulling it rearwards via the now removed inspection cover, the spacer popping out with it BE AWARE if you take this step (I only did mine because the oil inspection glass was so dirty that I couldn’t see through it) that there are three thrust bearings on the shaft with rollers that are not caged As you remove the shaft they will try to escape!
Note the position of the uncaged bearings that may spill…
With the shaft removed, and roller bearings recovered, you should note that the spacer is made up of three parts: an O-ring, an oil seal, and a chunk of aluminium that houses them The O-ring and seal are coded BS222 and 25x35x7TC respectively.
After cleaning and greasing everything lightly the re-installation is the opposite of the strip down. The exploded diagram Lofrans provides is helpful, and it’s a good idea to follow it carefully because if you forget one of the circlips everything has to come apart again (believe me, I know)
One other major cockup was narrowly averted I replaced the gypsy and rope drums before replacing the electric motor When I tightened the wingnut that sets clutch tension, the gear turned and pushed on the worm gear. Without the motor to restrain it, the shaft shot out of the rear of the housing like a mouse out of its hole
I wanted to measure the brushes You may recall I was quoted A$250 for a set, and as accustomed as I am to spending mega dollars on boats, even I baulked at this daylight robbery.
The brushes are marked ‘C12G’ and measure 16mm by 9mm by 195mm (the latter including the wearing face). If anyone knows of a brush that might suit, please let me know!
AtDBYBoatSales,weshareyourpassionforboating Withextensiveexperienceacrossourteam,weprovide�irst-class adviceandexceptionalservicetailoredtoyourneeds Whetheryou’rebuyingorselling,we’reheretoguideyouin makingtherightdecisions.Assailorsourselves,weunderstandyourjourneyandarecommittedtoofferingexpert knowledgeandpersonalizedsupporttokeepyouinsafehands
DBYisabletosupportyouwhereveryourboatis�loatingintheworld
Pleasecallusforachaton+61299993311oremailsales@dbyboatsales.com.au
See our website www.dbyboatsales.com.au for many more
At DBY Boat Sales, we take the worry out of selling your boat. From start to �inish, we handle every detail, ensuring a smooth and hassle-free experience. Whether it’s local passage planning, importation, shipping goods home, or leveraging our expert knowledge, we’ve got you covered.
We treat your boat as if it were our own, ensuring it’s in the safest hands. Have questions? We’re here to answer them anytime, no matter how far off your plans may be.
Even if your trip’s end is a year away, having a well-thought-out plan is good idea. Your “end game” should be a lasting memory, and why not conclude your journey in one of the world’s most stunning cities - Sydney. If you would like an e-copy of our extremely informative Paci�ic Magazine please email us at sales@dbyboatsales.com.au
Embark on your next sailing adventure with the refreshing taste and health benefits of Hydrogen Water! Our innovative water ionisation technology transforms ordinary water into a hydrating powerhouse, packed with antioxidants and minerals to keep you energised on the open sea
Why Choose Hydrogen Water?
- Hydration at Its Best: Stay refreshed and hydrated during long days on the water
- Eco-Friendly: Reduce plastic waste with our reusable water solutions
- Enhanced Flavour: Enjoy the crisp, clean taste that makes every sip a delight
Did you know?
Desalinated water while safe to drink does not provide any nutritional value
Versatile pH Levels for Your Needs
Hydrogen Water offers various pH levels that can be used for different purposes:
- pH 9.5 (Drinking Water): Perfect for hydration and maintaining your energy levels while sailing.
- pH 6.0 (Beauty Water): Ideal for cleansing your face, leaving your skin feeling fresh and rejuvenated.
- pH 11.5 (Strong Alkaline Water): Excellent for cleaning your boat and removing tough stains, ensuring your vessel stays in pristine condition.
- pH 2.5 (strong acidic water ) Disinfection and Sanitation: can be used as a hand sanitiser, to disinfect cuts and scrapes, clean surfaces, wash/disinfecting food.
Make your sailing experience not just an adventure, but a journey towards better health!
Set sail with Hydrogen Water and discover the difference today!
Join the Sail Wellness Family and Elevate Your Sailing Experience!
Boatseekr is a new boat search platform that redefines how everyone can discover, connect, and buy boats using just a photo.
Search less, discover more
Searching for your dream boat can be overwhelming, especially if you don’t know a boat’s actual make or model You may be very clear on what you want, but finding your precise one thereafter can be like searching for a needle in a haystack
Boatseekr advanced image recognition tech
Boatseekr has developed brand new technology specifically to find the boat you most like using just one photo of any boat, however, you source the photo; from a marina stroll, a social media post, or a boat you took a photo of on your last holiday Our system determines from many thousands of listings the most relevant and available boats that match the style, size, and features of the photo you’ve shared, each tailored to your preferences
Personalised, fast, and smart
Whether you’re after a picnic boat because you once saw a Hinckley, or something similar from another equally stunning designer or manufacturer, Boatseekr will deliver you close choices to your fingertips
Don’t know the make or model? No problem
Have a budget and location? Boatseekr filters for that
Curious what’s in your price range that looks like a Riviera? Curiosity cured
From jetskis to luxury superyachts, our platform caters for every boating lifestyle and ambition, created among New Zealand’s deeply knowledgeable boating community
Buyers, Meet Brokers & Dealers seamlessly
Boatseekr has also reinvented how brokers and dealers engage with prospective buyers and created a suite of new broker tools to enable more informed discussions and quicker transactions, turning curiosity into conversion faster. The majority of New Zealand and a strong list of international brokers and dealers have already jumped on board, meaning we’re launching our platform with over 18,000 yachts and powerboats available to purchase right now.
Take photo, see result…instantly
Whether you’re a seasoned boatie or a weekend dreamer:
Picture this: you’re walking the docks on a sunny Sunday with your partner, they spot a boat and say “Wow, that’s a nice one!” You take a photo, upload it to Boatseekr, and within moments you’re looking at similar boats for sale, right in your budget, near your marina Next Sunday? You could be docking out in that very boat For someone looking for the perfect yacht or launch, Boatseekr is your new favourite website
Boatseekr’s search technology is free to use, online 24/7
Upload a photo, get instant results, and discover boats you didn’t even know existed all within your reach
Don’t have a photo of your dream boat, but still want to search? Boatseekr has that capacity as well! By using the Advanced Search Option, you can choose what “style” of boat you want, and the system will search based on the image you choose
We are constantly improving our facilities to provide the best possible experience for our clients, and the recent upgrades at Dockland 5 Marine Ltd have truly made a positive impact Visitors and customers have praised the ease of access, the improved amenities, and the welcoming atmosphere that our newly renovated facility offers. Whether it’s the convenience of the new office and marina or the relaxing environment of D5 cafe, our customers have expressed a renewed sense of satisfaction, and we couldn't be happier with the response.
For those looking to relax after a busy day of work on their boat or simply to enjoy the scenic surroundings, we are excited to introduce the D5 Cafe. Situated alongside our complex, the cafe offers a cozy spot for boaters, tradespeople, and visitors to unwind. Grab a cup of coffee, enjoy a meal, and take in the river views while you plan your next adventure or catch up with fellow boating enthusiasts
Island Cruising Members and Rally Participants get 15% discount on hard stand fees - please show your member card for details. (conditions apply). Check
Dockland 5 Marine Ltd is more than just a place to store your boat; it’s a community hub for those who share a passion for the water Whether you’re in need of a haulout, extensive repairs, or just a convenient place to dock, Dockland 5 Marine Ltd has everything you need and more With our team of dedicated professionals, excellent customer service, and convenient location, we make boating easier and more enjoyable
Located on Hatea River in Whangarei's thriving marine precinct, Dockland 5 Marine Ltd is the ideal hub for all your boating needs with onsite trades and local expert services.
Our emergency haulout services ensure that even when things go wrong at the most inconvenient times, you can count on us to provide immediate assistance. Our highly trained crew will work swiftly to lift your vessel out of the water for repairs, ensuring minimal downtime.
Oceanflo’s unique pump design combines the reliability and simplicity of piston pumps with the efficiency of energy recovery systems which results in the following advantages
-World leading efficiency
-High reliability
-Minimal moving parts and the easiest seal replacement on the market
-A low operating speed maximizing service life
-Small footprint size
-Low noise and vibration
-Eliminates the need for high pressure boost pumps as with existing energy recovery systems which often is the point of failure.
-Self-regulating pressure automatically adjusts to sea water changes and variations
At SeaSpark Electrical, we are passionate about keeping your boat’s electrical systems in top condition so you can make the most of your time on the water. Whether it’s a small wiring installation or a complete vessel fit-out, we deliver expert craftsmanship and reliability you can trust.
We take pride in our high standards, offering professional, honest, and dependable service to give you peace of mind while at sea. Our expertise includes custom-designed lithium systems, house monitoring setups, inverter/charger installations, and solar power integration. Our goal is to make your vessel fully self-sufficient and off-grid, providing unparalleled reliability and independence.
Our Services Include:
Custom Electrical Systems
• Lithium Battery Systems
• Monitoring & Charging Solutions
• Inverter/Charger Installations
• Solar Arrays & MPPT Controllers
• DC-DC Chargers
• Vessel AC Upgrades
• Digital VSRs & Battery Monitors
• Full Distribution Systems
Navigation & Communication
• Depth Sounders
• Multifunction Displays (MFDs)
• Radars & Autopilot Controls
• Night Vision Cameras
• Trolling Motors
• Sonar Systems
• VHF & HF Radios
• Networking (NMEA), Wi-Fi, 4G/5G Boosters
• Satellite Phones
Lighting Installations
• Underwater & Under Gunnel LED Lighting
• Courtesy, Exterior, and Interior Lighting
• Navigation Lights
• Spotlights, Floodlights, and Light Bars
• Utility and Sports Lighting
Upgrades, Repairs & Custom Fit-Outs
• Full Vessel Rewires
• Dash Tidies & Custom Switch Panels
• Digital Switching Solutions
• Wiring Looms & Fuse Panel Installations
• NMEA Networking
• Fault Diagnosis & Repairs
New Boat Fit-Outs
• House Monitoring Systems
• Solar Power Integration
• Custom Designs Tailored to Your Needs
Join us to achieve your sailing dreams
Choose from Tonga, Fiji, Vanuatu, New Caledonia, New Zealand or Australia
Flexible dates & destinations
Yachts and Powerboats welcome
Comprehensive pre-departure training to help get you, your crew and your vessel prepared for the adventures of a lifetime.
Guidance for NZ vessels going through the International Voyage Certificate process (formerly Cat 1)
Fabulous discounts from our generous partner businessesenabling you to save lots of $$ during your preparations and during your voyage In fact, if you take advantage of all the great deals, you can quickly recoup your rally entry fee!
Connection with all the others heading in your direction - a safe, social and supportive community
Flexible dates & destinations - cruise with the group or do your own thing - the choice is yours
Fun social events along the way & the opportunity to volunteer in our community, environmental & citizen science projects if you wish
Weather Routing on the group departures on the main ocean crossings
A detailed 200+ page Rally Guide book giving you tips on all our favourite anchorages, places to visit, cultural considerations, marine services, and everything you need to know along the way
All the paperwork and advice on the formalities & regulations for entering and departing each country
A weekly newsletter with all the latest news and updates along the way
Support & advice if things go wrong
Just NZD$1795.00 per vessel for the whole rally or NZD$65000 for our Sail South or Go West options - click here for all the details
Comprehensive pre-departure training.
Our 2026 Pacific Rally is launching soon! You can pre-register your interest now online here
Vessel Manual - A printed manual to help you record all the details of your vessel and safety equipment on board and a comprehensive checklist and a webinar with Maritime NZ to help you get through the International Voyage Certificate regulations (formerly Cat 1 and only required if you are an NZ registered vessel)
An invitation to join our Pacific Rally 2025 WhatsApp Group You will also find sub-groups inside the main community where you can ask questions, share ideas chat about technology, connect with the other boats and families
Module on Preparing the Vessel - we talk through some of the common issues, and things you can do to help avoid them on your boat as well as a template you can use to create your Standard & Emergency Operating procedures manual (a requirement of the IVC)
Module on Preparing the Crew - we show you how to prepare a sailing CV which is useful for both your Insurance company and for NZ registered boats to show their assessor We also detail some great discounts you can get with our various suppliers on some extra training and we can help match you up with crew via our CrewSeeker Service
Module on Documentation & Administration - we work through all the paperwork required for going offshore, passports, boat registration, filing systems, insurance, vessel details & crew list template and more As well as all the info Australian vessels need for their export & importation process
Module on Communications - we take a closer look at satellite & radio communications and ways of keeping in touch when you head offshore, including a webinar with comms experts
Module on Navigation - detailing all the charts and various navigation tools out there, including some great discounts on navigation training for those who need to brush up their skills before heading offshore
Destination training - details of all the great places to visit along the way in Minerva, Tonga, Fiji, Vanuatu & New Caledonia with dedicated webinars on each destination, we will also have a Module on Weather, Passage Planning, Formalities and more! All the content is recorded so you can join any time and catch up
Check out all the other rally inclusions here
Register here for the Pacific Rally 2025
At ProjectX, we specialize in providing advanced navigation solutions for coastal sailors and passage makers. Our flagship product, the ProjectX tablet, is a rugged, military-grade, waterproof Android device designed to withstand the harshest marine environments and extended usage.
Equipped with OpenCPN and additional software tailored to your specific needs, ProjectX ensures precise and reliable navigation, making your sailing adventures safer and more enjoyable.
ProjectX Tablet is your ultimate navigation companion a rugged, military-grade Android tablet designed to withstand the harshest marine environments. Whether mounted at the helm, stationed below deck, or taken ashore, it keeps you connected and in control. ProjectX Pro Coming soon!
Our marine experts have been supplying exceptional advice and support to the local marine industry for 70 years.
Allan Gray has over 10 years' marine industry experience Allan has excellent product knowledge across our extensive range and can be relied upon to give the best advice possible. He is our in house 'Marine Expert', and available to recommend the most appropriate coating systems based on your unique requirements.
We are exclusive distributors of leading global paint systems, allowing us to provide tailor-made specification services, unique to your situation, that ensure you're using the right product and system in the correct way for the best results. Our marine experts will come to you, and provide advice and support for everything from preparation through to finishing
Our marine product range includes construction adhesives, filler and resins, fibreglass cloths and chopped strand matting, paints, anti-foul, cleaners and polishers and all necessary safety equipment to keep you and your team safe and healthy
We provide products and advice to boat builders and professional and industrial marine painters as well as those with a DIY project
Call 0800 499 663 or shop online on our website.
Island Cruising members - open an account and spend $100 or more and get a $50.00 voucher to spend on your next purchase in the shop. Show your member card in store for more details (Conditions Apply)
DATE 29 November 2025
VENUE Royal NZ Yacht Squadron
Auckland, New Zealand
Cruising Wingfoilers get together for fun regatta at Musket Cove.
It seems almost every boat cruising Pacific has wingfoiling equipment on board these days. Easy to stow and launch from almost any boat, it’s become the perfect way to stay active and enjoy the Pacific’s steady trade winds.
No wonder then that the famously informal Musket Cove Wingfoil Regatta is becoming more popular each year. The third instalment will feature two days of racing between August 13 and 18 (racing will run on the best or earliest good wind days during the waiting period).
Organiser Andrew Mitchell says the emphasis is on fun, challenging yourself to go around a few marks, and enjoying some great social banter afterwards “Organisation is pretty minimal”, says Mitchell “We lay a few marks, fire a few start hooters and record the finishing order. It’s basic but everyone seems to love it”
Divisions are ‘social’ for competent riders and ‘very social’ for those early on in their foiling journey A highlight for the social fleet is ‘The Reefer’, a 7-mile long distance dash around Nuku Reef.
TO STAY UP TO DATE WITH EVENT NEWS FOLLOW THE MUSKET COVE WING FOILERS FACEBOOK GROUP
> Cruisers’ Welcome Event
> Marina of Papeete inaugural cocktail
> Sailing Rally
> Outrigger Canoe Races
> Introduction to Traditional Sports
> Polynesian Dance Shows
> Skippers’ briefing about Leewards Islands, Tonga, Fiji, NZ, Vanuatu
> Opportunity to host local residents aboard > Optionnal Polynesian Feast
> and much more!
This expedition will explore mesophotic ecosystems in the Kermadec Rangitāhua region, uncovering new species and studying food webs to understand how these habitats function. Using advanced ROVs and photogrammetry, researchers aim to assess how climate change impacts this biodiversity hotspot and inform future conservation efforts. Read more here.
Time of Expedition: May - June 2025
Location of Project: The Kermadec Islands, New Zealand
Browse other Opportunities here
On average there will be between 5-7 jumpers ranging in age from 6 to 60
Elleen offers a lovely tour of the village and can introduce you to some of the local women who weave She also can help arrange flights, accommodation and food for those who are not arriving by private boat After the land diving, at night Elleen will stay with you on the beach making a fire, cooking together and sharing food together. She can also arrange other local tours.
It is important to note that the towers may be taller earlier in the season The dive platforms on the towers may be lower later in the season as the vines lose their elasticity But they will still be over 10-12 meters high! Men are allowed to climb the tower the day before and after the event Women are not allowed to touch the tower at all.
Location
Pentecost Island, Wali Bay (also called Londot Bay)
Every Thursday and Saturday in April, May and June
Starts around 10:00am
Standard Pricing 12,000vt adults and 6,000vt kids
Pacific Rally Participants who book direct with Elleen pricing: 10,000vt adults and 5,550 kids
Elleen Wano
elleenwano66@gmailcom
+6787661274, +678 5673932, +678763 8086,
Friday 22 AugustSaturday 23 August 2025
‘Here to help you make good cruising decisions’
Heading offshore this season or sometime in the future? Feeling overwhelmed with the preparations or need some extra support? My name is Jon Henry. I have over 60,000nm of sailing experience Racing both shorthanded and crewed as skipper in major offshore and coastal yacht races in all types of vessels Cruising from Europe to New Zealand, plus throughout the South Pacific, both as skipper and crew assisting others
I am currently a Yachting New Zealand Safety inspector and have assisted many sailors with preparing their vessels for their offshore voyages In 2020 I was awarded the “YNZ Official of the Year” for services to sailing.
I can assist in many ways From selecting the perfect boat, or setting up of your existing vessel. I have many contacts within the NZ marine industry that I can provide to arrange work on your boat, plus contacts that have sailed Asia if that’s your next challenge All to help you to plan your next adventure.
I charge $160000 NZ + GST (if applicable) for up to 12 hours face to face (Auckland region) or online assistance in negotiated sessions. Other areas and further assistance by negotiation Island Cruising members get a 10% discount
My services include, but are not limited to:
1. Initial consultation - I will learn more about your vessel, your sailing experience and your sailing goals for the future. We will discuss your timeline, whether your vessel is suitable for your needs and create a plan to prepare you, your crew and the vessel for the adventures ahead
2. Vessel Assessment - I will spend time on board going through all your systems and making suggestions on ways you can make the passage easier & safer and all the safety equipment required to meet the IVC standard
3. Communication - Advice on setting up your onboard communication systems - Starlink, IridiumGO, SSB, Spot tracker, InReach, Datahub, Cellular Router
4. Documentation - Guidance for vessel registration and inward/outward paperwork along the way & Insurance
5. Navigation - I can help you formulate a passage plan and give you tips on an itinerary while in the Islands
6. Provisioning - I can create a plan for your meals on the initial voyage, and what to stock your boat with prior to departure
7. Weather Routing - I can also assist with weather routing and departure planning
8. Crew Training - I can spend 24 hours (minimum) sailing on board with you and your crew to formulate safe procedures for watch keeping, man overboard, firefighting, helming, sail handling, reefing & all the drills as required in the IVC
9. Coaching - I can provide coaching sessions on a casual basis on your boat to help build up knowledge and experience Or, I can either help you skipper the boat on the passage, or arrange to have it delivered to your destination
Available at Bloomsbury and major bookstores
Nick Coghlan
A seasoned sailor and retired Canadian diplomat, Nick Coghlan draws on extensive offshore experience to share 50 of the world’s most remote and rewarding sailing destinations.
Each chapter shares a personal journey as Coghlan weaves vivid stories of sailing and discovery, pairing them with hand-drawn charts and practical details such as weather patterns, formalities, and GPS coordinates. His tone is reflective and candid, shaped by over 70,000 nautical miles at sea. The result is both a practical guide and enjoyable account of voyaging under sail
Divided into five regions North Pacific & North America, South Pacific, Indian Ocean & Africa, South Atlantic, and North Atlantic & Caribbean the book covers everything from iconic waypoints to lesserknown gems For sailors ready to venture beyond typical cruising grounds, this book is a useful, experience-based guide.
A sweeping tour of the South Pacific includes classic cruising grounds and remote islands across French Polynesia, the Cooks, Tonga, Samoa, Fiji, Vanuatu, the Solomons, and up the Queensland coast of Australia - each chosen for their safe anchorages, cultural interest, and off-track appeal.
I loved the book, and it was even more special that I’d been to visit her there and could imagine it in the flesh. A wonderful read, you’ll laugh, you’ll cry and I am sure you’ll enjoy it.
REVIEWBYVIKIMOORE
Rebecca Hayter
Many of you will recognise the name Rebecca Hayter - a wonderful sailing friend of mine and yachting journalist who purchased to a 10-acre section in Golden Bay and has written a wonderful book about her experiences.
Rebecca has spent the last 30 years writing about owning and sailing on boats, and her latest book details the adventures of the big learning curve that comes with transitioning from yachts to her spontaneously purchased lifestyle block in Golden Bay.
It turns out that a lot of her boating knowledge came in very handy during this transition Things like tying a rolling hitch knot around a tree branch, boat building skills turned into deck building skills, navigating a 4WD ute over soft sandy beach and fording through rivers to get provisions Working together with her neighbours to help solve problems, conserving water in droughts, and of course having to quickly become an expert in just about everything in between - or as Rebecca puts it “the best skill from boat ownership is nutting out problems for yourself through a mix of logic and intuition”
So if you are young and keen to develop a whole range of skills Rebecca suggests that you either buy a thoroughly second hand boat for a winter project – because the skills you gain will be useful if you ever buy a lifestyle block
Greg Luck has been a frequent contributor to the Down Under Rally Magazine. He has released a new third edition of Cruising the Queensland Coast, his guide for yachts cruising from the Gold Coast to Lizard Island. While cruising in 2023, Greg was struck by the number of cruisers who had adopted Starlink. The cheapest way to use it is on the Roam plan, designed to work over land At sea, the very expensive Maritime plan must be used. Starlink “land” includes many islands and some reefs using a hexagonal tiling system It can be hit and miss as to whether an anchorage or mooring is on “land” or sea for Starlink New in the 3rd edition, each anchorage and mooring includes a Starlink icon to indicate land or sea
Along with a print edition, the book comes as an eBook for tablets. However, the big players support a limited number of countries, and usually not the overseas territories of those countries such as Noumea or Tahiti This has been a problem for some cruisers The 3rd edition adds Rakuten Kobo, which supports 244 countries and overseas territories with excellent coverage for the Pacific
The third edition is fully updated with:
many new public moorings for the Townsville, Discovery and Cassowary coasts and Whitsundays new anchorages & public moorings, taking the total to 503 anchorages and moorings updates to the K’Gari Coast for the new Great Sandy Marine Park management plan
Starlink land vs ocean status for each anchorage, mooring and marina along with Telstra mobile reception
digital TV reception strength for each anchorage latest marina changes including comprehensive information on super yacht berths and resultant marina berth layout changes
S63 official Hydrographic chart references for each coast and how to use Australian Hydrographic charts on apps and chart plotters along with other navigation data sources expanded coverage of the Gold Coast & Moreton Bay recalculated wave roses for recent Waverider buoy placements such as the Wide Bay Bar higher-resolution aerial images and photos in the print version numerous other changes and updates
Down Under Rally and Island Cruising members get a 10% discount on the print book and a 20% discount on the Google Play Books eBook. Contact Greg at book@curlewescape.com.au with your member number to get a discount.
KIMKLAKA|EDITOR
The Western Australian Cruising Guide is regarded as the coastal cruising bible for WA, covering the coast from Darwin to Eucla, including the Christmas and Cocos Islands. This book is a definite must have, especially for cruising the Kimberley, with over 650 pages, 230 chartlets and many interesting colour photos. The main source of information for this guide is feedback from the hundreds of sailors who have shared their knowledge of this largely unexplored part of the coast
The 5th edition, now in its fifth update (v55), was a major revision of the 4th edition published in 2014 It includes dozens of new diagrams and several hundred new items of information. The first part of the guide covers weather, tides, passage planning, communications, emergency services, marine animals and government departments The second part contains specific pilotage information on many anchorages, showing suitable spots to anchor, dangers, the amount of protection, tidal information, places of interest, history of the area, and local contact details
The guide is available in two electronic formats, downloadable without charge
TO DOWNLOAD YOUR FREE COPY OF THIS INVALUABLE RESOURCE HEAD TO THIS WEBSITE
Photocopies of the guide are often available from Fremantle Sailing Club in an A4 leverarch file. To buy one of these hardcopies contact FSC on: +61 (08) 9435-8800; or reception@fsccomau
Kim Klaka | Editor
Sailing Fiji just got easier with the launch of the Yacht Pocket Guide to Fiji — a new online platform designed to enhance the experience for yachties heading to or exploring this stunning South Pacific destination.
THE FIJI YACHTING GUIDE FEATURES:
Essential sailing routes
Anchorage locations
Customs and clearance details
Provisioning tips
Local experiences and cultural protocols to help you connect more deeply with local communities and businesses
Check out the Fiji Pocket Guide – your ultimate travel companion for exploring Fiji.
EXPLORE THE GUIDE HERE
Created with insights from the sailing community and key partners, this guide is your go-to for practical information and local know-how
From the popular Mamanucas to the remote beauty of Lau, Taveuni, and Kadavu, the guide uncovers both iconic spots and hidden gems. Whether used alongside platforms like Noonsite and Noforeignland or as a standalone resource, the Yacht Pocket Guide to Fiji helps sailors navigate Fiji’s diverse waters with confidence and respect Explore, connect, and sail smarter Fiji awaits.
Radix makes delicious meals, ideal for when it's rough or when you need to refuel on the go Quick, easy, nutritious, delicious. Discounts for Island Cruising members
Click here to order - discount code SAILNZ10
Our Comprehensive Offshore Cruising Preparation Course is available online for just $129NZD and on demand.
The course content is broken down into easy to digest 1 hr sessions
View the course content as often as you wish
View when it suits you
Learn at your own pace
Pause / Rewind at any time
Contact the course presenters via email or telephone at any time with questions
Ship Registration: Guide to ships registry
Category 1: What is ‘Cat 1’and how does it apply to you and your vessel
Safety Gear: Vessel specific – EPIRBS, MOB devices
Rigging: Tips for extended cruising & safety including deck layout, preventers and more
Sails: Selection, balance, tuning, maintenance, furling systems
Anchors & Anchoring: How many, types, warps, windlass
Water treatment: Filtration, purification, disinfectant, watermakers
Vessel Systems: Plumbing, gas, fuel
Battery Systems: Capacity, measuring power consumption, troubleshooting, preventative maintenance and charging systems
Power generation: How much do you need to generate and the pros and cons of various options including wind, solar and mechanical
Electronics: Radios, charting, GPS, Radar, autopilot, AIS, etc
Steering: Tiller, wheel, wind vanes, autopilots & emergency systems
Diesel Engines: Troubleshooting, spares
Fuel systems: Filters, injectors, avoiding ‘bugs & bad fuel’
Navigation: Basic equipment requirements
Charts: Tables, filing, requirements
Sea Survival: Coastal and Offshore
Watchkeeping & safety protocols
Safety Gear: Personal EPIRBS and MOB devices, personal AIS
Seasickness: Remedies, management & avoidance
Log Keeping: How to keep a ship log and why plus basic record keeping
To Crew or not to crew: Pros and cons of having crew aboard, where to find crew and your responsibilities.
Sailing to a schedule: A recipe for disaster
Medical Kits and medicines
Money Matters: Credit cards, foreign currency, Power of Attorney
Insurance: Vessel & Travel
Staying Sane: Identifying roles, communicating aboard & sharing small spaces
Voice Communication options including Satellite, Radios – VHF/ SSB/ HAM & Radio Schedules
Electronic communications including email at sea: why is it important?
Vessel tracking and position reporting
Computer’s, Tablets, Phones and apps
Weather Forecasting: Coastal & Offshore
Weather information: Sources of weather info, how to interpret and use weather info
Weather routing for Passage Planning & Passage Management
Preparing and maintaining the Mind & Body
SEARCH AND RESCUE
How to Contact, Response times, authority & scope of SAR
PROVISIONING
What to take, where to put it & what is available when you get where we are going
SOURCING PRODUCTS & SERVICES
Where to get great discounts and deals on marine and cruising lifestyle products and services
Cruising Guides & Reference Books: Recommended, pilots, reference manuals, cruising guides
NEILDRISCOLL
Managing the skill fade that people will have over time is a great reason to build in simple regular safety briefings where crew members get to interact with vital safety equipment With something like the vessels EPIRB, rotating which crew member each month removes the EPIRB from the bracket and tests the battery could be a huge step forward in managing the skill fade of them being familiar with the vessels EPIRB in an emergency situation
As well as being familiar with the operation of vessels EPIRB, it’s critical to take some time to really think carefully about where the EPIRB is installed
Check out this video from Above & Beyond Boating:
Changing from a Young 88 up to a 45’ cruising yacht has been a steep learning curve in terms of all the electronics on board.
I decided that I needed to learn a bit more about how it all works and the MECO Level 1 course looked like a perfect way for me to be able to do some study and expand my knowledge while I had some time on my hands.
The great thing about this course is that it can help you start your journey from beginner to highly advanced marine electronics technician, and everything between!
No previous experience is required
Fully online & self paced
Instructor support during and after your course
So you can learn from home, instead of watching Netflix, start upskilling and getting a greater understanding of how all your boat electronics work!
Find & fix faults within a boat & yacht electrical system
Fully understand how power is routed and stored on board
Install new electrical and electronics equipment
Evaluate the safety of existing wiring and key systems
Fully understand the finer points of the Marine electrical and electronics systems
Easy to follow diagrams and lessons to learn the electronics behind basic systems through to more advanced
The MECO course follows a 'Global Standard' encompassing all the applicable international standards and national standards of the UK, EU, US, Canada, Australia, and New Zealand. This approach enables you to understand electrical systems on vessels from different countries.
There are a number of different course options to choose from. You can start with the absolute beginner course, or hop into one of the more advanced options
Save a fortune on repairs, evaluate the safety of your vessel making safety improvements before longer passages, and find faults en-route to keep essential systems running
I have really enjoyed the course so far, and have learned a lot Dave the owner of MECO has also very kindly offered our members a 20% discount for a limited time
This code can be applied at the enrolment stage and will provide a 20% discount on all courses at MECO
MECO courses and certification are designed for both professional and leisure use
Beginners to Advanced Recognised Certification Fully Online
Explore Meco Training Courses here
Two-day Offshore Medical Course customised to provide students with the basics required for Offshore Cruising. Course also covers a handover of the Offshore Medical Kit (CAT 1) and how to use it
20 - 21 November 2025 | Auckland or contact us for more options
10% discount for Island Cruising members + discount on Cat 1 Medical Kits Register online here
We love helping cruisers start the sustainable journey with our coaching sessions. We absolutely love to help you get the best out of your galley and already have some more coaching clients booked in this month We are looking forward to helping them towards a more sustainable and plant-based galley
For those of you who are unfamiliar with our coaching sessions, I thought it would be good to share here with you some of our FAQs to give you a better idea of what it entails.
How long will the coaching session last?
Your session will last approximately 1 hour
How can I prepare for the session?
Once you have booked and paid for your session you will receive a Small Vegan Kitchen coaching information pack in pdf format.
What topics will be covered during the session?
This is totally up to you. I am here to guide you and help you navigate your way to your goals, they could be sustainable practices, plant-based onboard, provisioning for passage, feeding your family or crew in remote areas, etc.
Will I receive follow-up support after the session?
Of course! Help is at hand. Around 30 days after your session I will contact you and ask you how you are getting on, celebrate your success and help you overcome any challenges that arose along the way.
How much does it cost?
Our Coaching session is 60 euros which is approx 64 USD and 97 AUD
How do I purchase a coaching session with you?
Please send us an email and, we will give you all the information you need
Can I ask questions about specific sustainability practices or plant-based cooking techniques?
Yes! Please do all your questions are very welcome
Feel free to reach out if you would like to have a coaching session with us or have any other questions We are here to support you every step of the way on your journey towards a more sustainable and health-conscious galley
When it comes to boating safety, one phrase rings true above all else: the skipper sets the tone
Whether you're navigating calm waters or caught in sudden squalls, the decisions and demeanor of the person at the helm play a pivotal role in ensuring every voyage ends safely. A combination of knowledge, leadership, and situational awareness makes the skipper the linchpin of any safe and enjoyable trip on the water
The term "skipper" extends beyond the privilege of steering the boat It entails a higher level of responsibility, where ensuring the safety of everyone aboard lies squarely in your hands. The skipper isn’t just operating a vessel; they’re managing risks, reading the environment, and leading by example Leadership on the water means making clear-headed decisions, staying calm under pressure, and creating a culture of safety for the crew and passengers
Imagine you’re out enjoying a perfect day of fishing when a sudden fog rolls in, obscuring your visibility At that moment, passengers will look to you for guidance How well-prepared you are for unexpected weather, for operating your vessel safely, for knowing the risks in advance is the difference between a stressful experience and a smooth return to shore.
Anyone who’s been out on the water knows that conditions can change in an instant Strong decision-making is a critical skill that every skipper must master. This includes knowing when to leave the dock, when to change course, and when to turn back It’s not about showing bravado; rather, it’s about making decisions that prioritise safety over everything else
Take, for example, assessing weather conditions before heading out Skippers with proper training have the skills to interpret forecasts and set a realistic plan accordingly, minimising risks for everyone on board
Good skippers not only react to situations but anticipate them Situational awareness means understanding the environment around the boat at all times This includes watching out for other vessels, staying attentive to navigation hazards, and keeping an eye on changing weather conditions
Distractions, whether from electronics or socialising onboard, can quickly erode situational awareness. Skilled skippers know how to balance enjoying the time on the water while maintaining vigilance They keep their heads on a swivel and trust their training to manage what's happening now while planning for what’s next
Being a great skipper is as much about people management as it is about boat management Leadership on a boat is about inspiring trust and confidence among the crew. This is particularly important during emergencies, where passengers rely on your instructions Leadership begins with preparation.
Demonstrating clear safety protocols, such as ensuring lifejackets are accessible or conducting a quick safety briefing before heading out, makes an impression Even something as simple as briefing guests on what to do in case of a fire, man-overboard situation, or engine failure can set a positive tone
The best skippers create an environment where passengers understand and respect safety measures without feeling alarmed. It’s about confidence not intimidation
Becoming a great skipper doesn’t happen overnight. It requires knowledge, practice, and a commitment to ongoing learning
This is where education plays a vital role. Our courses provide skippers with the tools they need to lead confidently and make sound decisions on the water For example, the Day Skipper Course equips boaters with essential skills, such as navigation basics, collision prevention rules, and how to handle emergencies The Maritime VHF Radio Operators Certificate, ensure that skippers are prepared to stay in touch and summon help if needed. And the Boatmaster course is all about building on what you already know and empowering yourself to have the confidence and skills to go out at night or to do some more coastal boating
If you're serious about becoming a better skipper, here are a few tips to steer you in the right direction:
1 Learn Continuously – Never stop improving your skills Take courses, read reports of past boating incidents, and seek advice from seasoned skippers.
2.Prepare Like a Pro – Always perform checks before heading out. Ensure you have enough safety gear for everyone on board and that it is in working order, that your boat is seaworthy, and you have contingency plans in place
3.Stay Attentive – Avoid distractions and keep your focus on the water. Situational awareness is your first line of defence
4 Communicate Clearly – Take time to brief your crew and passengers Always ensure they understand what to do in case of an emergency.
5.Stay Calm, Lead Strong – Your reaction during tough situations sets the tone for your passengers Stay composed and make decisions confidently
HYDROVANE IS BOTH:
A Self Steering Windvane System:
A completely independent mechanical system (ie. non-electrical) that steers the boat on a wind-based course. Easiest to operate, with no lines in the cockpit, and excellent on all points of sail and in all conditions
It is an Auxiliary Rudder type of windvane system – the Vane drives its own Rudder via a sophisticated Drive Unit linkage
An Emergency Rudder/ Steering System
Inherently a second Rudder and Steering System for your boat
It is the strongest Emergency Rudder and Steering System available today Always in place, nothing to set-up – takes the fear out of losing your rudder or breaking your vessel’s steering mid passage or close to shore
Got a question?
Ask a Pirate
Dear Mr Hook,
I was going for a swim off my boat the other day, but unfortunately the boat next door didn’t appear to be using their holding tanks and I swam through what appeared to be the contents of their black water tank. I’ve been in bed now for a week with a terrible tummy bug...
Surely this isn’t good sailing etiquette?!
Yours Mr Hook
Yuck, that is disgusting... you are correct, people should definitely be using their holding tanks when in an anchorage, near to where anyone is swimming, and nearby to villages and customary food collection areas
Disposing of food scraps over the side is also poor form You can save them up to dispose of when you are offshore or take your food scraps ashore to feed the local pigs
In many places it is actually illegal to be pumping sewage and disposing of food and any other waste overboard when you are within a certain distance of the coastline You should check the regulations, but it is definitely good boating etiquette to be using your holding tanks when in an anchorage.
It doesn’t take much effort for this common courtesy to ensure that everyone stays healthy and happy!
Yours Cap’t Jack
We are very proud to be a part of the South Pacific Sailing Network - a group of like minded businesses and countries around the South Pacific who are all committed to promoting sustainable yachting tourism and advocating on behalf of cruisers exploring the South Pacific
Our Pacific rally is the pathway that connects the islands and sailors together
Read more about the aims of the SPSN here
With a friendly boating mad team always on hand to offer practical advice, tips, and make product recommendations, we’ve got the answer for you. Our chandlery will ensure you get back out on the water, faster!
For any boating problems, come see the team at All Marine
Always on hand find that hard-to-find boat part you’ve been searching for – even if it’s not on our shelves – we’re sure to know where to find it Priding ourselves on stocking our great product range and having fantastic service, shop online or come on down in store and have a yarn.
Don’t see what you need? Give us a call, we’ll be happy to help 09 438 4499
Check out our website here
ISLAND CRUISING MEMBERS GET A GREAT DISCOUNT!
Check your member's weekly newsletter for the discount code
There are so many options for International Cruisers when it comes to cruising the South Pacific. Often we see people who zoom straight through and miss out on some of the best bits! Our recommendation - don’t rush and make the most of the prevailing winds. Here’s a suggested South West Pacific itinerary for boats heading from Panama in this direction - Watch the video animation here
Year 1
March Cross from Panama to French Polynesia
April Arrive French Polynesia (unless you’ve got a long stay visa or an EU passport you’ve only got 90 days to explore this incredible destination) Join the Pacific Rally for heaps of inclusions as you start your passage west
July Cook Islands
August Samoa and or Niue
September Vava’u - Tonga - check out the BlueWater Cruisers Festival
October Ha’apai, Tongatapu, Minerva, New Zealand
Stop in NZ to escape cyclone season - enjoy tax free repairs on your boat, Or Join the South Island Rally to sail south to explore incredible Fiordland or head home for Christmas
May Join the Pacific Rally to sail back to Fiji or back to Tonga
August Vanuatu - join the rally events throughout Vanuatu
September New Caledonia
October Bundaberg Australia on the Go West Rally.
December Sydney Harbour to watch the start of the Sydney Hobart Race and fireworks on New Year’s Eve
Australia is another great place to stop for a while with great boat repairs and places to leave the boat while you explore ashore or head home and of course some excellent cruising grounds too!
January Tasmania - Join the VDL-C Cruise
February Cruise slowly back up the East coast of Australia, enjoy the stunning Whitsundays and then Onwards to Asia or alternatively cross the Tasman and head back to New Zealand to enjoy exploring with the South Island Rally.
May Or return to the Pacific on the Go East - Pacific Rally to revisit the places you missed or enjoyed the first time round
October Back to New Zealand or Australia - both great places to end your journey and sell your boat. Or carry on doing circles in the Pacific or continuing on around the world!
Say goodbye to heavy, breakable bottles onboard!
Greenskin Wine presents a premium wine experience in a convenient 750ml soft pouch, ideal for those who want to enjoy fine wine without the hassle of cruising with heavy, bulky, breakable bottles onboard.
With 8 varieties to choose from, they have a superb choice of whites and reds from the world-renowned Margaret River and Great Southern wine regions of Western Australia You can pre-order through their website and nominate to have your wine delivered anywhere within Australia for just $495 per 6-pack (3 or more cases FREE delivery)
Greenskin Wine pouches hold 750ml but are around half the size and weight of a standard bottle of wine, which will save on weight and loads of fridge and storage space onboard They are also unbreakable, making them ideal when on the water. And once the joy is over, they fold flat, so you do not have to lug bulky empties with you!
Another fab bonus. If you just want a glass or two, simply squeeze all the air from the pouch and reseal, and your wine will stay fresh for up to 3 weeks, saving on wasted wine and money!
Not only is the wine great quality, but Greenskin Wine pouches take 80% less energy to produce than a glass bottle, and due to their lightweight, compact nature, they take a lot less energy to transport.
The ultimate kicker is that the pouches are 100% recyclable They even take care of the recycling. Every 6-pack comes with a postage-paid satchel, making it super easy to return your empties via AusPost for recycling
Enhance your sundowners with Greenskin Wine!
Greenskin Wine generously offers our Island Cruising & Down Under Members 10% OFF all orders.
Use your member's discount code for use at the checkout to receive 10% OFF each, and every six-pack of Greenskin Wine ordered
I have been based in New Zealand for the past 5 years after cruising on and off for 8 years, having sailed the East Coast of Africa, the West and East Coasts of Australia as well as Thailand, Malaysia and Indonesia My wife and I live on our boat and are still fully involved in the cruising lifestyle. I am a Licensed Immigration Adviser for New Zealand and, as a yachtie, have a particular interest in helping yachties with their immigration issues.
Island Cruising NZ Members get a 30% discount
Carib 41 (12.5 meter) Fiji registered For Reluctant Sale Owners need replacing with younger versions Comfortable roomy excharter yacht Live those tropical dreams without hassle of offshore requirements Fly in, explore years of wonderful Fiji adventures Large aft cabin
Hello Sailors! ��⚓
Ready to trade your sea legs for a thriving, worldrecognized business on Lake Dunstan, South Island, New Zealand? Imagine serving delicious coffee and burgers to cyclists on the picturesque Lake Dunstan Trail CoffeeAfloat and BurgerAfloat is a beloved stop, and we're looking for passionate individuals to take the helm
**What we are looking for:**
We're keen to **trade this fantastic business for a suitable "blue water" yacht or catamaran** If you need time ashore, this could be the perfect swap!
**What we offer:**
- Sites available for permanent caravan and boat storage
- Property that can be rented
- The chance to run a successful business in a stunning location
Craving a change? This could be your golden opportunity Visit coffeeafloatconz to learn more and let's make this happen! Then email hello@coffeeafloatconz, or call Richard +64 21452942
Ready to dive in?
GIB SEA 472 | €83,000
Stardancer | 1994 Gib Sea 472 in Malaysia
Key Features:
Hull Repainted (2022): A fresh, sleek finish ensures she looks as stunning as she sails
Well Maintained Rigging (2017): Sail with confidence knowing the rigging is in great condition
Spacious Design: With her 47-foot length, she offers ample space for liveaboard comfort or extended cruising
Berthed in Paradise: Conveniently located in the tranquil Rebak Marina, Langkawi, Malaysia - an ideal starting point for exploring Southeast Asia's stunning sailing grounds
Watch a video here
Check out YachtHub for more information
Hylas 46
AMARI is a stunning Hylas 46, masterfully designed by German Frers for blue-water cruising
Fully equipped for safety and comfort, this yacht is built to cross oceans with ease Having been meticulously maintained and outfitted for long-distance passagemaking, AMARI has already completed over 20,000 offshore miles with her current owners Visually, AMARI is striking Her dark blue hull and teak accents create an elegant profile at sea Below deck, the beautifully appointed teak interior features a high-gloss finish that exudes timeless sophistication The yacht offers two staterooms with ensuite heads: an aft cabin with a centerline queen-sized berth and a forward cabin with a pullman-style berth, both accommodating two guests each The salon provides additional sleeping space with a pull-out settee The galley is exceptionally well-equipped, capable of handling gourmet cooking with ease
IRIDIUM GO
IRIDIUM GO $250
($1600 new) and 2 sim cards
Does not include external antenna kit
INMARSAT Satelite phone $250
($1600 new)
Damaged screen (a replacement screen was costed at $100)
Long Life Stores $150
Butter x1 tin ($8 new)
Scrambled Eggs x2
Freeze dried Cheese x2 (for cooking)
Chilli Con Carne x2 (self heating)
Freeze dried Onions x2
Freeze dried Peas x2
Freeze dried Mushrooms x2 (makes a great risotto with the peas and onions)
($400 original value)
All items above can be collected from Marsden Cove Marina Contact: susanbeilby5@gmailcom
Reluctantly for sale this 23.6 m Expedition vessel is ‘Expedition Ready’ for her next adventure. was built and launched in Tampa Florida in 1974. Restless M
Initially built as a mother ship to a commercial fishing fleet in the in the Bering Sea, she was converted to to deep sea salvage and was a very successful treasure hunter and features in the book Treasures of the Deep The current custodians purchased the vessel around 2003 and undertook a complete refurbishment
The entire superstructure was removed and replaced with a Naval Architect designed alloy superstructure
Restless M can circle the globe with three fuel stops and you don’t need to bring your IT Guru to operate this vessel! The asking price of $2.6 M AUD ($1 65 M USD approx ) is a fraction of the replacement price of this wellmaintained vessel.
• Surveyor’s ‘Out of Water’ Report available
• Detailed Specification Report available.
Vendors will look at trades of boats, property to lessor value as well as short term vendor finance to approved purchasers
Claire’s book of their adventures and challenges can be purchased by scanning the QR code
Claire’s book is titled Who’s in Charge, My Brain or Me? (Or My Wife…). The main goal of the book is to promote awareness of Parkinson’s Disease and to
Restless M
LOA:Beam: Draft:Air Draft: Displacement
:Fuel:Water: MainEngine: Endurance: Specification
Scan the QR code to view Restless M’s website listing
raise funds for future research and to find a cure for this debilitating illness.
PD is the fastest growing Neuro disorder in the world and is the reason that Errol & Claire can no longer safely navigate the vessel, so the regretful decision has been made to “Swallow the Anchor”.
Scan the QR code to view a video walkthrough of Restless M
Become an Island Cruising & Down Under Rally member for just $129NZD per year & get everything you need to be offshore ready. Plus take advantage of our great sponsor deals!
WORKSHOP TOPICS INCLUDE:
Getting organised - a system for storing all the information for your Passage Plan, Safety
Manual, Maintenance log, Important
Documents, Boating Qualifications and more
Your vessel information - a template for collating all the specifications of your boat
The Cat 1 & 2 Regulations
Boat Registration
Reporting Incidents
Insuring your boat
VHF & MMSI
Meteorology - Forecasts
Communication options at Sea
Rig - rules for Cat 1 & 2
Sails for offshore - the Cruising Wardrobe
Fire Safety
Anchoring
Your Maintenance Records
Provisioning
EPIRB's
Your sailing resumé
Navigation
COLREGS
Passage planning
Provisioning
Safety gear
Diesel engine basics
Fuel systems
Servicing winches
Checking your rig
Anchoring tips
Sailing at night
EPIRBs
VHF/AIS
Communications
Man Over Board
Fire
Flooding
Abandon Ship
Preparing a Grab Bag
Meteorology
Tides
Docking
Plumbing
Electrics
Batteries
Charging systems
Keeping healthy
Sail trim & new sails
Boat registration
Taking on crew
Dinghy tips
Fog signals
Biosecurity
Seasickness
Coping in emergencies
Security
Skipper responsibility
Log keeping
Search and Rescue
Steering
Heavy Weather
Sailing
AND MUCH MORE!
Running yacht rallies around New Zealand and the South Pacific
Organising social events, activities and social media networks
Learning about and being respectful of the cultures we visit
Promoting positive social impact, community engagement and long-lasting connections with the people we meet
Being an inclusive, diverse and supportive community
Advocating for and assisting sailors in need
Advice on immigration clearances & formalities
Yacht tracking and shore crew support
Assisting sailors to prepare themselves, their vessel and crew for long coastal or offshore voyages
Promoting Safer Boating initiatives
Being a rich pool of knowledge, support and resources for cruisers
Encouraging upskilling and good seamanship
Running a sustainable and environmentally sensitive organisation
Supporting local and global environmental initiatives to protect the Ocean and the places we visit
Encouraging sailors to be eco-conscious and reduce their impact on the environment
Promoting Citizen Science projects aimed at ocean health
Forming strong relationships with yacht clubs to promote long-coastal and offshore races, rallies and cruising events and activities
Promoting Safer Boating and good seamanship alongside Coastguard, AMSA & Maritime New Zealand
Partnering with the South Pacific Sailing Network to promote sustainable yachting tourism
Producing a regular newsletter to keep cruisers informed on the latest cruise news, upcoming events and promoting partner products & businesses.
Promoting the New Zealand & Australian Marine industry and providing a positive and mutually beneficial connection to their target market
Encouraging and welcoming international sailors to New Zealand