Wouter Witzel Actuator Technical Documentation

Page 1

technical documentation

pneumatic actuators

electric actuators

hydraulic actuators

®

1.4SUMMARY OF OUR SALES PROGRAMME

1.4.1Butterfly valves and check valves

Eurovalve range, centric rubberlined butterfly valves, DN40 - DN2000

Eurovalve range, double eccentric high-performance butterfly valves DN80 - DN600

Centric, PTFE lined butterfly valves, DN25 - DN1200

Euro check range, double disc wafer type, rubber seal, check valves DN50 - DN600

1.4.2Manual operators

Wormgear operators for open/close and regulating purposes

Lever operator for open/close and regulating purposes

Wormgear operators for open/close and regulating purposes

NB: Detailed Technical Documentation of the above programme is available on request.

1.5ACTUATION PHILOSOPHY

The Wouter Witzel product philosophy for actuation is being able to supply, out of a wide spectrum of brands and types, the optimum solution for each specific case of valve actuation, according to the requirements of different market segments and customers. In order to match the desired quality, specification, performance at the right price, we classify the actuators into three categories viz.:

•Economic category

•General purpose category

•Heavy duty category

TD2/E/2000/1 - 3
Wouter Witzel Eurovalve® AFSLUITERS EN BEDIENINGEN VALVES AND ACTUATORS ARMATUREN UND BETÄTIGUNGEN

1.5.1Valve actuators

Wouter Witzel has carefully compiled a very complete and balanced programme of pneumatic, electric and hydraulic actuators with many optional ancillaries.

PNEUMATIC ACTUATORS

ECONOMIC Range AT

Design:

Rack and pinion type, double and single acting (shown with solenoid valve)

ELECTRIC ACTUATORS

Range M

Design: Rack and pinion, double and single acting (shown with manual override)

GENERAL PURPOSE

Design: Rack and pinion, double and single acting (shown with positioner)

Design: Long stroke rack and pinion, double and single acting (shown with switchbox)

Design: Quarter turn actuator, on/off and control duty. Lever for manual override

HYDRAULIC ACTUATORS

ECONOMIC Range BRC

Design:

Quarter turn actuator, on/off and control duty. Handwheel for manual override

Design: Quarter turn actuator, on/off and control duty. Handwheel for manual override

Design: Quarter turn actuator, on/off and control duty, based on multi-turn actuator with worm gearbox. Handwheel for manual override

Design: Rotary type, double acting, on/off duty

NB: The figures shown are examples only. Other configurations available.

Range E/P GENERAL PURPOSE Range GT HEAVY DUTY Range TPN ECONOMIC
GENERAL PURPOSE
Range EL GENERAL
Range DP HEAVY DUTY Range SA
PURPOSE
TD2/E/2000/1 - 4 AFSLUITERS EN BEDIENINGEN VALVES AND ACTUATORS ARMATUREN UND BETÄTIGUNGEN
®
Wouter Witzel Eurovalve

2PRODUCT DATA: PNEUMATIC ACTUATORS

2.1GENERAL Pneumatic actuators use compressed filtered dry or lubricated air as energy power source.

Main features of pneumatic actuators are:

•Simple and reliable construction

•Compact design

•Short operation times

•Spring return actuators for fail-safe operation

•Suitable for control duty with a 100% duty rate

•Most economical way of power actuation for smaller sizes of butterfly valves

Wouter Witzel use both our own TPN actuator design and products from the world’s best known pneumatic actuator manufacturers.

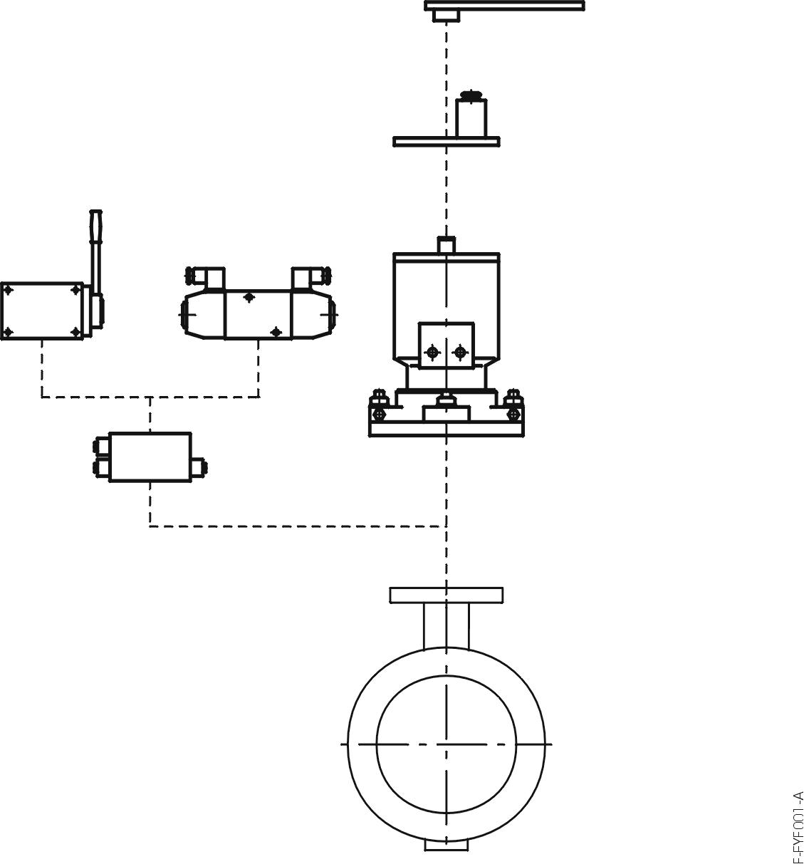
2.2PRODUCT CONFIGURATION

Most pneumatic actuators used by Wouter Witzel have an interface according VDI/VDE 3845 (NAMUR) for mounting solenoid valves and signal transmitters or positioners. Pneumatic actuators can be equipped with many ancillaries such as:

Ancillary:Function:

• Limit switchesremote open/closed position monitoring of the valve (direct mounted to actuator or in a switchbox)(mechanical switches or inductive proximity sensors)

• Solenoid valveremote on/off operation of actuator

• Throttle valve / throttle block / hydraulic speed controlspeed control for increased operating times

• Positionervalve disc positioning based on a variable input signal

• Potentiometercontinuous valve disc position feedback (resistance signal)

• Electronic position transmittercontinuous valve disc position feedback (current signal)

• Worm gearboxmanual operation after air failure / manual override

• Air tankoperation after air failure (up to several operations)

• Levermanual operation after air failure (only for double acting actuators up to valve size DN200)

• Air filter regulatorreducing pressure and filtering of supplied air

• Gauge(s)visual indication of actual air pressure

NB: Specific technical information on request

TD2/E/2000/1 - 5
® AFSLUITERS EN BEDIENINGEN VALVES AND ACTUATORS ARMATUREN UND BETÄTIGUNGEN
Wouter Witzel Eurovalve

2.2.1Product configuration

pneumatic actuators for on/off duty

2.2.2Product configuration

pneumatic actuators for control duty

TD2/E/2000/1 - 6
ALUMINIUM SWITCHBOX PLASTIC SWITCHBOX SOLENOID VALVE LEVER VALVE THROTTLE BLOCK WORMGEAR FOR MANUAL OPERATION THROTTLE VALVE NAMUR MOUNTING BRACKET AIRFILTER REGULATORPOSITIONERGAUGES VALVE NAMUR MOUNTING BRACKET WORMGEAR FOR MANUAL OPERATION AFSLUITERS EN BEDIENINGEN VALVES AND ACTUATORS ARMATUREN UND BETÄTIGUNGEN Wouter Witzel Eurovalve®

Product sheet

PNEUMATIC ACTUATOR, RANGE AT Application

For pneumatic quarter turn on/off or control duty, both double acting (DA) and spring return (SR), of Wouter Witzel butterfly valves. Economic category.

Compact design and low weight.

Same dimensions for double and single acting actuator.

Product description

•Twin-piston / rack and pinion actuator type

•Body of hard anodised aluminium

•End caps of aluminium, polyester coated

•Adjustable travel stops for both directions

•Anti-blowout shaft

•Mechanical position indication

•Interface for solenoid valves acc. VDI/VDE 3845 (NAMUR)

•Interface for signal transmitters and positioners acc. VDI/VDE 3845 (NAMUR)

•Flange dimensions acc. to ISO 5211

•Lifetime lubricated under normal working conditions

Technical data

Stroke: 90°with ±4°adjustment

Rotation: Clockwise closing

Operating medium: Dry or lubricated air

Temperature: -20°to +80°C

Coating colour: RAL 5015, blue (end caps only)

Air connection: DA/SR15: 2x G1/8”

DA/SR30-1200: 2x G1/4”

DA/SR3000: 2x G1/2”

Supply pressure: min. 2,5 bar up to max. 10 bar

Options

•Limit switches or switchbox

•Solenoid valve

•Speed control

•Position transmitter

•Positioner

•Wormgear for emergency manual operation

•Seals for other temperature range

•Chemical version: electroless nickel plated, polyester coated

•Indirect mounting (console and adaptor)

•Mounting parallel to pipeline (mounting position 2)

TD2/E/2000/1 - 7
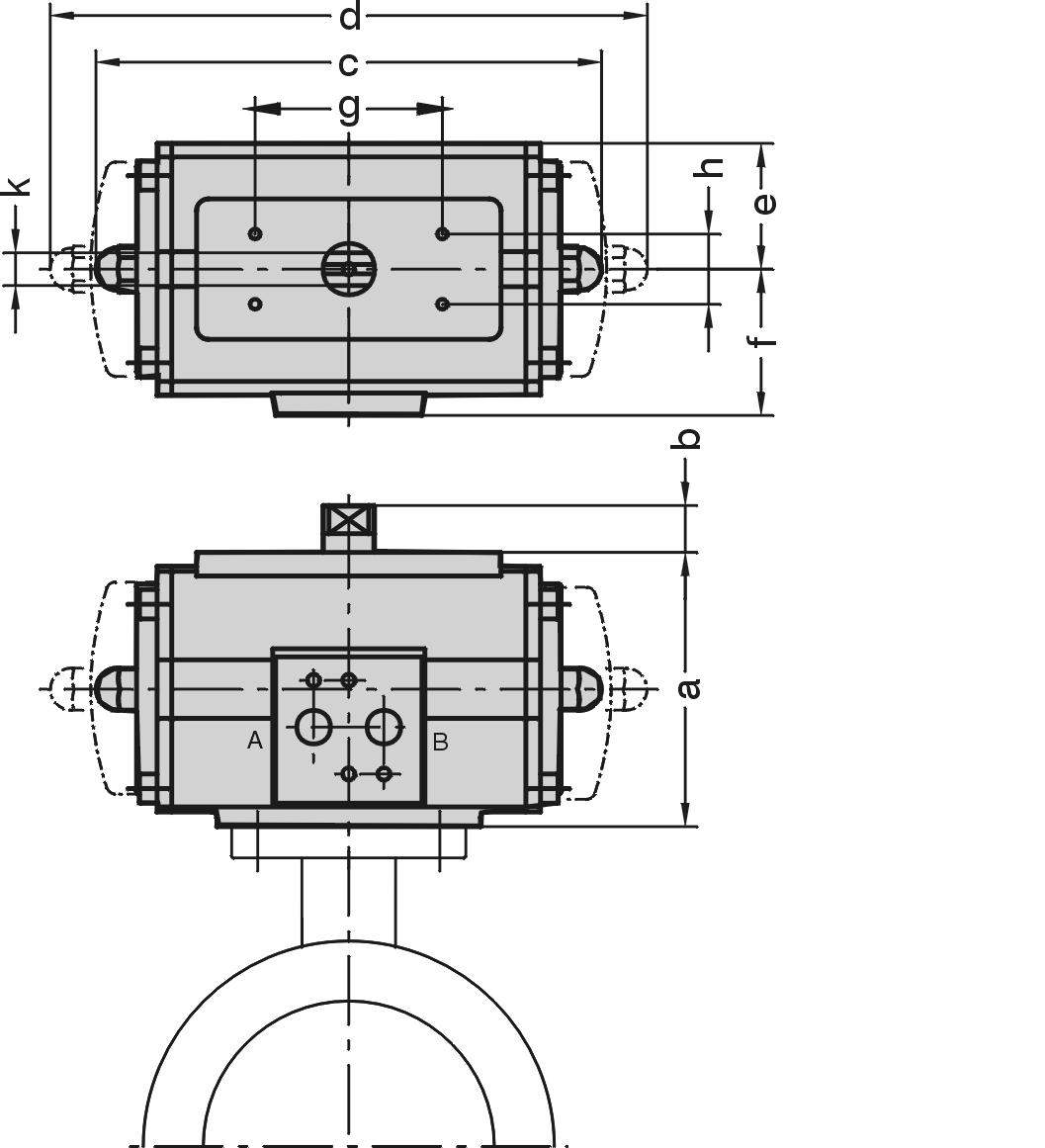
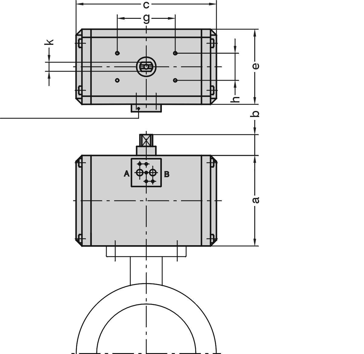
DASRPort APort B DA15 / SR15F03 / F04 67201382937803080.910.130.09 DA30 / SR30F03 / F04 / F05 83201523744803081.51.60.170.27 DA60 / SR60F04 / F05 / F07 1002020243498030142.83.10.20.4 DA100 / SR100F05 / F07 1102023049538030144.14.50.30.6 DA150 / SR150F07 / F10 1252027155638030145.96.70.70.9 DA220 / SR220F10 / F12 14230308646913030279.1101.01.6 DA300 / SR300F10 / F12 155303607073130302712141.52.1 DA450 / SR450F10 / F12 175304057881130302716192.42.6 DA600 / SR600F10 / F12 196504648891130302722253.24.7 DA900 / SR900F12 / F14 22050520100100130302732404.36.9 DA1200 / SR1200F14 240505761101101303032445268 DA3000 / SR3000F16 330506841541611303055901121012 abcefghk Dimensions [mm] Weight [kg] Air consumption [l/stroke] Actuator typeISO Wouter Witzel Eurovalve® AFSLUITERS EN BEDIENINGEN VALVES AND ACTUATORS ARMATUREN UND BETÄTIGUNGEN OPTIONS SWITCHBOXEMERG. MANUAL OPERATION SOLENOID VALVEMOUNTING POSITION 2 POSITIONER
Figure

Product sheet

PNEUMATIC ACTUATOR, RANGE E / P

Application

For pneumatic quarter turn on/off or control duty, both double acting (ED/PD) and spring return (ES/PS), of Wouter Witzel butterfly valves. General purpose category.

Compact design and low weight.

Product description

•Twin-piston / rack and pinion actuator type

•Body and end caps of aluminium, polyurethane coated

•Adjustable travelstop for only one end position

•Anti-blowout shaft

•Mechanical position indication

•Interface for solenoid valves acc. VDI/VDE 3845 (NAMUR)

•Interface for signal transmitters and positioners acc.

VDI/VDE 3845 (NAMUR)

•Flange dimensions acc. to ISO 5211

•Lifetime lubricated under normal working conditions

Technical data

Stroke: 90°with + 1°/ -10°adjustment

Rotation: Clockwise closing

Operating medium: Dry or lubricated air

Temperature: -20°to +80°C

Coating colour: RAL 1007, yellow

Air connection: 2x G 1/4”

Supply pressure: min. 3 bar up to max. 10 bar

Options

•Limit switches or switchbox

•Solenoid valve

•Speed control

•Position transmitter

•Positioner

•Wormgear for emergency manual operation

•Adjustable travel stops for both end positions

•Limit stop full-stroke (LF) for open or closed position

•Chemical version: CSR coating for corrosion resistance under extreme (chemical) conditions

•Indirect mounting (console with adaptor)

•Mounting parallel to pipeline (mounting position 2)

TD2/E/2000/1 - 8
DASRPort APort B ED/PDES/PSED/PDES/PS ED25 / ES25F04 / F05 802015917237468030101.31.70.100.11 ED40 / ES40F05 / F07 932018020443538030141.82.40.160.22 ED65 / ES65F05 / F07 1052019924949588030142.43.60.330.36 ED100 / ES100F05 / F07 1182022126754638030143.14.60.350.49 ED200 / ES200F07 / F10 1432028336064738030195.89.10.81.0 ED350 / ES350F07 / F10 18120305387879480301910.416.91.81.9 ED600 / ES600F10 / F12 22030387477104113130303619.427.62.93.1 ED950 / ES950F10 / F14 25930424517116126130303626.438.64.74.9 ED1600 / ES1600F16 29730516637133142130303642.765.87.38.0 PD2500 / PS2500F16 35630378570175185130303656.888.28.09.3 PD4000 / PS4000F16 / F25 38030502834190200130303686.6131.813.517.5 abcdefghk Dimensions [mm] Weight [kg] Air consumption [l/stroke] Actuator typeISO AFSLUITERS EN BEDIENINGEN VALVES AND ACTUATORS ARMATUREN UND BETÄTIGUNGEN
® OPTIONS SWITCHBOX EMERG. MANUAL OPERATION SOLENOID VALVEMOUNTING POSITION 2 POSITIONER
Figure
Wouter Witzel Eurovalve

Product sheet

PNEUMATIC ACTUATOR, RANGE GT

Application

For pneumatic quarter turn on/off or control duty, both double acting (GTD) and spring return (GTE), of Wouter Witzel butterfly valves. General purpose category.

Compact design and low weight.

Same dimensions for double and single acting actuator.

Product description

•Twin-piston / rack and pinion actuator type

•Body of anodised aluminium

•End caps of aluminium, polyurethane coated

•Adjustable travel stop for only one end position

•Mechanical position indication

•Interface for solenoid valves acc. VDI/VDE 3845 (NAMUR)

•Interface for signal transmitters and positioners acc.

VDI/VDE 3845 (NAMUR)

•Flange dimensions acc. to ISO 5211

•Lifetime lubricated under normal working conditions

Technical data

Stroke: 90°with + 6°/ -10°adjustment

Rotation: Clockwise closing

Operating medium: Dry or lubricated air

Temperature: -20°to +95°C

Coating colour: RAL 5015, blue (end caps only)

Air connection: 2x G 1/4”

Supply pressure: min. 2 bar up to max. 10 bar

Options

•Limit switches or switchbox

•Solenoid valve

•Speed control

•Position transmitter

•Positioner

•Wormgear for emergency manual operation

•Travel stops for both end positions

•Seals for other temperature range

•Chemical version: Body hard anodised (GC type)

•Stainless steel body AISI 304 (ET type)

•Indirect mounting (console with adaptor)

•Mounting parallel to pipeline (mounting position 2)

Dimensions

TD2/E/2000/1 - 9 Weight Air consumption [kg] [l/stroke] GTDGTEPort APort B GTD65 / GTE65F05 / F07 8830139708030101.41.60.150.21 GTD77 / GTE77F05 / F07 10030160848030102.02.40.270.37 GTD83 / GTE83F05 / F07 10830182928030102.63.00.390.53 GTD93 / GTE93F05 / F07 117302151008030143.43.80.450.65 GTD110 / GTE110 F07 / F10 140302221208030144.95.90.741.23 GTD115 / GTE115 F07 / F10 140302941208030207.18.41.21.5 GTD127 / GTE127 F07 / F10 160303001388030208.9111.62.3 GTD143 / GTE143 F10 / F12 19830350172130302012162.62.4 GTD163 / GTE163 F10 / F12 19830380172130302816203.14.2 GTD210 / GTE210F14 25530478224130303231395.98.4 GTD250 / GTE250F16 302306032721303032628412.515.5 GTD254 / GTE254F16 302306832721303032759718.015.5 abceghk
[mm] Actuator typeISO
OPTIONS SWITCHBOX SOLENOID VALVEMOUNTING POSITION 2 EMERG. MANUAL OPERATION POSITIONER Wouter Witzel Eurovalve® AFSLUITERS EN BEDIENINGEN VALVES AND ACTUATORS ARMATUREN UND BETÄTIGUNGEN
Figure FOR GTD/GTE 45-93 VENTIL ADAPTOR (THICK 15 MM)

Product sheet

PNEUMATIC ACTUATOR, RANGE TPN A

Application

For pneumatic quarter turn on/off or control duty, double acting (TPN A), of Wouter Witzel butterfly valves. Heavy duty category.

Product description

•Gear rack / gear wheel actuator type

•Body of cast iron GG25, polyurethane coated

•End caps of aluminium

•Cilinders of bronze

•Adjustable travel stops for both end positions

•Mechanical position indication

•Interface for signal transmitters and positioners acc.

VDI/VDE 3845 (NAMUR)

•Flange dimensions acc. to ISO 5211

•Lifetime lubricated under normal working conditions

Technical data

Stroke: 90°with ±10°adjustment

Rotation: Clockwise closing

Operating medium: Dry or lubricated air

Temperature: -20°to +80°C

Coating colour: RAL 2000, orange

Air connection: 2x G 1/4”

Supply pressure: min. 2 bar up to max. 10 bar

Options

•Limit switches or switchbox

•Solenoid valve

•Speed control

•Position transmitter

•Positioner

•Air connection G1/2”

•Wormgear for emergency manual operation

•Mounting parallel to pipeline (mounting position 2)

TD2/E/2000/1 - 10
TPN APort APort B TPN5AF07 118302202810010080301480.170.17 TPN10AF07 1253029048100133803014100.340.34 TPN17AF07 1253029048130133803014150.610.61 TPN40AF07 / F10 / F12 1673038261180170803019301.51.5 TPN85AF10 / F12 / F14 1853039572160-1303030452.92.9 TPN140AF10 / F12 / F14 / F16 2153049096180-1303030855.15.1 TPN280AF10 / F12 / F14 / F16 2153049096180-130303015010.110.1 TPN420AF16 / F25 2153072096180-13030302501515 abcdefghk Dimensions [mm] Weight [kg] Air consumption [l/stroke] Actuator typeISO AFSLUITERS EN BEDIENINGEN VALVES AND ACTUATORS ARMATUREN UND BETÄTIGUNGEN Wouter Witzel Eurovalve® TPN 5/10/17/40 TPN 5-17 WITH MOUNTING PLATE TPN 85/140TPN 280 SWITCHBOX OPTIONS EMERG. MANUAL OPERATION SOLENOID VALVE14 CE 2-1 SWITCHES MOUNTING POSITION 2 POSITIONER
Figure double acting TPN A:

Product sheet

PNEUMATIC ACTUATOR, RANGE TPN B

Application

For pneumatic quarter turn on/off or control duty, spring return (TPN B), of Wouter Witzel butterfly valves. Heavy duty category.

Product description

•Gear rack / gear wheel actuator type

•Body of cast iron GG25, polyurethane coated

•End caps of aluminium

•Cilinders of bronze

•Adjustable travel stops for both end positions

•Mechanical position indication

•Interface for signal transmitters and positioners acc. VDI/VDE 3845 (NAMUR)

•Flange dimensions acc. to ISO 5211

•Lifetime lubricated under normal working conditions

•Available as spring to open (S.O.) and spring to close (S.C.) actuator

Technical data

Stroke: 90°with ±10°adjustment

Rotation: Clockwise closing (ccw closing for TPN5B – TPN40B spring to open)

Operating medium: Dry or lubricated air

Temperature: -20°to +80°C

Coating colour: RAL 2000, orange

Air connection: G 1/4”

Supply pressure: min. 2 bar up to max. 10 bar

Options

•Limit switches or switchbox

•Solenoid valve

•Speed control

•Position transmitter

•Positioner

•Air connection G 1/2”

•Wormgear for emergency manual operation

•Mounting parallel to pipeline (mounting position 2)

TD2/E/2000/1 - 11
Actuator typeISO abcdefghjk Dimensions [mm] Weight [kg] Air consumption [l/stroke] TPN B TPN5BF07 11830-28100100803031014120.17 TPN17BF07 12530-48130133803049514220.61 TPN40BF07 / F10 / F12 16730-61180170803059019451.5 TPN85BF10 / F12 / F14 1853039572160-1303061030622.9 TPN140BF10 / F12 / F14 / F16 2153049096180-13030815301005.1 TPN280BF10 / F12 / F14 / F16 2153049096180-130308153017510.1
® AFSLUITERS EN BEDIENINGEN VALVES AND ACTUATORS ARMATUREN UND BETÄTIGUNGEN TPN 5/10/17/40 S.C S.O TPN 5-17 WITH MOUNTING PLATE TPN 85/140TPN 280 SWITCHBOX OPTIONS EMERG. MANUAL OPERATION SOLENOID VALVE14 CE 2-1 SWITCHES MOUNTING POSITION 2 POSITIONER
Figure single acting TPN B
Wouter Witzel Eurovalve

3PRODUCT DATA: ELECTRIC ACTUATORS

3.1GENERAL

Main features of electric actuators are:

•High torque output

•Self braking construction

•Low noise level

•Smooth operation over complete valve stroke

•Most economical way of power actuation for bigger sizes of butterfly valves

Electric actuators can be divided into two groups:

•Quarter turn actuators, can be directly mounted to a butterfly valve

•Multi-turn actuators, require a worm gearbox to convert to 90 degrees rotation

3.2PRODUCT CONFIGURATION

All electric actuators used by Wouter Witzel are provided with at least two internal switches for switching off the motor in both end positions, a mechanical position indicator and a facility for emergency hand operation. Depending on make and/or type the actuators are standard also provided with:

•Torque switchesprotection of the valve /actuator against mechanical overload

•Thermo protectionprotection of motor windings against overheating

•Limit switchesremote open/closed position monitoring of the valve

•Space heaterprotection of the actuator against condensation

Electric actuators can be equipped with many internal ancillaries such as:

Ancillary:Function:

•Extra switchesremote open/closed or intermediate position monitoring of the valve (for switching a single electrical circuit)

•Tandem switchesremote open/closed or intermediate position monitoring of the valve (for switching two different electrical circuits by one switch)

•Potentiometercontinuous valve disc position feedback (resistance signal)

•Electronic position transmitter continuous valve disc position feedback (current signal)

•Electronic positionervalve disc positioning based on a variable input signal

•Timer boardincreased operating times by means of pulse – pause operation

TD2/E/2000/1 - 12
AFSLUITERS EN BEDIENINGEN VALVES AND ACTUATORS ARMATUREN UND BETÄTIGUNGEN Wouter Witzel Eurovalve®

3.2.1Electric actuators for on/off duty

The more sophisticated electric actuators can also be equipped with an integrated motor control unit with programmable controls including reversing contactors for motor controls and diagnose functions. The actuator can be remote controlled over potential-free contacts. Extra features of an integrated motor control unit can include a local control station.

3.2.2Electric actuators for control duty

Control duty means that the actuator positions the valve disc according to an input signal. Based on this input signal, a positioner processes signals and sends them to the motor controls. The motor of the actuator is switched on and off by the motor controls in open or closed direction, only if a deviation arises between the input and feedback signals. As long there is no difference between the input and feedback signals the motor remains switched off. As an option a continous valve disc position feedback can be supplied.

External motor controls

•External positioner receives input signal from master controller

•On/off switching in open or closed direction by external motor controls based on signal impulses processed by external positioner

•Valve position feedback to external positioner as an option

Integrated motor controls

•External positioner receives input signal from master controller

•On/off switching in open or closed direction by integrated motor controls based on signal impulses processed by external positioner

•Valve position feedback to external positioner as an option

Integrated motor controls with internal positioner

•Integrated positioner receives input signal from master controller

•On/off switching in open or closed direction by integrated motor controls based on signal impulses processed by internal positioner

•Valve position feedback to internal positioner is required. Feedback to master controller as an option

TD2/E/2000/1 - 13 POWER SUPPLY MAIN SWITCH FUSES REMOTE CONTROL LOCAL CONTROL STATION EXTERNAL MOTOR CONTROLS CONTACTORS POWER SUPPLY MAIN SWITCH FUSES LOCAL CONTRO REMOTE CONTROL INTEGRATED MOTOR CONTROLS NOMINAL VALUE (INPUT SIGNAL) EXTERNAL POSITIONER MOTOR CONTROLS CONTROL PROCESS REMOTE CONTROLS ACTUAL VALUE 0-20 mA 4-20 mA LOCAL CONTROLS VALVE NOMINAL VALUE (INPUT SIGNAL) EXTERNAL POSITIONER SIGNAL IMPULSES CONTROL PROCESS ACTUAL VALUE 0-20 mA 4-20 mA LOCAL CONTROLS VALVE NOMINAL VALUE (INPUT SIGNAL) CONTROL PROCESS ACTUAL VALUE 0-20 mA 4-20 mA LOCAL CONTROLS VALVE
Wouter Witzel Eurovalve® AFSLUITERS EN BEDIENINGEN VALVES AND ACTUATORS ARMATUREN UND BETÄTIGUNGEN

Product sheet

ELECTRIC ACTUATOR, RANGE M

Application

For electric quarter turn on/off or control duty of small sized Wouter Witzel butterfly valves. Economic category.

Product description

•Body of aluminium, cover of plastic

•Self-locking

•2 Limit switches in both end positions: 1 for switching off the motor and 1 for remote position indication

•Auto / Manual selector switch

•Manual override by means of a lever

•Space heater

•Connection of motor and controls on terminal strip

•Mechanical position indicator

•Flange dimensions acc. to ISO 5211

Technical data

Stroke: 90°with ±5°adjustment

Rotation: Clockwise closing

Voltages: Single phase 24, 110, 230VAC

Enclosure: IP54

Temperature: 0°to +50°C

Cable entry: 1x Pg13,5, 2x Pg11

Options

•Potentiometer for position feedback

•Positioner including electronic position transmitter (only in combination with motor 24VAC)

•Enclosure IP65 (aluminium cover)

•Mounting position 2

TD2/E/2000/1 - 14
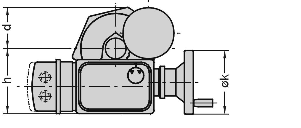
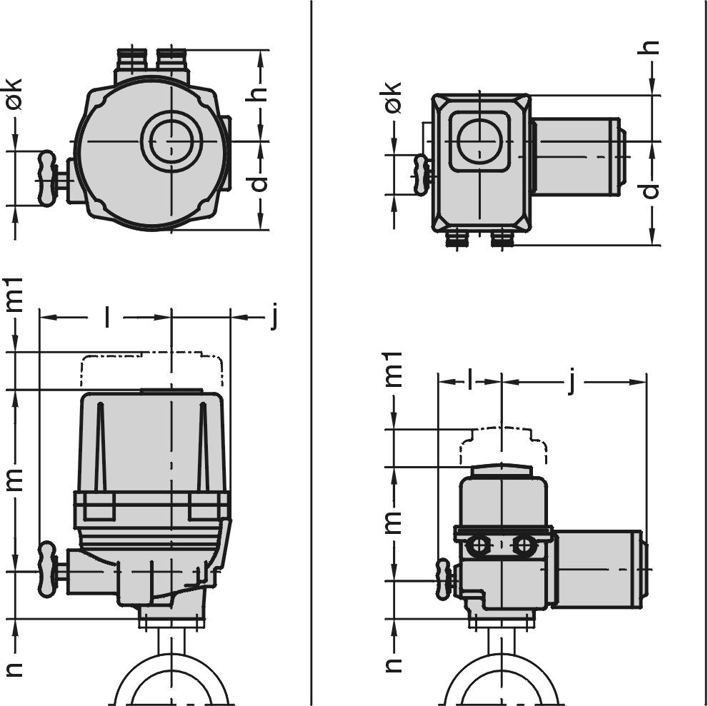
Eurovalve® Actuator typeISO dhjlmm1n M135F07 4787711951601401002.5 M140F07 4787711952001401003 M150F07 4787711951601401002.5 M180F07 4787711952001401003 Dimensions [mm] Weight [kg]
MOUNTING POSITION 2
Figure
AFSLUITERS EN BEDIENINGEN VALVES AND ACTUATORS ARMATUREN UND BETÄTIGUNGEN Wouter Witzel
COVER REMOVAL

Product sheet

ELECTRIC ACTUATOR, RANGE EL

Application

For electric quarter turn on/off or control duty of Wouter Witzel butterfly valves. Economic category. Compact design and low weight.

Product description

•Body of aluminium, cover of steel, polyurethane coated

•Thermal protection of motor windings

•Self-locking

•2 Limitswitches in both end positions: 1 for switching off the motor and 1 for remote position indication

•Torque switches for open and closed direction (except EL 55)

•Adjustable travel stops for both end positions

•Manual override by means of a handwheel

•Space heater

•Connection of motor and controls on terminal strip

•Mechanical position indicator

•Flange dimensions acc. to ISO 5211

Technical data

Stroke: 90°with ±10°adjustment

Rotation: Clockwise closing

Duty rating: S2 - 30%, up to 60 starts per hour

Voltages: Single phase 24, 110/120, 220/240

VAC Three phase 380, 415, 460 VAC

Direct current 24VDC

Enclosure: IP65

Temperature: -20°to +80°C

Coating colour: RAL 1007, yellow

Cable entry: 3x Pg 13,5 (type EL55 - EL150) 3x Pg 21(type EL200 - EL2500)

Options

•Speed control unit

•Potentiometer for position feedback

•Position transmitter, output 4 – 20 mA

•Positioner for control duty, input 4 ñ20 mA or 0 – 10V

•Local control unit

•Plug/socket connector

•Explosion proof actuator EEx d IIB T4, to EN 50018

•Enclosure IP67

•Mounting position 2 (handwheel shaft parallel to pipeline)

TD2/E/2000/1 - 15
Figure
Eurovalve® AFSLUITERS EN BEDIENINGEN VALVES AND ACTUATORS ARMATUREN UND BETÄTIGUNGEN EL55F05 / F07 70956060130212145436 EL100F05 / F07 7712082931352451654711 EL150F05 / F07 7712082931352451654711 EL200F07 / F10 961411091601702611655416.5 EL350F07 / F10 961411091601702611655417 EL500F10 1231661281951952551656325.5 EL800F12 1231661281951952931906326 EL1200F14 1231751283502633041107437 EL2500F16 16023222060032028012510575 Actuator typeISO dhjklmm1n Dimensions [mm] Weight [kg] COVER REMOVAL EL 1200/EL 2500 MOUNTING POSITION 2
Wouter Witzel

Wouter Witzel Eurovalve®

Product sheet

ELECTRIC ACTUATOR, RANGE SD

Application

For electric quarter turn on/off or control duty of Wouter Witzel butterfly valves. General purpose category.

Product description

•Squirrel cage 3 phase induction motor (except Z3)

•Thermal protection of motor winding

•Self-locking

•Travel limit switches for both end positions

•Torque switches for open and closed direction (except Z3 and OA)

•Adjustable travel stops for both end positions

•Manual override by means of a handwheel

•Space heater

•Connection of motor and controls on terminal strip

•Mechanical position indicator

•Flange dimensions acc. to ISO 5211

Technical data

Stroke: 90°with ±2°adjustment

Rotation: Clockwise closing

Voltages: Single phase 24, 110/120, 220/240

Three phase 380/415 (except Z3) Direct current 24VDC

Enclosure: IP67

Temperature: -20°to +70°C

Coating colour: RAL 7001, grey

Cable entry: 2x Pg16 (cable glands included)

Options

•Extra limit switches for open and closed position

•Potentiometer 1 kOhm for position feedback

•Position transmitter, output 4-20 mA

•Integral motor control unit INTEGRAL+

•Explosion proof actuator EEx ed IIC T4, to EN 50014-20

•Mounting position 2 (handwheel shaft parallel to pipeline)

TD2/E/2000/1 - 16
Figure AFSLUITERS EN BEDIENINGEN VALVES AND ACTUATORS ARMATUREN UND BETÄTIGUNGEN
Z3F05 90-935960134186120485 OA6F05 / F07 145-652026090171100535.7 OA8F05 / F07 145-652026090171100536.8 OAPF05 / F07 145-652606090171100537.2 OA15F07 / F10 145-65260100112171100537.5 AS18F07 / F10 2261058931210016577-10016 AS25F07 / F10 2261058931216518777-10018 ASPF07 / F10 2261058934016518777-10016 AS50F07 / F10 2261058934025018477-10018 AS80F12 2261058936025018777-13120 BS50F12 2846513439216518781-8625 BS100F12 / F14 2846513439225018781-8626 BS150F14 2846513439225018781-8628 Actuator typeISO dd1hjklmm1n Dimensions [mm] Weight [kg] COVER REMOVAL TYPE Z3TYPE OA COVER REMOVAL TYPE ASTYPE BS COVER REMOVAL COVER REMOVAL

Product sheet

ELECTRIC ACTUATOR, RANGE SG NORM

Application

For electric quarter turn on/off duty of all Wouter Witzel butterfly valves. General purpose category.

Product description

•Squirrel cage induction motor (3 phase)

•Thermal protection of motor winding

•Self-locking

•Travel limit switches for both end positions

•Torque switches for open and closed direction

•Adjustable travel stops for both end positions

•Manual override by means of a handwheel

•Space heater

•Plug/socket connection for motor and controls

•Mechanical position indicator

•Flange dimensions acc. to ISO 5211

Technical data

Stroke: 90°with ±5°adjustment

Rotation: Clockwise closing

Duty rating: S2-15 min.

Voltages: 3 phase AC

Enclosure: IP67

Temperature: -25°to +80°C

Coating colour: RAL 9007, silver grey

Cable entry: 1x Pg 13,5 2x Pg 21

Options

•Single phase motor with adjustable motorspeed

•Tandem limit switches / torque switches

•Potentiometer for position feedback

•Electronic position transmitter, output 4-20 mA

•Integrated motor control unit (Auma Matic)

•Explosion proof actuator EEx ed IIC T4, to EN 50014

•Extra corrosion protection

•Enclosure IP68-6 (up to 6 m head of water for 72 hours)

•Mounting position 2 (handwheel shaft parallel to pipeline)

TD2/E/2000/1 - 17
® AFSLUITERS EN BEDIENINGEN VALVES AND ACTUATORS ARMATUREN UND BETÄTIGUNGEN SG05.1F05 / F07 2911953058160191193308218 SG07.1F07 / F10 2911953058160191193308218 SG10.1F10 / F12 3012053075160216203308824 SG12.1F12 / F14 30120530751602332113010228 Actuator typeISO dhh1jklmm1n Dimensions [mm] Weight [kg] COVER REMOVAL COVER REMOVAL MOUNTING POSITION 2
Figure Wouter Witzel Eurovalve

Product sheet

ELECTRIC ACTUATOR, RANGE SG MATIC

Application

For electric quarter turn on/off duty of all Wouter Witzel butterfly valves. General purpose category.

Product description

•Squirrel cage induction motor (3 phase)

•Thermal protection of motor winding

•Self-locking

•Travel limit switches for both end positions

•Torque switches for open and closed direction

•Adjustable travel stops for both end positions

•Integrated motor control unit (Matic) with:

-Reversing contactors with mechanical and electrical interlocks

-Push buttons “open-stop-close”

-Selector switch “local-off-remote” (padlockable)

-Opto-couplers for remote control signals (24V DC, internal supply)

-4 signal relays “open-close-selector switch localselector switch remote”

-Phase discriminator

-Programmable logic

-Monitoring relay for collective fault signal

-Plug/socket connection for motor and controls

•Manual override by means of a handwheel

•Space heater

•Mechanical position indicator

•Flange dimensions acc. to ISO 5211

Technical data

Stroke: 90°with ±5°adjustment

Rotation: Clockwise closing

Duty rating: S2-15 min.

Voltages: 3 phase AC

Enclosure: IP67

Temperature: -25°to +70°C

Coating colour: RAL 9007, silver grey

Cable entry: 1x Pg 13,5 2x Pg 21

Options

•Single phase motor with adjustable motorspeed

•Tandem limit switches / torque switches

•Potentiometer for position feedback

•Electronic position transmitter, output 4-20 mA

•Indication lamps “open-fault-close” on motor control unit

•Fieldbus interface (Profibus DP, Profibus FMS, Interbus S, Modbus RTU)

•Extra corrosion protection

•Enclosure IP68-6 (up to 6 m head of water for 72 hours)

•Wall bracket for motor control unit

•Mounting position 2 (handwheel shaft parallel to pipeline)

TD2/E/2000/1 - 18
AFSLUITERS
Wouter Witzel Eurovalve® SG05.1 - AM01.1F05 / F07 29134022030160191193308225 SG07.1 - AM01.1 F07 / F10 29134022030160191193308225 SG10.1 - AM01.1F10 / F12 30135022030160216203308831 SG12.1 - AM01.1F12 / F14 301350220301602332113010235 Actuator typeISO dhjj1klmm1n Dimensions [mm] Weight [kg] COVER REMOVAL COVER REMOVAL MOUNTING POSITION 2
Figure
EN BEDIENINGEN VALVES AND ACTUATORS ARMATUREN UND BETÄTIGUNGEN

Product sheet

ELECTRIC ACTUATOR, RANGE AS / VM

Application

For electric quarter turn on/off or control duty of all Wouter Witzel butterfly valves. General purpose category. Compact design and low weight

Product description

•Electronically commutated motor with speed adjustment

•Thermal protection of motor winding

•Self-locking

•Hall-sensors for both end positions

•Patented sensor for torque measuring (except ASO models)

•Adjustable travel stops for both end positions

•Integrated motor control unit (Variomatic) with:

•Push buttons “open-stop-close”

•Selector switch “local-off-remote” (padlockable)

•LEDs for “open-fault-close” indication

•Adjustable operating time

•Plug/socket connection for motor and controls

•Manual override by means of a handwheel

•Mechanical position indicator

•Flange dimensions acc. to ISO 5211

Technical data

Stroke: 90°with ±8°adjustment

Rotation: Clockwise closing

Duty rating: S2 - 15 min.

Voltages: Single phase 220/240V AC

Enclosure: IP67

Temperature: -25°to +70°C

Coating colour: RAL 9007, silver grey

Cable entry: 1x Pg 13,5 2x Pg 21

Options

•Extra relays for open and closed position

•ASR actuator for control duty S5 - 40% ED (1800 starts/hour)

•Potentiometer for position feedback

•Electronic position transmitter, output 4 – 20 mA

•Positioner, input 4 – 20 mA

•Fieldbus interface (Profibus DP, Profibus FMS, Interbus S, Modbus RTU)

•Extra corrosion protection

•Enclosure IP68-6 (up to 6 meter head of water for 72 hours)

•Wall bracket for motor control unit

•Mounting position 2 (handwheel shaft parallel to pipeline)

TD2/E/2000/1 - 19
Figure Wouter Witzel Eurovalve® AFSLUITERS EN BEDIENINGEN VALVES AND ACTUATORS ARMATUREN UND BETÄTIGUNGEN ASO3/VMF04 / F05 / F07 1991182591001579640648 ASO6/VMF04 / F05 / F07 1991182591001579640648 AS6/VMF04 / F05 / F07 1991182591002009640648 AS12/VMF05 / F07 199118269125203108508011 AS25/VMF07 / F10 199118281160236126609916 AS50/VMF10 / F12 1991182962002371426011124 Actuator typeISO dhjklmm1n Dimensions [mm] Weight [kg] COVER REMOVAL MOUNTING POSITION 2

Product sheet

ELECTRIC ACTUATOR, RANGE DP

Application

For electric quarter turn on/off duty of Wouter Witzel butterfly valves. General purpose category.

Product description

•Squirrel cage induction motor (3 phase)

•Thermal protection of motor winding

•Self-locking

•Lifetime lubricated under normal working conditions

•Travel limit switches for both end positions

•Torque switches for open and closed direction

•Adjustable travel stops for both end positions

•Manual override by means of a handwheel

•Space heater

•Plug/socket connection for motor and controls

•Mechanical position indicator

•Flange dimensions acc. to ISO 5211

Technical data

Stroke: 90°with ±5°adjustment

Rotation: Clockwise closing

Duty rating: S2 - 15 min.

Voltages: 3 phase AC

Enclosure: IP67

Temperature: -20°to +80°C

Coating colour: RAL 5015, blue

Cable entry: 1x Pg 13,5 2x Pg 29

Options

•Single phase motor

•Tandem limit switches/torque switches

•Potentiometer for position feedback

•Electronic position transmitter, output 4-20 mA

•DMI 002 Integral motor control unit

•Explosion proof actuator EEx ed IIC T4, to EN 50014

•Extra corrosion protection in combination with enclosure

IP68-5 (up to 5 m water head for 24 hours)

•Mounting position 2 (handwheel shaft parallel to pipeline)

TD2/E/2000/1 - 20
Wouter Witzel Eurovalve® DP30 / DP59F05 / F07 12617925215125/16020120310511319 DP119F05 / F07 1261792521520020120310512919 DP319F07 / F10 1261792521512528120310522734 DP799F10 / F12 1261792521516028120310522734 DP1599F12 / F14 1261792521520028120310525343 DP3200F14 / F16 1292052621525032421610529077 Actuator typeISO dhjj1klmm1n Dimensions [mm] Weight [kg] COVER REMOVAL COVER REMOVAL MOUNTING POSITION 2
Figure AFSLUITERS EN BEDIENINGEN VALVES AND ACTUATORS ARMATUREN UND BETÄTIGUNGEN

Product sheet

ELECTRIC ACTUATOR, RANGE DPMC

Application

For electric quarter turn on/off duty of all Wouter Witzel butterfly valves. General purpose category.

Product description

•Squirrel cage induction motor (3 phase)

•Thermal protection of motor winding

•Self-locking

•Travel limit switches for both end positions

•Torque switches for open and closed direction

•Integrated motor control unit (Matic MC 002) with:

•Reversing contactors with mechanical and electrical interlocks

•Selector switch “open-stop-close”

•Selector switch “local-off-remote” (lockable)

•Opto-couplers for remote control signals (24V DC, internal supply)

•4 signal relays “open-close-selector switch local-selector switch remote”

•Automatic correction of rotation direction

•Programmable logic

•Monitoring relay for collective fault signal

•Plug/socket connection for motor and controls

•Adjustable travel stops for both end positions

•Manual override by means of a handwheel

•Space heater

•Mechanical position indicator

•Flange dimensions acc. to ISO 5211

Technical data

Stroke: 90°with ±5°adjustment

Rotation: Clockwise closing

Duty rating: S2 - 15 min.

Voltages: 3 phase AC

Enclosure: IP67

Temperature: -20°to +70°C

Coating colour: RAL 5015, blue

Cable entry: 1x Pg 13,5 2x Pg 29

Options

•Single phase motor

•MC 003: as MC 002 with extra electronic position transmitter 4 - 20 mA (internal supply)

•MC 004: as MC 002 with 2 extra electronic contacts for intermediate positions

•Indication lamps “open - failure -close”

•Fieldbus interface (Profibus DP, Profibus FMS, Interbus S)

•Explosion proof actuator EEx ed IIC T4, to EN 50014

•Extra corrosion protection

•Enclosure IP68-5 (up to 5 meter water head for 24 hours)

•Mounting position 2 (handwheel shaft parallel to pipeline)

Wouter Witzel Eurovalve

TD2/E/2000/1 - 21
® AFSLUITERS EN BEDIENINGEN VALVES AND ACTUATORS ARMATUREN UND BETÄTIGUNGEN DPMC30 / DPMC59F05 / F07 12617925215125 / 16020128118511324 DPMC119F05 / F07 1261792521520020130120512924 DPMC319F07 / F10 1261792521512528128118522739 DPMC799F10 / F12 1261792521516028128118522739 DPMC1599F12 / F14 1261792521520028128118525348 DPMC3200F14 / F16 1292052621525032431420529082 Actuator typeISO dhjj1klmm1n Dimensions [mm] Weight [kg] COVER REMOVAL COVER REMOVAL MOUNTING POSITION 2
Figure

Product sheet

ELECTRIC ACTUATOR, RANGE SA NORM / GS(M)

Application

For electric quarter turn on/off or control duty of Wouter Witzel butterfly valves. Heavy duty category.

Product description

•Squirrel cage induction motor (3 phase)

•Thermal protection of motor winding

•Self-locking

•Travel limit switches for both end positions

•Torque switches for open and closed direction

•Blinker transmitter

•Space heater

•Manual override by means of a handwheel

•Plug/socket connection for motor and controls

•Wormgear for reduction to 90°rotation with adjustable mechanical end stops for both end positions

•Mechanical position indicator on wormgear

•Flange dimensions acc. to ISO 5211

Technical data

Stroke: 90°with ±5°adjustment

Rotation: Clockwise closing

Duty rating: S2 - 15 min.

Voltages: 3 phase AC

Enclosure: IP67

Temperature: -25°to +80°C

Coating colour: RAL 9007, silver grey

Cable entry: 1x Pg 13,5 2x Pg 21

Options

•Single phase or direct current motor

•Motor for control duty S4 - 25% ED (1200 starts per hour)

•Tandem limit switches / torque switches

•Additional mechanical position indicator on motor unit

•Potentiometer for position feedback

•Electronic position transmitter, output 4-20 mA

•Explosion proof actuator EEx ed IIC T4, to EN 50014

•Extra corrosion protection

•Enclosure IP68-6 (up to 6 m head of water for 72 hours)

•Mounting position 2 (handwheel shaft parallel to pipeline)

TD2/E/2000/1 - 22
SA07.1 - GSM40.3F05 / F07 7270961005240682733026516024919718010225 SA07.1 - GSM50.3F07 / F10 8080961006350772733026516024919718010227 SA07.5 - GSM63.3F10 / F12 85941281257563942733026516024919718010233 SA07.5 - GSM80.3F12 / F14 9710713313088801112733026516024919718010239 SA07.5 - GSM100.3/VZ4.3F14 / F16 1151421872591051001482733026516024919718010258 SA07.5 - GSM125.3/VZ4.3F16 / F25 1151451922641251251732733026516024919718010270 SA10.1 - GSM125.3/VZ4.3F16 / F25 1251451922641251251732753028220025419718011575 SA07.5 - GS160.3/GZ160.3F25 / F30 13015529027516516021827330265160249197180102115 SA10.1 - GS160.3/GZ160.3F25 / F30 14015529027516516021827530282200254197180115120 Actuator typeISO abcdefghh1jklmm1n Dimensions [mm] Weight [kg] other sizes available on request COVER REMOVAL COVER REMOVAL MOUNTING POSITION 2 AFSLUITERS EN BEDIENINGEN VALVES AND ACTUATORS ARMATUREN UND BETÄTIGUNGEN
Witzel Eurovalve® GS
Figure
Wouter

Product sheet

ELECTRIC ACTUATOR, RANGE SA MATIC / GS(M)

Application

For electric quarter turn on/off or control duty of Wouter Witzel butterfly valves. Heavy duty category.

Product description

•Squirrel cage induction motor (3 phase)

•Thermal protection of motor winding

•Self-locking

•Travel limit switches for both end positions

•Torque switches for open and closed direction

•Blinker transmitter

•Integrated motor control unit (Matic) with:

-Reversing contactors with mechanical and electrical interlocks

-Push buttons “open-stop-close”

-Selector switch “local-off-remote” (lockable)

-Opto-couplers for remote control signals (24V DC, internal supply)

-4 signal relays “open-close-selector switch local-selector switch remote”

-Phase discriminator

-Programmable logic

-Monitoring relay for collective fault signal

-Plug/socket connection for motor and controls

•Manual override by means of a handwheel

•Space heater

•Wormgear for reduction to 90°rotation with adjustable mechanical end stops for both end positions

•Mechanical position indicator on wormgear

•Flange dimensions acc. to ISO 5211

Technical data

Stroke: 90°with ±5°adjustment

Rotation: Clockwise closing

Duty rating: S2 - 15 min.

Voltages: 3 phase AC

Enclosure: IP67

Temperature: -25°to +70°C

Coating colour: RAL 9007, silver grey

Cable entry: 1x Pg 13,5 2x Pg 21

Options

•Single phase motor

•Motor for control duty S4 - 25% ED (1200 starts per hour)

•Additional mechanical position indicator on motor unit

•Tandem limit switches / torque switches

•Potentiometer for position feedback

•Electronic position transmitter, output 4-20 mA

Wouter Witzel Eurovalve

•Positoner, input 4 - 20 mA

•Indication lamps “open-fault-close” on motor control unit

•Fieldbus interface (Profibus DP, Profibus FMS, Interbus S, Modbus RTU)

•Extra corrosion protection

•Explosion proof actuator EEx ed IIC T4, to EN 50014

•Enclosure IP68-6 (up to 6 m head of water for 72 hours)

•Mounting position 2 (handwheel shaft parallel to pipeline)

TD2/E/2000/1 - 23
AFSLUITERS EN BEDIENINGEN VALVES AND ACTUATORS ARMATUREN UND BETÄTIGUNGEN
Figure
® SA07.1 - AM01.1 - GSM40.3F05 / F07 7270961005240684183026516024919718010232 SA07.1 - AM01.1 - GSM50.3F07 / F10 8080961006350774183026516024919718010234 SA07.5 - AM01.1 - GSM63.3F10 / F12 85941281257563944183026516024919718010240 SA07.5 - AM01.1 - GSM80.3F12 / F14 9710713313088801114183026516024919718010246 SA07.5 - AM01.1 - GSM100.3/VZ4.3F14 / F16 1151421872591051001484183026516024919718010263 SA07.5 - AM01.1 - GSM125.3/VZ4.3F16 / F25 1151451922641251251734183026516024919718010274 SA10.1 - AM01.1 - GSM125.3/VZ4.3F16 / F25 1251451922641251251734203028220025419718011578 SA07.5 - AM01.1 - GS160.3/GZ160.3F25 / F30 13015529027516516021842030265160249197180102122 SA10.1 - AM01.1 - GS160.3/GZ160.3F25 / F30 14015529027516516021842030282200254197180115127 Actuator typeISO abcdefghh1jklmm1n Dimensions [mm] Weight [kg] other sizes available on request COVER REMOVAL MOUNTING POSITION 2 GS .

Wouter Witzel Eurovalve

Product sheet

ELECTRIC ACTUATOR, RANGE SA NORM / M.F

Application

For electric quarter turn on/off or control duty of all Wouter Witzel butterfly valves. Heavy duty category.

Product description

•Squirrel cage induction motor (3 phase)

•Thermal protection of motor winding

•Self-locking

•Travel limit switches for both end positions

•Torque switches for open and closed direction

•Blinker transmitter

•Space heater

•Manual override by means of a handwheel

•Plug/socket connection for motor and controls

•Wormgear for reduction to 90°rotation with adjustable mechanical end stops for both end positions

•Mechanical position indicator on wormgear

•Flange dimensions acc. to ISO 5211

Technical data

Stroke: 90°with ±5°adjustment

Rotation: Clockwise closing

Duty rating: S2 - 15 min.

Voltages: 3 phase AC

Enclosure: IP67

Temperature: -25°to +80°C

Coating colour: RAL 9007, silver grey

Cable entry: 1x Pg 13,5 2x Pg 21

Options

•Single phase or direct current motor

•Motor for control duty S4 - 25% ED (1200 starts per hour)

•Tandem limit switches / torque switches

•Additional mechanical position indicator on motor unit

•Potentiometer for position feedback

•Electronic position transmitter, output 4-20 mA

•Explosion proof actuator EEx ed IIC T4, to EN 50014

•Extra corrosion protection

•Enclosure IP68-6 (up to 6 m head of water for 72 hours)

•Mounting position 2 (handwheel shaft parallel to pipeline)

TD2/E/2000/1 - 24
SA07.1 - MZF40F07 / F10 727163956760922733026516024919718010229 SA07.5 - MYF40F10 / F12 80927614882771272733026516024919718010237 SA07.5 - MYF40/S3F10 / F12 80927627582-11272733026516024919718010252 SA07.5 - MBF64F14 / F16 881001151781281111682733026516024919718010250 SA07.5 - MBF64/S3F14 / F16 88100115306128331682733026516024919718010265 SA07.5 - MCF72/S5F14 / F16 110105138321127591942733026516024919718010258 SA07.5 - MFF57/S5F16 / F25 106128143331158601952733026516024919718010284 SA10.1 - MFF36/S5F16 / F25 116128143331158541952753028220025419718011588 SA10.1 - MFF36/D9F16 / F25 11612814342515813819527530282200254197180115101 SA10.1 - MJF50/S5F25 / F30 11516017836317418126127530282200254197180115127 SA10.1 - MJF50/D9F25 / F30 11516017842517418126127530282200254197180115140 Actuator typeISO abcdefghh1jklmm1n Dimensions [mm] Weight [kg] other sizes available on request COVER REMOVAL COVER REMOVAL S3/S5/D9 MOUNTING POSITION 2
Figure
AFSLUITERS EN BEDIENINGEN VALVES AND ACTUATORS ARMATUREN UND BETÄTIGUNGEN
®

Product sheet

ELECTRIC ACTUATOR, RANGE SA MATIC / M.F

Application

For electric quarter turn on/off or control duty of Wouter Witzel butterfly valves. Heavy duty category.

Product description

•Squirrel cage induction motor (3 phase)

•Thermal protection of motor winding

•Self-locking

•Travel limit switches for both end positions

•Torque switches for open and closed direction

•Blinker transmitter

•Space heater

•Integrated motor control unit (Matic) with:

-Reversing contactors with mechanical and electrical interlocks

-Push buttons “open-stop-close”

-Selector switch “local-off-remote” (lockable)

-Opto-couplers for remote control signals (24V DC, internal supply)

-4 signal relays “open-close-selector switch local-selector switch remote”

-Phase discriminator

-Programmable logic

-Monitoring relay for collective fault signal

-Plug/socket connection for motor and controls

•Manual override by means of a handwheel

•Worm gearbox for reduction to 90°rotation with adjustable mechanical end stops for both end positions

•Mechanical position indicator on wormgear

•Flange dimensions acc. to ISO 5211

Technical data

Stroke: 90°with ±5°adjustment

Rotation: Clockwise closing

Duty rating : S2 - 15 min. up to 60 starts per hour

Voltages: 3 phase AC

Enclosure: IP67 (worm gearbox IP65)

Temperature: -25°to +70°C

Coating colour: RAL 9007, silver grey

Cable entry: 1x Pg 13,5 2x Pg 21

Options

•Single phase current motor

•Motor for control duty S4 - 25% ED (1200 starts per hour)

•Additional mechanical position indicator on motor unit

•Tandem limit switches / torque switches

•Potentiometer for position feedback

•Electronic position transmitter, output 4-20 mA

•Positioner, input 4-20 mA

•Indication lamps ìopen-fault-closeî on motor control unit

•Fieldbus interface (Profibus DP, Profibus FMS, Interbus S, Modbus RTU)

•Extra corrosion protection

•Explosion proof actuator EEx ed IIC T4, to EN 50014

•Enclosure IP68-6 (up to 6 m head of water for 72 hours)

•Mounting position 2 (handwheel shaft parallel to pipeline)

TD2/E/2000/1 - 25
SA07.1 - AM01.1 - MZF40F07 / F10 7271639567609241826516024919718010236 SA07.5 - AM01.1 - MYF40F10 / F12 809276148827712741826516024919718010244 SA07.5 - AM01.1 - MYF40/S3F10 / F12 80927627582-112741826516024919718010259 SA07.5 - AM01.1 - MBF64F14 / F16 8810011517812811116841826516024919718010257 SA07.5 - AM01.1 - MBF64/S3F14 / F16 881001153061283316841826516024919718010272 SA07.5 - AM01.1 - MCF72/S5F14 / F16 1101051383211275919441826516024919718010265 SA07.5 - AM01.1 - MFF57/S5F16 / F25 1061281433311586019541826516024919718010291 SA10.1 - AM01.1 - MFF36/S5F16 / F25 1161281433311585419542028220025419718011595 SA10.1 - AM01.1 - MFF36/D9F16 / F25 116128143425158138195420282200254197180115108 SA10.1 - AM01.1 - MJF50/S5F25 / F30 115160178363174181261420282200254197180115134 SA10.1 - AM01.1 - MJF50/D9F25 / F30 115160178425174181261420282200254197180115147 Actuator typeISO abcdefghjklmm1n Dimensions [mm] Weight [kg] other sizes available on request COVER REMOVAL L S3/S5/D9 COVER REMOVAL MOUNTING POSITION 2 AFSLUITERS EN BEDIENINGEN VALVES AND ACTUATORS ARMATUREN UND BETÄTIGUNGEN Wouter Witzel Eurovalve®
Figure

Product sheet

ELECTRIC ACTUATOR, RANGE D / M.F

Application

For electric quarter turn on/off or control duty of Wouter Witzel butterfly valves. Heavy duty category.

Product description

•Squirrel cage induction motor (3 phase)

•Thermal protection of motor winding

•Self-locking

•Travel limit switches for both end positions

•Torque switches for open and closed direction

•Plug/socket connection for motor and controls

•Blinker transmitter

•Space heater

•Manual override by means of a handwheel

•Wormgear for reduction to 90°rotation with 2 adjustable mechanical endstops for both endpositions

•Mechanical position indication on wormgear

•Flange dimensions acc. to ISO 5211

Technical data

Stroke: 90°with ±5°adjustment

Rotation: Clockwise closing

Duty rating: S2 - 15 min.

Voltages: 3 phase AC

Enclosure: IP67 (wormgear IP65)

Temperature: -20°to +80°C

Coating colour: RAL 5015,blue

Cable entry: 1x Pg 13,5 2x Pg 29

Options

•Single phase motor

•Motor for control duty S4 - 25% ED (1200 starts per hour)

•Tandem limit switches / torque switches

•Additional mechanical position indicator on motor unit

•Potentiometer for position feedback

•Electronic position transmitter, output 4-20 mA

•Integrated motor control unit (Matic C)

•Explosion proof actuator EEx ed IIC T4, to EN 50014

•Extra corrosion protection

•Enclosure IP68-5 (up to 5 m head of water for 24 hours)

•Mounting position 2 (handwheel shaft parallel to pipeline)

TD2/E/2000/1 - 26
D30 - MZF40F07 / F10 130716395676092280105252151252808222424 D59 - MYF40F10 / F12 13892761488277127280105252151602808222434 D59 - MYF40/S3F10 / F12 138927627582-1127280105252151602808222449 D59 - MBF64F14 / F16 146100115178128111168280105252151602808222447 D59 - MBF64/S3F14 / F16 14610011530612833168280105252151602808222462 D59 - MCF72/S5F14 / F16 16810513832112759194280105252151602808222468 D59 - MFF57/S5F16 / F25 16412814333115860195280105252151602808222481 D120 - MFF36/S5F16 / F25 17312814333115854195371105262152003229823689 D120 - MFF36/D9F16 / F25 1731281434251581381953711052621520032298236102 D120 - MJF50/S5F25 / F30 1721601783631741812613711052621520032298236128 D120 - MJF50/D9F25 / F30 1721601784251741812613711052621520032298236141 Actuator typeISO abcdefghh1jj1klmn Dimensions [mm] Weight [kg] other sizes available on request COVER REMOVAL COVER REMOVAL S3/S5/D9 MOUNTING POSITION 2 AFSLUITERS
Figure
EN BEDIENINGEN VALVES AND ACTUATORS ARMATUREN UND BETÄTIGUNGEN
Wouter Witzel Eurovalve®

ELECTRIC ACTUATOR, RANGE DMC / M.F

Application

For electric quarter turn on/off or control duty of Wouter Witzel butterfly valves. Heavy duty category.

Product description

•Squirrel cage induction motor (3 phase)

•Thermal protection of motor winding

•Self-locking

•Travel limit switches for both end positions

•Torque switches for open and closed direction

•Space heater

•Integrated motor control unit (Matic MC 002) with:

-Reversing contactors with mechanical and electrical interlocks

-Selector switch “open-stop-close”

-Selector switch “local-off-remote” (lockable)

-Opto-couplers for remote control signals (24V DC, internal supply)

-4 signal relays “open-close-selector switch local-selector switch remote”

-Automatic correction of rotation direction

-Programmable logic

-Monitoring relay for collective fault signal

-Plug/socket connection for motor and controls

•Manual override by means of a handwheel

•Blinker transmitter

•Worm gearbox for reduction to 90°rotation with adjustable mechanical end stops for both end positions

•Mechanical position indicator on wormgear

•Flange dimensions acc. to ISO 5211

Technical data

Stroke: 90°with ±5°adjustment

Rotation: Clockwise closing

Duty rating: S2 - 15 min.

Voltages: 3 phase AC

Enclosure: IP67 (worm gearbox IP65)

Temperature: -20°to +70°C

Coating colour: RAL 5015, blue

Cable entry: 1x Pg 13,5 2x Pg 29

Options

•Motor for control duty S4 - 25% ED (1200 starts per hour)

•Additional mechanical position indicator on motor unit

•MC 003: as MC 002 with extra position transmitter 4 -20 mA (internal supply) and mechanical position indicator

•MC 004: as MC 002 with 2 extra electronic contacts for intermediate positions

•MC 005: as MC 002 with extra positioner for control duty, input 4 - 20 mA, position transmitter 4 - 20 mA (internal supply) and mechanical position indicator

•Indication lamps “open - failure -close”

•Explosion proof actuator EEx ed IIC T4, to EN 50014

•Extra corrosion protection

•Enclosure IP68-5 (up to 5 m water head for 24 hours)

•Mounting position 2 (handwheel shaft parallel to pipeline)

TD2/E/2000/1 - 27
Product sheet
DMC30 - MZF40F07 / F10 130716395676092348185252151252818222429 DMC59 - MYF40F10 / F12 13892761488277127347185252151602818222439 DMC59 - MYF40/S3F10 / F12 138927627582-1127347185252151602818222454 DMC59 - MBF64F14 / F16 146100115178128111168347185252151602818222452 DMC59 - MBF64/S3F14 / F16 14610011530612833168347185252151602818222467 DMC59 - MCF72/S5F14 / F16 16810513832112759194347185252151602818222473 DMC59 - MFF57/S5F16 / F25 16412814333115860195347185252151602818222486 DMC120 - MFF36/S5F16 / F25 17312814333115854195384205262152003249823695 DMC120 - MFF36/D9F16 / F25 1731281434251581381953842052621520032498236108 DMC120 - MJF50/S5F25 / F30 172160178363174972613842052621520032498236134 DMC120 - MJF50/D9F25 / F30 1721601784251741812613842052621520032498236147 Actuator typeISO abcdefghh1jj1klmn Dimensions [mm] Weight [kg] other sizes available on request COVER REMOVAL COVER REMOVAL S3/S5/D9 MOUNTING POSITION 2 C COVER REMOVAL AFSLUITERS EN BEDIENINGEN VALVES AND ACTUATORS ARMATUREN UND BETÄTIGUNGEN
®
Figure
Wouter Witzel Eurovalve

Product sheet

ELECTRIC ACTUATOR, RANGE IQ / M.F

Application

For electric quarter turn on/off or control duty of Wouter Witzel butterfly valves. Heavy duty category.

Product description

• Three phase Class F insulated squirrel cage motor

• Integrated motor control unit

• Thermostat for protection of motor windings

• Electronic torque control

• Four indication contacts, configurable by Infrared setting tool

• Local control station. Selector switch “local-remote”. Control knob “open-stop-close”

• Several interlock and monitoring facilities

• Lockable hand/auto lever to engage handwheel operation. Energisation of the motor automatically reengages power operation

• Segregated connection of motor and controls on terminal block, located in separate sealed compartment

• Local LCD valve position indication (illuminated)

• Worm gearbox for reduction to 90°rotation with adjustable end stops for both end positions

• Mechanical position indicator on wormgear

• Flange dimensions acc. to ISO 5211

Technical data

Stroke: 90°with ±5°adjustment

Rotation: Clockwise closing

Duty rating: S2 – 20% ED, up to 60 starts per hour

Enclosure: IP68 (up to 3 m head of water for 48 hrs.)

Temperature: -30°to +70°C

Coating: BS4800 00A13, charcoal grey

Cable entry: 1x M40, 2x M25 or 1x Pg29, 2x Pg16 or 2x 1”, 1x 11/2” ASA NPT

Options

• Set of alarm relays “battery low-thermostat trippedremote selected”

• Additional status signal contacts

• Motor for control duty S4 - 50% ED (1200 starts per hour)

• Electronic position transmitter (CPT), output 4-20 mA

• Positioner (Folomatic), input 4 - 20 mA

• Interrupter timer

• Several explosion proof enclosures (CSA, FM, CENELEC)

• Fieldbus interface (ie Pakscan, Modbus, Profibus, Fieldbus Foundation)

• Mounting position 2 (handwheel shaft parallel to pipeline)

TD2/E/2000/1 - 28
IQ10 - MZF40F07 / F10 327163936760922823732103002601752603010936 IQ12 - MYF40F10 / F12 40927614882771272823732103002601752603010944 IQ12 - MBF64F14 / F16 481001151781281111682823732103002601752603010957 IQ10 - MBF64/S3F14 / F16 48100115306128331682823732103002601752603010972 IQ12 - MCF72/S3F14 / F16 48105138321127591942823732103002601752603010978 IQ12 - MFF57/S5F16 / F25 66128143331158541952823732103002601752603010991 IQ12 - MFF36/D9F16 / F25 6612814342515813819528237321030026017526030109104 IQ12 - MJF50/D9F25 / F30 6516017842517418126128237321030026017526030109143 Actuator typeISO abcdefghjj1kll1mm1 n Dimensions [mm] Weight [kg] other sizes available on request COVER REMOVAL COVER REMOVAL COVER REMOVAL S3/S5/D9 MOUNTING POSITION 2 AFSLUITERS EN BEDIENINGEN VALVES AND ACTUATORS ARMATUREN UND BETÄTIGUNGEN
®
Figure
Wouter Witzel Eurovalve

Wouter Witzel Eurovalve®

4PRODUCT DATA: HYDRAULIC ACTUATORS

4.1GENERAL

Hydraulic actuators use oil under high pressure as energy power source.

Main features of hydraulic actuators are:

•Compact and small design

•Smooth operation over complete valve stroke

•Spring return actuators for fail-safe operation

•Possibility for submerged or sub-sea operation

4.2PRODUCT CONFIGURATION

Hydraulic actuators can be equipped with many ancillaries such as:

Ancillary:Function:

•Limit switches remote open/closed position monitoring of the valve (direct mounted to actuator or in a switchbox)(mechanical switches or inductive proximity sensors)

•Solenoid valvesremote on/off operation of actuator

•Throttle blockspeed control for increased operating times

•Potentiometercontinuous valve disc position feedback (resistance signal)

•Pilot operated check valvesmaintain valve disc position after hydraulic supply failure

•Lever or hand pump unitmanual override or operation after hydraulic supply failure

NB: Specific technical information on request

4.2.1.Product configuration hydraulic actuators for on/off duty

TD2/E/2000/1 - 29
HANDPUMP VALVE MOUNTING/CONNECTION BLOCK LEVER LIMITSWITCHES/ POTENTIOMETER SOLENOID VALVE AFSLUITERS EN BEDIENINGEN VALVES AND ACTUATORS ARMATUREN UND BETÄTIGUNGEN

Product sheet

HYDRAULIC ACTUATOR, RANGE BRC

Application

For hydraulic quarter turn on/off duty of Wouter Witzel butterfly valves. General purpose applications. Compact design.

Product description

•Body and piston of ductile iron (GGG40), alkyd coated

•Balanced rotary principle which eliminates side / bending forces on valve stem.

•Mechanical position indicator

•Easy adaption and mounting

•Flange dimensions acc. to ISO 5211

•Working pressure min. 30 bar, max. 210 bar

Technical data

Stroke: 90°with ±1°adjustment

Rotation: Clockwise closing

Temperature: -20°to +80°C

Coating: Hempalin 53240, no. 50800 red

Hydraulic connection: 2x 3/8” BSPF

Options

•Reed limit switches RLS

•Current position transmitter CPI

•Multifunction blocks

•Solenoid valve

•Local operation by means of a lever (BRC002,BRC012)

•Local operation by means of a handpump (BRC022>)

•Local power unit (LPU)

•Version for submerged or subsea applications (epoxy coating)

•High temperature version (A2) (> 80°C)

•Low temperature version (A3) (down to -40°C)

•Single acting, spring return actuator BRCF

TD2/E/2000/1 - 30
Figure BRC 002F05 / F07 961281471792512.1 BRC 012F10 1261531822182520.2 BRC 022F10 / F12 / F14 1642132122352541.5 BRC 032F14 / F16 2032432703183069.5 BRC 052F14 / F16 / F25 23629532337645127 BRC 072F16 / F25 / F30 29033437844060203 BRC 092F25 / F30 / F35 / F40 36443046253345327 Actuator typeISO abcde Dimensions [mm] Weight [kg] OPTIONS RLS / CPI SOLENOID VALVE HANDPUMP AFSLUITERS EN BEDIENINGEN VALVES AND ACTUATORS ARMATUREN UND BETÄTIGUNGEN Wouter Witzel Eurovalve®

5TECHNICAL INFO

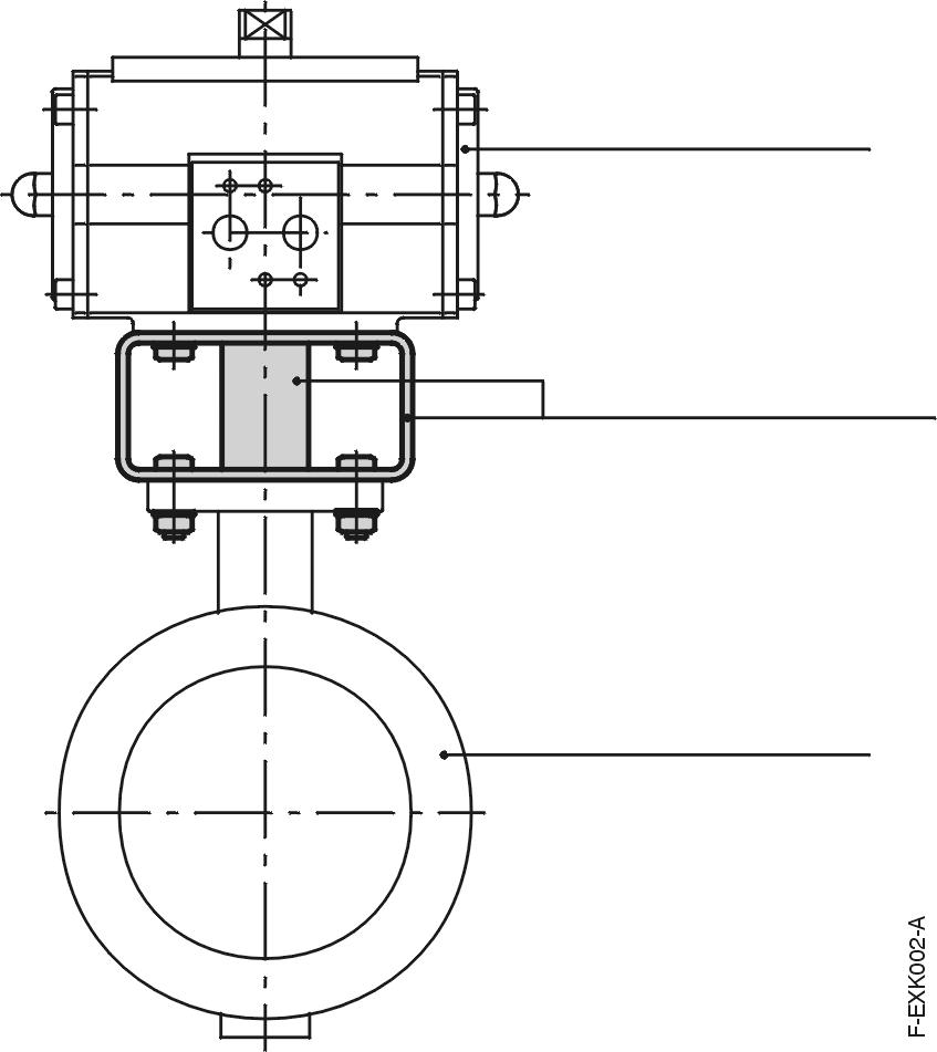
5.1DIRECT OR INDIRECT MOUNTING

Direct mounting Actuator directly mounted to the valve

Indirect mounting Bracket between actuator and valve

Typical applications:

•Centric rubberlined valves with fluid temperatures up to 110 °C

•Centric rubberlined valves with fluid temperatures between 110 °C and 150 °C (with extra heat isolating gasket)

•Centric rubberlined butterfly valves for buried service (with extra sealing gasket between valve and actuator)

5.2EXTENSIONS

Typical applications:

•Centric rubber- or PTFE lined butterfly valves for (petro-) chemical industries

•Butterfly valves for high temperature service ( ≥ 150 °C )

•High performance butterfly valves with stuffing box and gland

•Actuator with different mounting flange size to valve

Wouter Witzel supplies different and special types of extension spindles for remote mounting of actuators. The following are standard options:

B3E: Steel extension spindle between valve head and actuator (also suitable for buried or submerged duty of the valve)

B3F: Steel or stainless steel extension spindle between wormgear and electric actuator for operation from another floor level actuator mounted on a floor pedestal (extension spindle based on 2 universal joints and sliding bush which allows misalignment)

B3H: Steel extension spindle between wormgear and electric multi turn actuator

TD2/E/2000/1 - 31
ACTUATOR VALVE ACTUATOR BRACKET AND SHAFT COUPLING VALVE
B3E B3F B3H AFSLUITERS EN BEDIENINGEN VALVES AND ACTUATORS ARMATUREN UND BETÄTIGUNGEN Wouter Witzel Eurovalve®

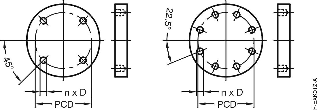
5.3INTERFACE FLANGE DIMENSIONS AND TORQUES (ACCORDING ISO 5211)

Flange typeMaximum PCDn x ThreadedFigure ISO 5211transmittable[mm]Dboltdepth* torque (Nm)[mm]

F05 125504 x M68

F07 250704 x M812

F10 5001024 x M1015

F12 10001254 x M1218

F14 20001404 x M1624

F16 40001654 x M2030

F25 80002548 x M1624

F30 160002988 x M2030

F35 320003568 x M3045

F40 640004068 x M3654

F48 12500048312 x M3654

* According ISO 5211: For materials with a proof stress Rp 0,2 = 200 N/mm2

5.4ADJUSTMENT AND TESTING

Wouter Witzel supply valve/actuator assemblies which are carefully adjusted and tested in the factory before dispatch. The assembly is ready for operation in the pipe line.

Valve/actuator assembly

Valve with pneumatic actuator

Adjustment

Adjustment of actuator’s mechanical end stop(s), when applied.

Testing

Functional test, open / close at 5 bar supply pressure, unless otherwise specified

Valve with electric actuator

Adjustment of optional ancillaries e.g. limit switches, position transmitters, positioners

Adjustment of actuator’s mechanical end stops and limit switches

Adjustment of the torque switches, when applicable

•Open direction: Set torque value is based on valve torque + 10%, unless otherwise specified

•Closed direction: 95% of the value for open direction

Adjustment of optional ancillaries e.g. extra switches, position transmitters, positioners

Functional test of optional ancillaries

Functional test, open / close

Valve with hydraulic actuator

Adjustment of the actuator mechanical end stop(s), when applied.

Adjustment of optional ancillaries e.g. limit switches, position transmitters

Functional test of optional ancillaries

Functional test, open / close at 110 bar supply pressure, unless otherwise specified

Functional test of optional ancillaries

TD2/E/2000/1 - 32
AFSLUITERS EN BEDIENINGEN VALVES AND ACTUATORS
UND BETÄTIGUNGEN Wouter Witzel Eurovalve®
ARMATUREN

5.5ENVIRONMENTAL PROTECTION

5.5.1Requirements for actuators to be used in hazardous areas

Specific measures have been taken on an international level in order to avoid any material damage or the loss of human lives by an explosion caused by the accidental ignition of a gas in a hazardous area. Hazardous areas are places where the presence of explosive or ignitable gases do, or may, occur. A customer always has to specify area classification and requested type of protection

Area classification:

Zone 0: Continuously present (during long periods)

Zone 1: Not likely to be present (regular service)

Zone 2: Accidentally present (short time service - never in regular service)

Marking conforming to the EN 50014 standard:

Types of protection

d Flameproof enclosureEN 50018

e Increased safetyEN 50019

i Intrinsic safety “ia” or “ib”EN 50020

m EncapsulationEN 50028

Groups of equipment

Zones

Electrical apparatus intended for use in mines susceptible to firedamp (e.g. fuel tanks)

Electrical apparatus for use in locations with explosive atmospheres other than mines for types of protection d and i group II is subdivided into IIA, IIB, IIC

(1):temperature of a hot surface able to ignite a gas mixture

(2):IIB certified products may be used as equipment of group IIA. Similarly, IIC certified products may be used as equipment of groups IIA and IIB

TD2/E/2000/1 - 33
•• •• ia ••• ib •• •• 012
Groups Temperature class Maximum surface temperatures (°C) Gas ignition by contact with hot surfaces Gas Temperature class Ignition temperature 1) (°C) I I T1 450 °C 300 °C 200 °C 135 °C 100 °C 85 °C T2 T3 T4 T5 T6 II II A B C
T1T2T3T4T5T6 methane (firedamp) acetone540 • acetic acid485 • ammonia630 • ethane515 • methylene chloride556 • methane (CH4)595 • carbon monoxide605 • propane470 • n-butane365 • n-butyl370 • hydrogen sulphide270 • n-hexane240 • acetaldehyde140 • ethyl ether170 • ethyle nitrite90 • ethylene425 • ethyl oxide429-440 • acetylene (C2H2)305 • carbon bisulphide (CS2)102 • hydrogen (H2)560 •
EEx m II T4 AFSLUITERS EN BEDIENINGEN VALVES AND ACTUATORS ARMATUREN UND BETÄTIGUNGEN
®
Wouter Witzel Eurovalve

5.5.2IP classes

Protection of enclosures against ingress of dust and water. IP classes according IEC 529 and EN 60529.

IP classDust and sand protectionWater protection

IP 54Dust protected.

Ingress of dust is not totally prevented.

IP 55Dust protected.

Ingress of dust is not totally prevented.

Protected against splashing from any direction

Protected against water jets from any direction

IP 64Dust tight.Protected against splashing from any direction

IP 65Dust tight.Protected against water jets from any direction

IP 66Dust tight.Protected against powerfull water jets from any direction

IP 67Dust tight.Protected against temporarily immersion.

IP 68Dust tight.Protected against continuous immersion under specified conditions (eg. depth)

5.6FIELDBUS SYSTEMS

5.6.1General

Both manual operated and automated valves are often part of a remote controlled and / or monitored system. Therefore valve actuators and operators have to be provided with sensors and solenoid valves. Wouter Witzel can supply valve actuators with accessories suitable for fieldbus systems. Pneumatic actuators can be provided with limit switches (inductive proximity type) suitable for direct connection to the AS-i (Actuator Sensor Interface) fieldbus system including pre-wired solenoid valves (see figure 1). Also the more sophisticated electric actuators can be provided with interfaces for communication with higher level fieldbus systems such as Interbus S, Profibus FMS or Profibus DP fieldbus systems.

5.6.2AS-i

Originally developed by a group of German sensor suppliers such as IFM, Pepperl & Fuchs and others, AS-i is designed as replacement for conventional field wiring particularly in on / off switching and contact status monitoring. It is capable of handling two discrete inputs - open and closed - and two discrete outputs for single and dual coil solenoid operation. It also has the facility for basic diagnostics and has power carrying capability to operate low power solenoids. Figure 2 shows the decrease of field wiring when AS-i fieldbus wiring is applied. The AS-i fieldbus can be simply integrated with PLC and PC-based control systems and higher level fieldbus systems.

TD2/E/2000/1 - 34
Figure 1: Pneumatic actuator provided with proximity switches and solenoid valve in AS-i configuration
CONVENTIONAL FIELD
FIELDBUS SYSTEM FIELDBUS MODULE PLCPLC VALVE ACTUATORVALVE ACTUATOR I/O MODULE (4X) AFSLUITERS EN BEDIENINGEN VALVES AND ACTUATORS ARMATUREN UND BETÄTIGUNGEN
Figure 2: Conventional wiring and fieldbus wiring
WIRING
Wouter Witzel Eurovalve®

6INFORMATION ABOUT EUROPEAN DIRECTIVES AND CE MARKING

(Only applicable to valves / actuators to be used in the European Union)

All European Community countries have national laws concerning health, safety and environmental requirements, which are based on directives drawn up by the European Union.

Examples of European Directives which may be applicable to valves, actuators and ancillaries are:

•Machinery Directive. Machinery supplied in the EU must satisy wide-ranging health and safety requirements for example on construction, moving parts and stability.

-Manually operated valves (by lever or wormgear) are outside the scope of the machinery directive because of the hand operation and have no CE marking.

-A power operated valve / actuator assembly does not require a CE mark because of the Machinery Directive. It has no independant function but is intended to be installed as a component into a piping system which should become certified and CE marked entirely. Wouter Witzel supplies a Declaration of Incorporation (IIB) and a detailed user manual to support the end user in satisfying the requirements.

-Valves and / or actuators to be used as a safety component according the Machinery Directive should be ordered by the purchaser accordingly.

-Valves supplied by Wouter Witzel with bare shaft are usually provided with actuators by the purchaser. It is his responsibility to satisfy the requirements of the Directives where applicable.

•Electro-Magnetic Compatibility Directive (EMC)

Covering the non-generation of electromagnetic disturbance and immunity from such disturbance. Applicable to eg. electric actuators and ancillaries. CE marking because of this directory is mandatory.

•Low Voltage Directive. Applicable to safety aspects of electric products for 50 – 1000 V AC and 75 – 1500 V DC supply. Applicable to eg. electric actuators. No CE marking required because of this Directive.

TD2/E/2000/1 - 35
AFSLUITERS EN BEDIENINGEN VALVES AND ACTUATORS ARMATUREN UND BETÄTIGUNGEN Wouter Witzel Eurovalve®

Turn static files into dynamic content formats.

Create a flipbook
Issuu converts static files into: digital portfolios, online yearbooks, online catalogs, digital photo albums and more. Sign up and create your flipbook.