Eucaro Shipbuilding Catalog

Page 1

eucaro copper nickel alloy > shipbuilding
shipbuilding catalog 01 01 TECHNISCHE DATEN, WERKSTOFFEIGENSCHAFTEN TECHNICAL DATAS, MATERIAL PROPERTIES 02 ROHRE, SECHSKANT, RUND, BLECHE & PLATTEN PIPES, HEXAGON BARS, ROUND BARS, SHEETS & PLATES 03 VORSCHWEISSBUNDE, BÖRDEL & FLANSCHE, SCHOTTDURCHFÜHRUNGEN INNER & OUTER FLANGES, BULKHEAD PIECES 04 ROHRBOGEN ELBOWS 05 T-STUTZEN TEE-PIECES 06 REDUZIERSTÜCKE, GEWÖLBTE BÖDEN REDUCERS, END CAPS 07 SATTELSTUTZEN SADDLES 08 VERSCHRAUBUNGEN, LÖT- UND SCHWEISSFITTING UNIONS, CAPILLARY AND WELDING FITTINGS 09 SCHWEISSZUSATZSTOFFE CONSUMABLE WELDING MATERIAL 10 SOLUTIONS SOLUTIONS 11 ALLGEMEINE VERKAUFS- UND LIEFERBEDINGUNGEN TERMS OF DELIVERY eucaro copper nickel alloy > shipbuilding
SCHIFFBAUKATALOG

EUCARO ® 10

Container Ships

Cruise Vessels

Dreger

FPSO Vessels

Luxury Yachts

Tanker

Aircraft Carrier

Corvettes

Destroyer Frigates

Minehunter

Minesweeper Patrol Boats

Submarines

Desalination Plants

Heat Exchanger

Firefighting Systems

Oil Riggs

Schiffbau und Reparatur

Shipbuilding and Repair

Seekühlwasser Sea Water

Bilge und Ballast Bilge and Ballast

Sanitär Sanitary

Feuerlösch Fire Fighting Inertgas Inert Gas Deckdampf Deck Steam

Commercial
Miscellaneous
Navy
SYSTE M E / S YSTE M S: VERBI N DU N GE N / CO NN EC TIO N: Schweißen Welding Löten Brazing Pressen Pressing
Screwing
Schrauben
Tankheiz
Cargo Tank Heating
AN WE N DU N GE N FÜR CUN I10 F E1,6M N / APPLI C ATIO N S I N CUN I10FE1,6MN : 01 – 01 eucaro 09 - 2014 > technical datas, material properties

ANW E ND U NG application

EUCARO®10 ist durch seine Beständigkeit gegen eine Vielzahl von Medien in einer außerordentlich großen Bandbreite von Anwendungen einsetzbar. Hervorzuheben ist die hervorragende Beständigkeit in Seewasser sowie die einzigartige natürliche Beständigkeit gegen Bewuchs. Für spezielle Anwendungsfälle und Medien beraten wir Sie gern persönlich.

EUCARO®10 has a very wide spectrum of capabilities due to its high consistency against multiple media. The constancy against seawater and especially the inimitable obviation of biofouling has to be pointed out. We like to offer our individual advice for any special application or general questions.

Seekühlwassersystem / Seawater Cooling System

Meerwasserentsalzunganlage / Feed Line to Desalination

Schiffskörper / Ships and Boat Hull

Bilge und Ballastwassersysteme / Bilge and Ballast Systems

Sanitätsysteme / Sanitary System

Deckdampfsystem / Deck Steam System

Tankheizsystem / Cargo Tank Heating System

Hydraulik- und Pneumatiksysteme / Hydraulic and Pneumatik Systems

Kältesysteme / Chiller Systems

Feuerlöschsysteme / Fire Fighting Systems

ANWE N DU N GS M ÖGLI C HKEIT VO N EU C ARO ®10 FÜR DE N SC HIFFBAU / A PPLI C ATIO N OF EU C ARO ®10 FOR SHIPBUILDI N G:
01 – 02 eucaro 09 - 2014 > technical datas, material properties

EUCARO ® 10

cuni10fe1,6mn

+ gut schweiß- und lötbar

+ gute Kaltumforbarkeit

+ gute Warmfestigkeit (bis ca. 300° C)

+ Beständigkeit gegen Spannungskorrosion

+ ausgezeichneter Widerstand gegen Korrosion insbesondere in Seewasser

+ kein Biofouling

+ good welding and soldering properties

+ good cold-workability

+ good thermal stability (up to approx. 300°C)

+ resistant to stress corrosion

+ in particular, excelent resistance in seawater

+ no biofouling

Mit unserer Legierung EUCARO ® 10 haben wir den besonderen Anforderungen der Offshore- und Schiffbauindustrie an gute Schweißbarkeit und Kaltumforbarkeit durch weitgehende Einschränkung der Verunreinigungen (*) Rechnung getragen.

The reduced impurities (*) in EUCARO ® 10 are an important factor in achieving considerably improved weldability.

WERKSTOFF- N OR MEN VERGLEI CH / M ATERIAL- COM PARISATIO N OF STA N DARDS: C HE M IS C HE ZUSA MM EN SETZU NG / C HE MIC AL COM POSITIO N:
Bezeichnung Designation DIN Werkstoff EN BS EEMUA ASTM NF EUCARO ® 10 2.1972 CW 352H CN 102 UNS 7060 x C 70600 CuNi10 Fe1Mn
EIGE NSC HAFTEN / C HARA C TERISTI C S:
Bezeichnung Designation Cu Ni Fe Mn C* Pb* S* Zn* P* Zr Sonst. other Dichte Densitiy kg/dm3 ca./approx. EUCARO ® 10 mind. Rest 10,00 1,500,50 8,90 max. Rest 11,00 1,801,00 0,05 0,01 0,0050,05 0,02 0,01 0,20 8,90
01 – 03 eucaro 09 - 2014 > technical datas, material properties

E IG E NS CHA FT EN properties

Dichte (20° C), kg/m3 8900

density (20° C), kg/m3

Spezifische Wärme (20° C), J/kg K 377

specific heat (20° C), J/kg K

Schmelzbereich °C 1100 - 1145

melting range C°

Thermische Leitfähigkeit (20° C), W / mk

thermal conduktivity (20° C), W / mk

Koeffizient linearer Ausdehnung (20 - 100 °C), 10 -6/K

coeff. of linear exp. (20 - 100°C), 10 -6/K

Elektrischer Widerstand (20° C, geglüht), microohm cm

electrical resistance (20° C, annealed), microohm cm

Elastizitätsmodul (20° C, geglüht), GN / m2

modulus of elasticity (20° C, annealed), GN / m2

P HYSIKALIS C HE EIGE NSC HAFTEN / PHYSI C AL PROPERTIES: EUCARO
® 10
50
17
19
138
ME C HA N IS C HE EIGE NSC HAFTEN / M EC HA NIC AL PROPERTIES: EUCARO ® 10 F30 F32 0,2 % Dehngrenze (Rp 0,2), N/mm2 100 - 180 160 - 220 0,2 % proof stress (Rp 0,2), N/mm2 Zugfestigkeit (Rm), N/mm2 300 - 400 320 - 420 tensile strength (Rm), N/mm2 Bruchdehnung A5 % > 30 > 25 elongation A5 % Brinellhärte HB 10 (D2/2,5/62,5) < 90 < 100 Brinell hardness HB 10 (D2/2,5/62,5) 01 – 04 eucaro 09 - 2014 > technical datas, material properties

D RUCKBERECHN UNG

calculation of operating pressure

SY M BOLE U N D EI N HEITEN / SY M BOL A N D U N IT:

Symbol Beschreibung Einheit

PB zulässiger Betriebsüberdruck / permissible operating pressure bar Smin geringste zulässige Wanddicke nach DIN 86019 / min. permissible wallth. mm K Festigkeitskennwert / strength value N/mm da Rohraußendurchmesser / pipe outside diameter mm

AB M ESSU N GE N:

Als Berechnungsgrundlage wurde die DIN 85004 T2 herangezogen.

Smin * 20 * K da - Smin

Für Rohre in CuNi10Fe1,6Mn nach DIN 86019 der Festigkeit F30 wurden folgende K-Werte in Abhängigkeit der Temperatur ermittelt.

DI MEN SIO N S:

As a calculation base the DIN 85004 T2 was used.

Smin * 20 * K da - Smin

For pipes in CuNi10Fe1,6Mn according to DIN 86019 with temper F30 following K-values have been determined in dependence to the different temperatures.

Für Rohre der Festigkeitsklasse F32 wurde in der DIN 85004 T2 ein K-Wert von 80 N/mm festgelegt.

For pipes with temper F32 the DIN 85004 T2 fixes the K-value at 80N/mm

Zulässige Mindestwanddicken für CuNi10Fe1,6Mn Rohre (nach Vorschriften des Germanischen Lloyds):

Permissible minimum wallthickness for CuNi10Fe1,6Mn Pipes (in accordance with directions from Germanic Lloyds):

Temperatur in °C 20 50 100 150 200 250 300 K in N/mm2 62,5 60 59 57 55 54 53
Rohraußendurchmesser / outside diameter (mm) Mindestwanddicke / minimum wall thickness (mm) 8,00 - 10,00 0,80 12,00 - 20,00 1,00 25,00 - 44,50 1,20 57,00 - 76,00 1,50 89,00 - 108,0 2,00 133,0 - 159,0 2,50 194,0 - 267,0 3,00 324,0 - 457,0 3,50 508,0 4,00 01 – 05 eucaro 09 - 2014 > technical datas, material properties

ZU L. B ETRIE BSÜBER DRÜCKE R OH RE F30

permissable pressures pipes f30

Rohraußendurchmesser outside diameter of pipe Wanddicke nominal wall thickness zulässige Betriebsdrücke permissable operating pressures bar t = 20° Ct = 50° Ct = 100° Ct = 150° Ct = 200° Ct = 250° Ct = 300° C 8 1,0 158 152 149 144 139 136 134 10 1,0 123 118 116 112 108 106 104 12 1,0 101 97,3 95,7 92,4 89,2 87,6 85,9 16 1,0 74,5 71,5 70,3 67,9 65,6 64,4 63,2 20 1,0 58,9 56,5 55,6 53,7 51,8 50,9 49,9 20 2,0 123 118 116 112 108 106 104 25 1,5 71,4 68,5 67,3 65,1 62,8 61,6 60,5 25 2,0 97,0 93,1 91,6 88,4 85,3 83,8 82,2 30 1,5 58,9 56,5 55,6 53,7 51,8 50,9 49,9 30 2,0 79,8 76,6 75,3 72,7 70,2 68,9 67,7 38 1,5 46,0 44,2 43,5 42,0 40,5 39,8 39,0 38 2,0 62,2 59,7 58,7 56,7 54,7 53,7 52,7 38 2,5 78,7 75,5 74,3 71,7 69,2 68,0 66,7 44,5 1,5 39,1 37,5 36,9 35,7 34,4 33,8 33,2 44,5 2,0 52,7 50,6 49,7 48,1 46,4 45,5 44,7 44,5 2,5 66,6 63,9 62,8 60,7 58,6 57,5 56,4 57 1,5 30,3 29,1 28,6 27,7 26,7 26,2 25,7 57 2,0 40,8 39,1 38,5 37,2 35,9 35,2 34,6 57 3,0 62,3 59,6 58,6 56,6 54,6 53,7 52,7 76 2,0 30,3 29,1 28,6 27,7 26,7 26,2 25,7 76 3,5 54,0 51,9 51,0 49,3 47,6 46,7 45,8 89 2,0 25,8 24,8 24,4 23,5 22,7 22,3 21,9 89 4,0 52,7 50,6 49,7 48,1 46,4 45,5 44,7 108 2,5 26,6 25,5 26,1 24,2 23,4 23,0 22,5 108 5,0 54,3 52,2 51,3 49,6 47,8 47,0 46,1 133 2,5 21,5 20,7 20,3 19,6 18,9 18,6 18,2 133 6,0 54,4 52,3 51,4 49,6 47,9 47,0 46,2 159 2,5 17,9 17,2 16,9 16,4 15,8 15,5 15,2 159 8,0 57,6 55,3 54,3 52,5 50,7 49,7 48,8 194 3,0 17,1 16,5 16,1 15,6 15,1 14,8 14,5 219 3,0 15,2 14,6 14,3 13,8 13,3 13,1 12,8 219 10,0 52,0 50,0 49,1 47,4 45,8 44,9 44,1 267 3,0 12,4 11,9 11,7 11,3 10,9 10,7 10,5 267 12,0 51,2 49,1 48,3 46,7 45,0 44,2 43,4 324 4,0 13,7 13,1 12,9 12,4 12,0 11,8 11,6 368 4,0 12,0 11,5 11,3 10,9 10,6 10,4 10,2 419 4,0 10,5 10,1 9,9 9,6 9,3 9,1 8,9
01 – 06 eucaro 09 - 2014 > technical datas, material properties

BETRIE BSDRUCK U ND WANDDI CKE

pressure ratings and wall thickness

Die Druckangaben beziehen sich auf zugeordnete Wandstärken die in Normen wie der EEMUA festgelegt sind. Die tatsächlich mögliche Druckbelastung der Rohrleitung kann bedeutend höher sein. Diese ist im Einzelfall zu ermitteln oder können in unserem Haus angefragt werden.

The technical data for pressure refer to the assigned wall thicknesses, which are given in relevant norms like the EEMUA. The actual possible pressure load can be significantly higher. This pressure load has to be determined for the individual case and could be requested from us.

Rohraußendurchmesser Outside diameter Wandstärke / Wall thickness 6 Bar 10 Bar 14 Bar 16 Bar 20 Bar 8 1,0 1,0 10 1,0 1,0 12 1,0 1,0 14 1,0 1,0 15 1,0 1,0 16 1,0 1,0 1,0 2,0 2,0 18 1,0 1,0 19 1,0 1,0 20 1,0 1,0 22 1,0 1,0 25 1,0 1,0 1,5 2,0 2,0 28 1,5 1,5 30 1,5 1,5 1,5 2,5 2,5 35 1,5 1,5 38 1,5 1,5 1,5 2,5 2,5 42 1,5 1,5 44,5 1,5 1,5 1,5 2,5 2,5 54 1,5 1,5 57 1,5 1,5 1,5 2,5 2,5 76 2,0 2,0 2,0 2,5 2,5 89 2,0 2,0 2,5 2,5 2,5 108 2,5 2,5 2,5 3,0 3,0 133 2,5 2,5 2,5 3,0 3,5 159 2,5 2,5 2,5 3,0 3,5 194 3,0 3,0 219 3,0 3,0 3,5 4,0 4,5 267 3,0 3,0 4,0 4,5 5,5 324 4,0 4,0 5,0 5,5 7,0 368 4,0 4,0 5,5 6,5 8,0 419 4,0 4,0 6,0 7,0 9,0 457 4,5 6,5 6,5 8,0 9,5 508 5,0 6,6 6,5 8,5 11,0 610 5,5 9,0 9,0 10,5 13,0
01 – 07 eucaro 09 - 2014 > technical datas, material properties

V ERAR BE IT U NG V O N EUCARO ® 10 machining of eucaro® 10

SC HWEISSE N

Für das Schweißen von EUCARO ® 10 werden im Wesentlichen zwei Verfahren verwendet. Das verbreitetste Verfahren ist das WIG (Wolfram Inert Gas) Schweißen. Die Vorteile dieses Verfahrens liegen in einer hohen Kontrollierbarkeit des Schweißprozesses und einer sehr sauberen Naht ohne aufwendige Nacharbeiten.

Das zweite Verfahren ist das MIG (Metal Inert Gas) Verfahren. Der Vorteil dieses Schweißverfahrens liegt in der hohen Schweißgeschwindigkeit. Aufgrund der schlechteren Nahtqualität wird diese Verfahren vorzugsweise für Kehlnähte eingesetzt. Eine mechanische Nachbearbeitung der Naht ist empfehlenswert.

FOLGE N DE S C HWEISS HILFSSTOFFE SI ND

ERFORDERLI C H:

Schweißzusatz: EUCARO ® 30 S Z

Schutzgas: min. Argon 99,996%

Schweißrichtlinien sind bei uns auf Anfrage erhältlich.

WELDI NG

For the welding of EUCARO ® 10 essentially two procedures are used. The most common is TIG (Tungsten Inert Gas). The benefits of this process are the hight controllability of the welding process and a very clean weld seam without expensive weld potprocessing.

The second procedure is GTMAW (Gas Tungsten Metal Arc Welding). This process has the benefit of a high welding speed. Due to the poor welding quality this ist preferably used for fillet welds. A mechanical postprocessing is recommended.

FOLLOWI N G WELDI N G EX C IPIE N TS ARE NEC ESSARY:

Wedling Filler Metal: EUCARO ® 30 S Z

Protection Gas: min. Argon 99,996%

Welding Guidelines are available on request.

01 – 08 eucaro 09 - 2014 > technical datas, material properties

BIEGE N

Rohrbiegungen mit einem Biegeradius ab 2x Rohrdurchmesser können mit Rohrbiegemaschinen durchgeführt werden. In jedem Fall müssen die Biegewerkzeuge passend zum Rohrdurchmesser und der Wandstärke sein. Spezielle Biegedorne und Faltenglätter sind für eine gute Biegequalität unbedingt erforderlich. Biegerichtlinien und Maßnahmen zur Vermeidung von Biegefehlern sind auf Anfrage erhältlich.

DREHE N

EUCARO®10 gehört zu den schwer spanbaren Kupferwerkstoffen. Der Werkstoff erfordert höhere Spanungskräfte und erzeugt lange, zähe Späne. Die Wahl der Spanungsmethode, der Schnittdaten und des Kühlschmiermittels hängen von mehreren Faktoren ab. Nähere Informationen können auf Anfrage übermittelt werden.

SÄ GE N

Das Sägen von EUCARO®10 erfolgt vorzugsweise mittels Bandsägen. Das Material der Sägeblätter ist von entscheidender Bedeutung. Nähere Angaben über Schnittgeschwindigkeiten können auf Anfrage von EUCARO® bezogen werden.

WEITERE TRENNVERFAHRE N

Ein alternatives Trennverfahren zum Sägen ist das Plasmaschneiden. Flammschneiden ist nicht möglich. Laserschneiden ist aufgrund der hohen Reflektion von EUCARO®10 nur bis 4 mm vom heutigen Stand der Technik möglich.

BE N DI NG

Tube bendings with a bending radius of 2x tube outside diameter or larger can be carried out by using of standard bending machines. In any case the bending tools have to be suitable to the tube diameter and wall thickness. Special bending mandrels and wiper dies are required for a well bending quality. Bending Guidelines and procedures to avoid bending failures are available on request.

TUR NING

EUCARO®10 comprised the hard-to-machine copper materials. The material needs increased machining forces and produced long, tough chips. The selection of the machining method, the cutting data and the cooling lubricant depends on several factors. We are happy to provide more information on request.

SAWI NG

Sawing of EUCARO®10 is preferably carried out with band saws. The material of the band saw blade is of decisive importance for the cutting quality. More details about cutting speeds can be obtained on request from EUCARO®

ADDITIO N AL C UTTI NG PRO C EDURES

An alternative cutting process is plasma-cutting. Flamecutting is not possible. For Laser-cutting the state of technology and the problem of reflection allow the cutting of wall thicknesses up to 4mm.

01 – 09 eucaro 09 - 2014 > technical datas, material properties

GA LV A NIS CHES V ER HA LT EN galvanic behavior

Wie bei allen elektrisch leitenden Werkstoffen muss auch bei EUCARO®10 das galvanische Verhalten in Mischverbindungen beachtet werden. Nicht isolierte Verbindungen können innerhalb von wenigen Wochen zum Versagen des Systems führen. Wir beraten Sie gern wann und welche Maßnahmen ergriffen werden müssen, um galvanische Korrosion zu verhindern. Einen Überblick über Ruhepotentiale gibt die nachfolgende galvanische Reihe in Meerwasser.

GALVA N IS C HE REIHE / GALVA NI C SERIES

Like all electro conductive metals, we have to keep an eye on the galvanic behavior with mixed-connections. Non isolated connections can cause failures and malfunction for the whole system. We like to offer our advice on how to prevent galvanic corrosion and put the right measures in place to protect the system. Following we give you the subsequent galvanic series of the potential of different alloys in seawater.

cadmium

magnesium

zinc

beryllium

aluminium alloys

mid steel, cast iron

low alloy steel

austenitic nickel cast iron

aluminium bronze

naval brass, yellow brass, red

tin

copper

pb-sn soder (50/50)

admiralty brass, aluminium

manganese bronze

silicon bronze

tin bronze

stainless steel type 410, 416

nickel-silver

90-10

80-20

lead

70-30

copper-nickel

copper-nickel

stainless steel type 430

copper-nickel

nickel-aluminium-bronze

nickel-chromium alloy 800

silver braze

nickel 200

silver

stainless steel types 302, 304, 321,

nickel-copper alloys 400,

alloy 20

stainless steel types 316,

stainless steels cast and

nickel-iron-chromium alloy 825

ni-mo-mo alloy b

titanium

ni-cr-mo

platinum

graphite

Die Legierungen sind in der Reihenfolge des Korrosionspotentials aufgeführt, welches sie in fließendem Seewasser (2,5-4 m/s, 10-17 °C) zeigen.

Legierungen, die im Diagramm mit gekennzeichnet sind, können in langsam fließenden oder schlecht belüfteten Wässern und in abgeschirmten (geschützten) Bereichen aktiv werden und ein Potential von fast 0,5 V aufweisen.

Alloys are listed in the order of the corrosion potential they exhibit in flowing sea water (2.5-4m/sec, 10-17°C).

Alloys indicated by in the chart may become active and exhibit a potential near-0.5volts in low-velocity or poorly aerated water, and in shielded areas.

+ 0-0.2-0.4-0.6-0.8-1.0-1.2-1.4-1.6
01 – 10 eucaro 09 - 2014 > technical datas, material properties

V ER SCH RAU BU NG EN unions

GEWI N DE

In den Maßtabellen ist grundsätzlich nur der gängigste Gewindetyp angegeben.

Andere Gewindetypen sind jedoch auf Anfrage lieferbar.

WERKSTOFFE

Bei Verschraubungen werden alle nicht vom Medium durchflossenen Bauteile (z.B. Überwurfmuttern) aus Messing gefertigt.

DI C HTU NG

Die Dichtung von Verschraubungen mit O-Ring erfolgt über einen O-Ring aus FPM. Dieser O-Ring besitzt eine Temperaturbeständigkeit von -25°C bis + 200°C. Er ist für Seewasser, Mineralöle, Kraftstoffe und viele organische Lösungsmittel geeignet.

Eine genaue Beständigkeitsliste ist auf Anfrage lieferbar.

THREADS

Only the established type of threads is mentioned in the catalogue.

Other types of threads are available on inquiry.

M ATERIALS

All “not flow-through” components of unions are made from brass (e.g. the nuts)

SEALI NG

The sealing from unions with O-rings is made from FPM. This O-ring has a temperature resistance from -25°C up to +200°C. It is qualified for seawater, mineral oil, fuel and many organic solvents.

An accurate resistance list is available on inquiry.

01 – 11 eucaro 09 - 2014 > technical datas, material properties
shipbuilding catalog 02 01 TECHNISCHE DATEN, WERKSTOFFEIGENSCHAFTEN TECHNICAL DATAS, MATERIAL PROPERTIES 02 ROHRE, SECHSKANT, RUND, BLECHE & PLATTEN PIPES, HEXAGON BARS, ROUND BARS, SHEETS & PLATES 03 VORSCHWEISSBUNDE, BÖRDEL & FLANSCHE, SCHOTTDURCHFÜHRUNGEN INNER & OUTER FLANGES, BULKHEAD PIECES 04 ROHRBOGEN ELBOWS 05 T-STUTZEN TEE-PIECES 06 REDUZIERSTÜCKE, GEWÖLBTE BÖDEN REDUCERS, END CAPS 07 SATTELSTUTZEN SADDLES 08 VERSCHRAUBUNGEN, LÖT- UND SCHWEISSFITTING UNIONS, CAPILLARY AND WELDING FITTINGS 09 SCHWEISSZUSATZSTOFFE CONSUMABLE WELDING MATERIAL 10 SOLUTIONS SOLUTIONS 11 ALLGEMEINE VERKAUFS- UND LIEFERBEDINGUNGEN TERMS OF DELIVERY eucaro copper nickel alloy > shipbuilding
SCHIFFBAUKATALOG

ROHRE – NAHTLOS pipes – seamless

Material: EUCARO®10, CuNi10Fe1,6Mn

Standards: DIN 86019

CuNi10Fe1Mn

EN 12449

Rohre mit einer relativen Permeabilität µr < 1,05 sind auf Anfrage lieferbar. Ab einer Größe von RA 159 muss mit einem Tole

ranzaufschlag von 3 % auf das theoretische Gewicht gerechnet werden. Pipes with a permeability µr < 1,05 are available on request. Pipes starting from OD 159 have an additional tolerance charge off 3 % on the theoretical weight.

RA in nominal RA mm OD s mm Gewicht weight kg/m s mm Gewicht weight kg/m s mm Gewicht weight kg/m s mm Gewicht weight kg/m s mm Gewicht weight kg/m s mm Gewicht weight kg/m 8 1,0 0,20 1,5 0,30 1/8 10 1,0 0,25 1,5 0,38 2,0 0,50 1/4 12 1,0 0,31 1,5 0,47 2,0 0,62 1/4 14 1,0 0,36 15 1,0 0,39 3/8 16 1,0 0,42 1,5 0,63 2,0 0,84 18 1,0 0,48 1,5 0,69 19 1,0 0,50 1,5 0,75 1/2 20 1,0 0,53 1,5 0,80 2,0 1,06 22 1,0 0,59 1,5 0,86 3/4 25 1,0 0,66 1,5 0,99 2,0 1,32 28 1,5 1,11 1 30 1,5 1,19 2,0 1,56 2,5 1,95 35 1,5 1,37 1 1/4 38 1,5 1,53 2,0 2,01 3,0 3,02 42 1,5 1,68 1 1/2 44,51,5 1,80 2,0 2,38 2,5 2,98 54 1,5 2,20 2,0 2,91 2 57 1,5 2,33 2,0 3,07 2,5 3,843,0 4,61 2 1/2 76 2,0 4,14 2,5 5,14 3,5 7,11 3 89 2,0 4,86 2,5 6,04 3,0 7,29 4,0 9,52 4 108 2,5 7,37 3,0 8,80 3,5 10,27 5,0 14,67 5 133 2,5 9,12 3,0 10,90 3,5 12,70 5,0 18,17 6,0 21,80 6 159 2,5 10,93 3,0 13,08 3,5 15,26 8,0 34,88 7 194 3,0 16,01 8 219 3,0 18,11 3,5 21,084,0 24,09 4,5 10,0 60,22 10 267 3,0 22,13 4,0 29,40 4,5 33,08 5,5 27,10 12,0 85,68 12 324 4,0 35,77 4,5 40,24 5,0 44,71 5,5 40,43 7,0 62,60 14 368 4,0 40,69 4,5 45,78 5,5 55,95 6,5 49,18 16 419 4,0 46,39 5,5 56,20 6,5 65,80 8,0 80,64
-
ra s 02 – 01 eucaro 05 - 2015
> pipes, hexagon bars, round bars, sheets & plates

ROHRE – GESCHWEISST

pipes – welded

Material: EUCARO®10, CuNi10Fe1,6Mn

Standards: DIN 86018

Ab einer Größe von RA 159 muss mit einem Toleranzaufschlag von 3 % auf das theoretische Gewicht gerechnet werden. Pipes starting from OD 159 have an additional tolerance charge off 3 % on the theoretical weight.

RA in nominal RA mm OD s mm Gewicht weight kg/m s mm Gewicht weight kg/m s mm Gewicht weight kg/m s mm Gewicht weight kg/m s mm Gewicht weight kg/m s mm Gewicht weight kg/m 12 324 4,0 35,77 4,5 40,24 5,0 44,71 14 368 4,0 40,69 4,5 45,78 5,0 50,86 16 419 4,0 46,39 4,5 52,12 5,0 57,91 18 457 4,0 50,60 4,5 56,90 5,0 63,20 20 508 5,0 70,30 24610 5,0 84,50 28 711 6,0 118,2 32 813 6,0 135,3 36 914 8,0 202,0 40 1016 8,0 225,4 48 1220 8,0 271,0 56 1420 8,0 315,7 64 1620 10,0 450,8
ra s 02 – 02 eucaro 05 - 2015 >
pipes, hexagon bars, round bars, sheets & plates

KONDENSATORROHRE condenser pipes

Material: CuNi10Fe1Mn

Standards: EN 12451

Die Rohre werden in Herstellängen von 6000 mm geliefert. Andere Fixlängen können auf Anfrage geliefert werden. Ab einer Größe von RA 159 muss mit einem Toleranzaufschlag von 3 % auf das theoretische Gewicht gerechnet werden.

The tubes are supplied in manufacturing lengths of 6,000 mm. Other exact lengths can be supplied on request. Pipes starting from OD 159 have an additional tolerance charge off 3 % on the theoretical weight.

RA in nominal s mm Gewicht weight kg/m s mm Gewicht weight kg/m s mm Gewicht weight kg/m s mm Gewicht weight kg/m s mm Gewicht weight kg/m 8 0,75 0,15 1,0 0,20 1,25 0,24 1,5 10 0,75 0,19 1,0 0,251,25 0,31 1,5 11 0,75 0,22 1,0 0,28 1,25 0,34 1,5 12 0,75 0,24 1,0 0,31 1,25 0,38 1,5 14 0,75 0,28 1,0 0,36 1,25 0,45 1,5 15 0,75 0,30 1,0 0,39 1,25 0,48 1,5 16 0,75 0,32 1,0 0,42 1,25 0,52 1,5 0,61 18 1,0 0,48 1,25 0,59 1,5 0,69 19 1,0 0,50 1,25 0,62 1,5 0,73 2,0 0,95 20 1,0 0,53 1,25 0,66 1,5 0,78 2,0 1,01 22 1,0 0,59 1,25 0,73 1,5 0,86 2,0 1,12 23 1,0 0,62 1,25 0,76 1,5 0,90 2,0 1,17 24 1,0 0,64 1,25 0,80 1,5 0,94 2,0 1,23 25 1,0 0,67 1,25 0,83 1,5 0,99 2,0 1,29 28 1,0 0,76 1,25 0,94 1,5 1,11 2,0 1,45 30 1,0 0,81 1,25 1,01 1,5 1,20 2,0 1,57 32 1,0 0,87 1,25 1,08 1,5 1,28 2,0 1,68 35 1,0 0,95 1,25 1,18 1,5 1,41 2,0 1,85
ra s 02 – 03 eucaro 05 - 2015 >
pipes, hexagon bars, round bars, sheets & plates

RUNDSTANGEN round bars

Material: EUCARO®10, CuNi10Fe1,6Mn

Standards: EN 12163 bis / to 85 mm

EHN 9413/103 bis / to 130 mm

EHN 9413/110 bis / to 300 mm

Herstellverfahren / manufacturing process:

bis / to 85 mm gezogen / drawn

bis / to 130 mm gepresst / extruded

bis / to 300 mm gegossen / casted

Außendurchmesser D outside diameter D mm Gewicht weight ca. kg / m Außendurchmesser D outside diameter D mm Gewicht weight ca. kg / m 10 1,01 65 29,52 20 2,79 70 34,24 25 4,37 75 39,32 30 6,29 80 44,72 32 7,08 85 50,47 35 8,55 90 56,60 38 9,98 110 83,63 40 11,18 130 116,80 45 14,15 175 214,00 50 17,47 234 382,55 55 21,14 300 628,78 60 25,15
02 – 04 eucaro 05 - 2015 >
pipes, hexagon bars, round bars, sheets & plates

SECHS K ANTSTANGEN

hexagon bars

Material: EUCARO®10, CuNi10Fe1,6Mn

Standards: EN 12163

Schlüsselweite SW dimension SW mm Gewicht weight ca. kg / m Schlüsselweite SW dimension SW mm Gewicht weight ca. kg / m 17 2,23 46 16,30 19 2,78 50 19,30 22 3,70 55 23,31 24 4,44 60 27,74 27 5,62 65 32,56 30 6,94 70 37,80 32 7,89 75 43,40 36 9,96 41 13,00 02 – 05 eucaro 05 - 2015 >
pipes, hexagon bars, round bars, sheets & plates

B LECH UND PLATTEN sheets and plates

Material: CuNi10Fe1Mn

Standards: EN 1652 / EN 1653

ASTM B171

Andere Blechstärken und Tafelgrößen sind auf Anfrage lieferbar. Other sheet and plate thicknesses or sizes are available on request.

Abmessungen (Nennmaß) mm Gewicht weight kg / m2 Dicke t thickness t mm Format 1000 x 2000 mm (B x L) dimension 1000 x 2000 mm (B x L) Gewicht in kg / Tafel weight in kg / plate 2,0 35,6 17,80 3,0 53,4 26,70 4,0 71,2 35,60 5,0 90,0 44,50 6,0 106,8 53,40 8,0 142,4 71,20 10,0 178,0 89,00 12,0 213,6 106,8 15,0 267,0 133,5 20,0 356,0 178,0
02 – 06 eucaro 05 - 2015 >
pipes, hexagon bars, round bars, sheets & plates
SCHIFFBAUKATALOG shipbuilding catalog 03 01 TECHNISCHE DATEN, WERKSTOFFEIGENSCHAFTEN TECHNICAL DATAS, MATERIAL PROPERTIES 02 ROHRE, SECHSKANT, RUND, BLECHE & PLATTEN PIPES, HEXAGON BARS, ROUND BARS, SHEETS & PLATES 03 VORSCHWEISSBUNDE, BÖRDEL & FLANSCHE, SCHOTTDURCHFÜHRUNGEN INNER & OUTER FLANGES, BULKHEAD PIECES 04 ROHRBOGEN ELBOWS 05 T-STUTZEN TEE-PIECES 06 REDUZIERSTÜCKE, GEWÖLBTE BÖDEN REDUCERS, END CAPS 07 SATTELSTUTZEN SADDLES 08 VERSCHRAUBUNGEN, LÖT- UND SCHWEISSFITTING UNIONS, CAPILLARY AND WELDING FITTINGS 09 SCHWEISSZUSATZSTOFFE CONSUMABLE WELDING MATERIAL 10 SOLUTIONS SOLUTIONS 11 ALLGEMEINE VERKAUFS- UND LIEFERBEDINGUNGEN TERMS OF DELIVERY eucaro copper nickel alloy > shipbuilding

VORSCHWEISSBUNDE inner flanges

Material: EUCARO®10, CuNi10Fe1,6Mn

Standards: DIN 86037

EHN 9512/501

Andere Wandstärken sind vom Lager lieferbar. Other wall thicknesses are available from stock.

RA in nominal RA mm OD s mm d2 mm d4 mm h3 mm h1 mm Gewicht kg / Stück weight kg / piece 1/2 20 1,0 21 45 40 5 0,13 3/4 25 1,5 27 58 40 5 0,15 1 30 1,5 32 68 40 5 0,20 1 1/4 38 1,5 40 78 40 5 0,25 1 1/2 44,5 1,5 46,5 88 45 6 0,36 2 57 1,5 59 102 45 6 0,45 2 1/2 76 2,0 78 122 45 6 0,62 3 89 2,0 91 138 50 7 0,86 4 108 2,5 110 158 50 7 1,10 5 133 2,5 135,5 188 50 7 1,50 6 159 2,5 161,5 212 50 9 2,00 7 194 3,0 197 242 50 9 2,30 8 219 3,0 222 268 50 9 2,70 10 267 3,0 270 320 50 9 3,40 12 324 4,0 327 370 50 11 4,60 14 368 4,0 371 430 50 11 6,30 16 419 4,0 422 482 50 12 7,50 18 457 4,0 460 530 50 12 9,10 20 508 4,5 511 585 50 12 10,70 24 610 4,5 613 685 60 14 14,90 28 711 6,0 714 800 60 14 21,00 32 813 6,0 816 905 60 14 24,50 36 914 8,0 918 1000 60 14 29,20
03 – 01
05 - 2015
eucaro
> inner & outer flanges, bulkhead pieces

LOSE FLANSCHE outer flanges

Material: Stahl / steel oder / or Feuerverzinkt / hot dopped galvan.

DIN 86037 / DIN 2642

EHN
Standards:
9512/630
RA in nominal RA mm OD D mm d1 mm b mm k mm d2 mm Anzahl der Löcher bolt holes Gewicht kg / Stück weight kg / piece 1/2 20 95 22 14 65 14 4 0,69 3/4 25 105 28 14 75 14 4 0,81 1 30 115 33 16 85 14 4 1,11 1 1/4 38 140 42 16 100 18 4 1,64 1 1/2 44,5 150 50 16 110 18 4 1,86 2 57 165 62 16 125 18 4 2,20 2 1/2 76 185 81 16 145 18 4 2,62 3 89 200 94 18 160 18 8 3,32 4 108 220 113 18 180 18 8 3,67 5 133 250 138 18 210 18 8 4,54 6 159 285 164 18 240 22 8 5,60 7 194 315 200 20 270 22 8 7,60 8 219 340 225 20 295 22 8 7,46 10 267 395 273 22 350 22 12 10,30 12 324 445 329 26 400 22 12 12,10 14 368 505 374 28 460 22 16 15,70 16 419 565 426 32 515 26 16 20,10 18 457 615 465 38 565 26 20 25,40 20 508 670 517 38 620 26 20 30,80 24 610 780 618 44 725 30 20 40,50 28 711 895 721 50 840 30 24 54,00 32 813 1015 824 56 950 33 24 76,10 RA / OD 194 - 419 PN 16 DIN 86037 7 194 315 200 22 270 22 8 7,50 8 219 340 225 22 295 22 12 8,00 10 267 405 273 24 355 26 12 12,00 12 324 460 330 28 410 26 12 16,00 14 368 520 374 32 470 26 16 23,00 16 419 580 426 36 525 30 16 31,00 RA / OD 20 - 159 PN 10/16 DIN 86037 / DIN 2642 RA / OD 194 - 813 PN 10 DIN 2642 03 – 02
05 - 2015
eucaro > inner & outer flanges, bulkhead pieces

VORSCHWEISSBUNDE inner flanges

Material: EUCARO®10, CuNi10Fe1,6Mn

Standards: VG 85356

EHN 9512/504

RA in nominal RA mm OD s mm d2 mm d4 mm h1 mm h3 mm r mm Gewicht kg / Stück weight kg / piece 3/4 25 2,0 27 51 5 28 3 0,11 1 30 2,0 32 57 5 28 4 0,14 1 1/4 38 2,0 40 65 5 28 4 0,16 1 1/2 44,5 2,0 46,5 73 5 28 4 0,23 2 57 2,0 59 85 5 30 5 0,26 2 1/2 76 2,0 78 105 5 32 5 0,36 3 89 2,0 91 115 6 32 5 0,43 4 108 2,5 110 137 6 32 5 0,59 5 133 2,5 135,5 165 8 36 5 0,95 6 159 2,5 161,5 191 8 36 5 1,13 7 194 3,0 197 229 8 38 5 1,32 8 219 3,0 222 253 8 38 5 1,54 10 267 3,0 270 305 8 40 5 2,31 12 324 4,0 327 357 8 42 7 3,28 03 – 03 eucaro 05 - 2015 >
inner & outer flanges, bulkhead pieces

LOSE FLANSCHE outer flanges

Material: Stahl feuerverzinkt / steel hot dipped galvan. (St) oder / or CuSn10-C (Rg)

Standards: VG 85356

EHN 9512/638

RA b mm d2 mm r mm d1 mm D mm k mm Anzahl der Löcher bolt holes Gewicht kg / Stück weight kg / piece in nomal mm OD St Rg St Rg 3/4 25 1010 11 3 28 86,00 624 0,39 0,41 1 30 1010 11 4 33 92,00 68 40,42 0,46 1 1/4 38 1010 11 442 100,0 76 6 0,46 0,51 1 1/2 44,5 1010 11 4 50 108,0 84 6 0,53 0,58 2 57 10 12 11 562 120,0 96 6 0,64 0,81 2 1/2 76 10 14 11 5 81 140,0 116 8 0,75 1,15 3 89 10 14 11 5 94 150,0 126 8 0,78 1,20 4 108 12 16 11 5 113 172,0 148 10 1,16 1,68 5 133 12 18 11 5 138 200,0 176 10 1,47 2,41 6 159 12 18 11 5 164 226,0 202 12 1,68 2,75 7 194 12 18 11 5 200 264,0 240 14 2,09 3,43 8 219 14 20 11 5 225 288,0264 16 2,66 4,17 10 267 16 22 11 5 273 340,0 316 20 3,87 6,08 12 324 16 22 11 7 331 392,0 368 24 4,20 6,60 RA / OD 25 - 38 PN 25 RA / OD 44,5 - 159 PN 16 RA / OD 194 - 324 PN 10 03 – 04 eucaro 05 - 2015
>
inner & outer flanges, bulkhead pieces

VORSCHWEISSBUNDE inner flanges

Material: EUCARO®10, CuNi10Fe1,6Mn

Standards: DIN 85387

EHN 2006/000

RA in nominal RA mm OD d4 mm d5 mm d6 mm h1 mm h2 mm h3 mm Gewicht kg / Stück weight kg / piece 1 1/4 38 40 51,4 35 4 8 28 0,11 1 1/2 44,5 46,5 61,4 41,5 5 8 28 0,12 2 57 59 71,4 54 5 8 30 0,16 2 1/2 76 78 91 72 5 10 32 0,25 3 89 91 103 85 6 10 32 0,30 4 108 110 126 103 6 10 32 0,43 5 133 135,5 151 128 8 10 36 0,63 03 – 05 eucaro 05 - 2015
> inner & outer flanges, bulkhead pieces

LOSE FLANSCHE outer flanges

Material: Stahl feuerverzinkt / steel hot dipped galvan. (St) oder / or CuSn10-C (Rg)

Standards: DIN 85387

EHN 2006/005

/ OD 38 - 57 PN 25

RA / OD 76 - 133 PN 10

RA b mm d2 mm d1 mm D mm k mm Anzahl der Löcher bolt holes Gewicht kg / Stück weight kg / piece in nomal mm OD St Rg St Rg 1 1/4 38 8 8 6,6 42 75 58 6 0,25 0,27 1 1/2 44,5 8 8 6,6 48 85 68 6 0,28 0,31 2 57 8 8 6,6 61 95 78 6 0,33 0,39 2 1/2 76 8 8 9 80 120 100 8 0,48 0,57 3 89 8 10 9 93 130 112 8 0,52 0,71 4 108 8 10 9 113 155 135 8 0,65 0,89 5 133 8 12 9 138 180 160 8 0,77 1,27 RA
03 – 06 eucaro 05 - 2015 >
inner & outer flanges, bulkhead pieces

BLINDFLANSCHE PLATTIERT blind flanges cladded

Material: CuNi10Fe1Mn (Plattierungsscheibe / cladding disc) Stahl / steel (Flansche / flanges)

Standards: EHN 9512/661

RA / OD 16 - 159 PN 10/16 RA / OD 194 - 508 PN 10 RA in nominal RA mm OD D mm b mm K mm d4 mm d2 mm Anzahl der Löcher bolt holes Gewicht kg / Stück weight kg / piece 3/8 16 90 14 60 40 14 4 0,50 1/2 20 95 14 65 45 14 4 0,78 3/4 25 105 16 75 58 14 4 1,15 1 30 115 16 85 68 14 4 1,40 1 1/4 38 140 16 100 78 18 4 2,00 1 1/2 44,5 150 16 110 88 18 4 2,35 2 57 165 18 125 102 18 4 3,20 2 1/2 76 185 18 145 122 18 4 4,15 3 89 200 20 160 138 18 8 5,70 4 108 220 20 180 158 18 8 7,05 5 133 250 22 210 188 18 8 10,05 6 159 285 22 240 212 22 8 13,00 7 194 315 24 270 242 22 8 18,00 8 219 340 24 295 268 22 8 20,80 10 267 395 26 350 320 22 12 29,65 12 324 445 26 400 370 22 12 38,78 14 368 505 26 460 430 22 16 53,55 16 419 565 26 515 482 26 16 82,40 20 508 670 28 620 585 26 20 69,45 03 – 07 eucaro 05 - 2015
> inner & outer flanges, bulkhead pieces

EINSCHWEISSSCHOTTFLANSCHE PLATTIERT

bulkhead flanges cladded

Material: CuNi10Fe1Mn (Plattierung Pos. 2 / cladding disc item 2) Stahl / steel (Flansch Pos. 1 / flange item 1)

Standards: EHN 9513/100

RA d3 mm d1 mm d4 mm h1 mm d2 mm h3 mm d2 mm k mm Anzahl d. Löcher bolt holes Gewicht kg/Stück weight kg/piece in nomal mm OD 3/4 25 58 22 105 27 22 12 M12 75 4 1,40 1 30 68 27 115 27 22 12 M12 85 4 1,60 1 1/4 38 78 35 140 33 27 16 M16 100 4 3,00 1 1/2 44,5 88 41,5 150 33 27 16 M16 110 4 3,40 2 57 102 54 165 33 27 16 M16 125 4 4,00 2 1/2 76 122 72 185 33 27 16 M16 145 4 4,80 3 89 138 85 200 33 27 16 M16 160 8 5,40 4 108 158 103 220 33 27 16 M16 180 8 6,20 5 133 188 128 250 33 27 16 M16 210 8 7,60 6 159 212 154 285 40 32 20 M20 240 8 11,30 7 194 242 189 315 40 32 20 M20 270 8 12,40 8 219 268 213 340 40 32 20 M20 295 8 13,80 10 267 320 261 395 40 32 20 M20 350 12 17,20 12 324 370 316 445 40 32 20 M20 400 12 19,20 14 368 430 360 505 40 32 20 M20 460 16 24,60 16 419 482 411 565 47 37 24 M24 515 16 34,00 RA
159 PN 10/16 RA
194
419 PN 10 03 – 08
05 - 2015 >
/ OD 25 -
/ OD
-
eucaro
inner & outer flanges, bulkhead pieces

LÖTFLANSCHE MIT INNENLOTEINLAGE flanges connectors capillary end

Material: EUCARO®10, CuNi10Fe1,6Mn

Standards: EHN 9108/500

Um eine einwandfreie Lötung zu gewährleisten wird die Ausführung ab RA 76 socket weld Variante ohne Silberloteinlage empfohlen.

Due to guarantee a correct brazing quality it is to recommend to use the flange from OD 76 as socket weld type without incorporated silver solder.

RA d1 mm A mm C mm b mm h mm k mm d2 mm Anzahl d. Löcher bolt holes Gewicht kg/Stück weight kg/piece in nomal mm OD 3/8 16 90 22 14 12 23 60 14 4 0,61 1/2 20 95 27 18 12 23 65 14 4 0,68 3/4 25 105 32 22 14 26 75 14 4 0,87 1 30 115 37 27 14 27 85 14 4 1,18 1 1/4 38 140 45 35 14 29 100 18 4 1,82 1 1/2 44,5 150 52 41,5 14 29 110 18 4 1,98 2 57 165 65 54 16 31 125 18 4 2,78 2 1/2 76 185 84 72 16 36 145 18 4 3,39 3 89 200 100 85 18 45 160 18 8 4,47 4 108 220 120 103 18 50 18018 8 5,32
10/16
PN
03 – 09 eucaro 05 - 2015 >
inner & outer flanges, bulkhead pieces

VORSCHWEISSBORDSCHEIBEN welding collars

Material: EUCARO®10, CuNi10Fe1,6Mn

Standards: EHN 9402/152

LOSE FLANSCHE outer flanges

Material: Stahl feuerverzinkt steel hot dipped galv.

Standards: DIN 2642

RA in nominal RA mm actual s1 mm d mm h mm r mm Gewicht kg / Stück weight kg / piece 1 1/4 38 1,5 78 15 4 0,05 1 1/2 44,5 1,5 88 17 4 0,07 2 57 1,5 102 23 5 0,09 2 1/2 76 2,0 122 23 5 0,15 3 89 2,0 138 23 5 0,20 4 108 2,5 158 28 5 0,35 5 133 2,5 188 30 5 0,45 6 159 2,5 212 30 5 0,92 8 219 3,0 268 30 5 1,20 10 267 3,0 320 30 5 1,74 RA in nominal RA mm actual D mm d1 mm b mm k mm d2 mm Anzahl Löcher bolt holes mm Gewicht kg / Stück weight kg / piece 1 1/4 38 140 42 16 100 14 4 1,64 1 1/2 44,5 150 50 16 110 18 4 1,86 2 57 165 62 16 125 18 4 2,20 2 1/2 76 185 81 16 145 18 4 2,62 3 89 200 94 18 160 18 8 3,32 4 108 220 113 18 180 18 8 3,67 5 133 250 138 18 210 18 8 4,54 6 159 285 164 18 240 22 8 5,60 8 219 340 225 20 295 22 8 7,46 10 267 395 273 22 350 22 12 10,30
PN 10 PN 10 03 – 10 eucaro 05 - 2015 > inner &
outer flanges, bulkhead pieces

VORSCHWEISSBÖRDEL welding collars

Material: EUCARO®10, CuNi10Fe1,6Mn

Standards: EHN 9402/150 RA in nominal RA mm actual s1 mm d4 mm h5 mm R mm Gewicht kg / Stück weight kg / piece 3/4 25 1,5 48 45 3 0,06 1 30 1,5 55 45 4 0,07 1 1/4 38 1,5 66 45 4 0,09 1 1/2 44,5 1,5 73 45 4 0,11 2 57 1,5 87 45 5 0,14 2 1/2 76 2,0 108 45 5 0,25 3 89 2,0 123 45 5 0,30 4 108 2,5 143 45 5 0,46 5 133 2,5 170 45 5 0,58 6 159 2,5 199 45 5 0,72 8 219 3,0 261 45 6 1,19
6 03 – 11 eucaro 05 - 2015
PN
> inner & outer flanges, bulkhead pieces

VORSCHWEISSFLANSCHE welding neck flanges

Material: EUCARO®10, CuNi10Fe1,6Mn

Standards: DIN 2632/DIN 2633 EHN 9512/560 EHN 9512/561

RA D mm s mm k mm d2 mm Anzahl d. Löcher bolt holes d4 mm b mm h1 mm Gewicht kg/Stück weight kg/piece in nomal mm OD 3/4 25 105 1,5 75 14 4 58 16 38 0,95 1 30 115 1,5 85 14 4 68 16 38 1,14 1 1/4 38 140 1,5 100 18 4 78 16 40 1,69 1 1/2 44,5 150 1,5 110 18 4 88 16 42 1,86 2 57 165 1,5 125 18 4 102 1845 2,53 2 1/2 76 185 2,0 145 18 4 122 1845 3,06 3 89 200 2,0 160 18 8 138 20 50 3,70 4 108 220 2,5 18018 8 158 20 52 4,62 5 133 250 2,5 210 18 8 188 22 55 6,30 6 159 285 2,5 240 22 8 212 22 55 7,75 7 194 315 3,0 270 22 8 24224 60 9,85 8 219 340 3,0 295 22 8 268 24 62 11,3 10 267 395 3,0 350 22 12 320 26 68 14,7 12 324 445 4,0 400 22 12 370 26 68 17,4 14 368 505 4,0 460 22 16430 26 68 21,6 16 419 565 4,0 515 26 16 482 26 72 26,2 RA / OD 25 - 194 PN 10/16 DIN 2632/DIN 2633 RA / OD 219 - 419 PN 10 DIN 2632
03 – 12 eucaro 05 - 2015 >
&
inner
outer flanges, bulkhead pieces

SCHOTTDURCHFÜHRUNGEN bulkhead pieces

Material: EUCARO®10, CuNi10Fe1,6Mn

Pos. 3 Stutzenrohr / socket piece

Pos. 2 Bund / inner flange

Pos. 4 Hülse / sleeve

feuerverzinkt / hot dipped galvanised

Pos. 1 Flansche / flanges

Stahl / steel

Pos. 5 Ring / ring

Standards: EHN 9603/216

RA / OD 25 - 194 PN 10/16

RA / OD 219 - 419 PN 10

RA a mm d1 mm d6 mm d2 mm Anzahl d. Löcher bolt holes k mm L4 m s1 mm Gewicht kg/Stück weight kg/piece in nomal mm OD 3/4 25 14 105 150 14 4 75 200 1,5 4,00 1 30 14 115 160 14 4 85 200 1,5 5,00 1 1/4 38 14140 18518 4 100 220 1,5 7,00 1 1/2 44,5 14 150 205 18 4 110 220 1,5 8,20 2 57 14 165 220 18 4 125 230 1,5 9,30 2 1/2 76 14 185 240 18 4 145 240 2,0 11,80 3 89 14 200 255 18 8 160 260 2,0 14,30 4 108 14 220 275 18 8 180 260 2,5 16,70 5 133 16 250 305 18 8 210 260 2,5 21,50 6 15916 285 340 22 8 240 270 2,5 26,70 7 194 16 315 370 22 8 270 280 3,0 33,60 8 219 16 340 395 22 8 295 280 3,0 35,30 10 267 16 395 460 22 12 350 300 3,0 47,39 12 324 20 445 525 22 12 400 320 4,0 64,90 14 368 20 505 585 22 16 460 340 4,0 82,90 16 419 20 565 645 26 16 515 360 4,0 103,8
03 – 13 eucaro 05 - 2015 >
inner & outer flanges, bulkhead pieces

DURCHFÜHRUNGSSTUTZEN bulkhead stubs

Material: EUCARO®10, CuNi10Fe1,6Mn

Pos. 1 Stutzenrohr / socket piece

Pos. 2 Hülse / sleeve

Stahl / steel

Pos. 3 Ring / ring

Standards: EHN 9603/210

RA in nominal RA mm OD a mm d6 mm L1 mm s1 mm Gewicht kg / Stück weight kg / piece 3/4 25 14 150 120 1,5 3,7 1 30 14 160 120 1,5 4,6 1 1/4 38 14 185 140 1,5 6,5 1 1/2 44,5 14 205 130 1,5 7,5 2 57 14 220 140 1,5 8,4 2 1/2 76 14 240 150 2,0 10,6 3 89 14 255 160 2,0 12,6 4 108 14 275 160 2,5 14,5 5 133 16 305 160 2,5 18,5 6 159 16 340 170 2,5 22,7 7 194 16 370 180 3,0 28,8 8 219 16 395 180 3,0 29,9 10 267 16 460 200 3,0 40,6 12 324 20 525 220 4,0 55,7 14 368 20 585 240 4,0 70,3 16 419 20 645 260 4,0 88,8
03 – 14 eucaro 05 - 2015 > inner & outer flanges, bulkhead pieces
shipbuilding catalog 04 01 TECHNISCHE DATEN, WERKSTOFFEIGENSCHAFTEN TECHNICAL DATAS, MATERIAL PROPERTIES 02 ROHRE, SECHSKANT, RUND, BLECHE & PLATTEN PIPES, HEXAGON BARS, ROUND BARS, SHEETS & PLATES 03 VORSCHWEISSBUNDE, BÖRDEL & FLANSCHE, SCHOTTDURCHFÜHRUNGEN INNER & OUTER FLANGES, BULKHEAD PIECES 04 ROHRBOGEN ELBOWS 05 T-STUTZEN TEE-PIECES 06 REDUZIERSTÜCKE, GEWÖLBTE BÖDEN REDUCERS, END CAPS 07 SATTELSTUTZEN SADDLES 08 VERSCHRAUBUNGEN, LÖT- UND SCHWEISSFITTING UNIONS, CAPILLARY AND WELDING FITTINGS 09 SCHWEISSZUSATZSTOFFE CONSUMABLE WELDING MATERIAL 10 SOLUTIONS SOLUTIONS 11 ALLGEMEINE VERKAUFS- UND LIEFERBEDINGUNGEN TERMS OF DELIVERY eucaro copper nickel alloy > shipbuilding
SCHIFFBAUKATALOG

RO HRBO GEN R ~ 1,5 D 90° elbows long radius 90°

Material: EUCARO®10, CuNi10Fe1,6Mn

Standards: DIN 86090

EHN 9603/615

Andere Wandstärken sind vom Lager lieferbar. Rohrbogen mit einer relativen Permeabilität µr < 1,05 sind auf Anfrage lieferbar. Other wall thicknesses are available from stock. Elbows with a permeability µr < 1,05 are available on request.

RA in nominal RA mm OD s mm a mm Gewicht kg / Stück weight kg / piece NAHTLOS - SEAMLESS 1/2 20 1,0 / 1,5 25 0,03 / 0,04 3/4 25 1,5 / 2,0 27,5 0,06 / 0,08 1 30 1,5 / 2,0 33,5 0,06 / 0,09 1 1/4 38 1,5 / 2,5 45 0,11 / 0,17 1 1/2 44,5 1,5 / 2,5 51 0,14 / 0,23 2 57 1,5 / 3,0 72 0,26 / 0,52 2 1/2 76 2,0 / 3,5 95 0,62 / 1,08 3 89 2,0 / 4,0 114,5 0,88 / 1,76 4 108 2,5 / 5,0 142,5 1,65 / 3,30 5 133 2,5 / 6,0 181 2,60 / 6,24 6 159 2,5 / 8,0 216 3,70 / 11,84 7 194 3,0 270 5,70 8 219 3,0 / 10,0 305 8,70 / 20,15 10 267 3,0 / 12,0 378 13,10 / 41,25 12 324 4,0 457 26,60 14 368 4,0 533,5 34,00 16 419 4,0 609,5 49,70 GESCHWEISST - SEAM WELDED 18 457 4,5 686 61,90 20 508 5,0 762 83,80 24 610 5,5 915 135,0 28 711 6,0 1067 197,7 32 813 6,0 1220 258,6 36 914 8,0 1370 437,8
04 – 01 eucaro 05 - 2015 > elbows

RO HRBO GEN R ~ 1,5 D 30°, 45°, 60° elbows long radius 30°, 45°, 60°

Material: EUCARO®10, CuNi10Fe1,6Mn

Standards: DIN 86090

EHN 9603/615

Andere Wandstärken sind vom Lager lieferbar. Rohrbogen mit einer relativen Permeabilität µr < 1,05 sind auf Anfrage lieferbar. Other wall thicknesses are available from stock. Elbows with a permeability µr < 1,05 are available on request.

RA in nominal RA mm OD s mm a mm e mm Gewicht kg / Stück weight kg / piece NAHTLOS - SEAMLESS 30° 45° 60° 30° 45° 60° 1/2 20 1,0 25 6,7 10,4 14,4 0,01 0,020,02 3/4 25 1,5 27,5 7,4 11,4 16 0,02 0,03 0,04 1 30 1,5 33,5 9 14 19 0,02 0,03 0,04 1 1/4 38 1,5 45 12 19 26 0,04 0,05 0,08 1 1/2 44,5 1,5 51 14 21 29 0,05 0,07 0,09 2 57 1,5 72 19 30 42 0,09 0,13 0,17 2 1/2 76 2,0 95 25 39 55 0,21 0,31 0,41 3 89 2,0 114,5 31 47 66 0,29 0,44 0,58 4 108 2,5 142,5 38 59 82 0,55 0,83 1,10 5 133 2,5 181 48 75 105 0,87 1,31 1,74 6 159 2,5 216 58 89 125 1,23 1,85 2,46 7 194 3,0 270 72 112 156 1,90 2,85 3,80 8 219 3,0 305 82 126 176 2,90 4,35 5,80 10 267 3,0 378 101 157 218 4,37 6,56 8,74 12 324 4,0 457 122 189 264 8,87 13,31 17,74 14 368 4,0 533,5 143 221 308 11,33 17,50 28,80 16 419 4,0 609,5 163 252352 16,57 24,86 33,14 GESCHWEISST - SEAM WELDED 30° 45° 60° 30° 45° 60° 18 457 4,5 686 184 284 396 20,63 30,94 41,26 20 508 5,0 762 204 316 440 27,93 41,90 55,86 24610 5,5 915 245 379 528 45,00 67,50 90,00 28 711 6,0 1067 286 442 616 65,67 98,51131,3 32 813 6,0 1220 327 505 704 86,20 129,3 172,4 36 914 8,0 1370 367567 791 145,9 218,9 291,9 04 – 02 eucaro 05 - 2015 > elbows

RO HRBOGEN R ~ 1,O D 90 ° elbows short radius 90°

Material: EUCARO®10, CuNi10Fe1,6Mn

Standards: EHN 9603/600

Andere Wandstärken sind vom Lager lieferbar. Rohrbogen mit einer relativen Permeabilität µr < 1,05 sind auf Anfrage lieferbar. Other wall thicknesses are available from stock. Elbows with a permeability µr < 1,05 are available on request.

RA in nominal RA mm OD s mm a mm Gewicht kg / Stück weight kg / piece NAHTLOS - SEAMLESS 1/2 20 1,0 17,5 0,05 3/4 25 1,5 25 0,05 1 30 1,5 30 0,05 1 1/4 38 1,5 32,5 0,08 1 1/2 44,5 1,5 40 0,11 2 57 1,5 52,5 0,20 2 1/2 76 2,0 70 0,46 3 89 2,0 82,5 0,63 4 108 2,5 100 1,16 5 133 2,5 125 1,80 6 159 2,5 150 2,60 7 194 3,0 180 3,79 8 219 3,0 210 5,99 10 267 3,0 255 8,87 12 324 4,0 305 17,10 14 368 4,0 352,5 22,60 16 419 4,0 400 32,80 GESCHWEISST - SEAM WELDED 18 457 4,5 455 40,90 20 508 5,0 505 56,20 24 610 5,5 610 90,00 28 711 6,0 700 129,7 32 813 6,0 810 171,7 36 914 8,0 910 290,8
04 – 03 eucaro 05 - 2015 > elbows

RO HRBOGEN R ~ 1,0 D 30°, 45°, 60° elbows short radius 30°, 45°, 60°

EUCARO®10, CuNi10Fe1,6Mn

Andere Wandstärken sind vom Lager lieferbar. Rohrbogen mit einer relativen Permeabilität µr < 1,05 sind auf Anfrage lieferbar. Other wall thicknesses are available from stock. Elbows with a permeability µr < 1,05 are available on request.

Material:
Standards: EHN 9603/600
RA in nominal RA mm OD s mm a mm e mm Gewicht kg / Stück weight kg / piece NAHTLOS - SEAMLESS 30° 45° 60° 30° 45° 60° 1 1/4 38 1,5 32,5 9 14 19 0,03 0,04 0,05 1 1/2 44,5 1,5 40 11 17 23 0,040,06 0,08 2 57 1,5 52,5 14 22 30 0,07 0,10 0,13 2 1/2 76 2,0 70 19 29 40 0,15 0,23 0,30 3 89 2,0 82,5 22 34 48 0,21 0,32 0,42 4 108 2,5 100 27 41 58 0,40 0,58 0,80 5 133 2,5 125 33 52 72 0,60 0,901,20 6 159 2,5 150 40 62 870,87 1,30 1,74 7 194 3,0 180 48 75 104 1,26 1,90 2,52 8 219 3,0 210 56 87 121 2,003,00 4,00 10 267 3,0 255 63 106 147 2,96 4,40 5,92 12 324 4,0 305 81 126 176 5,70 8,60 11,40 14 368 4,0 352,5 94 146 204 7,50 11,30 15,00 GESCHWEISST - SEAM WELDED 30° 45° 60° 30° 45° 60° 14 368 4,0 352,5 94 146 204 7,50 11,30 15,00 16 419 4,0 400 107 166 231 10,90 16,40 21,80 18 457 4,5 455 122 188 263 13,60 20,40 27,20 20 508 5,0 505 135 209 292 18,70 28,10 37,50 24610 5,5 610 163 253 352 30,00 45,00 60,00 28 711 6,0 700 188 290 404 43,20 64,80 86,50 32 813 6,0 810 217 336 468 57,20 85,50 114,5 36 914 8,0 910 244 377 525 96,90 145,4 193,9
04 – 04 eucaro 05 - 2015 > elbows

EI N SC H WEISS BOGEN

R ~ 1,5 D 90 ° welding elbows long radius 90°

Material: EUCARO®10, CuNi10Fe1,6Mn

Standards: 9603/650

Andere Wandstärken sind vom Lager lieferbar. Other wall thicknesses are available from stock.

RA in nominal RA mm OD s mm a mm h mm Gewicht kg / Stück weight kg / piece NAHTLOS - SEAMLESS 1 1/4 38 1,5 45 26 0,08 1 1/2 44,5 1,5 51 29 0,11 2 57 1,5 72 44 0,20 2 1/2 76 2,0 95 57 0,48 3 89 2,0 114,5 70 0,68 4 108 2,5 142,5 88 1,27 5 133 2,5 181 114 2,00 6 159 2,5 216 136 2,85 7 194 3,0 270 173 4,38 8 219 3,0 305 195 6,69 10 267 3,0 378 244 10,10 12 324 4,0 457 295 20,46 14 368 4,0 533,5 349 26,15 16 419 4,0 609,5 400 38,23 GESCHWEISST - SEAM WELDED 14 368 4,0 533,5 349 26,15 16 419 4,0 609,5 400 38,23 18 457 4,5 686 457 47,61 20 508 5,0 762 508 64,46 24 610 5,5 915 595 103,8 28 711 6,0 1067 695 152,1 32 813 6,0 1220 794 198,9
04 – 05 eucaro 05 - 2015 > elbows
shipbuilding catalog 05 01 TECHNISCHE DATEN, WERKSTOFFEIGENSCHAFTEN TECHNICAL DATAS, MATERIAL PROPERTIES 02 ROHRE, SECHSKANT, RUND, BLECHE & PLATTEN PIPES, HEXAGON BARS, ROUND BARS, SHEETS & PLATES 03 VORSCHWEISSBUNDE, BÖRDEL & FLANSCHE, SCHOTTDURCHFÜHRUNGEN INNER & OUTER FLANGES, BULKHEAD PIECES 04 ROHRBOGEN ELBOWS 05 T-STUTZEN TEE-PIECES 06 REDUZIERSTÜCKE, GEWÖLBTE BÖDEN REDUCERS, END CAPS 07 SATTELSTUTZEN SADDLES 08 VERSCHRAUBUNGEN, LÖT- UND SCHWEISSFITTING UNIONS, CAPILLARY AND WELDING FITTINGS 09 SCHWEISSZUSATZSTOFFE CONSUMABLE WELDING MATERIAL 10 SOLUTIONS SOLUTIONS 11 ALLGEMEINE VERKAUFS- UND LIEFERBEDINGUNGEN TERMS OF DELIVERY eucaro copper nickel alloy > shipbuilding
SCHIFFBAUKATALOG

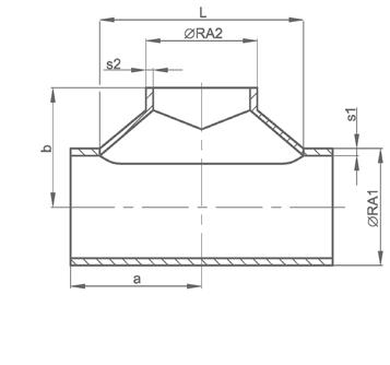
T-STUTZEN NAHTLOS

tee-pieces seamless

Material: EUCARO®10, CuNi10Fe1,6Mn

Standards: DIN 86088

EHN 9603/290

T-Stücke mit einer relativen Permeabilität µr < 1,05 sind auf Anfrage lieferbar. Andere Wandstärken sind vom Lager lieferbar.

T-Pieces with a permeability µr < 1,05 are available on request. Other wall thicknesses are available from stock.

RA s mm a mm b mm Gewicht kg / Stück weight kg / piece in nominal actual OD RA1 x RA2 RA1 x RA2 S1 x S2 3/4 1/2 25 20 1,5 / 2,01,0 / 1,5 29 26 0,08 / 0,10 3/4 3/4 25 25 1,5 / 2,01,5 / 2,0 29 29 0,07 / 0,12 1 1/2 30 20 1,5 / 2,01,0 / 1,5 38 29 0,09 / 0,12 1 3/4 30 25 1,5 / 2,01,5 / 2,0 38 35 0,09 / 0,12 1 1 30 30 1,5 / 2,01,5 / 2,0 38 38 0,19 / 0,25 1 1/4 3/4 38 25 1,5 / 2,51,5 / 2,0 48 35 0,10 / 0,16 1 1/4 1 38 30 1,5 / 2,51,5 / 2,0 48 42 0,10 / 0,16 1 1/4 1 1/4 38 38 1,5 / 2,51,5 / 2,5 48 48 0,32 / 0,53 1 1/2 1 44,5 30 1,5 / 2,51,5 / 2,0 57 45 0,21 / 0,35 1 1/2 1 1/4 44,5 38 1,5 / 2,51,5 / 2,5 57 51 0,21 / 0,35 1 1/2 1 1/2 44,5 44,5 1,5 / 2,51,5 / 2,5 57 57 0,46 / 0,76 2 1 57 30 1,5 / 3,01,5 / 2,0 64 51 0,32 / 0,64 2 1 1/4 57 38 1,5 / 3,01,5 / 2,5 64 57 0,33 / 0,64 2 1 1/2 57 44,5 1,5 / 3,01,5 / 2,5 64 63 0,34 / 0,68 2 2 57 57 1,5 / 3,01,5 / 3,0 64 64 0,66 / 1,32 2 1/2 1 76 30 2,0 / 3,51,5 / 2,0 76 56 0,65 / 1,13 2 1/2 1 1/4 76 38 2,0 / 3,51,5 / 2,5 76 62 0,66 / 1,15 2 1/2 1 1/2 76 44,5 2,0 / 3,51,5 / 2,5 76 71 0,67 / 1,17 2 1/2 2 76 57 2,0 / 3,51,5 / 3,0 76 73 0,68 / 1,19 2 1/2 2 1/2 76 76 2,0 / 3,52,0 / 3,5 76 76 1,20 / 2,10 3 1 1/4 89 38 2,0 / 4,01,5 / 2,5 86 73 0,87 / 1,74 3 1 1/2 89 44,5 2,0 / 4,01,5 / 2,5 86 76 0,88 / 1,76 3 2 89 57 2,0 / 4,01,5 / 3,0 86 80 0,89 / 1,78 3 2 1/2 89 76 2,0 / 4,02,0 / 3,5 86 83 0,90 / 1,80 3 3 89 89 2,0 / 4,02,0 / 4,0 86 86 1,70 / 3,40 4 1 1/2 108 44,5 2,5 / 5,01,5 / 2,5 105 89 1,60 / 3,20 4 2 108 57 2,5 / 5,01,5 / 3,0 105 90 1,61 / 3,22 4 2 1/2 108 76 2,5 / 5,02,0 / 3,5 105 92 1,65 / 3,30 4 3 108 89 2,5 / 5,02,0 / 4,0 105 96 1,67 / 3,34 4 4 108 108 2,5 / 5,02,5 / 5,0 105105 3,00 / 5,00 05 – 01 eucaro 05 - 2015 > tee-pieces

T-STUTZEN NAHTLOS

tee-pieces seamless

Material: EUCARO®10, CuNi10Fe1,6Mn

Standards: DIN 86088

EHN 9603/290

T-Stücke mit einer relativen Permeabilität µr < 1,05 sind auf Anfrage lieferbar. Andere Wandstärken sind vom Lager lieferbar. T-Pieces with a permeability µr < 1,05 are available on request. Other wall thicknesses are available from stock.

RA s mm a mm b mm Gewicht kg / Stück weight kg / piece in nominal actual OD RA1 x RA2 RA1 x RA2 S1 x S2 5 2 133 57 2,5 / 6,01,5 / 3,0 124 98 3,00 / 6,20 5 2 1/2 133 76 2,5 / 6,02,0 / 3,5 124 105 3,10 / 6,44 5 3 133 89 2,5 / 6,02,0 / 4,0 124 108 3,25 / 6,80 5 4 133 108 2,5 / 6,02,5 / 5,0 124 117 3,30 / 6,92 5 5 133 133 2,5 / 6,02,5 / 6,0 124124 4,70 / 7,50 6 2 1/2 159 76 2,5 / 8,02,0 / 3,5 143 118 4,40 / 12,08 6 3 159 89 2,5 / 8,02,0 / 4,0 143 121 4,50 / 12,40 6 4 159 108 2,5 / 8,02,5 / 5,0 143 130 4,60 / 12,40 6 5 159 133 2,5 / 8,02,5 / 6,0 143 136 4,70 / 12,72 6 6 159 159 2,5 / 8,02,5 / 8,0 143143 6,20 / 15,30 8 4 219 108 3,0 / 10,02,5 / 5,0 178 156 12,60 / 29,00 8 5 219 133 3,0 / 10,02,5 / 6,0 178 162 12,70 / 29,30 8 6 219 159 3,0 / 10,02,5 / 8,0 178 168 12,80 / 29,66 8 8 219 219 3,0 / 10,03,0 / 10,0 178178 16,00 / 31,60 05 – 02 eucaro 05 - 2015 > tee-pieces

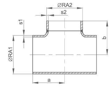
T-STUTZEN AUSHALSUNGEN pulled tee-pieces

Material: EUCARO®10, CuNi10Fe1,6Mn

Standards: DIN 86088

EHN 9603/300

Andere Wandstärken sind vom Lager lieferbar. Other wall thicknesses are available from stock.

RA s mm a mm b mm Gewicht kg / Stück weight kg / piece in nominal actual OD RA1 x RA2RA1 x RA2 S1 x S2 10 5 267 133 3,0 2,5 216 189 9,88 10 6 267 159 3,0 2,5 216 194 10,40 10 7 267 194 3,0 3,0 216 198 11,80 10 8 267 219 3,0 3,0 216 203 13,80 10 10 267267 3,0 3,0 216 216 14,90 12 6 324 159 4,0 2,5 254 219 18,30 12 7 324 194 4,0 3,0 254 222 19,0 12 8 324 219 4,0 3,0 254 229 19,90 12 10 324 267 4,0 3,0 254 241 20,30 12 12 324324 4,0 4,0 254 254 21,30 14 7 368 194 4,0 3,0 279 242 23,50 14 8 368 219 4,0 3,0 279 248 24,10 14 10 368 267 4,0 3,0 279 257 24,80 14 12 368 324 4,0 4,0 279 270 25,40 14 14 368368 4,0 4,0 279 279 25,90 16 8 419 219 4,0 3,0 305 276 30,10 16 10 419 267 4,0 3,0 305 283 30,50 16 12 419 324 4,0 4,0 305 295 31,80 16 14 419 368 4,0 4,0 305 305 32,50 16 16 419419 4,0 4,0 305 305 33,40 18 10 457 267 4,5 3,0 343 310 41,50 18 12 457 324 4,5 4,0 343 321 43,20 18 14 457 368 4,5 4,0 343 330 43,70 18 16 457 419 4,5 4,0 343 330 46,20 18 18 457457 4,5 4,5 343 343 48,60 20 12508 324 5,0 4,0 381 347 57,70 20 14 508 368 5,0 4,0 381 356 58,40 20 16 508 419 5,0 4,0 381 356 59,20 20 18 508 457 5,0 4,5 381 368 60,70 20 20 508508 5,0 5,0 381 381 63,20 05 – 03 eucaro 05 - 2015 > tee-pieces

T-STUTZEN AUSHALSUNGEN pulled tee-pieces

Material: EUCARO®10, CuNi10Fe1,6Mn

Standards: DIN 86088

EHN 9603/300

Andere Wandstärken sind vom Lager lieferbar. Other wall thicknesses are available from stock.

RA s mm a mm b mm Gewicht kg / Stück weight kg / piece in nominal actual OD RA1 x RA2RA1 x RA2 S1 x S2 24 14 610 368 5,5 4,0 432 393 84,50 24 16 610 419 5,5 4,0 432 406 85,50 24 18 610 457 5,5 4,5 432 419 86,90 24 20 610 508 5,5 5,0 432 432 89,40 24 24610610 5,5 5,5 432 432 93,80 05 – 04 eucaro 05 - 2015 > tee-pieces

T-STUTZEN AUSHALSUNGEN KURZ

tee-pieces short type

Material: EUCARO®10, CuNi10Fe1,6Mn

Standards: EHN 9603/290

Andere Wandstärken sind vom Lager lieferbar. Other wall thicknesses are available from stock.

RA s mm a mm b mm Gewicht kg / Stück weight kg / piece in nominal actual OD RA1 x RA2 RA1 x RA2 S1 x S2 10 5 267 133 3,0 2,5 216 148 9,5 10 6 267 159 3,0 2,5 216 148 9,9 10 8 267 219 3,0 3,0 216 148 12,8 10 10 267 267 3,0 3,0 216 148 13,3 12 6 324 159 4,0 2,5 254 177 17,9 12 8 324 219 4,0 3,0 254 177 18,9 12 10 324 267 4,0 3,0 254 177 19,1 12 12 324 324 4,0 4,0 254 177 18,2 14 8 368 219 4,0 3,0 279 199 23,3 14 10 368 267 4,0 3,0 279 199 22,5 14 12 368 324 4,0 4,0 279 199 22,3 14 14 368 368 4,0 4,0 279 199 22,8 16 8 419 219 4,0 3,0 305 224 29,3 16 10 419 267 4,0 3,0 305 224 29,4 16 12 419 324 4,0 4,0 305 224 29,1 16 14 419 368 4,0 4,0 305 224 29,4 16 16 419 419 4,0 4,0 305 224 29,5 18 10 457 267 4,5 3,0 343 243 40,4 18 12 457 324 4,5 4,0 343 243 40,7 18 14 457 368 4,5 4,0 343 243 40,4 18 16 457 419 4,5 4,0 343 243 42,0 18 18 457 457 4,5 4,5 343 243 43,2 20 12 508 324 5,0 4,0 381 269 55,2 20 14 508 368 5,0 4,0 381 269 55,3 20 16 508 419 5,0 4,0 381 269 55,0 20 18 508 457 5,0 4,5 381 269 55,5 20 20 508 508 5,0 5,0 381 269 55,4 24 14 610 368 5,0 4,0 432 320 81,2 24 16 610 419 5,0 4,0 432 320 81,9 24 18 610 457 5,0 4,5 432 320 81,7 24 20 610 508 5,0 5,0 432 320 81,6 24 24 610 610 5,0 5,5 432 320 82,7 05 – 05
05 - 2015
eucaro
> tee-pieces

T-STUTZEN GESCHWEISST tee-pieces welded

Material: EUCARO®10, CuNi10Fe1,6Mn

Standards: EHN 9603/310

Andere Wandstärken sind vom Lager lieferbar. Other wall thicknesses are available from stock.

RA s mm a mm b mm L mm Gewicht kg / Stück weight kg / piece in nominal actual OD RA1 x RA2RA1 x RA2 S1 x S2 10 4 267 108 3,0 2,5 194 208,5 188 9,10 10 5 267 133 3,0 2,5 217 218,5 233 11,10 10 6 267 159 3,0 2,5 240 228,5 279 12,60 10 7 267 194 3,0 2,5 267 243,5 334 14,40 10 8 267 219 3,0 3,0 290 258,5 379 15,50 10 10 267267 3,0 3,0 324 288,5 447 20,00 12 5 324 133 4,0 2,5 217 247 233 16,60 12 6 324 159 4,0 2,5 240 257 279 18,70 12 7 324 194 4,0 2,5 267 272 334 20,90 12 8 324 219 4,0 3,0 290 287 379 24,30 12 10 324 267 4,0 3,0 324 317447 27,30 12 12 324324 4,0 4,0 380 347 560 31,00 14 6 368 159 4,0 2,5 240 279279 23,00 14 7 368 194 4,0 2,5 267 294 334 23,70 14 8 368 219 4,0 3,0 290 309 379 27,30 14 10 368 267 4,0 3,0 324 339 447 30,50 14 12 368 324 4,0 4,0 380 369 560 35,20 14 14 368368 4,0 4,0 407 384 613 44,00 16 7 419 194 4,0 2,5 267 319,5334 29,20 16 8 419 219 4,0 3,0 290 334,5 379 33,30 16 10 419 267 4,0 3,0 324 364,5 447 35,80 16 12 419 324 4,0 4,0 380 394,5560 41,10 16 14 419 368 4,0 4,0 407 408,5 613 46,50 16 16 419 419 4,0 4,0 440 434,5 680 55,00 18 8 457 219 4,5 3,0 290 353,5 379 36,40 18 10 457 267 4,5 3,0 324 383,5 447 40,50 18 12 457 324 4,5 4,0 380 413,5 560 46,70 18 14 457 368 4,5 4,0 407428,5 613 51,40 18 16 457 419 4,5 4,0 440 453,5 680 62,50 05 – 06 eucaro 05 - 2015 >
tee-pieces

T-STUTZEN GESCHWEISST tee-pieces welded

Material: EUCARO®10, CuNi10Fe1,6Mn

Standards: EHN 9603/310

Andere Wandstärken sind vom Lager lieferbar. Other wall thicknesses are available from stock.

RA s mm a mm b mm L mm Gewicht kg / Stück weight kg / piece in nominal actual OD RA1 x RA2RA1 x RA2 S1 x S2 20 8 508 219 5,0 3,0 290 379379 35,90 20 10 508 267 5,0 3,0 324 409 447 39,80 20 12508 324 5,0 4,0 380 439 560 52,80 20 14 508 368 5,0 4,0 407 454 613 60,00 20 16 508 419 5,0 4,0 440 479 680 73,50 24 10 610 267 5,0 3,0 324 460 447 78,00 24 12 610 324 5,0 3,0 380 490 560 80,00 24 14 610 368 5,0 4,0 407 505 613 82,00 24 16 610 419 5,0 4,0 440 530 680 86,00 05 – 07 eucaro 05 - 2015 > tee-pieces

T-STUTZEN GESCHWEISST tee-pieces welded

Material: EUCARO®10, CuNi10Fe1,6Mn

Standards: EHN 9603/310

Andere Wandstärken sind vom Lager lieferbar. Other wall thicknesses are available from stock.

RA s mm a mm b mm L mm Gewicht kg / Stück weight kg / piece in nominal actual OD RA1 x RA2RA1 x RA2 S1 x S2 18 18 457457 4,5 4,5 500 478,5 800 80,8 20 18 508 457 5,0 4,5 500504 800 91,7 20 20 508508 5,0 5,0 540 529 880 104,0 24 16 610 419 5,0 4,5 440 530 680 93,8 24 18 610 457 5,0 4,5 500 555 800 116,2 24 20 610 508 5,0 5,0 540 580 880 126,6 24 24610610 5,0 5,5 610 605 1020 172,6 28 14 711 368 6,0 4,0 406,5 555,5 613 102,1 28 16 711 419 6,0 4,5 440 580,5 680 117,5 28 18 711 457 6,0 4,5 500 605,5 800 168,9 28 20 711 508 6,0 5,0 540 630,5 880 200,1 28 24 711 610 6,0 5,5 610 655,5 1020 237,5 28 28 711711 6,0 6,0 713 715,5 1225 287,9 32 16 813 419 6,0 4,5 440 631,5 680 139,4 32 18 813 457 6,0 4,5 500 656,5 800 158,2 32 20 813 508 6,0 5,0 540 681,5 880 231,4 32 24 813 610 6,0 5,5 610 706,5 1020 275,0 32 28 813 711 6,0 6,0 713 766,5 1225 337,0 32 32 813813 6,0 6,0800 816,5 1400 359,0 36 18 914 457 8,0 4,5 500 707 800 245,0 36 20 914 508 8,0 5,0 540 732 880 281,0 36 24 914 610 8,0 5,5 610 757 1020 451,0 36 28 914 711 8,0 6,0 713 817 1225 451,0 36 32 914 813 8,0 6,0800 8671400 509,0 36 36 914914 8,0 8,0 875 917 1550 578,0
05 – 08 eucaro 05 - 2015 > tee-pieces
shipbuilding catalog 06 01 TECHNISCHE DATEN, WERKSTOFFEIGENSCHAFTEN TECHNICAL DATAS, MATERIAL PROPERTIES 02 ROHRE, SECHSKANT, RUND, BLECHE & PLATTEN PIPES, HEXAGON BARS, ROUND BARS, SHEETS & PLATES 03 VORSCHWEISSBUNDE, BÖRDEL & FLANSCHE, SCHOTTDURCHFÜHRUNGEN INNER & OUTER FLANGES, BULKHEAD PIECES 04 ROHRBOGEN ELBOWS 05 T-STUTZEN TEE-PIECES 06 REDUZIERSTÜCKE, GEWÖLBTE BÖDEN REDUCERS, END CAPS 07 SATTELSTUTZEN SADDLES 08 VERSCHRAUBUNGEN, LÖT- UND SCHWEISSFITTING UNIONS, CAPILLARY AND WELDING FITTINGS 09 SCHWEISSZUSATZSTOFFE CONSUMABLE WELDING MATERIAL 10 SOLUTIONS SOLUTIONS 11 ALLGEMEINE VERKAUFS- UND LIEFERBEDINGUNGEN TERMS OF DELIVERY eucaro copper nickel alloy > shipbuilding
SCHIFFBAUKATALOG

REDUZIERSTÜCKE KONZENTRISCH NAHTLOS reducers concentric seamless

Material: EUCARO®10, CuNi10Fe1,6Mn

Standards: DIN 86089

EHN 9603/400

Andere Wandstärken sind vom Lager lieferbar. Konzentrische Reduzierung mit einer relativen Permeabilität µr <1,05 sind auf Anfrage lieferbar.

Other wall thicknesses are available from stock. Concentric reducers with a permeability µr <1,05 are available on request.

06 – 01 eucaro 05 - 2015 > reducers, end caps
RA s mm L mm Gewicht kg / Stück weight kg / piece in nominal mm OD RA1 x RA2 RA1 x RA2 S1 x S2 1/2 3/8 20 16 1,0 1,0 30 0,01 3/4 3/8 25 16 1,5 1,0 30 0,02 3/4 1/2 25 20 1,5 1,0 30 0,03 1 3/8 30 16 1,5/2,0 1,0 35 0,03/0,04 1 1/2 30 20 1,5/2,0 1,0 35 0,04/0,05 1 3/4 30 25 1,5/2,0 1,5 35 0,05/0,07 1 1/4 3/8 38 16 1,5/2,0 1,0 50 0,05/0,07 1 1/4 1/2 38 20 1,5/2,0 1,0 50 0,06/0,08 1 1/4 3/4 38 25 1,5/2,0 1,5 50 0,07/0,09 1 1/4 1 38 30 1,5/2,0 1,5/2,0 50 0,08/0,11 1 1/2 1/2 44,5 20 1,5/2,5 1,0 80 0,09/0,15 1 1/2 3/4 44,5 25 1,5/2,5 1,5 80 0,11/0,18 1 1/2 1 44,5 30 1,5/2,5 1,5/2,0 80 0,12/0,20 1 1/2 1 1/4 44,5 38 1,5/2,5 1,5/2,0 80 0,13/0,22 2 3/4 57 25 1,5/3,0 1,5 80 0,13/0,26 2 1 57 30 1,5/3,0 1,5/2,0 80 0,14/0,27 2 1 1/4 57 38 1,5/3,0 1,5/2,0 80 0,15/0,30 2 1 1/2 57 44,5 1,5/3,0 1,5/2,5 80 0,16/0,32 2 1/2 1 76 30 2,0/3,5 1,5/2,0 90 0,24/0,42 2 1/2 1 1/4 76 38 2,0/3,5 1,5/2,0 90 0,25/0,44 2 1/2 1 1/2 76 44,5 2,0/3,5 1,5/2,5 90 0,26/0,46 2 1/2 2 76 57 2,0/3,5 1,5/3,0 90 0,29/0,51 3 1 1/4 89 38 2,0/4,0 1,5/2,0 90 0,29/0,58 3 1 1/2 89 44,5 2,0/4,0 1,5/2,5 90 0,30/0,60 3 2 89 57 2,0/4,0 1,5/3,0 90 0,32/0,64 3 2 1/2 89 76 2,0/4,0 2,0/3,5 90 0,40/0,80 4 1 1/2 108 44,5 2,5/5,0 1,5/2,5 100 0,46/0,92 4 2 108 57 2,5/5,0 1,5/3,0 100 0,48/0,96 4 2 1/2 108 76 2,5/5,0 2,0/3,5 100 0,57/1,14 4 3 108 89 2,5/5,0 2,0/4,0 100 0,61/1,22

REDUZIERSTÜCKE KONZENTRISCH NAHTLOS

reducers concentric seamless

Material: EUCARO®10, CuNi10Fe1,6Mn

Standards:

DIN 86089

EHN 9603/400

Andere Wandstärken sind vom Lager lieferbar. Konzentrische Reduzierung mit einer relativen Permeabilität µr <1,05 sind auf Anfrage lieferbar.

Other wall thicknesses are available from stock. Concentric reducers with a permeability µr <1,05 are available on request.

06 – 02 eucaro 05 - 2015 > reducers, end caps
RA s mm L mm Gewicht kg / Stück weight kg / piece in nominal mm OD RA1 x RA2 RA1 x RA2 S1 x S2 5 2 133 57 2,5/6,0 1,5/3,0 140 0,80/1,92 5 2 133 76 2,5/6,0 2,0/3,5 140 0,93/2,23 5 3 133 89 2,5/6,0 2,0/4,0 140 0,98/2,35 5 4 133 108 2,5/6,0 2,5/5,0 140 1,16/2,78 6 2,5 159 76 2,5/8,0 2,0/3,5 150 1,13/3,62 6 3 159 89 2,5/8,0 2,0/4,0 150 1,19/3,81 6 4 159 108 2,5/8,0 2,5/5,0 150 1,38/4,42 6 5 159 133 2,5/8,0 2,5/6,0 150 1,51/4,83 7 3 194 89 3,0 2,0 155 1,39 7 4 194 108 3,0 2,5 155 1,58 7 5 194 133 3,0 2,5 155 1,71 7 6 194 159 3,0 2,5 155 1,86 8 4 219 108 3,0/10,0 2,5/5,0 155 2,47/8,23 8 5 219 133 3,0/10,0 2,5/6,0 155 2,60/8,67 8 6 219 159 3,0/10,0 2,5/8,0 155 2,74/9,13 8 7 219 194 3,0/10,0 3,0 155 2,93/9,76 10 5 267 133 3,0/12,0 2,5/6,0 210 3,30/13,20 10 6 267 159 3,0/12,0 2,5/8,0 210 3,49/13,96 10 7 267 194 3,0/12,0 3,0 210 3,75/15,00 10 8 267 219 3,0/12,03,0/10,0 210 4,25/16,99 12 7 324 194 4,0 3,0 210 6,02 12 8 324 219 4,0 3,0 210 6,30 12 10 324 267 4,0 3,0 210 6,88 14 8 368 219 4,0 3,0 300 9,76 14 10 368 267 4,0 3,0 300 10,57 14 12 368 324 4,0 4,0 300 11,53

REDUZIERSTÜCKE KONZENTRISCH GESCHWEISST reducers concentric welded

Material: EUCARO®10, CuNi10Fe1,6Mn

Standards: EHN 9603/405

Andere Wandstärken sind vom Lager lieferbar. Other wall thicknesses are available from stock.

06 – 03 eucaro 05 - 2015 > reducers, end caps
RA s mm L mm Gewicht kg / Stück weight kg / piece in nominal mm OD RA1 x RA2 RA1 x RA2 S1 x S2 16 7 419 194 4,5 3,0 325 11,04 16 8 419 219 4,5 3,0 325 11,50 16 10 419 267 4,5 3,0 325 12,00 16 12 419 324 4,5 4,0 325 13,00 16 14 419 368 4,5 4,0 325 14,00 18 8 457 219 4,5 3,0 350 13,14 18 10 457 267 4,5 3,0 350 14,08 18 12 457 324 4,5 4,0 350 15,02 18 14 457 368 4,5 4,0 350 16,06 18 16 457 419 4,5 4,5 350 17,07 20 10 508 267 5,0 3,0 375 18,07 20 12 508 324 5,0 4,0 375 19,42 20 14 508 368 5,0 4,0 375 20,47 20 16 508 419 5,0 4,5 375 21,68 20 18 508 457 5,0 4,5 375 22,57 24 14 610 368 5,5 4,0 400 27,19 24 16 610 419 5,5 4,5 400 28,62 24 18 610 457 5,5 4,5 400 29,69 24 20 610 508 5,5 5,0 400 31,12 28 20 711 508 6,0 5,0 450 46,38 28 24 711 610 6,0 5,5 450 50,57 32 24 813 610 6,0 5,5 500 61,21 32 28 813 711 6,0 6,0 500 65,78 36 28 914 711 8,0 6,0 550 109,1 36 32 914 813 8,0 6,0 550 114,4

REDUZIERSTÜCKE EXZENTRISCH NAHTLOS reducers eccentric seamless

Material: EUCARO®10, CuNi10Fe1,6Mn Standards: EHN 9603/440

06 – 04 eucaro 05 - 2015 > reducers, end caps
RA s mm L mm Gewicht kg / Stück weight kg / piece in nominal mm OD RA1 x RA2 RA1 x RA2 S1 x S2 1/2 3/8 20 16 1,0 1,0 30 0,01 3/4 3/8 25 16 1,5 1,0 30 0,02 3/4 1/2 25 20 1,5 1,0 30 0,03 1 3/8 30 16 1,5 1,0 35 0,03 1 1/2 30 20 1,5 1,0 35 0,04 1 3/4 30 25 1,5 1,5 35 0,05 1 1/4 3/8 38 16 1,5 1,0 50 0,05 1 1/4 1/2 38 20 1,5 1,0 50 0,06 1 1/4 3/4 38 25 1,5 1,5 50 0,07 1 1/4 1 38 30 1,5 1,5 50 0,08 1 1/2 1/2 44,5 20 1,5 1,0 80 0,09 1 1/2 3/4 44,5 25 1,5 1,5 80 0,11 1 1/2 1 44,5 30 1,5 1,5 80 0,12 1 1/2 1 1/4 44,5 38 1,5 1,5 80 0,13 2 3/4 57 25 1,5 1,5 80 0,13 2 1 57 30 1,5 1,5 80 0,14 2 1 1/4 57 38 1,5 1,5 80 0,15 2 3/4 57 44,5 1,5 1,5 80 0,16 2 1/2 1 76 30 1,5 1,5 80 0,24 2 1/2 1 1/4 76 38 1,5 1,5 80 0,25 2 1/2 1 1/2 76 44,5 2,0 1,5 90 0,26 2 1/2 2 76 57 2,0 1,5 90 0,29 3 1 1/4 89 38 2,0 1,5 90 0,29 3 1 1/2 89 44,5 2,0 1,5 90 0,30 3 2 89 57 2,0 1,5 90 0,32 3 2 1/2 89 76 2,0 2,0 90 0,40 4 1 1/2 108 44,5 2,5 1,5 100 0,46 4 2 108 57 2,5 1,5 100 0,48 4 2 1/2 108 76 2,5 2,0 100 0,57 4 3 108 89 2,5 2,0 100 0,61 5 2 133 57 2,5 1,5 140 0,80 5 2 1/2 133 76 2,5 2,0 140 0,93 5 3 133 89 2,5 2,0 140 0,98 5 4 133 108 2,5 2,5 140 1,16

REDUZIERSTÜCKE EXZENTRISCH NAHTLOS reducers eccentric seamless

Material: EUCARO®10, CuNi10Fe1,6Mn

Standards: EHN 9603/440

06 – 05 eucaro 05 - 2015 > reducers, end caps
RA s mm L mm Gewicht kg / Stück weight kg / piece in nominal mm OD RA1 x RA2 RA1 x RA2 S1 x S2 6 2 1/2 159 76 2,5 2,0 150 1,13 6 3 159 89 2,5 2,0 150 1,14 6 4 159 108 2,5 2,5 150 1,38 6 5 159 133 2,5 2,5 150 1,51 7 4 194 108 3,0 2,5 155 1,58 7 5 194 133 3,0 2,5 155 1,71 7 6 194 159 3,0 2,5 155 1,85 8 5 219 133 3,0 2,5 155 2,60 8 6 219 159 3,0 2,5 155 2,74 8 7 219 194 3,0 3,0 155 2,93 10 8 267 219 3,0 3,0 210 3,95

REDUZIERSTÜCKE EXZENTRISCH GESCHWEISST reducers eccentric welded

Material: EUCARO®10, CuNi10Fe1,6Mn

EHN 9603/450

06 – 06 eucaro 05 - 2015 > reducers, end caps
Standards:
RA s mm L mm Gewicht kg / Stück weight kg / piece in nominal mm OD RA1 x RA2 RA1 x RA2 S1 x S2 10 5 267 133 3,0 2,5 210 210 10 6 267 159 3,0 2,5 210 210 10 7 267 194 3,0 3,0 210 210 10 8 267 219 3,0 3,0 210 210 12 5 324 133 4,0 2,5 210 210 12 6 324 159 4,0 2,5 210 210 12 7 324 194 4,0 3,0 210 210 12 8 324 219 4,0 3,0 210 210 12 10 324 267 4,0 3,0 210 210 14 6 368 159 4,0 2,5 300 300 14 7 368 194 4,0 3,0 300 300 14 8 368 219 4,0 3,0 300 300 14 10 368 267 4,0 3,0 300 300 14 12 368 324 4,0 4,0 300 300 16 7 419 194 4,5 3,0 325 325 16 8 419 219 4,5 3,0 325 325 16 10 419 267 4,5 3,0 325 325 16 12 419 324 4,5 4,0 325 325 16 14 419 368 4,5 4,0 325 325 18 8 457 219 4,5 3,0 350 350 18 10 457 267 4,5 3,0 350 350 18 12 457 324 4,5 4,0 350 350 18 14 457 368 4,5 4,0 350 350 18 16 457 419 4,5 4,5 350 350 20 10 508 267 5,0 3,0 375 375 20 12 508 324 5,0 4,0 375 375 20 14 508 368 5,0 4,0 375 375 20 16 508 419 5,0 4,5 375 375 20 18 508 457 5,0 4,5 375 375 24 14 610 368 5,5 4,0 400 400 24 16 610 419 5,5 4,5 400 400 24 18 610 457 5,5 4,5 400 400 24 20 610 508 5,5 5,0 400 400

REDUZIERSTÜCKE EXZENTRISCH GESCHWEISST reducers eccentric welded

Material: EUCARO®10, CuNi10Fe1,6Mn

Standards: EHN 9603/450

06 – 07 eucaro 05 - 2015 > reducers, end caps
RA s mm L mm Gewicht kg / Stück weight kg / piece in nominal mm OD RA1 x RA2 RA1 x RA2 S1 x S2 28 20 711 508 6,0 5,0 450 450 28 24 711 610 6,0 5,5 450 450 32 24 813 610 6,0 5,5 500 500 32 28 813 711 6,0 6,0 500 500 36 28 914 711 8,0 6,0 550 550 36 32 914 813 8,0 6,0 550 550

GEWÖLBTER BODEN ENDKAPPEN end caps

Material: EUCARO®10, CuNi10Fe1,6Mn

Standards: EHN 9603/800

06 – 08 eucaro 05 - 2015 >
reducers, end caps
RA S mm h1 mm h2 mm Gewicht kg / Stück weight in nominal mm OD 1 30 1,5 15 4 0,07 1 1/4 38 1,5 15 5,5 0,10 1 1/2 44,5 1,5 15 7 0,12 2 57 1,5 20 9 0,18 2 1/2 76 2,0 20 13 0,31 3 89 2,0 20 15 0,39 4 108 2,5 20 19 0,75 5 133 2,5 20 24 0,95 6 159 2,5 20 29 1,35 7 194 3,0 20 36 1,95 8 219 3,0 20 38 2,60 10 267 3,0 20 50 3,85 12 324 4,0 20 61 6,60 14 368 4,0 20 69 8,80 16 419 4,0 20 79 12,20 18 457 4,5 20 87 12,55 20 508 5,0 20 96 18,80 24 610 5,0 25 114 26,70 28 711 6,0 25 134 42,77 32 813 6,0 25 154 62,70 36 914 8,0 35 173 87,70
shipbuilding catalog 07 01 TECHNISCHE DATEN, WERKSTOFFEIGENSCHAFTEN TECHNICAL DATAS, MATERIAL PROPERTIES 02 ROHRE, SECHSKANT, RUND, BLECHE & PLATTEN PIPES, HEXAGON BARS, ROUND BARS, SHEETS & PLATES 03 VORSCHWEISSBUNDE, BÖRDEL & FLANSCHE, SCHOTTDURCHFÜHRUNGEN INNER & OUTER FLANGES, BULKHEAD PIECES 04 ROHRBOGEN ELBOWS 05 T-STUTZEN TEE-PIECES 06 REDUZIERSTÜCKE, GEWÖLBTE BÖDEN REDUCERS, END CAPS 07 SATTELSTUTZEN SADDLES 08 VERSCHRAUBUNGEN, LÖT- UND SCHWEISSFITTING UNIONS, CAPILLARY AND WELDING FITTINGS 09 SCHWEISSZUSATZSTOFFE CONSUMABLE WELDING MATERIAL 10 SOLUTIONS SOLUTIONS 11 ALLGEMEINE VERKAUFS- UND LIEFERBEDINGUNGEN TERMS OF DELIVERY eucaro copper nickel alloy > shipbuilding
SCHIFFBAUKATALOG

SATTELSTUTZEN NAHTLOS saddles seamless

Material: EUCARO®10, CuNi10Fe1,6Mn

Standards: DIN 86087

EHN 9603/505

Andere Wandstärken sind vom Lager lieferbar. Other wall thicknesses are available from stock.

RA s mm h mm L mm Gewicht kg / Stück weight kg / piece in nominal mm OD RA1 x RA2 RA1 x RA2 S1 x S2 1/2 1/2 20 20 1,0 1,0 20 32 0,05 3/4 1/2 25 20 1,5 1,0 20 32 0,05 3/4 3/4 25 25 1,5 1,5 22 40 0,06 1 3/4 30 25 1,5 1,5 22 40 0,06 1 1 30 30 1,5 1,5 30 50 0,10 1 1/4 1 38 30 1,5 1,5 30 50 0,10 1 1/4 1 1/4 38 38 1,5 1,5 35 64 0,11 1 1/2 1 1/4 44,5 38 1,5 1,5 35 64 0,14 1 1/2 1 1/2 44,5 44,5 1,5 1,5 35 74 0,15 2 1 1/4 57 38 1,5 1,5 35 64 0,14 2 1 1/2 57 44,5 1,5 1,5 35 74 0,15 2 2 57 57 1,5 1,5 40 97 0,20 2 1/2 1 1/4 76 38 2,0 1,5 35 64 0,34 2 1/2 1 1/2 76 44,5 2,0 1,5 35 74 0,30 2 1/2 2 76 57 2,0 1,5 40 97 0,52 2 1/2 2 1/2 76 76 2,0 2,0 50 126 0,40 3 1 1/4 89 38 2,0 1,5 35 64 0,36 3 1 1/2 89 44,5 2,0 1,5 35 74 0,44 3 2 89 57 2,0 1,5 40 97 0,56 3 2 1/2 89 76 2,0 2,0 50 126 0,55 3 3 89 89 2,5 2,0 55 149 0,76 4 1 1/2 108 44,5 2,5 1,5 35 74 0,30 4 2 108 57 2,5 1,5 40 97 0,40 4 2 1/2 108 76 2,5 2,0 50 126 0,40 4 3 108 89 2,5 2,0 55 149 1,02 4 4 108 108 2,5 2,5 75 188 0,70 5 2 133 57 2,5 1,5 40 97 0,40 5 2 1/2 133 76 2,5 2,0 50 126 0,40 5 3 133 89 2,5 2,0 55 149 1,24 5 4 133 108 2,5 2,5 75 188 1,10 5 5 133 133 2,5 2,5 85 233 1,10 07 – 01 eucaro 05 - 2015 > saddles

SATTELSTUTZEN NAHTLOS saddles seamless

Material: EUCARO®10, CuNi10Fe1,6Mn

Standards: DIN 86087

EHN 9603/505

Andere Wandstärken sind vom Lager lieferbar. Other wall thicknesses are available from stock.

RA s mm h mm L mm Gewicht kg / Stück weight kg / piece in nominal mm OD RA1 x RA2 RA1 x RA2 S1 x S2 6 2 1/2 159 76 2,5 2,0 50 126 0,4 6 3 159 89 2,5 2,0 55 149 0,8 6 4 159 108 2,5 2,5 75 188 1,1 6 5 159 133 2,5 2,5 85 233 2,1 6 6 159 159 2,5 2,5 95 279 2,2 7 2 1/2 194 76 3,0 2,0 50 126 1,53 7 3 194 89 3,0 2,0 55 149 1,35 7 4 194 108 3,0 2,5 75 188 1,42 7 5 194 133 3,0 2,5 85 233 2,38 7 6 194 159 3,0 2,5 95 279 3,86 7 7 194 194 3,0 3,0 110 334 3,5 8 3 219 89 3,0 2,0 55 149 0,9 8 4 219 108 3,0 2,5 75 188 1,8 8 5 219 133 3,0 2,5 85 233 2,6 8 6 219 159 3,0 2,5 95 279 3,6 8 7 219 194 3,0 3,0 110 334 4,9 8 8 219 219 3,0 3,0 125 379 5,7 10 4 267 108 3,0 2,5 75 188 1,8 10 5 267 133 3,0 2,5 85 233 2,6 10 6 267 159 3,0 2,5 95 279 3,6 10 7 267 194 3,0 3,0 110 334 4,9 10 8 267 219 3,0 3,0 125 379 5,7 10 10 267 267 3,0 3,0 155 447 7,9 12 5 324 133 4,0 2,5 85 233 2,6 12 6 324 159 4,0 2,5 95 279 3,6 12 7 324 194 4,0 3,0 110 334 4,9 12 8 324 219 4,0 3,0 125 379 7,7 12 10 324 267 4,0 3,0 155 447 9,7 12 12 324 324 4,0 4,0 185 580 12,9 14 6 368 159 4,0 2,5 95 279 3,6 14 7 368 194 4,0 3,0 110 334 4,9 14 8 368 219 4,0 3,0 125 379 7,7 07 – 02 eucaro 05 - 2015 > saddles

SATTELSTUTZEN NAHTLOS saddles seamless

Material: EUCARO®10, CuNi10Fe1,6Mn

Standards: DIN 86087

EHN 9603/505

Andere Wandstärken sind vom Lager lieferbar. Other wall thicknesses are available from stock.

RA s mm h mm L mm Gewicht kg / Stück weight kg / piece in nominal mm OD RA1 x RA2 RA1 x RA2 S1 x S2 14 10 368 267 4,0 3,0 155 447 9,7 14 12 368 324 4,0 4,0 185 560 12,9 14 14 368 368 4,0 4,0 200 613 14,85 16 6 419 159 4,5 2,5 95 279 3,6 16 7 419 194 4,5 3,0 110 334 4,9 16 8 419 219 4,5 3,0 125 379 7,7 16 10 419 267 4,5 3,0 155 447 9,7 16 12 419 324 4,5 4,0 185 560 12,9 16 14 419 368 4,5 4,0 200 613 14,85 16 16 419 419 4,5 4,5 225 680 18,51 18 6 457 159 4,5 2,5 95 279 3,6 18 7 457 194 4,5 3,0 110 334 4,9 18 8 457 219 4,5 3,0 125 379 7,7 18 10 457 267 4,5 3,0 155 447 9,7 18 12 457 324 4,5 4,0 185 560 12,9 18 14 457 368 4,5 4,5 200 613 14,85 18 16 457 419 4,5 4,5 225 680 18,51 18 18 457 457 4,5 4,5 250 800 24,80 20 5 508 133 5,0 2,5 85 233 4,9 20 6 508 159 5,0 2,5 95 279 5,4 20 7 508 194 5,0 3,0 110 334 6,5 20 8 508 219 5,0 3,0 125 379 7,7 20 10 508 267 5,0 3,0 155 447 9,7 20 12 508 324 5,0 4,0 185 560 13,5 20 14 508 368 5,0 4,0 200 613 20,9 20 16 508 419 5,0 4,5 225 680 24,6 24 10 610 219 5,5 3,0 125 379 9,5 24 12 610 267 5,5 3,0 155 447 11,0 24 14 610 324 5,5 4,0 185 580 15,5 24 16 610 368 5,5 4,0 200 613 33,0 24 18 610 419 5,5 4,5 225 680 45,0 07 – 03 eucaro 05 - 2015 > saddles

SATTELSTUTZEN GESCHWEISST saddles seam welded

Material: EUCARO®10, CuNi10Fe1,6Mn

Standards: EHN 9603/500

RA s mm h mm L mm Gewicht kg / Stück weight kg / piece in nominal mm OD RA1 x RA2 RA1 x RA2 S1 x S2 18 18 457 457 4,5 4,5 250 800 43,4 20 18 508 457 5,0 4,5 250 800 43,1 20 20 508 508 5,0 5,0 275 880 54,4 24 18 610 457 5,5 4,5 250 800 47,85 24 20 610 508 5,5 5,0 275 880 56,01 24 24 610 610 5,5 5,5 300 1020 99,2 28 18 711 457 6,0 4,5 250 800 77,7 28 20 711 508 6,0 5,0 275 880 105 28 24 711 610 6,0 5,5 300 1020 137 28 28 711 711 6,0 6,0 360 1225 182 32 20 813 508 6,0 5,0 275 880 118 32 24 813 610 6,0 5,5 300 1020 163 32 28 813 711 6,0 6,0 360 1225 208 32 32 813 813 6,0 6,0 410 1400 225 36 24 914 610 8,0 5,5 300 1020 206 36 28 914 711 8,0 6,0 360 1225 246 36 32 914 813 8,0 6,0 410 1400 294 36 36 914 914 8,0 8,0 460 1550 357 07 – 04 eucaro 05 - 2015 > saddles
shipbuilding catalog 08 01 TECHNISCHE DATEN, WERKSTOFFEIGENSCHAFTEN TECHNICAL DATAS, MATERIAL PROPERTIES 02 ROHRE, SECHSKANT, RUND, BLECHE & PLATTEN PIPES, HEXAGON BARS, ROUND BARS, SHEETS & PLATES 03 VORSCHWEISSBUNDE, BÖRDEL & FLANSCHE, SCHOTTDURCHFÜHRUNGEN INNER & OUTER FLANGES, BULKHEAD PIECES 04 ROHRBOGEN ELBOWS 05 T-STUTZEN TEE-PIECES 06 REDUZIERSTÜCKE, GEWÖLBTE BÖDEN REDUCERS, END CAPS 07 SATTELSTUTZEN SADDLES 08 VERSCHRAUBUNGEN, LÖT- UND SCHWEISSFITTING UNIONS, CAPILLARY AND WELDING FITTINGS 09 SCHWEISSZUSATZSTOFFE CONSUMABLE WELDING MATERIAL 10 SOLUTIONS SOLUTIONS 11 ALLGEMEINE VERKAUFS- UND LIEFERBEDINGUNGEN TERMS OF DELIVERY eucaro copper nickel alloy > shipbuilding
SCHIFFBAUKATALOG

VERBINDUNGSTEILE pipe connections

abzweigstutzen socket

din 86103

seite/page 6

thermometer schutzrohre

protecting tubes for glass thermometer

ehn 9511/500

seite/page 9

übergangsnippel zum löten

straight male connector for brazing

ehn 9308/600/01

seite/page 12

übergangsnippel ig x ag

male nipple f x m

ehn 9511/155

seite/page 18

anschweissenden

welding ends

ehn 9511/110

seite/page 7

doppelnippel gleich

male nipple equal ehn 9511/160

seite/page 10

Übergangsmuffe zum löten

straight female connector for brazing

ehn 9308/610/02

seite/page 14

sprinklerbuchsen

sprinkler bushes

ehn 9511/565

seite/page 19

verschlussschrauben

hexagon head plugs

din 910

seite/page 8

doppelnippel reduziert

male nipple reduced ehn 9511/160/02

seite/page 11

übergangsnippel zum schweissen

male nipple for welding

ehn 9308/601/01

seite/page 16

übergangsmuffen

female adaptor

ehn 9308/610/05

seite/page 20

08 – 01 eucaro 05 - 2015 >
and
unions, capillary
welding fittings

LÖTF ITTINGE fitting for brazing

lötmuffen

straight couplings

EHN 9107/200

seite/page 22

löt-t-stücke gleich capillary t-pieces equal ehn 9107/500

seite/page 25

reduziermuffen konzentrisch

reducing couplings concentric

ehn 9107/300

seite/page 23

löt-t-stücke reduziert capillary t-pieces reduced ehn 9107/540

seite/page 26

reduzierstücke

reducing inserts

EHN 9107/375

seite/page 24

lötwinkel

capillary elbows

ehn 9107/600

seite/page 27

endkappen end caps

ehn 9107/100

seite/page 28

08 – 02 eucaro 05 - 2015 >
unions, capillary and welding fittings

VERSCH RA UBUNGEN MIT LÖ TBUNDBUCHSE ODER S CHWEISSBUNDBUCHSE unions

with brazing or welding collar bushing

verschraubungen mit lötbundbuchse unions

with brazing collar bushing

EHN 9308/700

seite/page 29

schott-verschraubungen mit lötbundbuchse

bulkhead

unions with collar bushing

ehn 9511/514

seite/page 34

schott-verschraubungen mit schweissbundbuchse

bulkhead unions

with welding collar bushing

ehn 9511/513

seite/page 39

einschraub-verschraubungen mit lötbundbuchse

male unions

with brazing collar bushing

ehn 9308/710

seite/page 30

verschraubungen mit schweissbundbuchse

unions

with welding collar bushing

ehn 9511/350

seite/page 35

schott-verschraubungen mit schweissbundbuchse

bulkhead unions

with welding collar bushing

ehn 9511/516

seite/page 40

schott-verschraubungen mit lötbundbuchse

bulkhead unions

with brazing collar bushing

EHN 9511/510

seite/page 33

einschraub-verschraubungen mit schweissbundbuchse

male unions

with welding collar bushing

ehn 9511/400

seite/page 36

08 – 03 eucaro 05 - 2015
> unions, capillary and welding fittings

25° LÖT - UND S CHWEISS - VERSCH RA UBUNGEN

25° capillary and welding unions

Auf Anfrage. On request.

08 – 04 eucaro 05 - 2015 > unions, capillary and welding fittings

K LEMMRINGVERSCH RA UBUNGEN unions with double wedge rings

Auf Anfrage. On request.

08 – 05 eucaro 05 - 2015 > unions, capillary and welding fittings

ABZWEIGSTUT Z EN sockets

Material: EUCA R O®10, CuNi10Fe1,6Mn

Standards: DIN 86103/Form B

EHN 9511/120

Abzweigstutzen in Abmessungen anders als vorstehend sind ebenso lieferbar..

Sockets in sizes other than the above are also available.

08 – 06 eucaro 05 - 2015 >
unions, capillary and welding fittings
d1 G" d2 mm b mm l1 mm Gewicht kg/Stück weight kg/piece 1/4 20 12 20 0,03 3/8 25 12 20 0,05 1/2 30 14 25 0,08 1/2 30 14 50 0,17 1/2 30 14 75 0,26 1/2 30 14 100 0,38 1/2 30 14 125 0,47 3/4 38 16 25 0,14 3/4 38 16 50 0,28 3/4 38 16 75 0,45 3/4 38 16 100 0,55 3/4 38 16 125 0,70 1 45 18 25 0,19 1 45 18 50 0,35 1 45 18 75 0,55 1 45 18 100 0,70 1 45 18 125 0,95 1 1/4 55 20 30 0,29 1 1/2 60 22 30 0,37 2 75 23 40 0,68

A NSCHWEISSENDEN welding ends

Material: EUCA R O®10, CuNi10Fe1,6Mn

Standards: EHN 9511/110

Anschweißenden in Abmessungen anders als vorstehend sind ebenso lieferbar.. Welding ends in sizes other than the above are also available.

08 – 07 eucaro 05 - 2015 >
unions, capillary and welding fittings
RA in nominal RA mm OD S mm E G" L1 mm L2 mm Gewicht kg/Stück weight kg/piece 8 1 1/8 30 10 0,01 1/8 10 1 1/4 30 12 0,02 1/4 12 1 3/8 30 13 0,02 1/2 20 1 1/2 35 15 0,03 3/4 25 1,5 3/4 40 15 0,05 1 30 1,5 1 40 19 0,10 1 1/4 38 1,5 1 1/4 50 20 0,19 1 1/2 44,5 1,5 1 1/2 50 20 0,21 2 57 1,5 2 55 22 0,29 2 1/2 76 2 2 1/2 60 27 0,38 3 89 2 3 65 28 0,50

VERSCHLUSSSCH RA UBEN

hexagon head screw plugs

Material: EUCA R O®10, CuNi10Fe1,6Mn

Standards: DIN 910

EHN 9311/100

Verschlussschrauben in Abmessungen anders als vorstehend sind ebenso lieferbar.. Hexagon head screw plugs in sizes other than the above are also available.

08 – 08 eucaro 05 - 2015 >
unions, capillary and welding fittings
d1 G" d2 mm i mm L mm SW mm Gewicht kg/Stück weight kg/piece 1/8 14 8 17 10 0,01 1/4 18 12 21 13 0,03 3/8 22 12 21 17 0,05 1/2 26 14 26 19 0,08 3/4 32 16 30 24 0,14 1 39 16 32 27 0,22 1 1/8 44 16 32 27 0,27 1 1/4 49 16 33 30 0,34 1 1/2 55 16 33 30 0,43 1 3/4 62 20 40 36 0,65 2 68 20 40 36 0,79

THERMOMETER S CHUT ZR OHRE FO R M BE protecting tubes shape be

EUCA R O®10, CuNi10Fe1,6Mn

EHN 9511/500

Tauchrohrdurchmesser des Glasthermometers / diving tube diameter of glas thermometer

Thermometer Schutzrohre in Abmessungen anders als vorstehend sind ebenso lieferbar.. Protecting tubes in sizes other than the above are also available.

08 – 09 eucaro 05 - 2015 >
Material:
Standards:
unions, capillary and welding fittings
Tauchrohrdurchmesser diving tube diameter Gewinde thread d1 M / G" d2 mm d4 mm d7 mm h5 mm i1 mm L1 mm SW mm 10 M 20 x 1,5 25 17 11 25 14 20 27 10 G 1/2 26 17 11 25 14 20 27 10 M 27 x 2 32 17 11 29 16 24 32 10 G 3/4 32 17 11 29 16 24 32 12 M 27 x 2 32 19 13 29 16 24 32 12 G 3/4 32 19 13 29 16 24 32
Einbaulänge des Glasthermometers / length of glas thermometer Schutzrohr protecting tube Form / shape BE l2 10 40 27 10 50 37 10 63 50 10 75 63 10 100 87 10 160 147 10 250 237 12 100 87 12 160 147 12 250 237 12 400 387

D OPPELNIPPEL AUSSENGEW INDE X AUSSEN -

GE W INDE male nipples male thread x male thread

Material: EUCA R O®10, CuNi10Fe1,6Mn

Standards: EHN 9511/160/01

PN 63

Doppelnippel in Abmessungen anders als vorstehend sind ebenso lieferbar..

Male nipples in sizes other than the above are also available.

08 – 10 eucaro 05 - 2015 >
and
unions, capillary
welding fittings
E (thread) G" d2 mm L1 mm L2 mm SW mm Gewicht kg/Stück weight kg/piece 1/8 4 29 8 15 0,02 1/4 6 37 12 19 0,05 3/8 8 37 12 22 0,06 1/2 10 45 14 27 0,12 5/8 12 46 14 30 0,29 3/4 14 51 16 32 0,37 1 22 59 18 41 0,32 1 1/4 27 66 20 50 0,58 1 1/2 35 72 22 55 0,76 1 3/4 41 79 24 65 1,17 2 48 80 24 70 1,35

D OPPELNIPPEL REDU

-

Z IERT AUSSENGE W INDE X AUSSENGE W INDE male nipples reduced male thread x male thread

Material: EUCA R O®10, CuNi10Fe1,6Mn

Standards: EHN 9511/160/02

PN 63

Doppelnippel in Abmessungen anders als vorstehend sind ebenso lieferbar.. Male nipples in sizes other than the above are also available.

08 – 11 eucaro 05 - 2015 > unions, capillary and welding
fittings
(Thread) G" E1 x E2 d1 mm d2 mm L1 mm L2 mm L3 mm SW mm Gewicht kg / Stück weight kg / piece 1/2 1/4 10 6 14 12 42 27 0,11 1/2 3/8 10 8 14 12 42 27 0,10 3/4 3/8 14 8 16 12 46 32 0,17 3/4 1/2 14 10 16 14 49 32 0,18 1 1/2 22 10 18 14 54 41 0,28 1 3/4 22 14 18 16 56 41 0,37 1 1/4 3/4 27 14 20 16 61 50 0,54 1 1/4 1 27 22 20 18 64 50 0,56 1 1/2 1 35 22 22 18 68 55 0,79 1 1/2 1 1/4 35 27 22 20 70 55 0,74 2 1 1/4 48 27 24 20 76 70 1,30 2 1 1/2 48 35 24 22 78 70 1,33

Ü BERG A NGSNIPPEL LÖ TMU FF E X AUSSEN -

GE W INDE

straight male connectors

capillary end x male thread

63

Übergangsnippel in Abmessungen anders als vorstehend sind ebenso lieferbar.. Straight male connectors in sizes other than the above are also available.

08 – 12 eucaro 05 - 2015 >
RA x E A mm d1 mm L1 mm L2 mm L3 mm SW mm Gewicht kg/Stück weight kg/piece in nominal mm x G" OD 1/8 x 3/8 8 x 3/8 12 6 12 9 26 22 0,04 1/8 x 1/2 10 x 1/2 15 8 14 9 3227 0,06 1/8 x 3/4 10 x 3/4 15 8 16 9 36 32 0,12 1/4 x 1/2 12 x 1/2 17 10 14 9 3227 0,06 1/4 x 3/4 12 x 3/4 17 10 16 9 36 32 0,12 1/4 x 1/2 14 x 1/2 20 10 14 10 3227 0,06 1/4 x 3/4 14 x 3/4 20 12 16 10 36 32 0,12 1/4 x 1 14 x 1 20 12 18 10 4141 0,16 3/8 x 3/8 16 x 3/8 22 8 12 10 27 22 0,05 3/8 x 1/2 16 x 1/2 22 10 14 10 3227 0,06 3/8 x 3/4 16 x 3/4 22 14 16 10 3636 0,12 3/8 x 1 16 x 1 22 14 18 10 4141 0,16 1/2 x 1/2 20 x 1/2 27 10 14 10 33 27 0,09 1/2 x 3/4 20 x 3/4 27 14 16 10 37 32 0,13 1/2 x 1 20 x 1 27 1818 10 42 41 0,23 1/2 x 1 1/4 20 x 1 1/4 27 18 20 10 47 50 0,39 3/4 x 3/4 25 x 3/4 32 14 16 10 37 32 0,13 3/4 x 1 25 x 1 32 22 18 10 42 41 0,20 3/4 x 1 1/4 25 x 1 1/4 32 22 20 10 47 50 0,41 3/4 x 1 1/2 25 x 1 1/2 32 2222 10 51 55 0,49 1 x 3/4 30 x 3/4 37 14 16 11 40 41 0,19 1 x 1 30 x 1 37 22 18 11 43 41 0,29 1 x 1 1/4 30 x 1 1/4 37 27 20 11 48 50 0,24 1 x 1 1/2 30 x 1 1/2 37 27 22 11 52 55 0,25 PN
Material: EUCA R O®10, CuNi10Fe1,6Mn Standards: EHN 9308/600/01
unions, capillary and welding fittings

Ü BERG A NGSNIPPEL

LÖ TMU FF E X AUSSENGE W INDE

straight male connectors

capillary end x male thread

Übergangsnippel in Abmessungen anders als vorstehend sind ebenso lieferbar.. Straight male connectors in sizes other than the above are also available.

08 – 13 eucaro 05 - 2015 > unions, capillary and welding fittings RA x E A mm d1 mm L1 mm L2 mm L3 mm SW mm Gewicht kg/Stück weight kg/piece in nominal mm x G" OD 1 1/4 x 3/4 38 x 3/4 45 14 16 15 43 46 0,26 1 1/4 x 1 38 x 1 45 22 18 15 4646 0,26 1 1/4 x 1 1/2 38 x 1 1/2 45 35 22 15 53 55 0,45 1 1/2 x 1 44,5 x 1 52 22 18 15 49 55 0,49 1 1/2 x 1 1/4 44,5 x 1 1/4 52 27 20 15 51 55 0,56 1 1/2 x 1 1/2 44,5 x 1 1/2 52 35 22 15 53 55 0,60 1 1/2 x 2 44,5 x 2 52 41 24 15 59 70 0,93 2 x 1 1/4 57 x 1 1/4 65 27 20 15 54 65 077 2 x 1 1/2 57 x 1 1/2 65 35 22 15 56 65 0,80 2 x 2 57 x 2 65 48 24 15 59 70 0,96 2 x 2 1/2 57 x 2 1/2 65 54 30 15 73 85 1,57 PN 63 Material: EUCA R O®10, CuNi10Fe1,6Mn Standards: EHN 9308/600/01

Ü BERG A NGS MU FFEN LÖ TMU FF E X INNENGE W INDE straight female connectors

capillary end x female thread

Übergangsmuffen in Abmessungen anders als vorstehend sind ebenso lieferbar.. Straight female connectors in sizes other than the above are also available.

08 – 14 eucaro 05 - 2015
RA x E d2 mm L1 mm A mm L3 mm L2 mm SW mm Gewicht kg/Stück weight kg/piece in nominal mm x G" OD 1/8 x 3/8 8 x 3/8 21,5 1212 25 9 22 0,03 1/8 x 1/2 10 x 1/2 27 14 15 28 9 27 0,04 1/8 x 3/4 10 x 3/4 32 16 15 32 9 32 0,07 1/4 x 1/2 12 x 1/2 27 14 17 27 9 27 0,05 1/4 x 3/4 12 x 3/4 32 16 17 31 9 32 0,08 1/4 x 1/2 14 x 1/2 27 14 20 27 10 27 0,06 1/4 x 3/4 14 x 3/4 32 16 20 31 10 32 0,09 1/4 x 1 14 x 1 40 18 20 36 10 41 0,16 3/8 x 3/8 16 x 3/8 21,5 12 22 26 10 22 0,05 3/8 x 1/2 16 x 1/2 27 14 22 26 10 27 0,07 3/8 x 3/4 16 x 3/4 32 16 22 30 10 32 0,10 3/8 x 1 16 x 1 40 18 22 35 10 41 0,17 1/2 x 1/2 20 x 1/2 27 14 27 29 10 27 0,08 1/2 x 3/4 20 x 3/4 32 16 27 28 10 32 0,11 1/2 x 1 20 x 1 40 18 27 33 10 41 0,18 1/2 x 1 1/4 20 x 1 1/4 49 20 27 40 10 50 0,25 3/4 x 3/4 25 x 3/4 32 16 32 30 10 32 0,10 3/4 x 1 25 x 1 40 18 32 31 10 41 0,20 3/4 x 1 1/4 25 x 1 1/4 49 20 32 38 10 50 0,27 3/4 x 1 1/2 25 x 1 1/2 55 22 32 42 10 55 0,33 1 x 3/4 30 x 3/4 32 16 37 34 11 41 0,17 1 x 1 30 x 1 40 18 37 33 11 41 0,20 1 x 1 1/4 30 x 1 1/4 49 20 37 36 11 50 0,22 1 x 1 1/2 30 x 1 1/2 55 22 37 41 11 55 0,35 1 1/4 x 3/4 38 x 3/4 32 16 45 42 15 46 0,28 1 1/4 x 1 38 x 1 40 1845 41 15 46 0,31 PN 63 Material: EUCA R O®10, CuNi10Fe1,6Mn Standards: EHN 9308/610/02
> unions, capillary and welding fittings

Ü BERG A NGS MU FFEN LÖ TMU FF E X INNENGE W INDE straight female connectors capillary end x female thread

Übergangsmuffen in Abmessungen anders als vorstehend sind ebenso lieferbar..

Straight female connectors in sizes other than the above are also available.

08 – 15 eucaro 05 - 2015 > unions, capillary and welding fittings RA x E d2 mm L1 mm A mm L3 mm L2 mm SW mm Gewicht kg/Stück weight kg/piece in nominal mm x G" OD 1 1/4 x 1 1/4 38 x 1 1/4 49 20 45 38 15 500,36 1 1/4 x 1 1/2 38 x 1 1/2 55 22 45 41 15 55 0,37 1 1/2 x 1 44,5 x 1 40 18 52 44 15 55 0,35 1 1/2 x 1 1/4 44,5 x 1 1/4 49 20 52 42 15 55 0,40 1 1/2 x 1 1/2 44,5 x 1 1/2 55 22 52 41 15 55 0,43 1 1/2 x 2 44,5 x 2 70 24 52 46 15 70 0,60 2 x 1 1/4 57 x 1 1/4 49 20 65 48 15 65 0,50 2 x 1 1/2 57 x 1 1/2 55 22 65 47 15 65 0,55 2 x 2 57 x 2 70 24 65 43 15 700,65 2 x 2 1/2 57 x 2 1/2 85 30 65 53 15 85 0,80 PN 63 Material: EUCA R O®10, CuNi10Fe1,6Mn Standards: EHN 9308/610/02

Ü BERG A NGSNIPPEL EINSTECKENDE X AUSSENGE W INDE male nipples

male end x male thread

Übergangsnippel in Abmessungen anders als vorstehend sind ebenso lieferbar.. Straight male connectors in sizes other than the above are also available.

08 – 16 eucaro 05 - 2015
RA x E d2 mm d1 mm L1 mm L2 mm L3 mm SW mm Gewicht kg/Stück weight kg/piece in nominal mm x G" OD 1/8 x 3/8 8 x 3/8 6 8 12 11 38 22 0,04 1/8 x 1/2 10 x 1/2 8 10 14 11 43 27 0,06 1/8 x 3/4 10 x 3/4 8 14 16 11 47 32 0,12 1/4 x 1/2 12 x 1/2 1010 14 11 43 27 0,06 1/4 x 3/4 12 x 3/4 10 14 16 11 47 32 0,12 1/4 x 1/2 14 x 1/2 12 10 14 12 44 27 0,06 1/4 x 3/4 14 x 3/4 12 14 16 12 48 32 0,12 1/4 x 1 14 x 1 12 22 18 12 53 41 0,16 3/8 x 3/8 16 x 3/8 14 8 1212 36,5 22 0,05 3/8 x 1/2 16 x 1/2 14 10 14 12 44 27 0,06 3/8 x 3/4 16 x 3/4 1414 16 12 48 32 0,12 3/8 x 1 16 x 1 14 22 18 12 53 41 0,16 1/2 x 1/2 20 x 1/2 18 10 14 12 42 27 0,09 1/2 x 3/4 20 x 3/4 18 14 16 12 48 32 0,13 1/2 x 1 20 x 1 18 22 18 12 53 41 0,23 1/2 x 1 1/4 20 x 1 1/4 18 27 20 12 58 50 0,39 3/4 x 3/4 25 x 3/4 22 14 16 12 46 32 0,13 3/4 x 1 25 x 1 2222 18 12 53 41 0,20 3/4 x 1 1/4 25 x 1/4 22 27 20 12 58 50 0,41 3/4 x 1 1/2 25 x 1/2 22 35 22 12 62 55 0,49 1 x 3/4 30 x 3/4 27 14 16 13 44,5 32 0,19 1 x 1 30 x 1 27 22 18 13 54 41 0,29 1 x 1 1/4 30 x 1 1/4 2727 20 13 59 50 0,24 1 x 1 1/2 30 x 1 1/2 27 35 22 13 63 55 0,25 1 1/4 x 3/4 38 x 3/4 35 14 16 17 5141 0,26 1 1/4 x 1 38 x 1 35 22 18 17 54 41 0,26 PN 63 Material: EUCA R O®10, CuNi10Fe1,6Mn Standards: EHN 9308/601/01
>
unions, capillary and welding fittings

Ü BERG

A NGSNIPPEL EINSTECKENDE X AUSSENGE W INDE

male nipples male end x male thread

Übergangsnippel in Abmessungen anders als vorstehend sind ebenso lieferbar..

Straight male connectors in sizes other than the above are also available.

08 – 17 eucaro 05 - 2015 > unions, capillary and welding fittings RA x E d2 mm d1 mm L1 mm L2 mm L3 mm SW mm Gewicht kg/Stück weight kg/piece in nominal mm x G" OD 1 1/4 x 1 1/4 38 x 1 1/4 35 27 20 17 63 50 0,41 1 1/4 x 1 1/2 38 x 1 1/2 3535 22 17 67 55 0,45 1 1/2 x 1 44,5 x 1 41,5 22 18 17 58,5 50 0,49 1 1/2 x 1 1/4 44,5 x 1 1/4 41,5 27 20 17 60,5 50 0,56 1 1/2 x 1 1/2 44,5 x 1 1/2 41,5 35 22 17 67 55 0,60 1 1/2 x 2 44,5 x 2 41,5 48 24 17 73 70 0,93 2 x 1 1/4 57 x 1 1/4 54 27 20 17 62 60 0,77 2 x 1 1/2 57 x 1 1/2 54 35 22 17 64 60 0,80 2 x 2 57 x 2 54 48 24 17 73 70 0,96 2 x 2 1/2 57 x 2 1/2 54 60 30 17 87 85 1,57 PN 63 Material: EUCA R O®10, CuNi10Fe1,6Mn Standards: EHN 9308/601/01

Ü BERG A NGSNIPPEL A USSENGE W INDE X INNENGE W INDE male nipples male thread x female thread

Übergangsnippel in Abmessungen anders als vorstehend sind ebenso lieferbar.. Straight male connectors in sizes other than the above are also available.

08 – 18 eucaro 05 - 2015
(Thread) G" A mm d1 mm L1 mm L2 mm L3 mm SW mm Gewicht kg/Stück weight kg/piece E1 x E2 3/8 1/8 14 8 12 9 29 22 0,04 3/8 1/4 17 8 12 12 31,5 22 0,08 3/8 3/8 21,5 8 12 12 31,5 22 0,09 3/8 1/2 27 8 12 17 37 27 0,09 3/8 3/4 29 8 12 17 38 30 0,13 1/2 1/4 17 10 14 12 36,5 27 0,06 1/2 3/8 21,5 10 14 12 36,5 27 0,04 1/2 1/2 27 10 14 17 40 27 0,10 1/2 5/8 29 10 14 17 41 30 0,11 1/2 3/4 32 10 14 17 42 32 0,13 5/8 3/8 21,5 12 14 12 37,5 30 0,05 5/8 1/2 27 12 14 17 41 30 0,11 5/8 5/8 29 12 14 17 41 30 0,14 5/8 3/4 32 12 14 17 42 32 0,15 5/8 1 40 12 14 18 44 41 0,20 3/4 1/2 27 14 16 17 44 32 0,12 3/4 5/8 29 14 16 17 44 32 0,15 3/4 3/4 32 14 16 17 44 32 0,18 3/4 1 40 14 16 18 46 41 0,25 3/41 1/4 49 14 16 18 49 50 0,40 1 1/2 27 18 18 17 49 41 0,13 1 5/8 29 18 18 17 49 41 0,16 1 3/4 32 18 18 17 49 41 0,18 1 1 40 22 18 18 49 41 0,29 1 1 1/4 49 22 18 18 52 50 0,45 1 1 1/2 55 22 18 18 54 55 0,60 1 1/4 1 40 27 20 18 54 50 0,31 1 1/41 1/4 49 27 20 18 56 50 0,56 1 1/4 1 1/2 55 27 20 18 56 55 0,65 1 1/41 3/4 62 27 20 18 59 65 0,90 PN 63 Material: EUCA R O®10, CuNi10Fe1,6Mn Standards: EHN 9511/155
> unions, capillary and welding fittings

SP RIN K LER BUCHSEN

ZU M EINL Ö TEN

sprinkler bushes for brazing

Material: EUCA R O®10, CuNi10Fe1,6Mn

Standards: EHN 9511/565/01

PN 63

Für Rohre nach DIN 86019. For pipes according DIN 86019.

Sprinkler Buchsen in Abmessungen anders als vorstehend sind ebenso lieferbar. Sprinkler bushes in sizes other than the above are also available.

08 – 19 eucaro 05 - 2015 > unions, capillary and welding fittings RA A mm B mm E NPD Gewicht kg/Stück weight kg/piece in nominal mm OD 3/8 16 14 11 1/8 0,01 1/2 20 18 11 1/4 0,01 3/4 25 22 11 3/8 0,02 1 30 27 12 1/2 0,03 1 1/4 38 35 16 3/4 0,06 1 1/2 44,5 41,5 16 1 0,08 2 57 54 16 1 1/2 0,09

Ü BERG A NGS MU FFEN EINSTECKENDE X INNENGE W INDE female adaptors male end x female thread

Material: EUCA R O®10, CuNi10Fe1,6Mn

Standards: EHN 9308/610/05

Übergangsmuffen in Abmessungen anders als vorstehend sind ebenso lieferbar..

Female adaptors in sizes other than the above are also available.

08 – 20 eucaro 05 - 2015 > unions, capillary and welding fittings
RA x E s mm L1 mm L2 mm L3 mm SW mm Gewicht kg/Stück weight kg/piece in nominal mm x G" OD 8 x 3/8 1 33 12 11 22 0,03 1/8 x 1/2 10 x 1/2 1 36 14 11 27 0,04 1/8 x 3/4 10 x 3/4 1 41 16 11 32 0,07 1/4 x 1/2 12 x 1/2 1 35 14 11 27 0,05 1/4 x 3/4 12 x 3/4 1 40 16 11 32 0,08 1/4 x 1/2 14 x 1/2 1 35 14 12 27 0,06 1/4 x 3/4 14 x 3/4 1 40 16 12 32 0,09 1/4 x 1 14 x 1 1 47 18 12 41 0,16 3/8 x 3/8 16 x 3/8 1 30 12 12 22 0,05 3/8 x 1/2 16 x 1/2 1 34 14 12 27 0,07 3/8 x 3/4 16 x 3/4 1 39 16 12 32 0,10 3/8 x 1 16 x 1 1 46 18 12 41 0,17 1/2 x 1/2 20 x 1/2 1 32 14 12 27 0,08 1/2 x 3/4 20 x 3/4 1 37 16 12 32 0,11 1/2 x 1 20 x 1 1 44 18 12 41 0,18 1/2 x 1 1/4 20 x 1 1/4 1 50 20 12 50 0,25 3/4 x 3/4 25 x 3/4 1,5 34 16 12 32 0,10 3/4 x 1 25 x 1 1,5 41 18 12 41 0,20 3/4 x 1 1/4 25 x 1 1/4 1,5 48 20 12 50 0,27 3/4 x 1 1/2 25 x 1 1/2 1,5 52 22 12 55 0,33 1 x 3/4 30 x 3/4 1,5 34 16 13 32 0,17 1 x 1 30 x 1 1,5 39 18 13 41 0,20 1 x 1 1/4 30 x 1 1/4 1,5 46 20 13 50 0,22 1 x 1 1/2 30 x 1 1/2 1,5 50 22 13 55 0,35

Ü BERG A NGS MU FFEN EINSTECKENDE X INNENGE W INDE female adaptors male end x female thread

Material: EUCA R O®10, CuNi10Fe1,6Mn

Standards: EHN 9308/610/05

Übergangsmuffen in Abmessungen anders als vorstehend sind ebenso lieferbar..

Female adaptors in sizes other than the above are also available.

08 – 21 eucaro 05 - 2015 > unions, capillary and welding
fittings
RA x E s mm L1 mm L2 mm L3 mm SW mm Gewicht kg/Stück weight kg/piece in nominal mm x G" OD 1 1/4 x 3/4 38 x 3/4 1,5 41,5 16 17 32 0,28 1 1/4 x 1 38 x 1 1,540,5 18 17 41 0,31 1 1/4 x 1 1/4 38 x 1 1/4 1,5 46 20 17 50 0,36 1 1/4 x 1 1/2 38 x 1 1/2 1,5 50 22 17 55 0,37 1 1/2 x 1 44,5 x 1 1,5 44 18 17 41 0,35 1 1/2 x 1 1/4 44,5 x 1 1/4 1,5 42 20 17 50 0,40 1 1/2 x 1 1/2 44,5 x 1 1/2 1,5 47 22 17 55 0,43 1 1/2 x 2 44,5 x 2 1,5 57,5 24 17 70 0,60 2 x 1 1/4 57 x 1 1/4 1,5 42 20 17 55 0,50 2 x 1 1/2 57 x 1 1/2 1,5 47 22 17 65 0,55 2 x 2 57 x 2 1,5 50 24 17 70 0,65 2 x 2 1/2 57 x 2 1/2 1,564,5 30 17 85 0,80

LÖTMU FFEN MIT SILBERL O TEINL A GE straight couplings with incorporated silver solder

Lötmuffen in Abmessungen anders als vorstehend sind ebenso lieferbar.. Straight couplings in sizes other than the above are also available.

08 – 22 eucaro 05 - 2015 > unions, capillary and welding fittings RA PN A mm d1 mm L1 mm L2 mm Gewicht kg/Stück weight kg/piece in nominal mm OD 8 63 12 6 20 9 0,01 1/8 10 63 15 8 20 9 0,02 1/4 12 63 17 10 20 9 0,02 1/4 14 63 20 12 22 10 0,03 3/8 16 63 22 14 22 10 0,03 1/2 20 63 27 18 22 10 0,05 3/4 25 63 32 22 22 10 0,06 1 30 63 37 27 24 11 0,07 1 1/4 38 63 45 35 32 15 0,12 1 1/2 44,5 63 52 41,5 33 15 0,17 2 57 63 65 54 33 15 0,22 2 1/2 76 63 84 72 45 20 0,40 3 89 63 100 85 55 25 0,57 4 108 63 120 103 65 30 0,69 5 133 25 146 128 70 32 0,84 6 159 25 171 154 70 32 1,10 7 194 25 207 188 80 37 1,34 8 219 25 232 213 80 37 1,70 Material: EUCA
Standards: EHN 9107/200
R O®10, CuNi10Fe1,6Mn

R EDU Z IER -LÖTMU FFEN

M IT SILBERL O TEINL A GE reducing couplings with incorporated silver solder

Reduzier-Lötmuffen in Abmessungen anders als vorstehend sind ebenso lieferbar..

Reducing couplings in sizes other than the above are also available.

08 – 23 eucaro 05 - 2015 >
Material: EUCA R O®10, CuNi10Fe1,6Mn Standards: EHN 9107/300
unions, capillary and welding fittings
RA1 x RA2 A1 mm A2 mm d1 mm d2 mm L1 mm L2 mm L3 mm Gewicht kg/Stück weight kg/piece in nominal mm OD 10 x 8 15 12 86 22 99 0,03 12 x 8 17 12 10 6 25 99 0,03 1/4 x 1/8 12 x 10 17 15 10 8 21 99 0,04 14 x 8 20 1212 6 30 10 9 0,04 1/4 x 1/8 14 x 10 20 15 12 8 26 10 9 0,04 3/8 x 1/8 16 x 10 22 15 14 8 28 10 9 0,05 3/8 x 1/4 16 x 12 22 17 14 10 27 10 9 0,06 1/2 x 1/4 20 x 12 27 17 18 10 33 10 9 0,06 1/2 x 3/8 20 x 16 27 22 18 14 27 1010 0,08 3/4 x 3/8 25 x 16 32 2222 14 33 1010 0,07 3/4 x 1/2 25 x 20 3227 22 18 27 1010 0,09 1 x 3/8 30 x 16 37 22 27 14 35 11 100,10 1 x 1/2 30 x 20 37 2727 18 31 11 100,10 1 x 3/4 30 x 25 37 3227 22 28 11 10 0,18 1 1/4 x 3/8 38 x 16 45 22 35 14 45 15 10 0,16 1 1/4 x 38 x 20 45 27 35 18 41 15 10 0,15 1 1/4 x 38 x 25 45 32 35 22 36 15 10 0,12 1 1/4 x 38 x 30 45 37 35 27 33 15 11 0,21 1 1/2 x 44,5 x 16 52 22 41,5 14 51 15 10 0,20 1 1/2 x 1/2 44,5 x 20 52 27 41,5 18 47 15 10 0,20 1 1/2 x 3/4 44,5 x 25 52 32 41,5 22 42 15 10 0,18 1 1/2 x 1 44,5 x 30 52 37 41,5 27 39 15 11 0,24 1 1/2 x 1 1/4 44,5 x 38 52 45 41,5 35 36 1515 0,23 2 x 3/8 57 x 16 65 22 54 14 62 15 10 0,28 2 x 1/2 57 x 20 65 27 54 18 58 15 10 0,29 2 x 3/4 57 x 25 65 32 54 22 54 15 10 0,29 2 x 1 57 x 30 65 37 54 27 50 15 11 0,31 2 x 1 1/4 57 x 38 65 45 54 35 47 1515 0,28 2 x 1 1/2 57 x 44,5 65 52 54 41,541 1515 0,28
63
PN

R EDU Z IERSTÜCK E S ILBERL O TEINL A GE X EINSTECKENDE IN LÖ TMU FF E O DER ANSCHWEISSENDE reducing inserts female capillary x male capillary insert

Material: EUCA R O®10, CuNi10Fe1,6Mn

Standards: EHN 9107/375

Reduzierstücke in Abmessungen anders als vorstehend sind ebenso lieferbar..

Reducing inserts in sizes other than the above are also available.

08 – 24 eucaro 05 - 2015 > unions, capillary and welding
fittings
RA1 x RA2 A1 mm d1 mm s mm L1 mm L2 mm L3 mm Gewicht kg/Stück weight kg/piece in nominal mm OD 10 x 8 15 8 1,0 25 9 11 0,01 12 x 8 17 10 1,0 26 9 11 0,02 1/4 x 1/8 12 x 10 17 10 1,0 25 9 11 0,02 14 x 8 20 12 1,0 28 10 11 0,02 1/4 x 1/8 14 x 10 20 12 1,0 27 10 11 0,02 3/8 x 1/8 16 x 10 22 14 1,0 28 10 11 0,03 3/8 x 1/4 16 x 12 22 14 1,0 27 10 11 0,03 1/2 x 1/4 20 x 12 27 18 1,0 30 10 11 0,03 1/2 x 3/8 20 x 16 27 18 1,0 29 10 12 0,03 3/4 x 3/8 25 x 16 32 22 1,5 31 10 12 0,04 3/4 x 1/2 25 x 20 32 22 1,5 29 10 12 0,04 1 x 3/8 30 x 16 37 27 1,5 35 11 12 0,05 1 x 1/2 30 x 20 37 27 1,5 33 11 12 0,05 1 x 3/4 30 x 25 37 27 1,5 30 11 12 0,06 1 1/4 x 3/8 38 x 16 45 35 1,5 43 15 12 0,06 1 1/4 x 1/2 38 x 20 45 35 1,5 41 15 12 0,07 1 1/4 x 3/4 38 x 25 45 35 1,5 38 15 12 0,07 1 1/4 x 1 38 x 30 45 35 1,5 37 15 13 0,09 1 1/2 x 1/2 44,5 x 20 52 41,5 1,5 44 15 12 0,09 1 1/2 x 3/4 44,5 x 25 52 41,5 1,5 42 15 120,12 1 1/2 x 1 44,5 x 30 52 41,5 1,5 41 15 130,13 1 1/2 x 1 1/4 44,5 x 38 52 41,5 1,5 41 15 17 0,14 2 x 3/4 57 x 25 65 54 1,5 49 15 12 0,14 2 x 1 57 x 30 65 54 1,5 48 15 13 0,19 2 x 1 1/4 57 x 38 65 54 1,5 48 15 17 0,21

LÖT-T- STÜCKE MIT S ILBERL O TEINL A GE

equal tees with incorporated silver solder

Material: EUCA R O®10, CuNi10Fe1,6Mn

Standards: EHN 9107/500

PN 63

Löt-T-Stücke in Abmessungen anders als vorstehend sind ebenso lieferbar..

Equal Tees in sizes other than the above are also available.

08 – 25 eucaro 05 - 2015 >
and
RA A mm d1 mm L1 mm L2 mm L3 mm Gewicht kg/Stück weight kg/piece in nominal mm OD 8 15 6 33 9 16,5 0,02 1/8 10 15 8 33 9 16,5 0,03 1/4 12 17 10 35 9 17,5 0,04 1/4 14 22 12 42 10 21 0,06 3/8 16 22 14 42 10 21 0,08 1/2 20 27 18 47 10 23,5 0,12 3/4 25 32 22 52 10 26 0,19 1 30 37 27 57 11 28,5 0,25 1 1/4 38 45 35 73 15 36,5 0,47 1 1/2 44,5 52 41,5 82 15 41 0,57 2 57 65 54 95 15 47,5 0,86
unions, capillary
welding fittings

R EDU Z IER -LÖT-T- STÜCK E M IT SILBERL O TEINL A GE reducing tees with incorporated silver solder

Material: EUCA R O®10, CuNi10Fe1,6Mn

EHN 9107/540

Reduzier-Löt-T-Stücke in Abmessungen anders als vorstehend sind ebenso lieferbar..

Reducing tees in sizes other than the above are also available.

08 – 26 eucaro 05 - 2015 > unions, capillary and welding fittings
Standards:
RA1 x RA2 A1 mm A2 mm d1 mm d2 mm L1 mm L2 mm L3 mm L4 mm Gewicht kg/Stück weight kg/piece in nominal mm OD 10 x 8 15 12 86 33 99 16,5 0,03 12 x 8 17 12 10 6 35 99 17,5 0,03 1/4 x 1/8 12 x 10 17 15 10 8 35 99 17,5 0,04 14 x 8 20 1212 642 10 9 21 0,05 1/4 x 1/8 14 x 10 20 15 12 842 10 9 21 0,06 3/8 x 1/8 16 x 10 22 15 14 8 47 10 9 23,5 0,07 3/8 x 1/4 16 x 12 22 17 14 10 47 10 9 23,5 0,08 1/2 x 1/4 20 x 12 27 17 18 10 47 10 9 23,5 0,09 1/2 x 3/8 20 x 16 27 22 8 14 47 1010 23,5 0,12 3/4 x 3/8 25 x 16 32 2222 14 52 1010 26 0,11 3/4 x 1/2 25 x 20 3227 22 18 52 1010 26 0,16 1 x 3/8 30 x 16 37 22 27 14 57 11 10 28,5 0,20 1 x 1/2 30 x 20 37 2727 18 57 11 10 28,5 0,25 1 x 3/4 30 x 25 37 3227 22 57 11 10 28,5 0,30 1 1/4 x 3/8 38 x 16 45 22 35 14 73 15 10 36,5 0,40 1 1/4 x 1/2 38 x 20 45 27 35 18 73 15 10 36,5 0,43 1 1/4 x 3/4 38 x 25 45 32 35 22 73 15 10 36,5 0,43 1 1/4 x 1 38 x 30 45 37 35 27 73 15 11 36,5 0,43 1 1/2 x 3/8 44,5 x 16 52 22 41,5 14 82 15 10 410,51 1 1/2 x 1/2 44,5 x 20 52 27 41,5 18 82 15 10 41 0,53 1 1/2 x 3/4 44,5 x 25 52 32 41,5 22 82 15 10 41 0,54 1 1/2 x 1 44,5 x 30 52 37 41,5 27 82 15 11 41 0,57 1 1/2 x 1 1/4 44,5 x 38 52 45 41,5 35 82 1515 41 0,59 2 x 1/2 57 x 20 65 27 54 18 95 15 10 47,5 0,65 2 x 3/4 57 x 25 65 32 54 22 95 15 10 47,5 0,70 2 x 1 57 x 30 65 37 54 27 95 15 11 47,5 0,75 2 x 1 1/4 57 x 38 65 45 54 35 95 1515 47,5 0,80 2 x 1 1/2 57 x 44,5 65 52 54 41,5 95 1515 47,5 0,86
63
PN

LÖTW IN K EL MIT S ILBERL O TEINL A GE

elbows with incorporated silver solder

Material: EUCA R O®10, CuNi10Fe1,6Mn

Standards: EHN 9107/600

PN 63

Lötwinkel in Abmessungen anders als vorstehend sind ebenso lieferbar.. Elbows in sizes other than the above are also available.

08 – 27 eucaro 05 - 2015 >
RA A mm d1 mm L1 mm L2 mm L3 mm Gewicht kg/Stück weight kg/piece in nominal mm OD 8 15 6 9 24 16,5 0,04 1/8 10 15 8 9 24 16,5 0,04 1/4 12 17 10 9 26 17,5 0,05 1/4 14 22 12 10 32 21 0,68 3/8 16 22 14 10 32 21 0,09 1/2 20 27 18 10 37 23,5 0,13 3/4 25 32 22 10 42 26 0,19 1 30 37 27 11 48 29,5 0,26 1 1/4 38 45 35 15 59 36,5 0,37 1 1/2 44,5 52 41,5 15 67 41 0,52 2 57 65 54 15 80 47,5 0,87
unions, capillary and welding fittings

ENDKAPPEN MIT S ILBERL O TEINL A GE end caps with incorporated silver solder

Material: EUCA R O®10, CuNi10Fe1,6Mn

Standards: EHN 9107/100

PN

Endkappen in Abmessungen anders als vorstehend sind ebenso lieferbar..

End caps in sizes other than the above are also available.

08 – 28 eucaro 05 - 2015 >
RA A mm L1 mm L2 mm Gewicht kg/Stück weight kg/piece in nominal mm OD 8 12 9 12 0,01 1/8 10 15 9 12,5 0,02 1/4 12 17 9 12,5 0,02 1/4 14 20 10 14 0,03 3/8 16 22 10 14 0,04 1/2 20 27 10 14,5 0,06 3/4 25 32 10 15 0,07 1 30 37 11 16 0,09 1 1/4 38 45 15 20 0,14 1 1/2 44,5 52 15 20,5 0,20 2 57 65 15 20,5 0,23
unions, capillary and welding fittings
63

VERSCH RA UBUNGEN M IT BUNDBUCHSE

ZU M LÖ TEN unions with collar

bushing for brazing

capillary x capillary ends

Material: EUCA R O®10, CuNi10Fe1,6Mn

Mutter / Nut: Messing / Brass

O-Ring: FPM

Standards: EHN 9308/700

PN 63

Verschraubungen in Abmessungen anders als vorstehend sind ebenso lieferbar..

Unions in sizes other than the above are also available.

08 – 29 eucaro 05 - 2015 >
RA A mm L1 mm L2 mm SW1 mm SW2 mm Gewicht kg/Stück weight kg/piece in nominal mm OD 8 12 40 22 22 17 0,05 1/8 10 15 44 26 27 22 0,09 1/4 12 17 45 27 27 24 0,11 1/4 14 20 50 30 32 27 0,18 3/8 16 22 52 32 36 32 0,24 1/2 20 27 58 38 41 36 0,31 3/4 25 32 61 41 46 41 0,44 1 30 37 67 45 50 46 0,45 1 1/4 38 45 79 49 60 55 0,73 1 1/2 44,5 52 80 50 70 60 1,08 2 57 65 93 63 85 80 1,54
unions, capillary and welding fittings

EINSCH RA UBVERS CH RA UBUNGEN MIT BUNDBUCHSE Z U M LÖ TEN

male unions with collar

bushing for brazing capillary end x male thread

Material: EUCA R O®10, CuNi10Fe1,6Mn

Mutter / Nut: Messing / Brass

O-Ring: FPM

Standards: EHN 9308/710

Einschraubverschraubungen in Abmessungen anders als vorstehend sind ebenso lieferbar..

Male unions in sizes other than the above are also available.

08 – 30 eucaro 05 - 2015 >
unions, capillary and welding fittings
RA1 x E A mm d1 mm L1 mm L2 mm SW1 mm SW2 mm Gewicht kg/Stück weight kg/piece in nominal mm x G" OD 8 x 1/8 12 4 47 8 22 17 0,10 8 x 1/4 12 6 51 12 22 19 0,09 8 x 3/8 12 8 51 12 22 22 0,14 8 x 1/2 12 6 56 14 22 27 0,17 1/8 10 x 1/4 15 6 52 12 27 22 0,15 1/8 10 x 3/8 15 8 52 12 27 22 0,14 1/8 10 x 1/2 15 8 57 14 27 27 0,19 1/8 10 x 5/8 15 8 59 14 27 32 0,20 1/4 12 x 1/4 17 6 53 12 27 24 0,13 1/4 12 x 3/8 17 8 53 12 27 24 0,15 1/4 12 x 1/2 17 10 57 14 27 27 0,18 1/4 12 x 5/8 17 10 59 14 27 32 0,21 1/4 12 x 3/4 17 10 61 16 27 32 0,23 1/4 14 x 3/8 20 8 59 12 32 27 0,22 1/4 14 x 1/2 20 10 61 14 32 27 0,24 1/4 14 x 5/820 12 63 14 32 32 0,25 1/4 14 x 3/4 20 12 65 16 32 32 0,25 1/4 14 x 1 20 12 70 18 32 41 0,30 3/8 16 x 1/2 22 10 64 14 36 320,27 3/8 16 x 5/8 22 12 64 14 36 32 0,31 3/8 16 x 3/4 22 14 66 16 36 32 0,35 3/8 16 x 1 22 14 71 18 36 41 0,33 3/8 16 x 1 1/4 22 14 76 20 36 500,36 1/2 20 x 5/8 27 12 68 14 41 36 0,45
PN 63

EINSCH RA UBVERS CH RA UBUNGEN MIT BUNDBUCHSE Z U M LÖ TEN

male unions with collar

bushing for brazing capillary end x male thread

Material: EUCA R O®10, CuNi10Fe1,6Mn

Mutter / Nut: Messing / Brass

O-Ring: FPM

Standards: EHN 9308/710

Einschraubverschraubungen in Abmessungen anders als vorstehend sind ebenso lieferbar..

Male unions in sizes other than the above are also available.

08 – 31 eucaro 05 - 2015 >
unions, capillary and welding fittings
RA1 x E A mm d1 mm L1 mm L2 mm SW1 mm SW2 mm Gewicht kg/Stück weight kg/piece in nominal mm x G" OD 1/2 20 x 3/4 27 14 70 16 41 36 0,47 1/2 20 x 1 27 18 74 18 41 41 0,72 1/2 20 x 1 1/4 27 18 79 20 41 50 0,49 1/2 20 x 1 1/2 27 18 83 22 41 55 0,53 3/4 25 x 5/8 32 12 70 14 46 41 0,59 3/4 25 x 3/4 32 14 72 16 46 41 0,63 3/4 25 x 1 32 22 75 18 46 41 0,53 3/4 25 x 1 1/4 32 22 80 20 46 50 0,67 3/4 25 x 1 1/2 32 22 84 22 46 55 0,69 1 30 x 3/4 37 14 77 16 50 46 0,72 1 30 x 1 37 22 80 18 50 46 0,75 1 30 x 1 1/4 37 27 83 20 50 50 0,78 1 30 x 1 1/2 37 27 87 22 50 55 0,80 1 30 x 1 3/4 37 27 92 24 50 65 0,86 1 1/4 38 x 1/4 45 14 86 16 60 55 1,00 1 1/4 38 x 1 45 22 89 18 60 55 1,07 1 1/4 38 x 1 1/4 45 27 91 20 60 55 1,10 1 1/4 38 x 1 1/2 45 35 93 22 60 55 0,90 1 1/4 38 x 1 3/4 45 35 98 24 60 65 1,19 1 1/2 44,5 x 1 52 22 92 18 70 60 1,17 1 1/2 44,5 x 1 1/4 52 27 94 20 70 60 1,23 1 1/2 44,5 x 1 1/2 52 35 96 22 70 60 1,30 1 1/2 44,5 x 1 3/4 52 41 100 24 70 65 1,15 1 1/2 44,5 x 2 52 41,5 101 24 70 70 1,57
PN 63

EINSCH RA UBVERS CH RA UBUNGEN MIT BUNDBUCHSE Z U M LÖ TEN

male unions with collar

bushing for brazing capillary end x male thread

Material: EUCA R O®10, CuNi10Fe1,6Mn

Mutter / Nut: Messing / Brass

O-Ring: FPM

Standards: EHN 9308/710

Einschraubverschraubungen in Abmessungen anders als vorstehend sind ebenso lieferbar..

Male unions in sizes other than the above are also available.

08 – 32 eucaro 05 - 2015 >
and
unions, capillary
welding fittings
RA1 x E A mm d1 mm L1 mm L2 mm SW1 mm SW2 mm Gewicht kg/Stück weight kg/piece in nominal mm x G" OD 2 57 x 1 1/4 65 27 103 20 85 80 1,35 2 57 x 1 1/2 65 35 105 22 85 80 1,46 2 57 x 1 3/4 65 41 107 24 85 80 1,72 2 57 x 2 65 48 107 24 85 80 2,05 2 57 x 2 1/2 65 54 117 30 85 85 1,36 PN 63

S CHOTTVERSCH RAUBUNGEN MIT BUNDBUCHSE Z U M LÖ TEN

bulkhead unions with collar bushing to screw on for brazing capillary x capillary ends

Material: EUCA R O®10, CuNi10Fe1,6Mn

Mutter / Nut: Messing / Brass

O-Ring: FPM

Standards: EHN 9511/510

Schottverschraubungen in Abmessungen anders als vorstehend sind ebenso lieferbar..

Bulkhead unions in sizes other than the above are also available.

08 – 33 eucaro 05 - 2015 >
and
unions, capillary
welding fittings
RA A mm L1 mm L2 mm SW1 mm Smax mm SW1 mm E (thread) G" Gewicht kg/Stück weight kg/piece in nominal mm OD 8 12 76 60 22 27 10 3/8 0,20 1/8 10 15 80 66 27 32 10 1/2 0,25 1/4 12 17 98 80 27 32 25 5/8 0,28 1/4 14 20 105 85 32 36 25 3/4 0,35 3/8 16 22 108 88 36 41 25 7/8 0,53 1/2 20 27 130 110 41 46 40 1 0,69 3/4 25 32 138 118 46 50 40 1 1/8 0,83 1 30 37 150 128 50 55 50 1 3/8 1,06 1 1/4 38 45 170 140 60 70 50 1 3/4 1,31 1 1/2 44,5 52 182 152 70 75 60 2 1,64 2 57 65 195 165 85 95 60 2 1/2 1,92
PN 63

S CHOTTVERSCH RA UBUNGEN MIT BUNDBUCHSE

ZU M LÖ TEN FÜR S CHOTTE BIS 16 MM DICK E

bulkhead unions with collar bushing to screw on for brazing suitable up to 16 mm thickness

capillary x capillary ends

Material: EUCA R O®10, CuNi10Fe1,6Mn

Mutter / Nut: Messing / Brass

O-Ring: FPM

Standards: EHN 9511/514

PN 63

Schottverschraubungen in Abmessungen anders als vorstehend sind ebenso lieferbar..

Bulkhead unions in sizes other than the above are also available.

08 – 34 eucaro 05 - 2015 >
unions, capillary and welding fittings
RA A mm C mm L mm l1 mm l2 mm SW1 mm SW2 mm SW3 mm d1 (thread) G" Gewicht kg/Stück weight kg/piece in nominal mm OD 8 12 6 94 76 29 22 27 17 3/8 0,20 1/8 10 15 8 100 82 33 2732 22 1/2 0,27 1/4 12 17 10100 82 33 2732 24 5/8 0,28 1/4 14 20 12 109 89 36 32 36 27 3/4 0,35 3/8 16 22 14 112 92 38 36 41 32 7/8 0,53 1/2 20 27 18 122 102 44 41 46 36 1 0,69 3/4 25 32 22 124 104 45 46 50 41 1 1/8 0,83 1 30 37 27132 110 48 50 55 46 1 3/8 1,06 1 1/4 38 45 35 150 120 54 60 70 55 1 3/4 1,43 1 1/2 44,5 52 41,5 158 128 60 707565 2 1,71 2 57 65 54 174 144 7185 95 80 2 1/2 1,99

VERSCH RA UBUNGEN M IT BUNDBUCHSE

ZU M S CHWEISSEN unions with collar bushing for butt welding

Verschraubungen in Abmessungen anders als vorstehend sind ebenso lieferbar..

Unions in sizes other than the above are also available.

08 – 35 eucaro 05 - 2015 >
RA L1 mm SW1 mm SW2 mm s mm Gewicht kg/Stück weight kg/piece in nominal mm OD 8 86 22 17 1,0 0,05 1/8 10 87 27 22 1,0 0,09 1/4 12 88 27 24 1,0 0,11 1/4 14 92 32 27 1,0 0,18 3/8 16 95 36 32 1,0 0,24 1/2 20 99 41 36 1,0 0,31 3/4 25 101 46 41 1,5 0,44 1 30 105 50 46 1,5 0,45 1 1/4 38 110 60 55 1,5 0,73 1 1/2 44,5 113 70 60 1,5 1,08 2 57 120 85 80 1,5 1,54 Material: EUCA R O®10, CuNi10Fe1,6Mn Mutter / Nut: Messing / Brass O-Ring: FPM Standards: EHN 9511/350
unions, capillary and welding fittings

EINSCH RA UBVERSCH RAUBUNGEN MIT BUNDBUCHSE Z U M S CHWEISSEN

male unions with collar

bushing for butt welding x male thread

Material: EUCA R O®10, CuNi10Fe1,6Mn

Mutter / Nut: Messing / Brass

O-Ring: FPM

Standards: EHN 9511/400

Einschraubverschraubungen in Abmessungen anders als vorstehend sind ebenso lieferbar..

Male unions in sizes other than the above are also available.

08 – 36 eucaro 05 - 2015 >
and
unions, capillary
welding fittings
RA x E s mm L1 mm L2 mm SW1 mm SW2 mm Gewicht kg/Stück weight kg/piece in nominal mm x G" OD 8 x 1/8 1 66 8 22 17 0,10 8 x 1/4 1 71 12 22 19 0,09 8 x 3/8 1 71 12 22 22 0,14 8 x 1/2 1 75 14 22 27 0,17 1/8 10 x 1/4 1 71 12 27 22 0,15 1/8 10 x 3/8 1 71 12 27 22 0,14 1/8 10 x 1/2 1 76 14 27 27 0,19 1/8 10 x 5/8 1 78 14 27 32 0,20 1/4 12 x 1/4 1 72 12 27 24 0,13 1/4 12 x 3/8 1 72 12 27 24 0,15 1/4 12 x 1/2 1 76 14 27 27 0,18 1/4 12 x 5/8 1 78 14 27 32 0,21 1/4 12 x 3/4 1 80 16 27 32 0,23 1/4 14 x 3/8 1 77 12 32 27 0,22 1/4 14 x 1/2 1 79 14 32 27 0,24 1/4 14 x 5/8 1 81 14 32 32 0,25 1/4 14 x 3/4 1 83 16 32 32 0,25 1/4 14 x 1 1 88 18 32 41 0,30 3/8 16 x 1/2 1 82 14 36 32 0,27 3/8 16 x 5/8 1 82 14 36 32 0,31 3/8 16 x 3/4 1 84 16 36 32 0,35 3/8 16 x 1 1 89 18 36 41 0,33 3/8 16 x 1 1/4 1 94 20 36 50 0,36 1/2 20 x 5/8 1 86 14 41 36 0,45 PN 63

EINSCH RA UBVERSCH RAUBUNGEN MIT BUNDBUCHSE Z U M S CHWEISSEN

male unions with collar

bushing for butt welding x male thread

Material: EUCA R O®10, CuNi10Fe1,6Mn

Mutter / Nut: Messing / Brass

O-Ring: FPM

Standards: EHN 9511/400

Einschraubverschraubungen in Abmessungen anders als vorstehend sind ebenso lieferbar..

Male unions in sizes other than the above are also available.

08 – 37 eucaro 05 - 2015 >
and
unions, capillary
welding fittings
PN 63 RA x E s mm L1 mm L2 mm SW1 mm SW2 mm Gewicht kg/Stück weight kg/piece in nominal mm x G" OD 1/2 20 x 3/4 1 88 16 41 36 0,47 1/2 20 x 1 1 92 18 41 41 0,72 1/2 20 x 1 1/4 1 97 20 41 50 0,49 1/2 20 x 1 1/2 1 101 22 41 55 0,53 3/4 25 x 5/8 1,5 88 14 46 41 0,59 3/4 25 x 3/4 1,5 90 16 46 41 0,63 3/4 25 x 1 1,5 93 18 46 41 0,53 3/4 25 x 1 1/4 1,5 98 20 46 50 0,67 3/4 25 x 1 1/2 1,5 102 22 46 55 0,69 1 30 x 3/4 1,5 94 16 50 46 0,72 1 30 x 1 1,5 97 18 50 46 0,75 1 30 x 1 1/4 1,5 100 20 50 50 0,78 1 30 x 1 1/2 1,5 104 22 50 55 0,80 1 30 x 1 3/4 1,5 109 24 50 65 0,86 1 1/4 38 x 3/4 1,5 99 16 60 55 1,00 1 1/4 38 x 1 1,5 102 18 60 55 1,07 1 1/4 38 x 1 1/4 1,5 104 20 60 55 1,10 1 1/4 38 x 1 1/2 1,5 106 22 60 55 0,90 1 1/4 38 x 1 3/4 1,5 111 24 60 65 1,19 1 1/2 44,5 x 1 1,5 105 18 70 60 1,17 1 1/2 44,5 x 1 1/4 1,5 107 20 70 60 1,23 1 1/2 44,5 x 1 1/2 1,5 109 22 70 60 1,30 1 1/2 44,5 x 1 3/4 1,5 113 24 70 65 1,15 1 1/2 44,5 x 2 1,5 114 24 70 70 1,57

EINSCH RA UBVERSCH RAUBUNGEN MIT BUNDBUCHSE Z U M S CHWEISSEN

male unions with collar

bushing for butt welding x male thread

Material: EUCA R O®10, CuNi10Fe1,6Mn

Mutter / Nut: Messing / Brass

O-Ring: FPM

Standards: EHN 9511/400

Einschraubverschraubungen in Abmessungen anders als vorstehend sind ebenso lieferbar..

Male unions in sizes other than the above are also available.

08 – 38 eucaro 05 - 2015 > unions, capillary and welding fittings
PN 63 RA x E s mm L1 mm L2 mm SW1 mm SW2 mm Gewicht kg/Stück weight kg/piece in nominal mm x G" OD 2 57 x 1 1/4 1,5 116 20 85 80 1,35 2 57 x 1 1/2 1,5 118 22 85 80 1,46 2 57 x 1 3/4 1,5 120 24 85 80 1,72 2 57 x 2 1,5 120 24 85 80 2,05 2 57 x 2 1/2 1,5 130 30 85 85 1,36

S CHOTTVERSCH RA UBUNGEN MIT BUNDBUCHSE

ZU M S CHWEISSEN

bulkhead unions with collar bushing for butt welding

Material: EUCA R O®10, CuNi10Fe1,6Mn

Mutter / Nut: Messing / Brass

O-Ring: FPM

Standards: EHN 9511/513

Schottverschraubungen in Abmessungen anders als vorstehend sind ebenso lieferbar..

the above are also available.

08 – 39 eucaro 05 - 2015 > unions, capillary and welding fittings
unions
sizes
RA ~L mm SW1 mm SW2 mm s1 max. mm s mm d1 (thread) G" Gewicht kg/Stück weight kg/piece in nominal mm OD 8 116 22 27 10 1,0 3/8 0,20 1/8 10 120 27 32 10 1,0 1/2 0,27 1/4 12 138 27 32 25 1,0 5/8 0,28 1/4 14 143 32 36 25 1,0 3/4 0,41 3/8 16 146 36 41 25 1,0 7/8 0,53 1/2 20 168 41 46 40 1,0 1 0,69 3/4 25 176 46 50 40 1,5 1 1/8 0,83 1 30 186 50 55 50 1,5 1 3/8 1,06 1 1/4 38 198 60 70 50 1,5 1 3/4 1,43 1 1/2 44,5 210 70 75 60 1,5 2 1,71 2 57 223 85 95 60 1,5 2 1/2 1,99
Bulkhead
in
other than

S CHOTTVERSCH RA UBUNGEN Z U M ANSCH RA UBEN

M IT BUNDBUCHSE Z UM

A NSCH RA UBEN FÜR

S CHOTTE BIS 16 MM

bulkhead unions to screw on with collar bushing for butt welding suitable for 16 mm deck thickness

Material: EUCA R O®10, CuNi10Fe1,6Mn

Mutter / Nut: Messing / Brass

O-Ring: FPM

Standards: EHN 9511/516

PN 63

Schottverschraubungen in Abmessungen anders als vorstehend sind ebenso lieferbar..

than the above are also available.

08 – 40 eucaro 05 - 2015 >
and
unions, capillary
welding fittings
unions
sizes
RA L1 mm L2 mm SW1 mm SW2 mm SW3 mm s mm d1 (thread) G" Gewicht kg/Stück weight kg/piece in nominal mm OD 8 134 58 22 27 17 1,0 3/8 0,20 1/8 10 140 62 27 32 22 1,0 1/2 0,27 1/4 12 140 62 27 32 24 1,0 5/8 0,28 1/4 14 147 65 32 36 27 1,0 3/4 0,35 3/8 16 150 67 36 41 32 1,0 7/8 0,53 1/2 20 160 73 41 46 36 1,0 1 0,69 3/4 25 162 74 46 50 41 1,5 1 1/8 0,83 1 30 168 77 50 55 46 1,5 1 3/8 1,06 1 1/4 38 178 83 60 70 55 1,5 1 3/4 1,43 1 1/2 44,5 186 89 70 75 65 1,5 2 1,71 2 57 202 100 85 95 80 1,5 2 1/2 1,99
Bulkhead
in
other
shipbuilding catalog 09 01 TECHNISCHE DATEN, WERKSTOFFEIGENSCHAFTEN TECHNICAL DATAS, MATERIAL PROPERTIES 02 ROHRE, SECHSKANT, RUND, BLECHE & PLATTEN PIPES, HEXAGON BARS, ROUND BARS, SHEETS & PLATES 03 VORSCHWEISSBUNDE, BÖRDEL & FLANSCHE, SCHOTTDURCHFÜHRUNGEN INNER & OUTER FLANGES, BULKHEAD PIECES 04 ROHRBOGEN ELBOWS 05 T-STUTZEN TEE-PIECES 06 REDUZIERSTÜCKE, GEWÖLBTE BÖDEN REDUCERS, END CAPS 07 SATTELSTUTZEN SADDLES 08 VERSCHRAUBUNGEN, LÖT- UND SCHWEISSFITTING UNIONS, CAPILLARY AND WELDING FITTINGS 09 SCHWEISSZUSATZSTOFFE CONSUMABLE WELDING MATERIAL 10 SOLUTIONS SOLUTIONS 11 ALLGEMEINE VERKAUFS- UND LIEFERBEDINGUNGEN TERMS OF DELIVERY eucaro copper nickel alloy > shipbuilding
SCHIFFBAUKATALOG

SCHWEISSZU S ATZ FÜR EUCARO ® 10

welding filler material for eucaro ®

CHEMIS C HE ZUSAMMENSET Z UNG / CHEMI C AL C OMPOSITIONS:

P HYSIKALIS C HE E IGENS C HAFTEN / P HYSI C AL PROPERTIES:

E QUIVALENTER N ORMENVERGLEI CH / E QIVALENT C OMPARISATION OF STAN -

L AGERLISTE / S TO C K LIST:

AN W ENDBARES SC HUT Z GAS / A PPLI CAB LE INERT GAS:

ANW ENDBARE SC HW EISSVERFAHREN / A PPLI CAB LE W EL D ING PRO CED URES:

ISO 24373 / ISO 24373:

Schweißstäbe werden auch in abweichenden Mengen geliefert. Für weitere Informationen zu Verarbeitungsrichtlinien stehen wir gerne zur Verfügung. Bitte sprechen Sie uns an.

Welding rods can be delivered in different quantities. Do not hesitate and contact us for any questions regarding processing guidelines.

AC HTUNG / ATTENTION:

Für das Schweißverfahren muß die Schweißnaht allseitig gut nachgearbeitet werden. Das MIG-Schweißverfahren ist nicht für dünnwandige Bauteile geeignet.

After MIG procedure the seam has to be reworked all-around. The MIG procedure is not suitable for thin-walled components.

mind.
min.
Argon 4.8 /
Argon 4.8
EUCARO ® 30 SZ Cu Ni Mn Fe Ti other min. % Rest 29,0 0,5 0,40,2max. % Rest 32,0 1,5 0,7 0,50,5 EUCARO ® 30 SZ Dichte / density 8,9 kg/dm3 Schmelzbereich / melting range 1180 - 1240 °C EUCARO ® 30 SZ DIN EN ISO 24373 DIN 1733 BS 2901 P.3 AWS A 5.7-84 S CuNi30 / Cu 7158 SG-CuNi30 Fe C18 ERCuNi
MIG oder WIG / MIG or TIG
Abmessung Dimensions mm Lieferform deliverable Verpackungseinheit Packing unit kg Zulassung Approved by 0,8 Draht/wire 151,2 Draht/wire 15 GL 1,6 Stab/rod 10 GL 2,0 Stab/rod 10 GL 2,4 Stab/rod 10 GL 3,2 Stab/rod 10 GL
09 – 01 eucaro 05 - 2015 > consumable welding material
shipbuilding catalog 10 01 TECHNISCHE DATEN, WERKSTOFFEIGENSCHAFTEN TECHNICAL DATAS, MATERIAL PROPERTIES 02 ROHRE, SECHSKANT, RUND, BLECHE & PLATTEN PIPES, HEXAGON BARS, ROUND BARS, SHEETS & PLATES 03 VORSCHWEISSBUNDE, BÖRDEL & FLANSCHE, SCHOTTDURCHFÜHRUNGEN INNER & OUTER FLANGES, BULKHEAD PIECES 04 ROHRBOGEN ELBOWS 05 T-STUTZEN TEE-PIECES 06 REDUZIERSTÜCKE, GEWÖLBTE BÖDEN REDUCERS, END CAPS 07 SATTELSTUTZEN SADDLES 08 VERSCHRAUBUNGEN, LÖT- UND SCHWEISSFITTING UNIONS, CAPILLARY AND WELDING FITTINGS 09 SCHWEISSZUSATZSTOFFE CONSUMABLE WELDING MATERIAL 10 SOLUTIONS SOLUTIONS 11 ALLGEMEINE VERKAUFS- UND LIEFERBEDINGUNGEN TERMS OF DELIVERY eucaro copper nickel alloy > shipbuilding
SCHIFFBAUKATALOG

PiPe systems rohrsysteme

eucaro > pipe systems copper nickel alloy
CuNi 90/10

ROHRLEITUNGSSYSTEME AUS EUCARO ® 10

pipe systems made from eucaro ®

10

WERKSTOFF-NORMENVERGLEICH / MA TERI AL A N D NORM COMPARISON : CHEMISCHE ZUS A MMENSETZUNG / CHEMIC A L COM P OSITION: Bezeichnung Designation DIN DIN Werkstoff Nr. EN BS EEMUA ASTM NF EUCARO ® 10 CuNi10 Fe1,6Mn 2.1972 CW 352H CN 102 UNS 7060 x C 70600 CuNi10 Fe1Mn Bezeichnung Designation Cu Ni Fe Mn C* Pb* S* Zn* P* Zr Sonst. other Dichte Densitiy kg/dm3 ca./approx. EUCARO ® 10 mind. Rest 10,00 1,500,50 -- ----- 8,90 max. Rest 11,00 1,801,00 0,05 0,01 0,0050,05 0,02 0,01 0,20 8,90 eucaro 07 - 2014 > pipe systems

+ Grundwerkstoff, Rohre und Formteile, fertiges Rohrleitungssystem von einem Hersteller

+ base material, pipes and fittings, complete pipe system from one manufacturer

+ Höchste Qualitätsgarantie in Material und Verarbeitung+ Highest quality for material and production guaranteed

+ Kosteneinsparung durch individuelle Auslegung des Systems nach Kundenwunsch

+ Strömungstechnisch optimaler Einsatz von Fittingen und Flanschen

+ Hohe Korrosionsbeständigkeit

+ cost savings according to individual customer specifications

+ flow-optimized usage of fittings and flanges

+ high corrosion resistance

+ Kein Biofouling + no biofouling

U NSER S ERVICE FÜR S IE / OUR SERVICES FOR Y OU :

+ Beratung während der Konstruktionsphase

+ Zeichnungsprüfung durch unsere Ingenieure

+ Bau von Komplettsystemen nach Ihren Isometrien

+ Kapazitäten:

Abmessungen von DN 20 -DN 800

Max. Gewicht bis 3 to.

+ consultation during construction

+ plan approval by our engineers

+ construction of complete systems based on your isometrics

+ capacity:

dimensions of DN 20 -DN 800 max. weight up to 3 tons.

V ORTEILE / AD VA NT A GES :
eucaro 07 - 2014 > pipe systems
PowDer coating spezialbeschichtung CuNi 90/10 eucaro > powder coating copper nickel alloy

INSTALLATION REQUIREMENTS

how to avoid galvanic corrosion

BETWEEN TIT A NIUM PLA TE COOLER AND CO PP ER NICKEL PIP E S Y STEMS

P ROBLEM:

Because of the different galvanic potentials Copper Nickel will be destroyed within a short period if no insulation steps are carried out.

SOLUTION:

Insulation up to the next flange connection by screws with shrinking hoses, insulating disc made from plastic and powder coating of the copper nickel pipeline up to the next flange connection.

AD VA NT A GES:

+ no galvanic corrosion

+ no erosion by sharp edge turbulences

disc
powder coated copper nickel pipe wrong installation of a copper nickel pipe and titanium cooler damages of a copper nickel pipe after six screw with shrinking hose and insulating disc shrinking hose powder coa-
insulating
outer flange steel galv.
screw copper nickel inner flange eucaro 07 - 2014 > powder coating
titanium plate gasket
INST A LL A TION G UI D ELINES:
powder coated pipeline install the sealing shuffle the shrinking hose about the bolt shuff le the plastic insulating disc about the bolt heat the shrinking hose, so that the shrinking hose is tight around the bolt
eucaro 07 - 2014 > powder coating
mounting of the nut
strainers grobfilter
90/10 eucaro > strainers copper nickel alloy
CuNi

G ROBFILTER, GESCHWEISST AUS

EUCARO ® 10

strainer, welded and made from eucaro ® 10

V ORTEILE / AD VA NT A GES:

+ Hohe Korrosionsbeständigkeit

+ Kein Biofouling

+ Wesentlich längere Lebensdauer als vergleichbare Stahl- oder Gussfilter

+ Keine galvanischen Korrosionsprobleme in CuNi10Fe1,6MnRohrleitungen

+ Individuelle Auslegung

+ Gewichtsvorteile gegenüber Gussfilter bzw. Stahl gummiert

+ Niedrigere Kosten im Verhältnis zur Qualität und Lebensdauer eines Gussfilters

+ high corrosion resistance

+ no biofouling

+ considerably longer life service than comparable steel or casted strainer

+ no galvanic corrosion in connected CuNi10Fe1,6Mn pipe systems

+ individual design

+ weight advantages compared to casted and rubber coated steel strainer

+ lower costs in relation to the quality and durability of a cast filter

eucaro > strainers 07 - 2014

WERKSTOFF-NORMENVERGLEICH

MATERI A LS P EZIFIK A TION / MA TERI A L S P ECIFIC A TION:

Gehäuse/body: EUCARO ® 10

Siebeinsatz/perforated basket: EUCARO ® 10

Lose Flansche/outer flanges: steel galv. St. 37 as per DIN, Ansi, EEMUA

Flexible Ausführung in Durchgangs- oder Eckform je nach Ihrer Anforderung. Dazu sind individuelle Anpassungen der äußeren Abmessungen an Ihre räumlichen Gegebenheiten möglich. Gemäß Anforderung wird die Lochung des Siebeinsatzes gewählt. Flanschanschlüsse sind nach nationalen und internationalen Normen möglich.

Flexible design in straight or angle type according to your request. Possible individual customization for external dimensions based on your special requirements. Baskets will be perforated on specified requests. Flange connections are available for national and international standards.

Als Siebeinsatz kann zwischen EUCARO ® 10 , Edelstahl oder pulverbeschichtetem Stahl gewählt werden, ebenso Rundoder Quadratlochung.

The perforated basket can be made from EUCARO ® 10, stainless steel or alternative from steel powder coated, as well as round or square perforation.

/ MA TERI AL A N D NORM COMPARISON : Bezeichnung Designation DIN DIN Werkstoff Nr. EN BS EEMUA ASTM NF EUCARO ® 10 CuNi10 Fe1,6Mn 2.1972 CW 352H CN 102 UNS 7060 x C 70600 CuNi10 Fe1Mn eucaro > strainers 07 - 2014
shipbuilding catalog 11 01 TECHNISCHE DATEN, WERKSTOFFEIGENSCHAFTEN TECHNICAL DATAS, MATERIAL PROPERTIES 02 ROHRE, SECHSKANT, RUND, BLECHE & PLATTEN PIPES, HEXAGON BARS, ROUND BARS, SHEETS & PLATES 03 VORSCHWEISSBUNDE, BÖRDEL & FLANSCHE, SCHOTTDURCHFÜHRUNGEN INNER & OUTER FLANGES, BULKHEAD PIECES 04 ROHRBOGEN ELBOWS 05 T-STUTZEN TEE-PIECES 06 REDUZIERSTÜCKE, GEWÖLBTE BÖDEN REDUCERS, END CAPS 07 SATTELSTUTZEN SADDLES 08 VERSCHRAUBUNGEN, LÖT- UND SCHWEISSFITTING UNIONS, CAPILLARY AND WELDING FITTINGS 09 SCHWEISSZUSATZSTOFFE CONSUMABLE WELDING MATERIAL 10 SOLUTIONS SOLUTIONS 11 ALLGEMEINE VERKAUFS- UND LIEFERBEDINGUNGEN TERMS OF DELIVERY eucaro copper nickel alloy > shipbuilding
SCHIFFBAUKATALOG

ALLGEMEINE VERKAUFS- UND LIEFERBEDINGUNGEN

1. VERTRAGSBEDINGUNGEN, ANZUWENDENDES R ECHT

a) Wir liefern und leisten nach Maßgabe unserer schriftlichen Auftragsbestätigung und diesen allgemeinen Lieferbedingungen. Entgegenstehende oder von diesen Lieferbedingungen abweichende Bedingungen werden für uns nur verbindlich, wenn wir sie ausdrücklich schriftlich anerkennen. Die Annahme der gelieferten Ware gilt als Anerkennung unserer Bedingungen.

b) Für alle Rechtsbeziehungen mit uns gilt das Recht der Bundesrepublik Deutschland; die Anwendung des Übereinkommens der Vereinten Nationen über Verträge über den internationalen Warenkauf vom 11.04.1980 ist ausgeschlossen.

2. PREIS, Z AHLUNG, S ICHERHEIT

a) Unsere Angebote sind freibleibend. Alle für unsere Lieferungen und Leistungen im Empfangsland anfallenden Steuern und sonstigen Abgaben gehen zu Lasten des Bestellers, sofern dies nicht anders vereinbart ist.

Bei einer wesentlichen Änderung unserer Bearbeitungskosten können wir eine angemessene Preisanpassung vornehmen. Metallpreisfixierungen können nachträglich nicht abgeändert werden.

b) Unsere Vertragserfüllung steht unter dem Vorbehalt, dass der Erfüllung keine Hindernisse aufgrund von nationalen oder internationalen Vorschriften des Außenwirtschaftsrechts sowie keine Embargos und/oder sonstige Sanktionen entgegenstehen.

c) Sofern nicht anders vereinbart, ist der Kaufpreis 30 Tage nach Rechnungsdatum zu bezahlen. Skonto gewähren wir nur nach Vereinbarung und nicht vor Ausgleich unserer übrigen fälligen Forderungen. Zahlungs- und Skontofristen laufen ab Rechnungsdatum; für die Einhaltung der Fristen ist der Tag des Zahlungseingangs maßgebend. Kosten und Spesen trägt der Besteller. Wechsel nehmen wir nur nach vorheriger Vereinbarung und erfüllungshalber an. Wir können bestimmen, auf welche unserer Forderungen eingehende Zahlungen verrechnet werden. Die Gutschrift von Wechseln und Schecks steht unter dem Vorbehalt der Einlösung.

d) Ab Fälligkeit sind wir berechtigt, Verzugszinsen in Höhe von 8 % über dem jeweiligen im Bundesanzeiger veröffentlichten Basiszinssatz zu berechnen.

e) Aufrechnung und Zurückbehaltung durch den Besteller sind nur zulässig, wenn der Gegenanspruch rechtskräftig festgestellt oder unbestritten ist.

f) Ist die Durchführung des Vertrages durch mangelnde Leistungsfähigkeit des Bestellers gefährdet, die auch bei einer Streichung des Kreditlimits einer Warenkreditversicherung vorliegt, können wir die uns obliegende Leistung verweigern und darüber hinaus sämtliche eingeräumten Zahlungsziele widerrufen sowie Vorauszahlung als Sicherheit verlangen. Daneben besteht für uns das Recht zum Rücktritt vom Vertrag. Gerät der Besteller in Zahlungsverzug, sind wir berechtigt, die Ware zurückzunehmen und hierfür den Betrieb des Bestellers zu betreten. Wir können außerdem die Weiterveräußerung, -verarbeitung und Wegschaffung der gelieferten Ware untersagen.

3. METALLKONTRAKTE

a) Bestellt ein Besteller bei uns Metall zum aktuell gültigen Metallpreis zum Zwecke einer späteren Bearbeitung durch uns („Metallkontrakt“), so kommt der Vertrag durch unsere Kontraktbestätigung zustande, mit der wir Art, Menge, Preis und Fälligkeit der Fixierung bestätigen.

b) Der Besteller ist innerhalb der in der Kontraktbestätigung aufgeführten Einteilfrist verpflichtet, uns eine Bestellung für das gewünschte Produkt zur Lieferung innerhalb der Abnahmefrist zu übermitteln, die die Produktspezifikationen (Produkt, Menge, Lieferzeit) enthält. Der Preis setzt sich aus dem im Metallkontrakt festgelegten Metallpreis und dem zum Zeitpunkt der Bestellung gültigen Bearbeitungspreis zusammen.

c) Nach Ablauf der Abnahmefrist sind wir berechtigt, einen Preisaufschlag von 1 % pro angefangenen Monat auf die nicht abgenommene Menge zu berechnen. Wir sind jederzeit berechtigt, nach Ablauf der Abnahmefrist dem Besteller die nicht abgenommenen Mengen zur sofortigen Bezahlung, einschließlich der aufgelaufenen Verzinsung, in Rechnung zu stellen. Die Menge des bezahlten Metalls wird auf dem bestehenden oder noch zu eröffnenden Metallkonto (Umarbeitungskonto) im Verhältnis 1 : 1 gutgeschrieben. Sollte die Abwicklung über ein Metallkonto nicht möglich sein, insbesondere bei bestimmten Auslandsmärkten oder Rohren für Haustechnik, oder nicht unseren berechtigten Interessen entsprechen, sind wir nach Ablauf der Abnahmefrist berechtigt, den Besteller

11 – 01 eucaro 05 - 2015 > terms of delivery

per Mahnschreiben zur Ausführung der Bestellung innerhalb von sieben Tagen aufzufordern. Lässt der Besteller auch diese Frist fruchtlos verstreichen, haben wir das Recht, die Fixierung zu stornieren und dem Besteller die Differenz zwischen dem Fixierungspreis gemäß Kontraktbestätigung und dem Metallpreis zum Tagespreis der LME am Datum der Stornierung des Auftrags sowie die aufgelaufene Verzinsung und etwaige anfallende Kosten in Rechnung zu stellen.

d) Für den Fall, dass wir im Hinblick auf den Metallkontrakt gegenüber dem Broker Sicherheit leisten müssen, sind wir berechtigt, diese Sicherheit in gleicher Höhe und zum gleichen Zeitpunkt beim Besteller einzufordern.

e) Wird während der Laufzeit eines Metallkontrakts über das Vermögen des Bestellers ein Insolvenzverfahren oder ein vergleichbares Verfahren eröffnet, und entscheidet sich der Insolvenzverwalter gegen die weitere Durchführung des Vertrages, werden unsere sämtlichen Forderungen auf Zahlung von noch nicht geliefertem und/oder noch nicht übereignetem Metall rückwirkend zum Zeitpunkt der Insolvenzeröffnung fällig.

4. UM ARBEITUNGSGESCHÄFTE

a) Die Metalldeckung für Umarbeitungsaufträge muss spätestens 6 Wochen vor dem Auslieferungstermin auf dem Metallkonto gegeben sein. Für die Feststellung der Gewichte des zur Verfügung gestellten Metalls sind ausschließlich unsere Messungen maßgeblich. Bei Abweichungen von den Angaben des Bestellers, werden wir die Wiegeergebnisse durch entsprechende Dokumente belegen.

b) Wir behalten uns das Recht vor, gegen überfällige Forderungen gegen den Besteller sein Guthaben aus dem angelieferten Metall zu dem dann gültigen Tagespreis zu verrechnen.

c) Der Besteller gewährleistet hinsichtlich des von ihm zur Verfügung gestellten Metalls einen Feuchtigkeitsgehalt der sich im Rahmen der einschlägigen DIN bzw. EN-Normen hält. Bei höherer Feuchtigkeit erfolgt ein entsprechender Gewichtsabzug.

5. G EFAHR, A USLIEFERUNG, H ANDELSKLAUSELN, ÖFFENTLICHE N OR M EN

a) Jede Gefahr geht spätestens auf den Besteller über, wenn die Ware das Lieferwerk verlässt, abhol- oder versandbereit gemeldet wird.

b) Der Besteller kann Teillieferungen nicht zurückweisen. Bei Versendung bestimmen wir Spediteur, Frachtführer und Versandweg.

c) Für alle Handelsklauseln gelten die INCOTERMS® 2010.

d) Für die im Bestelltext aufgeführten öffentlichen nationalen oder internationalen Normen ist die jeweils gültige Ausgabe der Norm anzuwenden.

6. L IEFERZEIT P UNKT, L IEFERBEHINDERUNG, VERZUG

a) Lieferfristen und -termine bezeichnen stets nur den ungefähren Lieferzeitpunkt ab Werk oder Lager.

b) Unsere Lieferverpflichtung steht unter dem Vorbehalt rechtzeitiger und richtiger Selbstbelieferung, insbesondere im Falle der Lohnbearbeitung, es sei denn, die nicht rechtzeitige oder verspätete Belieferung oder Nichtbelieferung ist durch uns verschuldet.

c) Verzögert sich die Lieferung durch höhere Gewalt, so wird eine den Umständen angemessene Verlängerung der Lieferzeit gewährt. Diese Bestimmung gilt unabhängig davon, ob der Grund für die Verzögerung vor der vereinbarten Lieferfrist oder zu einem Zeitpunkt eintritt, in dem sich der betroffene Vertragspartner in Verzug befindet. Der höheren Gewalt stehen Betriebsstörung, Fabrikationsausfall, Beschaffungsschwierigkeiten, Arbeitskampf und sonstige Umstände, die uns die Lieferung wesentlich erschweren, gleich.

d) Wir kommen in jedem Fall nur in Verzug, wenn wir nach Fälligkeit auf schriftliche Mahnung des Bestellers aus von uns zu vertretenden Gründen nicht binnen angemessener Nachfrist leisten. Voraussetzung ist weiterhin, dass der Besteller nicht selbst mit einer Verpflichtung aus der Geschäftsverbindung in Verzug ist.

e) Beruht unser Verzug auf leichter Fahrlässigkeit, ist unsere Schadensersatzhaftung ausgeschlossen, es sei denn, es handelt sich um Schäden an Leben, Körper und Gesundheit. Hilfsweise beschränken wir unsere Haftung aus Verzug im Falle leichter Fahrlässigkeit auf den typischerweise vorhersehbaren Schaden.

7. E IGENTU MSV ORBEHALT

a) Die Ware bleibt unser Eigentum bis zur endgültigen Erfüllung sämtlicher gegenwärtigen und künftigen Ansprüche aus der Geschäftsverbindung mit dem Besteller.

b) Bei der Verarbeitung unserer Waren durch den Besteller gelten wir als Hersteller, ohne dass uns hieraus Verpflichtungen entstehen, und erwerben Eigentum an den neu entstehenden Waren. Erfolgt die Verarbeitung zusammen mit anderen Materialien, erwerben wir Miteigentum im Verhältnis des Rechnungswertes unserer Waren zu dem der anderen Materialien. Ist im Falle der Verbindung oder Vermischung unserer Waren mit einer Sache des Käufers diese als Hauptsache anzusehen, geht das Miteigentum an

11 – 02 eucaro 05 - 2015 > terms of delivery

der Sache in dem Verhältnis des Rechnungswertes unserer Waren zum Rechnungswertes oder -mangels eines solchen – zum Verkehrswert der Hauptsache auf uns über. Der Besteller gilt in diesen Fällen als Verwahrer.

c) Alle Forderungen aus dem Verkauf von Waren, an denen uns Eigentumsrechte zustehen, tritt der Besteller schon jetzt im Umfang unseres Eigentumsanteils an den verkauften Waren zur Sicherung an uns ab.

d) Der Besteller ist berechtigt, über die in unserem Eigentum stehenden Waren im ordentlichen Geschäftsgang zu verfügen und die abgetretenen Forderungen einzuziehen, solange er seinen Verpflichtungen aus der Geschäftsverbindung mit uns rechtzeitig nachkommt – insbesondere die Zahlungsbedingungen einhält – und eine Gefährdung unserer Eigentumsvorbehaltsrechte ausgeschlossen erscheint.

Andernfalls sind wir berechtigt, auch ohne Ausübung des Rücktritts und ohne Nachfristsetzung, auf Kosten des Bestellers die einstweilige Herausgabe der in unserem Eigentum stehenden Waren zu verlangen. Auf unser Verlangen hat uns der Besteller den Zutritt zur Bestandsaufnahme und Inbesitznahme unserer Waren zu gewähren. Außerdem sind wir zum Widerruf des Rechts des Forderungseinzugs berechtigt.

e) Auf unser Verlangen hat uns der Besteller alle erforderlichen Auskünfte über den Bestand der in unserem Eigentum stehenden Waren und über die vorstehend an uns abgetretenen Forderungen zu geben sowie seine Abnehmer von der Abtretung in Kenntnis zu setzen.

f) Übersteigt der Wert der Sicherheiten unsere Forderungen um mehr als 20 %, so werden wir auf Verlangen des Bestellers insoweit Sicherheiten nach unserer Wahl freigeben.

8. G EWICHT, S TÜCKZAHL, MA SS E, Z USTAND, W ERKSTOFFE, A BWEICHUNGEN

a) Eine Abweichung in Gewicht, Stückzahl oder Spezifikation der gelieferten Ware von unseren Angaben in Lieferschein und Rechnung ist vom Besteller nachzuweisen.

b) Je nach Art der Fabrikate sind uns Mehr- oder Minderlieferungen auf die vereinbarten Gewichte oder die Stückzahl bis zu 10 % gestattet. Für die vorgeschriebenen Werte gelten die Toleranzen der jeweils gültigen DIN-Ausgabe, ansonsten die handelsüblichen zulässigen Abweichungen. Bezugnahmen auf Normen, Werkstoffblätter, Werksprüfbescheinigungen u. ä. sind keine Garantie für die Beschaffenheit der Ware.

9. G EWÄHRLEISTUNG

a) Die Ware ist unverzüglich gemäß § 377 HGB zu untersuchen. Sachmängel, Falschlieferungen und Fehlmengen sind, soweit diese durch zumutbare Untersuchungen feststellbar sind, unverzüglich, spätestens jedoch 2 Wochen nach Erhalt der Ware schriftlich anzuzeigen. Zeigt sich später ein bei der ersten Untersuchung nicht erkennbarer Mangel, so ist er –unter sofortiger Einstellung etwaiger Be- oder Verarbeitung – unverzüglich, spätestens jedoch 2 Wochen nach der Entdeckung schriftlich anzuzeigen.

b) Unterlässt der Besteller die rechtzeitige Anzeige, so gilt die Ware in Ansehung des Mangels als genehmigt. Das Gleiche gilt, wenn uns der Besteller nicht unverzüglich nach unserem Verlangen eine sachgerechte Prüfung des Mangels ermöglicht. Be- oder verarbeitet der Besteller die Ware, dürfen wir davon ausgehen, dass sich die Sache für die Verwendung des Bestellers eignet.

c) Bei nicht nur unerheblichen Sach- und Rechtsmängeln sind wir ergänzend zu den gesetzlichen Bestimmungen wie folgt berechtigt:

Wir sind berechtigt, zweimal nachzubessern. Ergibt sich aus der Art der Sache oder des Mangels oder den sonstigen Umständen, dass die Nachbesserung damit noch nicht fehlgeschlagen und dies dem Vertragspartner zuzumuten ist, sind wir zu weiteren Nachbesserungen berechtigt. Ist die Nachbesserung fehlgeschlagen, ist der Vertragspartner berechtigt, zu mindern oder nach seiner Wahl vom Vertrag zurückzutreten.

d) Aus mangelhaften Teillieferungen kann der Besteller keine Rechte hinsichtlich der übrigen Teillieferungen herleiten.

10. T ECHNISCHE B ERATUNG, G ARANTIE

a) Technische Beratung geben wir nach bestem Wissen und Können. Sie ist jedoch unverbindlich und befreit den Besteller nicht von eigenen Prüfungen und Versuchen. Für die Beachtung gesetzlicher und behördlicher Vorschriften bei der Verwendung unserer Waren ist der Besteller verantwortlich.

b) Angaben über Lieferumfang, Maße, Gewichte, Werkstoffe, Aussehen und Leistungen dienen zur Bezeichnung des Liefergegenstandes und sind keine Beschaffenheitsund Haltbarkeitsgarantie. Eine Garantieübernahme muss zu ihrer Rechtswirksamkeit ausdrücklich und schriftlich erfolgen. Fehlt der Ware im Zeitpunkt des Gefahrenübergangs eine derart garantierte Eigenschaft, richten sich die Rechte des Bestellers ausschließlich nach den gesetzlichen Bestimmungen.

11 – 03 eucaro 05 - 2015 > terms of delivery

11. A LLGE M EINE

H AFTUNGSBEGRENZUNG

a) Beruht unsere Verpflichtung zum Schadensersatz auf der nur leicht fahrlässigen Verletzung wesentlicher Vertragspflichten, begrenzen wir unsere Schadensersatzhaftung, die unserer gesetzlichen Vertreter oder Erfüllungsgehilfen auf den vertragstypischen vorhersehbaren Schaden, es sei denn, es handelt sich um Schäden an Leben, Körper oder Gesundheit.

b) Beruht unsere Verpflichtung zum Schadensersatz auf der nur leicht fahrlässigen Verletzung von nicht wesentlichen Nebenpflichten, schließen wir unsere Haftung, die unserer gesetzlichen Vertreter oder unserer Erfüllungsgehilfen aus, es sei denn, es handelt sich um Schäden an Leben, Körper oder Gesundheit.

c) In allen anderen Fällen einer Haftung auf Schadensersatz aufgrund fahrlässiger Pflichtverletzung, gleich welcher Rechtsgrundlage, wird unsere Haftung auf Schadensersatz auf den vertragstypischen, für uns vorhersehbaren Schaden begrenzt.

d) Hilfsweise schließen wir unsere Schadensersatzhaftung, die unserer gesetzlichen Vertreter oder Erfüllungsgehilfen aus, soweit uns eine leichte fahrlässige Verletzung einer Vertragspflicht zur Last fällt, die ihrer Art und ihrer Folge nach nicht den Vertragszweck gefährdet, es sei denn, es handelt sich um Schäden an Leben, Gesundheit oder Körper.

e) Auf Ansprüche nach dem Produkthaftungsgesetz finden die vorstehenden Bestimmungen keine Anwendung.

f) Werden wir auf Schadensersatz aus Produzentenhaftung nach § 823 BGB in Anspruch genommen, begrenzen wir unsere Haftung über die vorstehenden Bestimmungen hinaus auf die Ersatzleistung unseres Haftpflichtversicherers. Die Deckungssumme ist schadens-, vertrags- und sachtypisch abgeschlossen. Soweit die Versicherung nicht oder nicht vollständig eintritt, bleibt unsere Haftung, begrenzt auf die Höhe der Versicherungssumme, unberührt. Ist die Versicherungssumme nicht schadens-, vertrags- und sachtypisch abgeschlossen, begrenzen wir unsere Haftung in diesen Fällen auf den schadens-, vertrags- und/oder sachtypischen Schadensbetrag.

g) Der Besteller ist verpflichtet, unverzüglich nach Entdeckung eines Mangels darauf hinzuwirken, dass weitere Schäden unbedingt vermieden werden. Mit der Mängelanzeige hat der Besteller den von ihm erwarteten Schadensbetrag zu beziffern. Unverzüglich nach Eintritt von Umständen, die die Höhe des Schadens beeinflussen können, wird der Besteller uns schriftlich darauf hinweisen. Unterlässt der Besteller diesen Hinweis, sind wir nicht verpflichtet, Vermögensschäden über diesen Betrag hinaus zu erstatten.

12. VERJÄHRUNG

Sämtliche Gewährleistungs- und Schadensersatzansprüche – gleich aus welchem Rechtsgrund – verjähren in 12 Monaten von der Lieferung oder Leistung an, bei Vereinbarung einer längeren Gewährleistungsfrist mit deren Ablauf, sofern nicht das Gesetz gemäß §§ 438 Abs. 1 Nr. 2, 479 Abs. 1 und 634a Abs. 1 BGB zwingend längere Fristen vorschreibt.

13. S CHUTZRECHTE D RITTE, R ECHTE AN W ERKZEUGEN, VERTRAULICHKEIT

a) Werden bei Lieferungen nach Zeichnungen oder sonstigen Angaben des Bestellers Schutzrechte Dritter verletzt, stellt uns der Besteller von sämtlichen Ansprüchen frei.

b) Durch vollständige oder teilweise Vergütung von Werkzeugkosten erwirbt der Besteller keine Rechte an den Werkzeugen selbst.

c) Sämtliche in unseren Unterlagen wie z.B. Zeichnungen, Mustern, Kalkulationen enthaltenen Informationen dürfen Dritten nicht zugänglich gemacht werden, es sei denn es liegt eine bestimmungsgemäße Verwendung vor oder wir haben hierzu vorab unsere ausdrückliche schriftliche Zustimmung erteilt.

14. E RFÜLLUNGSORT, G ERICHTSSTAND

a) Erfüllungsort für die Lieferung und Zahlung ist der Geschäftssitz Bremen.

b) Ist der Besteller Vollkaufmann, so ist der Gerichtsstand Bremen.

11 – 04 eucaro 05 - 2015 > terms of delivery

GENERAL TERMS AND CONDITIONS ON SALES AND DELIVERIES

1. C ONTRACTUAL TER MS, A PP LICABLE LAW

a) Our written confirmation of order and these general terms of delivery shall exclusively apply to supplies and services provided by us. Conflicting terms or those deviating from these terms of delivery only become binding for us if we expressly accept them in writing. Acceptance of the delivered goods is deemed to be acceptance of our conditions.

b) The law of the Federal Republic of Germany shall apply to all legal relations with us; the application of the United Nations Convention on Contracts for the International Sale of Goods of 11.04.1980 is excluded.

2. Prices, payment, security

a) Our offers are made without obligation. All taxes and other levies incurred for our deliveries and performance in the country of receipt shall be borne by the buyer unless this has been otherwise agreed. We can make a reasonable price adjustment in the case of a significant alteration to our processing costs. Fixed metal prices cannot be altered subsequently.

b) Our obligation to fulfil the contract is subject to the proviso that fulfilment is not prevented by any impediments arising out of legal national and international foreign trade and customs requirements or any embargos or other sanctions.

c) Unless otherwise agreed, payment of the purchase price must be made within 30 days after date of invoice. We only grant prompt payment discounts by agreement and not until settlement of our other due claims. Payment and prompt payment discount periods shall run from the invoice date; the date of receipt of payment shall be definitive for compliance with the deadlines. Costs and expenses shall be borne by the buyer; we only accept bills of exchange if agreed in advance and in lieu of performance. We can determine against which of our claims received payments are set off. Crediting bills of exchange and cheques is subject to them being paid.

d) If periods for payment are exceeded, we are entitled to charge default interest in the amount of 8 % above the base interest rate which is published in the Federal Gazette.

e) Set-off and retention by the buyer are only permissible if the counterclaim has been determined by law or is undisputed. f If the execution of the contract is jeopardised due to a lack of solvency on the part of the buyer, which shall also be applicable if the credit limit of a trade credit insurance

is cancelled, we can refuse to perform the contract and furthermore we can revoke all periods granted for payment and demand advance payment as security. In addition, we have the right to withdraw from the contract. If the buyer is in default of payment, we are entitled to take back the goods and accordingly to enter the buyer’s premises. We can moreover prohibit the resale and further processing and the removal of the goods supplied.

3. Metal contracts

a) If the buyer places an order with us for metal at the current metal price for the purposes of subsequent processing by us (“metal contract”), the contract shall come into force with our contract confirmation with which we confirm the type, quantity, price and due date of the fixing.

b) The buyer is obliged to forward to us, within the allocation time limit stated in the contract confirmation, a purchase order for the desired product for delivery within the period for taking delivery, which contains the product specifications (product, quantity, delivery period). The price is made up out of the metal price stipulated in the metal contract and the processing price valid at the time the purchase order was made.

c) After expiry of the period for taking delivery, we are entitled to charge a price mark-up of 1 % per commenced month on the quantity not delivered. We are at all times entitled, after expiry of the period for taking delivery, to invoice the buyer for the quantities not delivered for immediate payment, including the cumulative interest. The quantity of the paid metal will be credited in a ratio of 1:1 either to the existing metal account or the metal account (conversion account) still to be opened. Should processing not be possible via a metal account, in particular in the case of certain overseas markets or tubes for domestic applications, or not be in accordance with our legitimate interests, we are entitled, after expiry of the period for taking delivery, to require the buyer by written demand to execute the purchase order within seven days. If the buyer has also allowed this deadline to expire without result, we shall be entitled to cancel the fixing and invoice the buyer for the difference between the fixing price according to the contract confirmation and the metal price at the market price of the LME on the date of the cancellation of the order, as well as the cumulative interest and any costs incurred.

11 – 05 eucaro 05 - 2015 > terms of delivery

d) In the event that we have to provide security to the broker with regard to the metal contract, we are entitled to demand this security in the same amount and on the same date from the buyer.

e) If insolvency proceedings or comparable proceedings are commenced in respect of the assets of the buyer during the term of a metal contract, and the insolvency administrator decides against continuing with the contract, all of our claims for payment of metal not yet delivered and/ or not yet assigned will become due with retrospective effect as at the date of the commencement of the insolvency proceedings.

4. Conversion orders

a) The metal cover for conversion orders must be present on the metal account at the latest 6 weeks before the delivery date. Our measurements shall be exclusively applicable for determining the weights of the metal provided. In the case of deviations from the details provided by the buyer, we shall substantiate the weighing results by means of appropriate documents.

b) We reserve the right to offset overdue accounts due from the buyer against its credit balance from the delivered metal at the market price then valid.

c) The buyer warrants a moisture content regarding the metal provided by it, which is within the scope of the relevant DIN or EN Standards. If the moisture is higher, a corresponding weight deduction is made.

5. Risk, delivery, trade terms, public standards

a) All risk shall pass to the buyer when the goods leave our shipping depot or when they are reported to be ready for collection or dispatch.

b) The buyer cannot reject part deliveries. In the case of shipment, we shall determine the forwarder, carrier and route of shipment.

c) INCOTERMS® 2010 shall apply to all trade terms.

d) The last valid edition of the standard shall apply to the public national or international standards stated in the order text.

6. Time of delivery, impediment to delivery, default

a) Delivery periods and dates always only indicate the approximate time of delivery ex works or warehouse.

b) Our obligation to effect delivery shall be subject to correct delivery to ourselves in due time, in particular in the

case of subcontracting, unless the unpunctual or delayed delivery or non-delivery is our fault.

c) If the delivery is delayed due to force majeure, then a reasonable extension to the delivery period in accordance with the circumstances shall be granted. This provision shall be applicable irrespective of whether the reason for the delay occurs before the agreed delivery period or at a time when the affected contracting party is in default. Operational breakdowns, loss of production, procurement difficulties, industrial disputes and other circumstances which make the delivery significantly more difficult for us shall be equivalent to force majeure.

d) We shall only be in default in all cases if after the due date we do not effect performance within a reasonable additional period following a written reminder from the buyer on account of reasons for which we are responsible. A prerequisite is furthermore that the buyer itself is not in default with an obligation arising from the business relationship.

e) If our default is due to slight negligence, then our liability for damages is excluded, unless it is a case of death, physical injury or damage to health. Alternatively, we limit our liability arising from default in the case of slight negligence to the typically foreseeable loss.

7. Reservation of title

a) The goods shall remain our property until the final performance of all current and future claims arising from the business relationship with the buyer.

b) In the case of processing of our goods by the buyer, we shall be regarded as the manufacturer, without us thus incurring obligations, and shall acquire ownership of the newly created articles. If the processing is undertaken together with other materials, we shall acquire co-ownership in proportion to the invoice value of our goods to the invoice value of the other materials.

If in the case of the joining or mixing of our goods with an article of the buyer, this article is to be regarded as the principal article; co-ownership of the article shall pass to us in proportion to the invoice value of our goods to the invoice value or – if no such value applies – market value of the principal article. In these cases, the buyer shall be regarded as bailee.

c) The buyer already now assigns to us by way of security all claims arising from the sale of goods in which we are entitled to ownership rights in the amount of our ownership share of the sold goods.

d) The buyer is entitled to dispose of the goods subject to our ownership rights in the ordinary course of business and to collect the assigned claims as long as it meets its obligations in due time from the business relationship with us, and in

11 – 06 eucaro 05 - 2015 > terms of delivery

particular complies with the terms of payment provided always that our rights in relation to our reservation of title are not endangered. Otherwise we are entitled, also without withdrawing from the contract and without setting an additional period for performance, to demand at the buyer’s expense the interim surrender of the goods subject to our ownership. At our request, the buyer must grant us access to take an inventory and to take possession of our goods. We are furthermore entitled to revoke the right to collect claims.

e) At our request, the buyer must give us all necessary information on the stock of the goods subject to our ownership and on the claims assigned to us above and must also notify its purchasers of the assignment.

f) If the value of the securities exceeds our claims by more than 20 %, then we shall accordingly release securities of our choice at the buyer’s request.

8. Weight, unit number, dimensions, condition, alloys, deviations

a) A deviation in weight, unit number or specifications of the supplied goods from our details in the delivery note and invoice must be proved by the buyer.

b) Depending on the type of the products, we are entitled to make excess or short deliveries of up to 10 % with regard to the agreed weights or the unit number. The tolerances of the respectively valid German Industrial Standard edition shall apply to the prescribed values; otherwise the customary permissible deviations apply. References to standards, material data sheets, works test certificates, etc. are no guarantee for the condition of the goods.

9. Warranty

a) The goods must be examined without delay in accordance with § 377 HGB (Commercial Code). Material defects, wrong deliveries and wrong quantities, if they can be ascertained by reasonable examination, must be notified without delay in writing, at the latest, however, 2 weeks after receipt of the goods. If a defect later becomes apparent which was not recognisable upon the initial examination, then it must be notified – with the immediate cessation of any treatment or processing – without delay in writing, at the latest, however, 2 weeks after discovery.

b) If the buyer fails to make notification in due time, then the goods shall be considered to have been accepted with regard to the defect. The same shall be applicable if the buyer does not enable us to undertake a proper examination of the defect without delay after our request. If the buyer treats or processes the goods, then we may presume that the goods are suitable for the buyer’s purpose.

c) In the case of not just insignificant material and legal defects, we are entitled to take the following action in addition to the statutory provisions:

We are entitled to repair the defect twice. If it arises from the nature of the case or the defect or on account of other circumstances that the repair has not yet failed after 2 attempts and if it is reasonable for the buyer, then we are entitled to undertake further repairs. If the repair has failed, then the buyer is entitled to reduce the price or at its option to withdraw from the contract.

d) The buyer cannot derive any rights from faulty part deliveries regarding the remaining part deliveries.

10. Technical advice, guarantee

a) We give technical advice to the best of our knowledge and ability. It is, however, non-binding and does not release the buyer from undertaking its own examinations and tests. The buyer is responsible for complying with statutory and official regulations when using our goods.

b) Details on the scope of delivery, dimensions, weights, materials, appearance and performance serve to denote the subject matter of the delivery and do not constitute a service life guarantee or a guarantee of specific characteristics. An assumption of a guarantee must be expressly made in writing to be legally effective. If the goods are lacking such a guaranteed characteristic at the time of the passing of risk, then the buyer’s rights are exclusively in accordance with the applicable law.

11. General limitation of liability

a) If our obligation to pay damages is based on only a slight negligent infringement of fundamental contractual obligations, we limit our liability for damages and the liability of our legal representatives or vicarious agents to the typical contractual foreseeable loss, unless it is a case of death, physical injury or damage to health.

b) If our obligation to pay damages is based on only a slight negligent infringement of non-fundamental secondary obligations, we exclude our liability and the liability of our legal representatives or vicarious agents, unless it is a case of death, physical injury or damage to health.

c) In all other cases of liability for damages due to the negligent infringement of obligations, irrespective of the legal basis, our liability for damages is limited to the typical contractual loss which is foreseeable for us.

d) Alternatively, we exclude our liability for damages and the liability of our legal representatives or vicarious agents if we commit a slight negligent infringement of a

11 – 07 eucaro 05 - 2015 > terms of delivery

contractual obligation which according to its type and consequence does not jeopardise the purpose of the contract, unless it is a case of death, physical injury or damage to health.

e) The above provisions shall not apply to claims according to the German Product Liability Act.

f) If a claim is made on us for damages arising from product liability in accordance with Article 823 of the German Civil Code, we limit our liability over and above the above provisions to the amount of compensation provided by our liability insurer. The insured sum is covered by a policy which typically reflects the possible losses, the contract and the goods. If the insurance does not apply or does not apply in full, then our liability, limited to the amount of the insured sum, shall remain unaffected. If the insured sum is not covered by a policy which typically reflects the possible losses, the contract and the goods, we limit our liability in these cases to the claim sum typical of the losses, the contract and/or the goods.

g) The buyer is obliged to take action without delay after discovering a defect so that further losses can definitely be avoided. The buyer must estimate the claim sum expected by it together with the notification of the defect. The buyer must notify us accordingly without delay in writing after the occurrence of circumstances which may influence the amount of the claim. If the buyer fails to make this notification, then we shall not be obliged to reimburse financial losses over and above this sum.

12. Limitation of actions

All warranty claims and claims for damages, irrespective of the cause in law, shall become statute-barred after 12 months from the time of delivery or performance, or if a longer warranty periodis agreed, at the time of its expiry, providing the law does not stipulate mandatory longer periods in accordance with §§ 438 section 1 No. 2, 479 section 1 and 634a section 1 German Civil Code.

13. Third party intellectual property rights, rights to tools, confidentiality

a) If third party intellectual property rights are infringed in the case of deliveries in accordance with drawings or other details of the buyer, the buyer will indemnify us against all claims.

b) The buyer shall not acquire any rights to the tools themselves by payment in full or in part of tool costs.

c) All information contained in our documents such as drawings, samples and calculations must not be made accessible to third parties unless it is to be used as intended in the

contract or we have given our prior express written consent.

14. Place of performance, place of jurisdiction

a) Place of perfomance for the delivery and payment is Bremen.

b) The place of jurisdiction is Bremen.

11 – 08 eucaro 05 - 2015 > terms of delivery

Turn static files into dynamic content formats.

Create a flipbook
Issuu converts static files into: digital portfolios, online yearbooks, online catalogs, digital photo albums and more. Sign up and create your flipbook.
Eucaro Shipbuilding Catalog by Moore Creative - Issuu