C H E V R O L E T

O SUV adotou a unidade de três cilindros 1.2 turbinada, casada ao câmbio automático de seis marchas para render 133 cv de potência e 209,86 Nm (21,4 kgfm) de torque. Veja o que os grandes especialistas acharam!
ANO XXXIII
NÚMERO 386
MAIO 2023
O Audi A3 parou de funcionar após a troca da bateria, veja como os reparadores ajudaram o colega de profissão a resolver este caso!
Confira mais um boletim do Pulso do Aftermarket e acompanhe o movimento das oficinas mecânicas
Com um visual diferente, a Ipanema moder nizava o segmento das peruas médias com motores potentes, conforto e tecnologia
Veja como evoluiu o sistema de ignição e como foi esse desafio para os reparadores
Nosso aftermarket viveu seu maior evento a consagrada evento, a consagrada AUTOMEC, hoje considerada a primeira ou segunda de maior feira do mercado de reposição do Mundo!
Você pode saber mais detalhes da AUTOMEC na cobertura do evento na página 22 desta edição.
A participação do Grupo Oficina Brasil na AUTOMEC foi muito emblemática e reveladora de um de seus principais foco de atuação: a informação.
O mercado de reposição está vivendo um de seus mais rentáveis momentos de sua existência no Brasil. Uma combinação de fatores molda um ambiente de aquecimento dos serviços nas oficinas, o que “enriquece” toda a cadeia de suprimentos até os fabricantes e importadores.
Enfim, um círculo virtuoso e seguramente sustentável pela próxima década. Ameaças? Claro que existem. Desafios? É claro que sim, mostrando que este círculo virtuoso não deve significar acomodação para sues players.
E onde repousa uma das principais ameaças/desafios? Certamente na informação, ao nosso ver.
A demanda por informação se faz presente fortemente na oficina, pois é um insumo básico para os profissionais da mecânica continuarem atendendo uma frota cada vez mais diversa e complexa do ponto de vista tecnológico.
Já nos níveis da cadeia de suprimentos, fabricantes e importadores a informação se traduz em “BI” – Business Intelligence.
Pois o Grupo Oficina Brasil, como dissemos no início deste editorial, tem na informação um dos seus principais focos de atuação. Informação para oficina e todos os outros players interessados e desenvolver suas áreas de BI.
Nossa atuação na AUTOMEC foi uma prova destes focos, pois nosso espaço consistia num auditório para 100 profissionais que protagonizou mais de 20 palestras nas quais recebemos mais de 2 mil profissionais, em encontro de disseminação de conteúdo altamente relevante em parceria com grandes marcas.
Como uma empresa que atua no mercado há mais de 34 anos, em ações muito além de mídia, vale registrar que nossa primeira ação de treinamento aconteceu no ano de 1993 em eventos presenciais.
Como não havia internet, usávamos um mecanismo cha -
Oficina Brasil é uma publicação (mala direta) do Grupo Oficina Brasil (ISSN 2359-3458). Trata-se de uma mídia impressa baseada em um projeto de marketing direto para comunicação dirigida ao segmento profissional de reparação de veículos. Circulando no mercado brasileiro há 34 anos, atinge de forma comprovada 71% das oficinas do Brasil. Esclarecemos e informamos aos nossos leitores, e a quem possa interessar, que todos os conteúdos escritos por colaboradores publicados em nossa mala direta são de inteira e total responsabilidade dos autores que os assinam. O Grupo Oficina Brasil verifica preventivamente e veta a publicação de conteúdo, somente no que diz respeito à adequação e ao propósito a que se destina, e quanto a questionamentos e ataques pessoais, sobre a moralidade e aos bons costumes.
As opiniões, informações técnicas e gerais publicadas em matérias ou artigos assinados não representam a opinião deste veículo, podendo até ser contrárias a ela.
Filiado a:
mado “Enciclopédia do Mecânico” que distribuía conteúdo encartado no jornal para ser colecionado pelos reparadores. Depois era aplicada uma prova na forma de carta-resposta e os aprovados recebiam uma “capa dura” para arquivamento do material.
Treinamento virtual? Sim, iniciamos ainda antes da popularização da internet, com a utilização de transmissões via satélite.
Falamos da RTA – Rede Técnica Automotiva, que reunia semanalmente plateias de mais seis mil profissionais alocados em 150 lojas de autopeças espalhadas pelo Brasil, que abriam suas instalações para receberem seus clientes reparadores.
Com a viabilização da internet como plataforma de treinamento o Grupo Oficina Brasil explora esta ferramenta de forma diferenciada, dando ênfase à qualificação das plateias (só reparadores profissionais) pelo mecanismo de Webinars fechados.
Se somarmos estas três décadas de ações de treinamento presencial, remoto via correio, satélite e mais recentemente a internet chegamos ao inacreditável número de 100.000 profissionais treinados.
Toda esta experiência se traduz em um know how exclusivo, não só na produção de material técnico, mas principalmente na curadoria de conteúdo, afinal os reparadores se encontram em diferentes níveis de conhecimento/atuação/responsabilidades, o que desafia os produtores de conteúdo a modelarem a mensagem (forma/conteúdo) para o extrato específico de reparadores.
Enfim, quando o assunto é informação, o Grupo Oficina Brasil é um dos principais fornecedores para empresas interessadas em utilizarem este mecanismo para fidelização do cliente reparador por meio do apelo intelectual.
Se para o público reparador somos a melhor resposta quando o assunto é treinamento, os empresários e executivos da cadeia de suprimentos do aftermarket também são contemplados.
Uma amostra disso? Desfrute da informação do PULSO DO AFTERMARKET na página 8 desta edição e se precisar saber mais, ou aprimorar sua área de BI, entre em contato. Grupo Oficina Brasil, a grande fonte de informação para toda a cadeia do aftermarket brasileiro.
www.oficinabrasil.com.br
Oficina Brasil oferece garantias exclusivas para a total segurança dos investimentos dos anunciantes. Confira abaixo nossos diferenciais:
1º. Nossa base de assinantes é totalmente qualificada por um sistema de “permission marketing” que exige do leitor o preenchimento de cadastro completo e que prove sua atuação no segmento de reparação;
2º. Atingimos, comprovadamente, 53 mil oficinas, o que equivale a 71% dos estabelecimentos da categoria no Brasil;
3º. Possuímos Auditoria permanente do IVC (Instituto Verificador de Comunicação), garantindo que a mala direta está chegando às mãos do assinante qualificado;
4º. Registro no Mídia Dados 2020 como o “maior veículo do segmento do País”;
5º. Único veiculo segmentado que divulga anualmente o CUSTO DE DISTRIBUIÇÃO. Este número é auditado pela BDO Brasil e em 2021 o investimento em Correio foi de R$ 1.373.346,51 (hum milhão, trezentos e setenta e três mil, e ciquenta e um centavos), para garantir a entrega anual em nossa base qualificada de oficinas;
6º. Estimulamos nossos anunciantes à veiculação de material do tipo “Call to Action” para mensuração do retorno (ROI);
7º. Certificado de Garantia do Anunciante, que assegura o cancelamento de uma programação de anúncios, a qualquer tempo e sem multa, caso o retorno do trabalho (ROI) fique aquém das expectativas do investidor.
ENVIE SUGESTÕES DE PAUTA PARA: redacao@oficinabrasil.com.br
ATENDIMENTO AO LEITOR leitor@oficinabrasil.com.br
De 2ª a 6ª, das 8h30 às 18h - Whatsapp (11) 2764-2881
PUBLICIDADE: anuncie@oficinabrasil.com.br
ON-LINE: site@oficinabrasil.com.br
RH: RH@oficinabrasil.com.br
FINANCEIRO: financeiro@oficinabrasil.com.br
Para anunciar ou obter mais informações sobre nossas ações de marketing direto fale com o nosso departamento comercial pelo telefone (11) 2764-2852 ou pelo e-mail anuncie@ oficinabrasil.com.br
Nós apoiamos:
CINAU: cinau@oficinabrasil.com.br
CARTAS
Rua: Alameda Santos, 1800 – 5º andar São Paulo-SP - CEP: 01418-102
• Tiragem: 55.000 exemplares.
• Distribuição nos Correios: 54.600 (até o fechamento desta edição)
• Percentual aproximado de circulação auditada (IVC): 99,2%
GERMINAL EDITORA E MARKETING LTDA.
AI SAIBA M S: vempensar.estadao.com.br
Além dos sensores de oxigênio, já consolidados e os preferidos do mercado, a NTK lança no Brasil uma extensa linha de sensores automotivos. Da vericação do nível de combustível à avaliação da temperatura do líquido de arrefecimento do motor, os sensores NTK informam ao módulo de injeção (ECU) do veículo as diversas condições de funcionamento do motor, garantindo diagnósticos precisos e a correta manutenção.
MERCADO
Veja mais um boletim exclusivo do Pulso do Aftermarket
AVALIAÇÃO DO REPARADOR
Veja como foi a avaliação da Traker e a percepção dos reparadores independentes
EVENTO AUTOMEC
Automec 2023: Confira as principais novidades da maior feira de aftermarket
DO FUSCA AO TESLA
Conheça as peças e os defeitos do sistema de ignição do motor
TECNOLOGIA HÍBRIDA
As tecnologias aplicadas aos veículos são o maior desafio da atualidade, entenda!
REPARADOR DIESEL
Rompimento das roscas dos prisioneiros solta a bomba de alta pressão do Ford Cargo
CONSULTOR OB
Nossos consultores mostram todos os procedimentos realizados para solução dos casos mais complexos!
GESTÃO
Aprenda como administrar sua oficina mecânica com quem realmente entende do assunto!
FUNDO DO BAÚ
Vamos viajar no tempo com o Kadett Ipanema GLS 1994, um carro icônico!
TÉCNICA
Veja as principais análises e diagnósticos com nossos consultores!
DIRETO DO FÓRUM
Os casos mais complicados e solucionados no Fórum Oficina Brasil
A experiência diária nas atividades de reparação amplia o conhecimento que será aplicado nos próximos serviços semelhantes, veja nesta matéria!
Vamos entrar no universo dos veículos importados com todas as suas características, desafios e particularidades da sua complexidade tecnológica
AR-CONDICIONADO
Conhecer as particularidades de um sistema de ar-condicionado facilita o diagnóstico e a reparação, veja nesta matéria sobre o ar-condicionado do New Fiesta
Nesta série de artigos conheça e entenda o conceito, a composição e os procedimentos de programação de imobilizadores automotivos
Em entrevista exclusiva, Sidney Aguilar, Diretor de Vendas e Marketing da América do Sul da Gates, fala sobre os desafios do mercado aftermarket!
Da Redação
Conte um pouco de sua experiência profissional e trajetória na Gates?
A construção da minha experiência profissional se deu por passagens em três indústrias. Foram 12 anos na alemã Knorr-Bremse, onde passei por alguns departamentos de RH e Vendas. Posteriormente, na Gates passei pelo gerenciamento dos departamentos de exportação, atendimento ao cliente e a última posição como gerente nacional de vendas – por um período de 7 anos. Em 2013, fui convidado a assumir a gerência nacional de vendas na BorgWarner, onde permaneci por três anos, retornando para a Gates em 2016 como Diretor Nacional de Vendas das Reposições Automotiva, Industrial e Agrícola, Marketing e Engenharia de Aplicação. Recentemente, já nesta segunda passagem pela companhia, assumi também a responsabilidade sob as vendas dos montadores industriais e automotivos, chamados OEMs.
A Gates promoveu uma alteração em seu quadro diretivo da sua operação local, assim você passa a ser responsável também pelas áreas de vendas e aplicação aos montadores automotivos e industriais. Como você enxerga esse novo desafio?
Vejo esse novo desafio como excelente oportunidade de aprendizado, principalmente no mercado de montadores
industriais. Já havia trabalhado com montadores automotivos no passado, mas estar diretamente ligado aos montadores industriais, que é algo realmente novo, trouxe uma visão ampla para este mercado tão abrangente. Quanto ao aftermarket, estamos em uma boa fase internamente, já estruturados mediante as demandas e com uma equipe bastante comprometida. O ano começou um pouco lento para
todos os setores, mas a expectativa é excelente para 2023.
Já que nossos leitores são técnicos, como a Gates trabalha a inovação e tecnologia dos seus produtos?
Quando falamos em tecnologia em 2023, o mais importante é falarmos sobre a eletrificação. Temos nossos complementos de portifólio de produtos já existentes, mas temos o lançamen-
to, por exemplo, apresentado na Automec, de bombas d’água para carros elétricos. Estamos conectados com a eletrificação dos próximos anos. Isso trará um leque maior de oportunidades para a empresa no Brasil, pois nada dessa linha de produtos é fabricado aqui, são produtos importados. Sendo assim, quando pensamos em tecnologia, não tenho outra coisa a não ser pensar em eletrificação da frota e nas oportunidades que nosso mercado terá.
Focando ainda sobre o produto da Gates, por quanto tempo vocês indicam utilizar uma correia no veículo? Além disso, a Gates recomenda algum período de manutenção preventiva para a troca de seus produtos?
O período de troca depende da correia, condições de uso do veículo e até mesmo intempéries. Mas a Gates sempre recomenda seguir as instruções do manual do fabricante do veículo.
Instruímos nossos clientes a realizarem a inspeção a cada 10 mil quilômetros e fazer a troca preventiva entre 40 e 60 mil quilômetros, seguindo o manual do fabricante conforme pontuado anteriormente.
Recentemente, a Gates lançou a nova correia Micro-V, quais as diferenças dessa em relação ao modelo anterior?
A nova Micro-V é mais leve e mais flexível, fabricada com um composto de EPDM (Etileno Propileno Dieno Monômero) com tecnologia mais avançada, suportando mais temperatura,
com mais durabilidade e vida útil maior. Pode atender até 80 mil quilômetros, comparadas às anteriores que atendiam aproximadamente 60 mil quilômetros na reposição.
A grande diferença é material, flexibilidade e o dorso que oferece um visual premium no produto.
Quais os principais lançamentos e novidades para este novo ano que se inicia?
As mangueiras Turbo Charger, para motores turbo, são uma novidade, como também as correias CVT da G-Force, que foram lançadas na Automec 2023. Além disso, um novo portifólio de bombas d’água, incluindo a elétrica, que apesar de não serem fabricadas no Brasil, terá um aumento de aplicações no nosso portifólio, tornando mais condizente com a frota nacional e disponível para os mecânicos.
Como funciona o procedimento de garantia da Gates?
A garantia segue o CDC (Código de Defesa do Consumidor), que é o padrão para qualquer indústria. Nós como uma grande fabricante referência de mercado, caso exista algum problema numa aplicação, e que se entenda que é uma falha do produto, fazemos a análise para verificar o ocorrido. O aplicador pode solicitar uma análise de garantia e nós daremos uma resposta concreta, se for procedente, pode ser solicitado o reembolso.
Qualquer dúvida neste sentido, o nosso cliente pode entrar em contato com o nosso canal
de atendimento ao consumidor: 0800 274 2837.
Com a diversificação da frota circulante é cada vez mais difícil atender às aplicações no mercado de reposição. Neste sentido, gostaríamos de saber se a linha de produtos direcionados à reposição transcende as aplicações oferecidas na linha de montagem das montadoras?
A Gates mantém a qualidade na produção dos produtos originais quanto para reposição, e vê ambos mercados com extrema importância. Obviamente não estamos em todos os projetos OEM, mas com o estudo contínuo da frota por meio da nossa equipe de aplicação de produtos, lançamos diariamente novos códigos para atender todo o mercado de reposição.
Com a diversidade da frota circulante quais elementos a Gates leva em consideração para desenvolver seu portifólio de oferta e lançamento de novas aplicações?
Todos os nossos lançamentos são baseados em estudos de frota, nada diferente disso. Nós conseguimos mapear onde está a frota, quais os estados, as características e demandas apresentadas para atender o maior número possíveis das curvas A, B, C e D no mercado de reposição.
Como a Gates se comunica com o público reparador sobre lançamento de seus produtos e as tecnologias empregadas em seus produtos?
Entendo que as mídias sociais hoje são um caminho importante de aproximação e que estamos explorando mais no último ano com bons resultados. Esse é um caminho sem volta e vamos investir mais neste sentido.
Nós temos um trabalho de campo com nossa equipe de venda e representantes, que é extremamente importante. Atendemos mais de cinco mil mecânicos por ano em treina-
mentos, e notamos que essa aproximação presencial se tornou ainda mais forte no póspandemia, é onde estamos mais próximos com os aplicadores, no corpo a corpo, no dia a dia.
Como a Gates enxerga o processo de eletrificação dos carros no Brasil?
Acredito que o processo de eletrificação é um caminho sem volta e que se fortalecerá, já há uma frota significativa desses veículos no Brasil e a tendência é de alta nas buscas pelos carros elétricos. É um avanço da
indústria automotiva como um todo e a Gates está conectada neste sentido, inclusive já disponibilizando produtos para esses veículos serem reparados.
Em 2022 foi registrado um aumento de 20,51% no número de passagens de veículos nas oficinas de acordo com o Pulso do Aftermarket. Tal fato prova mais uma vez que o Aftermarket é a prova de crise. Quais aprendizados foram absorvidos pela equipe da Gates nestes últimos 3 anos?
O primeiro ponto foi o nosso fortalecimento interno, manti-
vemos as nossas relações com os nossos clientes e parceiros com os recursos on-line, e aprendemos a estar próximo do nosso público mesmo à distância, e a digitalização nos processos de relacionamento vai ficar como um legado pós-pandemia. Outra lição foi que, independentemente do problema que encaramos, o mercado de reposição não para e nós tivemos suporte e planejamento para manter nossos projetos acreditando que seria apenas uma fase, pensando sempre positivamente na demanda do mercado, apostamos na produtividade e conquistamos nossas metas mesmo na recessão.
As ações de cunho intelectual são de grande relevância para o público reparador. Além de desmistificar certos preconceitos junto a marca os treinamentos técnicos são importantes para o crescimento de indicadores da Industria como MARKET SHARE E SHARE OF MIND. Como a GATES enxerga os movimentos de treinamentos junto ao público que decide à compra de seus produtos – o reparador?
Na minha opinião e na vi-
são da Gates é extremamente importante estar próximo do aplicador e oferecer conteúdo técnico de qualidade. Nós fazemos esse trabalho de treinamento internamente, são mais de cinco mil participantes no país por ano. Penso que quanto mais proximidade com o conhecimento, melhor o trabalho dos reparadores e melhor o serviço nas oficinas também. E as marcas precisam ter essa responsabilidade de oferecer treinamento constante para o aplicador.
tores (todos profissionais da mecânica e alocados em 53 mil oficinas como atesta o Instituto Verificador de Circulação). Fique à vontade para expressar o que quiser.
A mensagem que eu deixo é que 2023 é um ano de muito trabalho e otimismo para o aftermarket. As incertezas serão superadas pelas oportunidades que o mercado oferece.
Nós da Gates queremos continuar exercendo o contato contínuo com o público reparador, por meio das redes sociais, do nosso canal de atendimento 0800 e treinamentos realizados pelas nossas equipes internas de vendas, representantes, aplicação de produtos e clientes diretos.
Quais as expectativas para 2023?
A expectativa é boa, temos uma perspectiva de crescimento de mais de dois dígitos em todos os setores que atuamos, inclusive no aftermarket. A dúvida do ano é mais relacionada a montadores, que tem sofrido um pouco mais com as crises que vivemos, mas a expectativa de crescimento no mercado de reposição é alta e otimista.
Esta última não é uma pergunta, mas um espaço para o senhor transmitir sua mensagem aos nossos 200 mil lei-
Nós da Gates queremos continuar exercendo o contato contínuo com o público reparador, por meio das redes sociais, do nosso canal de atendimento 0800 e treinamentos realizados pelas nossas equipes internas de vendas, representantes, aplicação de produtos e clientes diretos.
Entender as dúvidas e ouvir a opinião de quem aplica nossos produtos é de extrema importância e nos dá diretrizes de melhorias e continuidade do trabalho desenvolvido por todos dentro da companhia, desde a produção, qualidade, atendimento ao cliente, vendas até que nossos produtos cheguem às mãos do reparador com o máximo de excelência e tecnologia aplicada nos materiais.
Essa frase, atribuída ao filósofo grego Heráclito de Éfeso, não está fazendo muito sentindo no mercado de reposição brasileiro ultimamente. Afinal, há dois anos o mercado só faz crescer de forma forte e constante. Saiba mais conferindo este PULSO DO AFTERMARKET com exclusividade no seu Oficina Brasil. Boa leitura!
Equipe CINAUOPULSO DO AFTERMARKET é produzido pela CINAU – Central de Inteligência Automotiva, unidade de pesquisa, BI (Business Intelligence) e consultoria do Grupo Oficina Brasil, uma empresa com atuação muito além da mídia e 100% focada no mercado de reposição.
A Grécia é reconhecida como o berço da civilização ocidental. Entre outras coisas marcantes, enriqueceu a cultura humana com a Filosofia.
A Filosofia é um útil instrumento para o progresso pessoal. O estudo desse campo do conhecimento amplia nossa perspectiva de vida com ensinamentos universais e sempre atuais.
Para comentar o comportamento do mercado de reposição no PULSO DO AFTERMARKET deste mês, fomos buscar inspiração na Filosofia e na citação que dá título à matéria, atribuída ao filósofo Heráclito de Éfeso, um filósofo pré-socrático.
A riqueza dessa pequena frase é imensa e mostra muito do potencial da Filosofia para as reflexões no nosso dia a dia.
Vejam que, para Heráclito, se queremos a constância (segurança e continuidade), devemos nos preparar para as mudanças, ou antecipá-las.
Paradoxal? Pode ser, mas nada mais real e concreto, pois o que sabemos da vida – e do mundo dos negócios – é que quem não se antecipa às mudanças acaba sendo atropelado pelas inevitáveis... mudanças!
E conforme mostra o PULSO DO AFTERMARKET, o merca-
Média de passagens nas oficinas, medida pela CINAU em 14 estados que abrigam aproximadamente 90,96% da frota circulante no País
do de reposição no Brasil vive há mais de dois anos uma constante. Em cinco meses, os serviços nas oficinas e a consequente demanda de autopeças cresceram quase 6%! (confira no gráfico acima).
Um cenário de constância que está fazendo com que muitos dos empresários e executivos do nosso mercado esqueçam do alerta do sábio grego e passem a experimentar um certo torpor induzido por esse eterno céu de brigadeiro que vive nosso setor.
O risco? Considerar que, já que as coisas estão andando tão bem, como diz o ditado popular, “não se mexe em time que está ganhando”.
No pensamento de Heráclito, não seria a atitude mais sensata, e esse é o grande risco que ronda os players da cadeia de reposição: imaginar que o tempo de vacas gordas é uma constante. Isso gera acomodação.
Se você está lendo mais este boletim do PULSO DO AFTERMARKET, já é uma prova de que você tem curiosidade e busca informação, o que é uma atitude de combate da letargia e da acomodação. Portanto, aproveite as informações abaixo.
No gráfico acima, já comprovamos o quanto as oficinas estão comprando. Na sequência de gráficos a seguir, apresentamos informações de como as oficinas estão comprando e se relacionando com fornecedores e clientes.
Essas informações ajudam a entender a formação da demanda. Afinal, o mercado de reposição nasce na oficina e, assim, seu market share depende das decisões da oficina em relação a sua marca, produtos e fornecedores.
Para compor esse painel, a CINAU entrevistou 347 oficinas em todo o território nacional entre os dias 1º e 10 de março.
Analisando os resultados obtidos e relativos ao comportamento de compra das oficinas, observamos que o cenário praticamente não mudou em relação ao último painel, apresentado no PULSO DO AFTERMARKET de março deste ano.
Analise os gráficos a seguir e tire suas próprias conclusões. De nossa parte, ressaltamos:
- Compras pela internet em patamar estabilizado dentro dos padrões já antecipados pela equipe da CINAU;
- Delegação da compra da peça pela oficina ao dono do carro em patamar estável e pouco expressivo em relação ao mercado como um todo;
- Percepção de falta de peças estabilizada num patamar ainda
elevado, mas essa é uma tendência, uma vez que a diversidade da frota faz com que as oficinas enfrentem essa realidade no seu dia a dia, ou seja, não se trata de uma continuidade do desabastecimento dos tempos da pandemia;
- Logística dos fornecedores altamente eficiente.
Enfim, esses são alguns aspectos que destacamos. Se você precisa de mais informações, não hesite em contatar a equipe da CINAU, que pode fazer um raio x da logística reversa do processo de geração de demanda da sua marca a partir do mapeamento dos hábitos de compra de seus produtos pelas oficinas, o que explica o seu market share.
Lembre-se dos conselhos de Heráclito e não se acomode. Antecipe-se às mudanças, questionando, informando-se e agindo.
Até o próximo PULSO DO AFTERMARKET!
Para eixos diferenciais com ou sem blocante
Desenvolvida para atender às mais rígidas especificações de eixos diferenciais, a nova linha de lubrificantes Spicer garante a proteção máxima de engrenagens,rolamentos e retentores, além de economizar combustível e reduzir as emissões de CO2. É recomendada para uso em diferenciais de automóveis clássicos, jipes, picapes, caminhões leves e máquinas agrícolas.
Peça já a tecnologia original da líder mundial em transmissão, agora também em lubrificantes.
O líder em vendas na categoria SUV segue a mesma receita do hatch para se tornar mais bem aceito no mercado de reparação e pelo consumidor
Esqueça qualquer associação ao mundo fora-de-estrada que este automóvel representa, uma vez que ele é um utilitário esportivo baseado no novo Onix, hatch de entrada da Chevrolet. Mas também não fique constrangido se você pensou naquele verdadeiro desbravador dos “Sete Mares” dos anos 2000 que começou no Brasil importado da Argentina, afinal, aquele sim era um utilitário esportivo com tração 4x4 e ângulos de entrada e saída de se fazer jus ao nome.
Há mais de vinte anos, a primeira geração do Chevrolet Tracker desembarcava no Brasil, importado da Argentina ele era uma versão do Suzuki Grand Vitara com a gravata da marca americana, resquícios de uma parceria feita com a marca japonesa exclusivamente no país vizinho. Enquanto chegavam os utilitários ao nosso porto, a GM brasileira enviava para lá o Celta com um logo da Suzuki na grade do radiador. Uma troca até certo ponto estranha, mas que deu certo.
O utilitário resistiu até 2007. Ele trazia uma tração 4x4 invejável e um consumo alto, mesmo para os padrões da época. O vão livre era de 195 mm contra os poucos 157 mm apresentados no modelo que leva o mesmo nome hoje. Já a segunda geração do Tracker foi criada em 2013 na Coreia do Sul e chegava ao Brasil por conta do acordo comercial com o México. Tinha estrutura montada na plataforma do compacto Sonic e motores mais potentes,
os mesmos do Chevrolet Cruze da época. Ecotech 1.8 com 144 cv quando abastecido com etanol e 1.4 Turbo com 153 cv.
A atual geração do Tracker, mesma que o Jornal Oficina Brasil está avaliando, chegou em 2020. E é possível dizer que ela chegou, chegando, ocupando o espaço do Jeep Renegade e conquistando rapidamente o ranking dos mais vendidos já em 2022. Porém, o segredo do sucesso do novo SUV da GM não está apenas nos seus próprios méritos. Quem fez com que ele nadasse de braçadas em mares mais bravos foram os seus irmãos Onix e Onix Plus. Como eles chegaram antes, maturaram o consumidor e o mercado de autopeças e de reparação, abrindo assim o caminho para que o utilitário chegasse com um motor já reconhecido e com boa parte dos componentes já desenvolvidos por fabricantes e terceiros.
“Esta nova família de veículos globais da Chevrolet tem antecipado tendências nos quesitos mais valorizados pelo consumidor, como design, segurança, conforto, conectividade e eficiên-
cia energética. Vale destacar que o crescimento significativo tanto do Onix como do Tracker vem sendo puxado pelas configurações mais sofisticadas, território onde a marca ganha cada vez mais prestígio”, contou Santiago Chamorro, presidente da GM América do Sul, na época do lançamento do veículo.
Agora, para saber se o carro realmente está bem aceito na praça, a reportagem do Oficina Brasil levou o Chevrolet Tracker na versão de acabamento LTZ, equipado com motor 1.0 Turbo de 12 Válvulas e câmbio automático de seis velocidades, em duas oficinas localizadas na zona oeste de São Paulo.
A ideia foi descobrir a opinião dos reparadores sobre o novo líder de vendas do segmento que foi inaugurado por Ford EcoSport, em 2003. Curiosamente, o modelo baseado na plataforma do Fiesta chegou com três versões: uma de entrada com o motor 1.0 Supercharger, com 95 cv; outra intermediária com motor 1.6 de 98 cv; e outra mais luxuosa com motor. 2.0 com 143 cv. Em 2004,
mais um avanço com a chegada de uma versão 4x4.
O carro cedido pela GM e que a reportagem levou para as oficinas avaliarem estava com um pouco mais de 5 mil quilômetros, um modelo totalmente novo e com as etiquetas de papel adesivo nas peças. Todos os reservatórios estavam preenchidos, sistema de freio revisado, pneus novos e suspensão alinhada. Nível de ruído interno totalmente zerado.
A primeira oficina que paramos foi a localizada na rua Martim Francisco, 455, na Santa Cecília, Oficina Mecânica Palácio
- (11) 3666-6669, que tem como dono Manoel Carlos Rebello (Foto 1), um colecionador de mão-cheia e saudosista do mundo motor. A oficina construída por ele dá gosto de entrar. Há peças antigas, carros lendários e ferramentas que não são mais usadas. Tudo limpo e mostrado cronologicamente, como se fosse um museu, mas em funcionamento. O segundo estabelecimento que visitamos, localizado na rua Guaicurus, na Lapa, High Tech Centro Automotivo - (11) 3864-0944, (11) 3862-4884 e (11) 94467-9995), dirigida por Ro-
berto Ghelardini Montibeller. (Foto 1A) Ele resiste ao momento, pois a área em que ele está fica ao lado de um posto de atendimento rápido da prefeitura, onde a maior parte das oficinas ao seu redor se dedicaram a estacionamentos rápidos com o intuito de substituir a atividade econômica por algo teoricamente mais rentável. Outra incerteza é o grande crescimento imobiliário. “Enquanto não vierem comprar o meu terreno, continuo trabalhando com aquilo que gosto”, contou o proprietário. Ele lembra que iniciou na área automotiva em 1984, seguindo uma tradição familiar que começou com o seu pai Antônio há 40 anos no mesmo endereço. No endereço
são oferecidos serviços de mecânica geral, alinhamento, balanceamento e venda de pneus.
Rebello nos recebeu em sua entrada toda decorada com tijolos e pôsteres dedicados aos assuntos relacionados aos motores. Também é possível notar, logo na entrada, a paixão do proprietário por carros e equipamentos. Há uma sequência, por exemplo, de rodas penduradas na parede, começando com a de madeira e chegando a de alumínio. Mais para frente, uma bomba de gasolina antiga e um calibrador de válvulas. Com orgulho, o proprietário também mostra o seu Chevrolet 1950. “Motor original, funciona perfeitamente até hoje”, apresenta ele. Para o dono da Oficina Mecânica Palácio antigamente os motores eram feitos para durar e hoje eles são feitos para oferecer potência, desempenho e sem gastar muito (Foto 2). O Chevrolet 1950s, por exemplo, usa um motor de seis cilindros em linha, colocado longitudinalmente, que produz 90 cv (Foto 3). O Tracker usa também um em linha, mas aplicado de modo transversal, com turbocompressor, e com três cilindros, que entrega 116 cv. “Os motores sobrealimentados muitas vezes não suportam muitos esforços e acabam necessitando de alguns socorros se não forem bem cuidados”, reforça o mecânico lembrando que hoje as necessidades são totalmente diferentes da da época do Chevrolet 1950s.
(Foto 3A)
A mesma atenção e cuidado com o propulsor é relatada por
Montibeller, proprietário da High Tech Centro Automotivo. “A proteção de alumínio faz sentido, pois a turbina acaba trabalhando em alta temperatura como em qualquer modelo sobrealimentado. É necessário ficar atento às trocas e a especificação correta do lubrificante. Repare que na própria tampa do óleo está a indicação certa do produto que deve ser colocado no motor”, alerta o reparador. (Foto 4)
E continuando com a série alta temperatura, o mecânico faz uma pequena comparação com o reservatório do sistema de arrefecimento de um Ford Fiesta, em que o modelo antigo precisa mais do que o dobro da capacidade volumétrica e do espaço no cofre do motor que a usada pelo novo Tracker. “É impressionante como o tamanho do conjunto é compacto, veja o espaço disponível no cofre do motor”, destaca Montibeller.
Uma questão que os dois reparadores têm em comum é a disponibilidade de peças. Trata-se de um problema comum em todas as oficinas e independentemente do tipo de marca ou modelo. “No caso de um GM, é possível conseguir peças em 15 ou 20 dias, mas tem carro que fica parado no pátio por mais de 40 dias. É uma característica que atrapalha bastante o nosso trabalho”, explica Rebello. No caso de componentes mais comuns como amortecedores, molas, pastilhas, entre outros que o mercado de reposição já fabrica, a situação é melhor. De qualquer forma, vale lembrar que neste caso, o SUV se sobressai por ter herdado itens já aplicados nos irmãos na família Onix.
Tanto na primeira oficina como na segunda foi impossível achar o filtro de combustível do Chevrolet Tracker de primeira. Ele não fica perto da mangueira que conecta o bocal ao tanque, como acontece na maioria dos casos. (Foto 5) Pesquisando, foi possível
identificar que nesta versão avaliada o item se integrou à bomba. Em outras versões, o componente está perto do tanque, muito comum na maioria dos automóveis. “A vantagem aparece na hora da revisão na concessionária e posteriormente quando há um componente a menos para ser trocado. Porém o combustível deve ser de qualidade, principalmente, porque não existe um elemento filtrante externo, que possa ser acompanhado”, acrescenta Rabello. Se o filtro de combustível foi uma novidade, o de óleo fica bem exposto e em uma posição de fácil acesso. (Foto 5A)
Durante a visita na High Tech Centro Automotivo foi possível notar também que a parte debaixo do Tracker é um dos pontos que pode tirar o sono dos mecânicos e motoristas. Com apenas 165 mm de vão livre, o modelo da GM não conta com uma proteção no cárter nem na área do câmbio. Outro senão está em um parafuso sobressalente que pode contribuir para arrastar objetos sobressalentes.
(Foto 6)
Voltando para o cofre do motor, os dois reparadores des-
tacaram a facilidade do espaço para se trabalhar. A parte dos faróis, por exemplo, está embutida próxima das caixas de rodas e o acesso aos filtros de óleo e de ar são intuitivos. (Foto 7) Um ponto negativo é a vareta de apoio da tampa do capô, leve e com pouca rigidez é difícil confiar no material. Outro destaque interessante apontado por Montibeller é uma minilâmina da bateria que age como uma barreira contra sobrecargas. O sistema composto por fusíveis fica ao lado da bateria e é de fácil visualização. Por falar em conexões, a ODB2 da Tracker fica acima do pedal do acelerador. Não é um local comum, mas é o mesmo lugar dos irmãos originários. (Foto 8)
Apesar de apresentar uma excelente tecnologia embutida e recursos disponíveis apenas em carros Premium o Chevrolet Tracker fez uma convocação envolvendo 80 mil modelos. O possível problema pode estar nos pré-tensionadores do cinto de segurança que sem o reparo correto podem gerar fagulhas e iniciar fogo no isolador acústico dos carpetes. O chamado envolve unidades fabricadas entre 2020 e 2022. Por isso, caso um cliente não tenha sido atendido pelo chamado, vale muito alertá-lo, pois o reparo consiste na instalação de uma proteção no isolador acústico do carpete e nos pré-tensionadores do cinto de segurança próximo à região inferior da coluna B. “Fagulhas geradas durante o funcionamento dos pré-tensionadores podem atingir o isolador acústico do carpete e causar incêndio”, diz a fabricante em comunicado. Isso pode resultar em danos materiais e até mesmo riscos de lesões graves ou fatais aos ocupantes dos veículos. O reparo de forma gratuita tem um tempo estimado de até 2 horas e 30 minutos. Chassis envolvidos: Nº – LB900009 a NB 202060.
Com o DNA do Onix, o Chevrolet Tracker entrega o que é necessário, espaço interno para família, motor ágil para a cidade e o status de estar a bordo de um carro mais alto em comparação aos não utilitários esportivos. O motor sobrealimentado por turbina gera 116 cv quando abastecido com etanol. Se for levado em conta que este valente propulsor tem 999 cm³ de capacidade volumétrica, a potência é relativamente boa. Mas vale lembrar que o modelo em questão pesa mais de uma tonelada e que com isso é registrada uma relação peso/potência de 10,31 kg/cv e um torque de 16,8 kgfm com etanol. De acordo com os números de fábrica, uma aceleração de 0 a 100 km/h em 10,5 segundos.
A grande questão que incomoda o motorista no dia a dia é a morosidade que a turbina é acionada, são questões de segundos, mas de um tempo, que pode nos fazer refletir sobre qual é a real necessidade de se turbinar um motor tão pequeno.
Durante a condução na cidade fica notória a sensação do turbo leg, muito sensível aos pés mais atentos e que incomoda aos que precisam de respostas mais rápidas e assertivas. Outro senão do modelo avaliado é a ausência de trocas manuais, fazendo que com o modelo trabalhe como um câmbio automático tradicional eficiente e ágil, mas que não é nada atrevido. Na estrada, o Chevrolet Tracker mantém uma excelente velocidade cruzeiro e apresenta um consumo invejável, como ocorre os seus irmãos.
Houve uma época em que os motores turbinados de fábrica foram condenados. É o caso do meme do Marea Turbo e de outras injustiças que a indústria e os consumidores fizeram. Também já foi a vez dos motores de 16 válvulas, mas hoje o que vale são os modelos de baixas capacidades volumétricas sobrealimentados.
O motor turbo em comparação ao aspirado de mesma capacidade volumétrica é mais leve e apresenta um custo mais baixo para a montadora. O segredo de oferecer um desempenho superior ou semelhante só é possível graças aos gases de saída que são aproveitados e que fazem o eixo da turbina rotacionar, movimentando a hélice e comprimindo o ar. A ação possibilita o preenchimento mais rápido dos cilindros do motor com a mistura ar/combustível. O principal objetivo de um motor turbo é oferecer mais potência aos carros, sem que para isso seja necessário aumentar o tamanho do equipamento. Basta verificar a comparação com o Chevrolet de 1950 feita na oficina do Manoel. A proposta do Tar-
cker aumenta o desempenho, mas tem como desvantagem a perda de torque em baixa rotação e a menor durabilidade. Uma grande preocupação do consumidor, quando se trata da aquisição de um veículo com modelo turbo, é se isso significará mais gasto com combustível. Muito pelo contrário, em determinados modelos, dependendo do pico de torque, o automóvel tem mais facilidade de ganhar e sustentar a velocidade em cidade/rodovia, favorecendo tanto o conforto quanto uma maior economia financeira. Com a crescente preocupação com a poluição, as montadoras foram obrigadas a oferecer carros com a mesma potência, minimizando o escape de gases poluentes. De modo geral, os motores superalimentados ou turboalimentados têm como qualidade a redução dessa emissão, quando comparado ao motor aspirado, pois aproveita a energia dos gases de escape para melhorar a eficiência do motor, além de o motor turbo apresenta melhor performance e mais economia.
Olhando debaixo foi possível notar que o Tracker é um veículo bem montado e com a estrutura totalmente já consagrada pela indústria. Usa suspensão independente McPherson e eixo de torção, diferente do concorrente Renegade que usa multilink na traseira. Outro senão do Chevrolet Tracker é a ausência de freio a disco nas quatro rodas.
Os pneus são Goodyear EfficientGrip SUV na medida 215/60 R16. Eles usam um composto à base de sílica que oferece melhor tração em piso molhado e resistência ao rolamento, garantindo segurança, desempenho e economia. A tecnologia é resultado de anos de pesquisa com o objetivo de melhorar a resistência ao rolamento sem impactar negativamente a tração em pisos molhados. (Foto 9) O controle de tração também contribui para a segurança, mas ele fica exposto para ser
desativado no painel.
Olhando os números apresentados pelo fabricante de frenagem, o Tracker precisa de 40,8 metros para estacar a velocidade a partir de 100 km/h. Levando em conta que uma faixa de pedestre tem 2 metros, o Chevrolet precisaria de um pouco mais de 20 para parar. “Um carro como esse, que tem capacidade para levar mais de 400 kg de carga útil merecia uma atenção melhor nesse quesito da eficiência na frenagem”, comenta Montibeller.
Ainda na parte da segurança, o reparador reforça a atenção na hora da substituição do fluido de freio. “Repare que assim como na tampa do óleo do motor, há também a informação na do reservatório que abastece o sistema de frenagem”, aponta. De acordo com a TMC Friction, que é fabricante das pastilhas e lonas de freios Cobreq, o fluido de deve ser trocado a cada 10 mil km rodados ou a cada 12 meses. O que vier primeiro. Isso é necessário mesmo que não seja preciso mexer em outras peças do sistema.
“O fluido de freio é um componente higroscópico, ou seja, durante sua vida útil ele absorve umidade e vai perdendo suas características. Através da revisão é possível medir o ponto de ebulição do fluido e até mesmo sua porcentagem de água e a partir dessa análise é possível descobrir se é necessário realizar a troca ou não”, explica Manoel.
Outros sinais para a necessidade de troca do fluido e de uma revisão nos freios são a variação no nível (o fluido nunca deve ser
completado), a perda de eficiência da frenagem (demora na resposta ou a necessidade de mais força para parar) e o acendimento da luz de alerta no painel (que indica um problema no sistema hidráulico). No caso do Chevrolet, com pouca rodagem, não foi necessário fazer a substituição, porém é um item que deve merecer a atenção de todos os motoristas.
Vale destacar que uma das principais reclamações relatadas por consumidores do Chevrolet Tracker envolve o sistema de freios. De acordo com relatos
ocorrem barulhos excessivos na hora de frear, bem como trepidação incômoda nos pedais. O grande problema aqui, é que estes barulhos e trepidações se dão em veículos novos, com menos de 10 mil km rodados. (Fotos 10 a 12)
Uma das surpresas ao embarcar no Chevrolet está na quantidade de itens fabricados em plástico. Apesar do material não tão aconchegante, a montagem é perfeita e o barulho de itens batendo não ocorre. Outra decepção é o ar-condicionado manual para a versão. Apesar disso, ele tem boa força para gelar a cabine em dias de sol e sem “roubar” a potência do motor.
A parte tecnológica sem fio para a projeção de aplicativos do smartphone diretamente na tela de 8” do veículo é sensacional e adaptável com a maior parte dos celulares. Testamos com IPhone, Samsung e Xiaomi. O sistema projeta apps como o Waze, Spotify e WhatsApp no multimídia e pode ser operado por comando de voz. Outro destaque é o carregador por indução magnética, o mesmo que tem no Chevrolet Camaro. A conectividade continua com telemática avançada OnStar e com o sistema de Wi-Fi 4G que funciona com boa velocidade.
“Imagine se você ficar com uma dúvida na hora da reparação e consultar na própria tela ou mesmo no seu celular o que fazer. É uma praticidade para o reparador também, assim como para o motorista e passageiros”, destaca Manoel da Oficina Palacios. Realmente, um carro conectado é algo que está muito em pauta para cada vez estar mais presente nas tecnologias do futuro.
“De série a partir da versão LT do Tracker, a projeção sem fio traz mais praticidade para o dia a dia e é mais um passo importante dentro da estratégia de evolução contínua do produto, que dita tendências nos quesitos mais valorizados pelo consumidor: design,
segurança, conforto, desempenho e conectividade”, explica Rodrigo Fioco, diretor de Marketing de produto da GM América do Sul.
Se a versão 2022 traz tudo isso, as novas muito provavelmente não terão. De acordo com informações de concessionários da Chevrolet, as próximas levas do Tracker, assim como os seus irmãos Onix e Onix Plus, não terão disponíveis nas versões intermediárias, como na avaliada, a conexão com Bluetooth e o Wi-Fi via 4G. A justificativa para a mudança está na crise mundial dos semicondutores.
Ao volante, o Tracker entrega aquilo que o motorista de SUV gosta: posição elevada de dirigir, postura mais ereta, visibilidade à frente e para os lados, e capô presente. O GM ainda tem regulagem de altura e distância da direção, ajuste de altura do banco, com assentos confortáveis. Se comparado com os irmãos, o Tracker uso de bancos mais confortáveis. (Fotos 13 e 14)
seis airbags, frenagem autônoma de emergência com alerta sonoro e visual e alerta de ponto cego. O mais interessante deste recurso é que ele fica posicionado fora do espelho, permitindo uma excelente visualização da imagem refletida. (Foto 15)
sumidores está o design moderno e atraente que se destaca em meio aos outros carros do mesmo segmento. Outra questão apontada que fortalece o carro como um dos mais vendidos da país é a tecnologia avançada, item que pode pesar contra nas próximas gerações, uma vez que elas perderam boa parte desses recursos.
Apesar de abrigar um motor 1.0, o desempenho do Chevrolet Tracker é eficiente e oferece economia de combustível. A dirigibilidade é excelente e a resposta dos movimentos do volante são diretas e rápidas.
Preço sugerido: R$ 108.767 (em maio de 2023)
Procedência: Brasil (montado em São Caetano do Sul, SP)
De acordo com dados do fabricante, o Tracker faz 9 km/l na cidade e 10,4 km/l na estrada utilizando etanol. Com gasolina o consumo é de 13 km/l no circuito urbano e 14,8 na rodovia. Com um tanque de baixa capacidade volumétrica (44 litros), a autonomia máxima do Tracker é de 650 km. Outro item que mostrou ausência no Chevrolet foi a adaptação para engate.
Se atrás falta, internamente há
O porta-malas do GM tem capacidade para 357 litros, sendo 36 extras sob o tampão, que totalizam 393 litros. Ou seja, volume maior ao do Jeep Renegade (385), do Volkswagen T-Cross (373) e do Honda HR-V (354). A única derrota neste caso fica para o Hyundai Creta, com 422 litros. Para chegar ao segundo maior número de volume diante da concorrência, o Chevrolet utilizou um entre-eixo menor que o do Onix e modificou o espaço do banco traseiro. Então não se engane, o hatch é mais confortável para os passageiros que o Tracker que tem 2,57 m e que é considerado o mais apertado da categoria.
O Latin NCAP (Programa de Avaliação de Veículos Novos para América Latina e o Caribe) deu cinco estrelas, nota máxima, ao Chevrolet Tracker em seus testes de segurança. O modelo é produzido no Brasil e na Argentina. De acordo com os critérios de avaliação do órgão, o modelo obteve nota de 91,07% na proteção a ocupantes adultos, 91,84% no caso dos ocupantes infantis, 54,14% na proteção de pedestres e usuários vulneráveis das estradas e 83,18% em assistência à segurança.
Existem vários fatores que contribuem para o Chevrolet Tracker ser um dos carros mais vendidos em seu segmento. Entre um dos motivos apontados pelos con-
A gravata dourada é reconhecida mundialmente e possui uma boa reputação na indústria automotiva. Isso faz com que muitos compradores tenham confiança na qualidade e durabilidade do Chevrolet Tracker.
A Rede Chevrolet tem uma presença global significativa, com concessionárias em mais de 100 países ao redor do mundo. No Brasil, a Rede Chevrolet é uma das maiores redes de concessionárias do país, com mais de 500 lojas espalhadas por todo o território nacional.
Se o Chevrolet aparecer na sua oficina não deixe de recomendar um protetor de cárter, peça até certo ponto condenada por muitos por poder prejudicar o restante do conjunto, mas que vai contribuir com uma proteção necessária. A peça no mercado tem um valor sugerido de R$ 110. Outro item que não tem preparação e que pode ser preciso para o consumidor é o engate, que pode ser encontrado por cerca de R$ 1.500.
O Chevrolet Tracker se tornou líder do mercado logo que chegou. Em 2021 foram 668.345 mil unidades vendidas, enquanto em 2022 esse número subiu para 691.313, o que significa alta de 3,43%.
Desde o começo do ano, o Tracker vendeu 14.500 unidades, de acordo com os números da Fenabrave (Federação Nacional da Distribuição de Veículos Automotores).
Garantia: 3 anos
Combustível: flex
Plataforma: GEM
Motor: dianteiro, transversal
Código do motor: CSS Prime
Cilindrada: 999 cm³
Aspiração: turbocompressor
Tuchos: hidráulicos
Número dos cilindros: 3
Número de válvulas por cilindro: 4 Diâmetro dos cilindros: 74 mm
Curso dos pistões: 77,49 mm
Alimentação: injeção multiponto
Comando de válvulas: Duplo, no cabeçote
Taxa de compressão: 10,5:1
Potência máxima: 116 cv a 5.500 (g) / 116 cv a 5.500 rpm (e)
Potência específica: 116,1 cv/litro (g) / 116,1 cv/litro (e)
Peso/potência: 10,59 kg/cv (g) / 10,59 kg/cv (e)
Torque máximo: 16,3 kgfm a 3.500 rpm (g) / 16,8 kgfm a 3.500 rpm (e)
Velocidade máxima: 177 km/h
Aceleração 0 a 100 km/h: 10,9 s
Código da transmissão: GF6
Tipo de transmissão: automática, 5 marchas
Tração: dianteira
Direção: pinhão e cremalheira, assistência elétrica
Suspensão: McPherson (d) e eixo de torção com rodas semi-independentes (t)
Freios: a disco, ventilados (d) / a tambor (t)
Porta-malas: 393 litros
Tanque: 44 litros
Peso: 1.228 kg
Altura: 1.624 mm
Largura: 1.791 mm
Comprimento: 4.270 mm
Vão livre do solo: 157 mm
Distância entre-eixos: 2.570 mm
Pneus: 215/60R16 (estepe 115/70R 16)
Diâmetro mínimo de giro: 10,8 metros
Consumo em cidade: 11,9 km/l (g) / 8,2 km/l (e)
Consumo em estrada: 13,7 km/l (g) / 9,6 km/l (e)
Maior número de marcas participantes num espaço ampliado para receber um público maior, com mais atrações e experiências para os visitantes, e o melhor resultado em geração de negócios de sua história. Esse foi o balanço geral da Automec, a maior feira do mercado de reparação e reposição automotiva, realizada de 25 a 29 de abril, e que se consagra como o maior evento de negócios B2B na América Latina, o maior evento de negócios do aftermarket automotivo das Américas e o segundo maior do mundo no segmento.
A Automec, que não acontecia desde 2019, teve a participação expressiva de 1.500 marcas expositoras, 25% superior ao da última edição, para a apresentação das últimas novidades e tecnologias em produtos e serviços para um mercado aquecido. Desse total, 450 foram expositores internacionais de 12 países, em 7 pavilhões internacionais. Ela teve a ocupação de uma área ampliada de 105 mil m2 de todos os pavilhões do São Paulo Expo e a área externa.
O evento registrou mais de 90 mil visitantes únicos (20% acima da última edição). Com 30% de taxa de retorno, o público total chegou a 117 mil visitantes, vindos de todas as regiões do Brasil e de 60 países. Com uma variedade de novidades das empresas para o mercado e consolidada no seu conceito de negócios B2B, a Automec promoveu várias rodadas de negócios que impactaram fortemente o resultado da feira. O volume total de negócios potenciais declarados pelos visitantes atingiu um número recorde de R$ 29,5 bilhões (R$ 4,5 bilhões acima do esperado).
“A Automec de 2023 foi a maior da história e mostrou a força do Brasil no palco global de eventos e no setor do aftermarket automotivo. Esta edição consagrou-se como o maior evento de negócios B2B na América Latina, o maior evento de negócios do aftermarket automotivo das Américas e o segundo maior do mundo no segmento.” afirma Luiz Bellini, Diretor de Portfólio da RX.
A feira ofereceu ao público mais de 100 horas de conteúdo na Automec Experience sobre os temas mais relevantes do setor. A programação incluía oportunidades de atualização técnica para os profissionais do segmento nos espaços dedicados ao Batistinha Experience, uma das maiores referências em customização do Brasil, além do Senai/IQA e Delphi Experience.
“Além dessa abrangente programação, a maior novidade da Automec foi sem dúvida o emocionante Garage Show Ultimate Drift, que movimentou os visitantes para a área externa da feira e mostrou o potencial da paixão do público visitante e a demanda por mais eventos automotivos”, comentou Eduardo Marchetti, gerente da Automec. “Essa edição da Automec valeu por duas”, resumiu o executivo.
O alcance digital da feira atingiu 4,2 milhões de
pessoas, quatro vezes maior do que a última edição.
RX - A RX constrói negócios para indivíduos, comunidades e organizações. Usamos o poder dos eventos presenciais, combinando dados e produtos digitais para conectar pessoas oferecendo experiências e oportunidades de negócios por meio de mais de 400 eventos realizados em 22 países e 43 diferentes setores da economia. É apaixonada por causar impactos positivos na sociedade e está comprometida em criar um ambiente de trabalho
inclusivo para todos. A RX faz parte da RELX, um provedor global de análises baseadas em informações e ferramentas de decisão para profissionais e clientes corporativos. RX Latam – In the business of building businesses www.rxglobal.com
Gilberto dos Santos - (11) 98588-7085 - gilberto. santos@expertecia.com.br
Eduardo Pincigher - (11) 99464-9356 - eduardo. pincigher@expertecia.com.br www.expertecia.com.br
O TV NOTÍCIAS DA OFICINA VW foi criado em 2011, e nos últimos anos já se consagrou como a ação mais bem-sucedida do gênero, capacitando mais de 50 mil profissionais nos últimos 12 anos
AVolkswagen se mostra presente mais uma vez na qualificação dos reparadores e traz seu primeiro treinamento AO VIVO e híbrido – ou seja, presencial e on-line – de 2023. O profissional automotivo tem a oportunidade de assistir a aulas com demonstrações e performances, além de conteúdo teórico e prático, acompanhando o passo a passo de todo o processo da manutenção dos veículos VW. Com esse conteúdo, o reparador ganha mais autonomia para solucionar os problemas mais difíceis que chegam em sua oficina. O professor Pedro Luiz Scopino, que ministra as aulas do TV NOTÍCIAS DA OFICINA, sabe bem disso, e destaca a importância desse evento: "São muito importantes os treinamentos do TV NOTÍCIAS DA OFICINA VOLKSWAGEN, pois são informações direto da montadora para o Brasil inteiro, de norte a sul, leste a oeste. Tem tecnologia, informações precisas, ilustrações do manual da montadora e muito mais. São treinamentos que contam tudo aquilo que o reparador precisa para o seu dia a dia."
Segundo Shelli Braz, Gerente de Performance do Grupo Oficina Brasil, para conseguir uma audiência significativa e qualificada é necessária uma boa escolha do conteúdo que será abordado. “Garantir a audiência do público qualificado é um desafio que foi superado com muito sucesso. Mais de 3 mil reparadores participaram ao vivo (na modalidade presencial e on-line) somente no primeiro treinamento do ano”, conta a gerente. Ela explica que, no evento, cada participante tem a chance de deixar suas sugestões de temas
para os próximos programas, um dos segredos para se ter sucesso em treinamentos para o público qualificado. “A Volkswagen e o Oficina Brasil, como parceiros do reparador, levam em consideração cada solicitação e transformam as sugestões em conteúdo para os próximos treinamentos, acertando em cheio as dores diárias que os reparadores enfrentam no dia a dia da oficina mecânica”, relata Shelli.
Neste ano, serão realizados quatro encontros, o que demostra força e provoca uma repercussão muito positiva da marca Volkswagen junto a um público formador de opinião sobre montadoras e modelos e o principal shopper no mercado de reposição de autopeças.
Pedro Luiz Scopino afirma ainda que “os treinamentos VW são fundamentais para o reparador automotivo que quer crescer profissionalmente e entender mais sobre os veículos da montadora”. Segun-
do o professor, “são informações valiosas e que mudam o dia a dia de quem está na oficina mecânica. Existe uma diferença muito grande de informações fornecidas direto da montadora. Por isso a VW saiu na frente, pois ela foi a primeira a fazer esse trabalho de forma continuada e com informações que são atualizadas ano a ano, muitas vezes por própria sugestão dos participantes, criando um círculo virtuoso de interação que enriquece o Programa ano a ano”.
O Sr. José Diniz é um reparador engajado na busca por atualizações técnicas e só tem elogios aos treinamentos VW. Ele declara: “Acompanho há anos os treinamentos VW e só tenho que agradecer, pois sempre são temas relevantes e que me ajudam muito a me atualizar em tecnologias de veículos Volkswagen, muito presentes na minha oficina. Esse conhecimento acaba refletindo na satisfação do meu cliente que tem um carro da marca”.
Ao final de cada treinamento, o participante é contemplado com um certificado personalizado e assinado pela Volkswagen, e os que concluem toda a jornada de treinamentos recebem um certificado Premium.
Além das montadoras e dos reparadores independentes, também os concessionários Volkswagen apoiam a inciativa, pois hoje boa parte deles investe na relação com o reparador independente como público estratégico para a venda de peças, lembrando que o principal quesito para o reparador na escolha de uma peça é a qualidade.
Pensando nisso, a montadora voltou em 2023 com os treinamentos presenciais, nos quais os profissionais têm a oportunidade de se encontrarem, tirar dúvidas e estar dentro de “casa”. E claro, nas regiões em que ainda não é possível realizar o presencial, o reparador pode acompanhar ao vivo e on-line de onde estiver.
Você já pode se inscrever no próximo treinamento, sobre os Motores Turbo do Jetta, que será transmitido no dia 13 de junho, às 19h30 (horário de Brasília). Faça a sua inscrição gratuitamente e veja a concessionária mais próxima de você. Acesse agora: https:// www.noticiasdaoficinavw.com.br/ webinar/ ou fale com a gente no WhatsApp: (11) 3071-4633.
A 15ª edição do maior evento do setor de reparação e reposição automotiva contou com a presença de 1.500 marcas em cinco dias de feira no espaço São Paulo Expo!
Oevento é uma das maiores feiras do mercado de reposição automotiva da América Latina, e realiza sua primeira edição após a pandemia. Na edição 2023, a Automec contou com mais de 1.500 marcas expositoras, sendo 25% maior que a última edição. Além disso, o número de visitantes superou a expectativas de todos do evento, foram cerca de 90 visitantes únicos, e um volume de R$ 29,5 bilhões de negócios gerados no evento.
“A Automec de 2023 foi a maior da história e mostrou a força do Brasil no palco global de eventos e no setor do aftermarket automotivo. Esta edição consagrou-se como o maior evento de negócios B2B na América Latina, o maior evento de negócios do aftermarket automotivo das Américas e o segundo maior do mundo no segmento.” afirma Luiz Bellini, Diretor de Portfólio da RX.
Durante os cinco dias de evento, os visitantes tiveram a oportunidade de ver de perto o que as grandes marcas e fabricantes estão desenvolvendo de tecnologia, ferramentas e serviços para a oficina mecânica, é e claro que não podia faltar treinamento técnico para o reparador independente e mais uma vez o Grupo Oficina Brasil surpreendeu e deu um show.
Sabemos a importância de treinamento técnico aprofundado para o reparador, pois exis-
te uma carência muito grande no setor referente a troca de transmissão de conhecimento, tal conteúdo que possa mudar o dia a dia deste profissional que enfrenta desafios diários como falta de informações técnicas.
Pensando nisso, o Oficina Brasil preparou uma sala exclusiva só para os convidados, um momento em que os reparadores poderiam trocar experiências com especialistas da marca, tirar dúvidas e entender as novas técnicas e tecnologias que as grandes fabricantes estão preparando para o mercado automotivo.
Himori Mori, Consultor Técnico da NGK do Brasil, afirmou: “Hoje, cada vez mais vivemos numa sociedade de informação,
e os carros então evoluindo em uma velocidade surpreendente. E o reparador, precisa ter acesso a essas informações para ter um desempenho melhor em sua oficina”.
Foram mais de 10 eventos, 20 palestras e 1.000 reparadores impactados com conteúdos que mudam o seu dia a dia.
Priscila K. Santos, reparadora foi uma das convidadas especiais para sala vip, e destacou a importância do treinamento e de ter cada vez mais mulheres engajadas no setor e buscando informações que possam capacitá-las cada vez mais como reparadoras, e ressaltou: “Ganhamos muito com informações, técnica. É uma oportunidade única de ver o que as marcas estão desenvol-
vendo e técnicas que podem ajudar a facilitar serviços em nossa oficina mecânica”.
O evento é uma oportunidade de os reparadores terem a experiência de como será a Rota Oficina Brasil, o programa de
capacitação técnica que levará conteúdo técnico por 26 estados brasileiros.
Você não pode ficar de fora, em breve vamos divulgar as datas e cidades que a Rota irá percorrer.
Da RedaçãoA Linha Elétrica Bosch está cada vez mais completa, com produtos de alta qualidade, força e tecnologia que garantem máxima excelência em peças de reposição automotiva. São alternadores, motores de partida, reguladores, chaves magnéticas e muito mais.
Procure um Distribuidor Bosch e tenha na sua oficina a melhor opção do mercado. Saiba mais em autopecasbosch.com
Para os reparadores, a introdução da tecnologia foi um grande desafio. Era muito diferente do carburador, um “velho conhecido” das oficinas. Foi preciso estudar muito e comprar novos equipamentos até se adaptar a nova realidade.
Depois da fase da aula passada, começamos um novo capitulo nas ignições eletrônicas com o início das ignições mapeadas, no Brasil tivemos ela no Gurgel Br800
O sistema contava com uma bobina por cilindro, um sensor de vácuo e um sensor de rotação, e já foi possível, além de abolir o distribuidor, também monitorar o controle da ignição que utiliza sensores para monitorar o funcionamento do motor e ajustar o tempo de ignição para otimizar o desempenho e reduzir as emissões de poluentes.
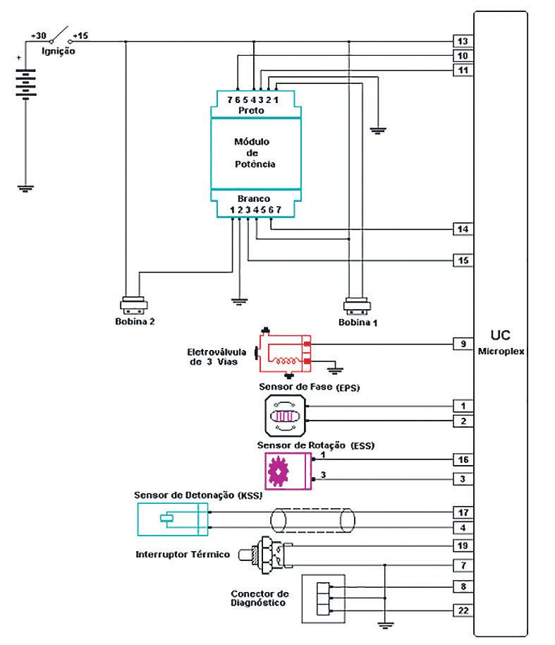
Outra ignição muito usada foi a Microplex Magneti Marelli que equipava os veículos Fiat, ela teve duas versões, a primeira com o sensor MAP da sigla do inglês Manifold Absolute Pressure (Pressão Absoluta do Coletor) incorporado internamente ao módulo.
Na sua segunda versão a única coisa que foi alterada, foi que o MAP passou a ser externo.
Vamos analisar o esquema elétrico para entender quais componentes integram esta ignição.
O sistema contava com as unidades de potência de ignição 1 e 2.
Estes responsáveis pelo estágio de potência para suportar a corrente necessária para carregar o primário das bobinas de saída duplas que chamamos de
sistema de faísca perdida, pois a faísca é fornecida nos cilindros gêmeos simultaneamente, porém um cilindro está em compressão e aproveita a faísca para a combustão e a outra faísca se perde no cilindro que está em tempo de escape, em um motor de 4 cilindros os cilindros gêmeos são 1 e 4 como também o 2 e 3.
O sensor de rotação fornece um sinal da rotação para o módulo, lendo a cremalheira do volante do motor, já o sensor de PMS / Fase vai instalado na polia do virabrequim fornecendo para a unidade qual a posição do ponto morto superior do 1º
cilindro, os dois sensores são iguais e trabalham em conjunto.
O sensor de pressão MAP fornece a pressão absoluta no coletor de admissão para que o módulo possa calcular a carga do motor.
O sistema também contava com um sensor de detonação instalado no bloco do motor, que fornecia para o módulo o momento em que no motor estava ocorrendo uma pré-ignição o para que o ponto de ignição pudesse ser atrasado.
O sensor de temperatura da água vai instalado na carcaça da válvula termostática fornecendo a temperatura do arrefecimento.
A eletroválvula de 3 vias atuava sobre a válvula dashpot
do carburador.
A ignição mapeada, mesmo ainda em motores alimentados por carburador, tem várias vantagens perante o distribuidor, além de não ter desgastes mecânicos, pois o distribuidor só tinha o avanço a vácuo e o centrífugo, a ignição recebe informação do sensor de pressão, sensor de rotação, sensor de PMS, sensor e detonação e o sensor de temperatura do líquido de arrefecimento, com essas informações o avanço ou retrocesso do ponto de ignição vai variando conforme as informações dos sensores mudam, e como o próprio nome diz a ignição trabalha em cima dos mapas pré-definidos pela engenharia com a melhor curva de ponto para cada motor específico.
A nível de ilustração vamos ver um imagem de tabela de ponto com a relação de pressão
Na parte inferior vemos a rotação que começa com 800 e vai até 7200 e do lado esquerdo na vertical vemos a pressão de 19 até 200 e no centro o avanço em graus para cada cruzamento da rotação com a pressão, os mapas também comparam temperatura com pressão e temperatura com rotação, com esse controle o avanço fica muito próximo do ideal e ainda corrigido pela informação do sensor de detonação em caso de pré-ignição ocorrer na combustão.
Outra característica é o uso de módulo de potência para cada bobina, possibilitando o uso de bobinas / transformador de ignição de alta potência que fornecem uma centelha ótima também em altas rotações e a vantagem de ter um conector para comunicação com scanner de diagnóstico de falhas.
Com o surgimento da injeção eletrônica analógica, que no Brasil começou com o Gol GTI, usava-se uma ignição micro controlada feita pela Bosch chamada de EZ+K em conjunto com a injeção eletrônica Le Jetronic, a EZ+K tinha um MAP
interno como na primeira versão da Microplex, um sensor de detonação, um de temperatura do arrefecimento e um interruptor
de mínimo que informava quando o corpo de borboleta estava fechado, a rotação do motor e o PMS era fornecido por um distribuidor com sensor do tipo hall, o módulo TSZ de potência para a bobina podia ser externo ou estar localizado internamente no módulo de injeção Le Jetronic. Esta ignição não contava com diagnóstico via scanner mas contava com uma luz espia que informava possíveis defeitos no sistema, se estivesse
tudo ok a luz espia acenderia ao se ligar a ignição e apagaria ao funcionar o motor, porém se a EZ+k identificasse uma anomalia a luz espia piscaria em uma sequência formando um código:
Código 02: Falha no circuito do sensor de temperatura da água;
Código 04: Falha no circuito do sensor de detonação;
Código 05: Falha no circuito do sensor de pressão absolutaMAP (interno à EZ+K).
A injeção da Ford EEC-IV
usava um módulo de ignição externo chamado de TFI e funcionava mais como um módulo de potência do que um módulo de ignição propriamente dito. Já nas injeções digitais tanto a parte da ignição como a parte de potência foi incorporada ao módulo de injeção ficando o sistema muito mais enxuto, principalmente no chicote elétrico que tinha que interligar os módulos, como também no diagnóstico,com muito mais informações e possibilidades.
Mecânica, elétrica, eletrônica, mecatrônica, autotrônica, híbridos, EV (veículos elétricos), semiautônomos, autônomos e veículos voadores, este é o resumo do ambiente do profissional da reparação automotiva
logia automotiva requer bons solucionadores de problemas e que tenham habilidades para trabalhar em equipe.
Naturalmente a evolução dos veículos forçam os profissionais da reparação a acompanhar os avanços tecnológicos para se manterem na atividade. Temos duas situações interessantes, sendo a primeira envolvendo os reparadores que já possuem experiencia pelo tempo de atuação na reparação automotiva e a segunda, é a situação de quem vai ingressar na atividade da reparação e se depara com um volume de informações enorme para aprender e aplicar os conhecimentos adquiridos durante as execuções dos serviços nas oficinas.
Na primeira situação temos o profissional já estabelecido e atuante no mercado da reparação, que pode ficar estacionado no tempo e reparar os carros com menos tecnologia ou se dedicar aos cursos e treinamentos de capacitação de tecnologias mais avançadas.
Na segunda situação, o iniciante terá que absorver os conhecimentos de todas as áreas da reparação automotiva, começando pela mecânica e elétrica básica e se possível, chegar até aos veículos autônomos com todas as suas complexidades de funcionamento.
(Fig.1 a 4)
O desafio atual está na atração ou motivação para ingressar na área da repara-
ção automotiva, incluindo a questão financeira, que pode motivar quando olhamos um reparador automotivo nos Estados Unidos, que pode faturar $50.000,00 dólares por ano, mesmo sabendo que a realidade no nosso país é mais preocupante, mas devemos ter a coragem de investir em conhecimento para que tenha um retorno adequado ao seu potencial. (Fig.5 e 6)
Quando o profissional se dedica aos estudos que envolvem a sua área de atuação, podem surgir oportunidades em vários campos relacionados à tecnologia automotiva.
Tecnologia de engenharia automotiva, Mecânica diesel e tecnologia, Tecnologia de engenharia eletromecânica e biomédica, Hidráulica e tecnologia de energia fluida, Tecnologia relacionada à engenharia mecânica, Tecnologia de manutenção e reparo de veículos, Manutenção e tecnologia de aviônicos.
Quem acredita e investe na sua profissão tem maiores chances de crescer neste setor, que é muito dinâmico e competitivo. Tem sido comum encontrar profissionais que atuam na reparação de aeronaves e que iniciaram a sua carreira no
setor automotivo e para atingir este nível de capacitação e competência, foi necessário estudar muito e investir muito tempo na busca de conhecimentos. (Fig.7)
Infelizmente, quando não se atinge o nível de conhecimento adequado, o profissional passa a ser um trocador de peças, na tentativa de solucionar a falha do veículo.
A grande carência na reparação automotiva está na oferta de profissionais que chamamos de pensantes, é aquele que não troca um fusível queimado, mas vai descobrir o que causou a queima do fusível. (Fig.8)
As pessoas que se dedicam ao estudo da tecnologia automotiva têm um forte desejo de entender como os sistemas funcionam, são criativos e lógicos, pois o campo da tecno -
Estas condições são necessárias para atingir níveis de conhecimentos elevados porque os veículos possuem mais tecnologia do que nunca, como habilidades de autocondução, estacionamento e frenagem automática, e essa tecnologia precisa de profissionais qualificados para construir, manter e fazer a reparação quando o veículo apresentar falhas. Como não é possível fabricar profissionais capacitados, então é preciso formar e tem início com os conceitos básicos de motores, reparo, transmissão, arrefecimento, suspensão e tecnologia da eletrônica embarcada.
A manutenção de veículos modernos envolve habilidades mecânicas, bem como uma boa compreensão dos sistemas eletrônicos que controlam os componentes mecânicos. Ser um reparador automotivo vai muito além da atividade de reparar os carros, também devemos começar a investir mais tempo educando os proprietários de veículos, para que entendam a
Antonio Gaspar de Oliveira agaspar@hotmail.com Fotos e ilustrações: Gasparcomplexidade da manutenção e reparo de veículos e isso requer conhecimento cada vez mais especializado e caro, além de ferramentas que são limitadas.
À medida que o automóvel evoluiu de um simples dispositivo mecânico para um computador móvel, atualizamos nossas habilidades, aprendemos sobre novas tecnologias e evoluímos para acompanhar as mudanças.
Só para entender a crescente complicação no setor da reparação automotiva, tente fazer um alinhamento em um novo Audi. Há alguns anos, isso levava cerca de uma hora, mas atualmente, este mesmo serviço pode demorar três vezes ou mais, porque os carros mais novos têm sistemas avançados de assistência ao motorista (ADAS), que podem manter os carros na faixa, fa-
zem curvas sozinhos, detecta pontos cegos, pedestres e outros veículos, evita colisões com frenagem de emergência e estas funções exigem que o carro tome decisões independente do motorista. Durante a manutenção destes sistemas avançados, os reparadores devem saber calibrar os sensores e câmeras com equipamentos e informações específicas e de custo elevado. (Fig.9 a 11)
À medida que mais veículos foram equipados com esses recursos na última década, o número de peças nos veículos quase dobrou. Hoje, o carro
Olhando para o futuro, tecnologias mais sofisticadas, como a inteligência artificial, que utilizam câmeras e sensores em veículos, crescerão, tornando o reparo desses veículos cada vez mais complexos e caros. (Fig.12 e 13)
Isso significa que os carros elétricos exigem treinamento e equipamentos especializados para consertar, e nem todas as oficinas estão preparadas para vivenciar este novo cenário da reparação automotiva.
Um dos maiores desafios na reparação de carros elétricos é a bateria. Embora as baterias sejam um dos componentes mais críticos de um veículo elétrico, elas também são um dos mais caros para substituir. No entanto, estão sendo desenvolvidas novas tecnologias que podem prolongar a vida útil de uma bateria, ou mesmo fazer o reparo substituindo partes ou blocos de células danificadas da bateria.
alguns casos. (Fig.14 e 15)
Aqui cabe a frase: somos movidos por tecnologia, agora podemos dizer que as oficinas possuem poucas opções e uma
delas é aderir ao mundo tecnológico para garantir a continuidade no mercado, oferecendo serviços de qualidade de nível tecnológico avançado.
médio tem 30.000 peças e os veículos novos contêm mais de 1.000 chips e semicondutores usados para tudo, desde iluminação interna, resfriamento do motor e gerenciamento da bateria até monitoramento da pressão dos pneus, controle do assento e muito mais.
Outra maneira de consertar os carros elétricos no futuro é por meio de diagnósticos remotos. Muitos veículos elétricos agora estão equipados com sensores que podem detectar problemas com o carro e enviar essas informações ao fabricante. Isso pode ajudar a identificar problemas antes que eles se tornem mais sérios e pode até permitir reparos remotos em
Em uma avaliação rápida, o mecânico poderia dizer que o caminhão veio de outra oficina e o aperto foi muito forte e os prisioneiros se soltaram, mas neste caso todos os torques de aperto ainda eram da montadora
Ocaminhão pode parar de funcionar na rua ou na estrada e o motorista vai precisar acionar o guincho e ir para a oficina mais próxima. Até aqui, o dono do caminhão e a equipe da oficina ainda não sabem o que fez o caminhão parar de funcionar.
O diagnóstico vai causar surpresa para todos ao descobrirem que a bomba de alta pressão está solta e pendurada apenas pela tubulação de entrada e saída de diesel.
A segunda surpresa vai acontecer quando identificar o que causou o deslocamento da bomba de alta pressão e porque o caminhão parou de funcionar.
Para a oficina é sempre bom receber serviços, mas sabemos que na maioria das vezes não é mais uma simples troca de óleo quando um cliente chega com o caminhão guinchado.
Cada serviço é uma surpresa e não foi diferente com o Ford Cargo 1317e, equipado com motor Cummins, que é bem conhecido pelos reparadores de veículos diesel. (Fig.1)
Como este motor está equipado com o sistema de injeção eletrônica Common Rail, logo pode-se até pensar em algum defeito eletrônico que fez o caminhão parar na estrada.
Bascular a cabine é uma maravilha para os reparadores, pois o motor e o câmbio ficam com livre acesso, permitindo um diagnóstico visual com mais
precisão.
Desta vez não foi preciso usar scanner para encontrar o defeito porque ao verificar a lateral traseira esquerda do motor Cummins, um dos mecânicos percebeu que a posição da bomba de alta pressão estava deslocada e ao colocar a mão nela, descobriram que estava totalmente solta e a surpresa foi ver que os três prisioneiros foram arrancados da caixa de engrenagens onde são rosqueados, ou deveriam estar.
Para entender o que aconteceu, é preciso observar o conjunto composto pelo bloco do
motor, a caixa de engrenagens de sincronismo, a caixa seca e o câmbio. (Fig.2 e 3)
A bomba de alta pressão é presa por três parafusos (prisioneiros) montados na placa de engrenagens que é de alumínio, mas para chegar nela e comprovar o que aconteceu, é preciso abrir caminho afastando ou removendo o câmbio, a caixa seca e aí a placa de engrenagens ficará exposta.
Com a remoção da caixa, foi possível avaliar o que aconteceu e pela sequência, primeiro foram os prisioneiros de aço que romperam as roscas de alumí-
nio, deixando os três furos lisos. (Fig.4 e 5) É possível que tenha soltado um ou dois prisioneiros e isso fez as engrenagens de sincronismo trabalharem desalinhadas, provocando marcas profundas de desgastes nos dentes. (Fig.6 e 7)
Enquanto isso, o caminhão estava rodando e o motor não apresentava falhas no funcionamento, mesmo com o desalinhamento das engrenagens, que ainda mantinha o sincronismo.
Quando houve o rompimento das roscas do terceiro parafuso, a bomba de alta pressão literalmente caiu, ficando pendurada apenas pelos tubos de alimentação de combustível.
O que fez o motor parar de funcionar foi a bomba de alta pressão que perdeu o contato sincronizado com a engrenagem de acionamento da árvore de comando de válvulas.
Com a bomba de alta pressão deslocada, o sistema de inje -
Antonio Gaspar de Oliveiração eletrônica deixou de receber combustível e o motor parou de
funcionar.
Em situações como esta, não dá para explicar para o cliente, sendo o melhor a fazer é chamar e mostrar para ele tudo que aconteceu. Aproveitando que o motor e o câmbio estavam separados, foi importante para analisar as condições do conjunto da embreagem, que já estava com desgaste elevado e a troca foi recomendada e assim economizar na mão de obra.
Não dá para querer recuperar a caixa de engrenagens que é de alumínio e neste caso tem dois motivos.
1- Recuperar rosca que suporta parafusos de um componente de extrema importância como a bomba de alta pressão, é correr risco sem necessidade, não compensa, o melhor é instalar uma peça nova e com garantia.
2- Como a bomba de alta pressão trabalhou desalinhada,
a engrenagem ficou roçando na carcaça e desgastou tanto que atravessou, fazendo um furo, sendo assim mais um motivo para condenar definitivamente a caixa de engrenagens e optar pela instalação da peça nova.
Com a chegada das peças novas compostas pelo kit de embreagem, a engrenagem da bomba de alta pressão, a engrenagem de acionamento da árvore de comando de válvulas e pela caixa de engrenagens nova e com os prisioneiros bem rosqueados, foram feitas as monta-
não sabem o que fez os três parafusos serem arrancados da caixa de engrenagens.
Instalar peças novas e de qualidade comprovada é a primeira condição para garantir que o serviço não vai dar retorno e causando mais transtornos para os dois lados (oficina e proprietário do veículo).
Aplicar os torques de aperto correto em cada parafuso ou porcas é fundamental para completar o serviço com toda qualidade necessária.
Verificar mais de uma vez o sincronismo das engrenagens para ter a certeza de que cada componente que depende deste sistema vai funcionar corretamente. (Fig.10)
gens.
Toda vez que uma oficina executa um serviço pela primeira vez, como neste caso, os cuidados devem ser maiores porque é uma situação que a equipe da oficina e o dono do caminhão
Em algumas regiões do interior do estado de São Paulo é comum ouvir uma frase: o motor dormiu. Esta frase expressa a alegria de ouvir o motor funcionando corretamente, revelando que o serviço, mesmo que tenha sido bruto, foi muito bem-feito e a satisfação é válida para a oficina e sua equipe e incluindo o dono do veículo.
(Fig.8 e 9)Quando dizemos que um motor tem potência de 200 cavalos e um torque de 20 Kgf.m, dados facilmente encontrados em sites com informações técnicas sobre automóveis, estes valores estão associados com uma determinada rotação do motor, assim sendo um motor aspirado de 20 kgf.m de torque não vai fornecer essa força em qualquer regime de rotação. (Fig.1)
Em rotações menores do motor como regime de marcha lenta, rotação esta que é suficiente para vencer as resistências mecânicas e manter o motor em funcionamento com o veiculo estático, o fluxo de ar no motor tem baixa energia cinética, com velocidades do ar subsônicas, quando o número de Mach é menor que 1 ( Mach<1). Por estas razões é mais difícil preencher o cilindro 100%, sendo assim a eficiência volumétrica do cilindro é baixa em rotações menores para motores aspirados, portanto o torque do motor nestas condições é menor. Quanto mais ar dentro do motor, maior será o torque, desta forma à medida que a rotação do motor vai aumentando, como consequência terá maior volume de ar, ou seja, mais carga de ar no motor, com isso o enchimento do cilindro será mais eficiente, e como consequência teremos um torque maior, até que ele atinge seu ponto máximo de torque. À medida que o fluxo de ar vai
aumentando dentro do motor, o torque atingirá o pico máximo, e mesmo que a rotação aumente mais o torque não irá mais subir, este efeito ocorre devido às perdas de carga de ar, em regimes de altas rotações as válvulas de admissão e escape abrem e fecham muito rapidamente, dificultando a passagem de ar e assim sendo afetando o aumento de torque. A curva de torque não é somente determinada pela eficiência volumétrica, temos outras eficiências que cooperam para tal objetivo, como eficiência térmica e eficiência mecânica.
Eficiência térmica - Com baixas rotações do motor, a velocidade de combustão é menor, assim a troca de calor do motor com o sistema de arrefecimento mantém o motor mais frio, logo em condições de altas rotações a troca de calor do motor é menor, favorecendo as condições de torque.
Eficiência mecânica - Em contrapartida da eficiência térmica, altas rotações do motor podem vir a danificar as estruturas mecânicas do motor, devido ao aumento do atrito,
sendo assim para todo objetivo de torque e potência do motor, tudo deve ser alinhado e trabalhado dentro dos parâmetros de segurança. Se o objetivo é torque, os elementos mecânicos devem ser suportados para tal carga, o óleo deve atender à viscosidade para tal condição, assim como as resistências mecânicas.
Massa específica dor ar - A massa específica do ar é medida geralmente em g/m³, o ar é composto por nitrogênio, oxigênio como principais gases e 1% de outros gases. O ar seco a nivel do mar, com pressão de 1 atmosfera e 15ºC, tem peso de 1225 Kg/m³, porém esse valor se altera conforme mudanças de temperatura e altitude.
Massa específica da gasolina E25 - Sua massa específica é de 715 Kg/m³ a 20°C, sua composição é adicionada etanol anidro, fórmula química C8H18.
Massa específica do etanol - Sua massa específica é de 789 Kg/m³, também conhecido com álcool etílico, fórmula química C2H6O.
Cilindrada do motor - A cilindrado do motor é medida em litros, podemos dizer que um motor 2.0 de quatro cilindros é um motor de 2 litros, em que para cada cilindro temos 500 ml, para cálculos essa medida é usada em metros cúbicos m³, então um motor de 2 litros é 0,002 m³.
Relação ar/combustível - A relação ar/combustível é a proporção da massa de específica do ar em razão da massa específica do combustível, podemos verificar a relação A/f na tabela abaixo:
Relação ar/ combustível Tipo de combustível
13,28 Gasolina E25
9 Etanol
14,5 Diesel
6,47 Metanol
14,5 Querosene
Poder calorífico do combustível - O poder calorífico do combustível é a quantidade de energia armazenada na substância do mesmo, quanto mais alto o poder calorífico do combustível maior será a energia emitida por ele, sua unidade de medida é em KJ/Kg, podemos ver na tabela abaixo.
Tipo de combustível Poder Calorífico
Gasolina 47800
Etanol 27200
Diesel 44700
As variáveis para trabalhar as condições de torque são:
Onde: T.e = (E.f).(E.v). (M.ar).(C.m).(A/f).(P.c.c) – At / 4π
T.e = Torque no eixo virabrequim
E.f = Eficiência térmica
M.ar = Massa específica do ar
C.m = Cilindrada do motor A/f = Relação ar/combustível P.c.c = Poder calorífico do combustível
At = Atrito do motor
Pressões atuantes no cilindro do motor - Durante a combustão do motor as pressões variam de acordo com o movimento rotacional do eixo de comando de válvulas e do movimento retilíneo do pistão. Temos alguns tipos de pressões atuantes no motor, são elas:
1. Pressão de compressão;
2. Pressão de combustão;
3. Pressão de admissão;
4. Pressão de exaustão.
Pressão de compressãoEsta pressão é encontrada dentro do cilindro do motor quando o pistão está em PMS (Ponto morto superior), comprimindo o ar sem o efeito da combustão. A medição desta pressão pode ser realizada retirando uma vela de ignição e instalando um manômetro ou transdutor no orifício da vela, pressões estas podem variar de 10 a 16 Bar. Desligando a bobina de ignição, e aplicando partida no motor será possível medir a pressão de compressão. Os valores de compressão obtidos em um motor dentro do especificado garantem uma boa vedação dos elementos mecânicos. Baixa compressão do motor pode gerar consumo de óleo lubrificante, perda de potência, marcha lenta instável, difícil partida do motor, vela de ignição carbonizada. (Fig.2)
Pressão de combustãoQuando o pistão está comprimindo o ar partindo de PMI para PMS, o avanço de ignição
Vamos compreender um pouco a influência das pressões nos motores de combustão interna, como a dinâmica do ar pode impactar no torque do motor
irá atuar no melhor ponto para buscar o melhor torque do cilindro, quando o pistão está próximo do PMS, a pressão de compressão sem o disparo de ignição pode estar na casa dos 6 a 8 Bar de compressão em condições de marcha lenta, quando a centelha inflama a mistura ar/ combustível, a pressão de combustão pode alcançar valores de
40 a 60 Bar de pressão, atingindo temperaturas de 2000 °C a 2400°C. (Fig.3)
Pressão de admissão - A pressão de admissão é a pressão do ar que irá entrar dentro do cilindro no momento da abertura da válvula de admissão. A pressão de admissão pode ser obtida com um sen -
sor MAP ou um transdutor de pressão, sua pressão varia entre 0,3 e 0,5 Bar, esta pressão determina a carga do motor, e através destes parâmetros será determinada a injeção de combustível. A pressão atmosférica a nivel do mar sabemos que está em 1 Bar ou 1 ATM. Um motor com a borboleta máxima aberta irá ter 1 Bar de pressão de admissão, logo em um motor em regime de marcha lenta, o corpo de borboleta irá fechar praticamente mais de 90%, restringindo a pressão do ar atmosférico, logo as movimentações dos pistões geram vácuo, e isso faz com que a pressão do coletor de admissão trabalhe em regime de pressão abaixo da atmosfera, entre 0,3 a 0,5 Bar, esta diferença de pressão ajuda na velocidade do ar den -
tro do motor.(Fig.4)
Pressão de escapamento - A pressão de descarga é a pressão do gás da combustão no final da exaustão, quando a válvula de escape se abre o gás flui pelos dutos de escape até a atmosfera novamente, esta pressão é de 1 bar até 2 Bar
com o cilindro em combustão. Pressões acima destes valores caracterizam uma obstrução do catalisador, afetando assim o torque do motor. Ferramentas como transdutores podem observar estes fenômenos de obstrução dos gases, para isso deve se aplicar a ferramenta no local da vela de ignição para realizar a leitura das pressões, esta análise deve ser realizada com o motor apenas em regime de compressão sem combustão. (Fig.5)
Jordan Jovino é Engenheiro Mecânico, atualmente pósgraduando em engenharia automotiva na PUC-MG, com passagem em multinacional atuando na qualidade e hoje Sócio-Proprietário da Jovino Transdutores
“Consultor OB” é uma editoria em que as matérias são realizadas na oficina independente, sendo que os procedimentos técnicos efetuados na manutenção são de responsabilidade do profissional fonte da matéria. Nossa intenção com esta editoria é reproduzir o dia a dia destes “guerreiros” profissionais e as dificuldades que enfrentam por conta da pouca informação técnica disponível. Caso queira participar desta matéria, entre em contato conosco: redacao@oficinabrasil.com.br
Vamos apresentar o passo a passo de toda a dinâmica que envolveu este caso que exigiu do técnico tanto competências técnicas, realização de testes seguindo uma metodologia de análise de falhas, quanto aspectos psicológicos – imparcialidade, análise crítica do resultado dos testes, visão sistêmica, inteligência emocional, dentre outros.
Os resultados dos testes falam por si.
Peço gentil e humildemente licença aos sábios leitores para falar sobre uma característica psicológica muito comum na maioria das pessoas:
“Tirar conclusões precipitadas com base em evidências limitadas”.
Fazemos isso o tempo todo muito mais do que percebemos. Daniel Kahneman até criou um termo para isso: WYSIATI, as iniciais de what you see is all there is (que significa: o que você vê é tudo que existe).
Mas afinal, o que isto tem a ver com diagnóstico automotivo?
Explico: o caso que será apresentado desafiou o técnico a ver “além” dos resultados dos testes - talvez este seja o maior desafio que temos ao realizar um diagnóstico de falhas do veículo. Um sintoma pode ser oriundo de várias falhas e estas por sua vez de outras dezenas de causas diferentes, isso evidencia
a complexidade em se encontrar a causa raiz de uma anomalia. O resultado dos testes que realizamos nos informa a falha que está ocorrendo e não propriamente a causa. Para encontrá-la é necessário o domínio das técnicas de diagnóstico, aplicação de ferramentas e equipamentos específicos e, sobretudo, ter a habilidade necessária para manter o conhecido “sangue frio”, ou controle emocional para não sair desmontando o veículo trocando peças desnecessárias devido a conclusões precipitadas.
Este caso foi cedido, gentilmente, pelo técnico automotivo Marcio Rodrigo de Oliveira, proprietário da Infinity Auto Service e consultoria Ltda, situada na cidade de Pouso alegre no estado de Minas Gerais.
A empresa Infinity Auto Service foi contratada pela oficina Automec, também localizada na cidade de Pouso Alegre, para realizar uma consultoria a fim de solucionar um caso de uma
BMW X1 Sdrive 2.0 TURBO
ANO 2013, que desafiou até os mais experientes técnicos dessa oficina, que tentaram de tudo, mas não conseguiram encontrar a causa da falha. (Fig.1)
2. Histórico e coleta de informações
Antes de iniciar o diagnós-
tico, Márcio Rodrigo solicitou todas as informações pertinentes ao caso ao proprietário da oficina contratante, o qual o fez em detalhes.
O proprietário do veículo chegou na oficina Automec relatando alto consumo de combustível. Diante da reclamação do cliente, o proprietário da oficina pediu a um de seus técnicos que realizasse uma inspeção técnica do veículo. Ao iniciar as verificações observou no painel de instrumentos que o veículo tinha rodado 56.000 Km.
De posse desta informação, o proprietário da oficina sugeriu ao dono do veículo a substituição das velas de ignição. O proprietário concordou e autorizou a troca. Como a oficina também era loja de autopeças, solicitou a um de seus fornecedores que enviasse um jogo de velas originais do veículo em questão.
Foi após a troca das velas que ocorreu o evento inusitado: o veículo não entrou mais em funcionamento.
A partir deste momento, começou o drama da oficina, pois o veículo chegou com um possível excesso de consumo de combustível, agora após a primeira intervenção, o veículo nem sequer entrava em funcionamento.
Diante desta situação, os mecânicos tentaram de forma
exaustiva funcionar o veículo, mas sem obterem êxito. Por fim, colocaram as velas usadas e, com muita dificuldade, o motor entrou em funcionamento, mas de forma irregular e com um cheiro muito forte de combustível no escapamento.
Esse foi o resumo dos acontecimentos que ocorreram na oficina antes de contratarem os serviços da Infinity Auto Service.
O que diferencia um diagnóstico avançado de um tradicional? Será que é pela utilização de instrumentos e equipamentos exclusivos e de alta precisão? Ou é devido a aplicação de técnicas específicas de diagnósticos e metodologias que garantem a análise de todos os detalhes a fim de identificar a causa que originou a anomalia?
Acredito que pela combinação de ambas... pois um diagnóstico só será bem-sucedido se houver o perfeito equilíbrio entre investimento em ferramentas, instrumentos e equipamen-
tos e capacitação profissional.
Foi exatamente com essa combinação que o técnico Marcio Rodrigo conseguiu elucidar o caso.
Após elaborar um plano de ação, contendo o passo a passo dos testes e procedimentos que seriam executados, o primeiro passo foi a reinstalação das velas novas a fim de verificar o funcionamento do motor do veículo com estas.
Com muita dificuldade colocou o veículo em funcionamento, entretanto, observou que o motor apresentava falha, proveniente do mau funcionamento do quarto cilindro.
O próximo passo foi a análise de funcionamento tanto da bobina de ignição quanto do injetor de combustível do respectivo cilindro que apresentava defeito (cilindro 4), a fim de encontrar alguma anomalia ou falha intermitente. O resultado de ambos os testes mostrou um funcionamento normal dos componentes.
Nesse momento, em que muitos reparadores poderiam entregar os pontos e desistir do
1. IntroduçãoNesta matéria vamos analisar um caso bastante peculiar e vamos entrar no universo dos veículos importados com todas as suas características, desafios e particularidades da sua complexidade tecnológica.
veículo, me lembrei de uma citação do poeta e escritor estadunidense nascido na Alemanha Charles Bukowski: “As pessoas que resolviam as coisas, em geral, tinham muita persistência e um pouco de sorte. Se a gente persistisse bastante, a sorte normalmente chegava. Mas a maioria das pessoas não podia esperar a sorte; por isso, desistia”.
Neste contexto, Márcio Rodrigo era um técnico que não desistia assim tão fácil de uma boa “briga” com os veículos que o desafiavam. Assim, o próximo teste que realizou foi uma resposta à altura do desafio que estava a sua frente. Utilizando-se de um osciloscópio Picoscope de 4 canais realizou o teste de compressão relativa. (Fig.2)
Após a realização do teste foi constatado que o cilindro número 4 estava com 80% de eficiência, muito baixa comparada com os demais cilindros.
Essencialmente, essa informação foi um verdadeiro divisor de águas, pois, a partir dela o técnico focou na análise do que estava causando esta perda de compressão.
Desta forma, solicitou a remoção das velas novas que estavam no veículo e após uma verificação minuciosa das mesmas, constatou que uma delas, que estava instalada no quarto ci-
las novas que foram adquiridas. O proprietário respondeu que tinha sido fornecida por um importador. O técnico então pediu para ver a caixa que vieram as velas, pois começou a ter dúvidas em relação a sua procedência. (Fig.4)
que o caso estava quase sendo elucidado. (Fig.5)
Para concluir o diagnóstico e finalizar o caso, o técnico mediu a resistência elétrica das velas originais que tinham um valor de aproximadamente 3.9 Kohms e ao medir a resistência das velas do importador a diferença foi gritante, pois elas apresentavam uma resistência elétrica em torno de 14Kohms.
com 99% de eficiência. (Fig.7)
Mesmo diante do problema solucionado, o técnico ficou intrigado sobre o que havia originado a perda de compressão do quarto cilindro.
lindro, estava quebrada, provavelmente causada no momento da remoção das mesma quando foram recolocadas as velas antigas, isto aconteceu possivelmente devido a não utilização da ferramenta especial que deve ser utilizada para sua remoção.
Neste ponto de seu raciocínio, Márcio imaginou que os pedaços da louça da vela haviam caído dentro do cilindro na hora de sua remoção e que poderiam ter entrado no meio de alguma válvula e causado seu empeno.
Assim, para confirmar suas suspeitas ou descartar essa possibilidade, o técnico realizou um teste utilizando um transdutor piezoelétrico, instalando-o no coletor de admissão e analisando seu sinal no momento da partida do motor, este teste também é conhecido como TVA na partida. Observe o resultado da captura realizada pelo osciloscópio. (Fig.3)
Ao observar o sinal exibido em vermelho o técnico pôde concluir que não havia nenhuma anomalia nos componentes mecânicos do motor do veículo, descartando, definitivamente, esta possibilidade.
Para chegar à resolução deste caso, Márcio sabia que precisava ir mais a fundo, dessa forma, perguntou ao proprietário da oficina qual a origem das ve -
Mesmo diante das caixas que continham o logo da BMW, Márcio solicitou ao proprietário que comprasse novas velas diretamente na concessionária BMW, que assim o fez.
Após 2 dias, o proprietário do veículo trouxe as velas originais adquiridas da concessionária. Ao comparar as velas, Márcio teve uma grata surpresa: havia duas diferenças gritantes: a primeira era em relação ao cromo das velas da concessionária (vela lado esquerdo) com as velas do importador (vela lado direito), e a segunda era referente à gravação a laser das velas da concessionária e a gravação opaca das velas do importador. Essas duas constatações já eram um claro indicador de
Com uma confiança inabalável, o técnico Márcio Rodrigo partiu para a instalação das velas originais provenientes da concessionária no motor do veículo. Já na primeira partida o motor do veículo funcionou sem apresentar nenhuma falha. (Fig.6)
A fim de identificar o possível causador, analisou com bastante critério as velas do importador e viu que a arruela de vedação e a face de encosto do cabeçote estavam com a coloração preta.
Concluiu que além de ter resistência muito alta a vela do importador, mesmo sendo apertada com o torque correto de 30Nm, apresentava deficiência de vedação em sua arruela e por isso a compressão estava vazando através dela.
Para confirmar a qualidade do diagnóstico o técnico realizou novamente o teste de compressão relativa, e para sua alegria o cilindro número 4 ficou
Enfim, caros reparadores, este caso além de apresentar todas as técnicas, procedimentos e metodologias envolvidas neste diagnóstico, nos mostrou também todos os transtornos e perigos ao se aplicar peças de procedência duvidosa, mesmo estas apresentando todas as características físicas da peça original fornecida pelo fabricante. Até a próxima!
“Consultor OB” é uma editoria em que as matérias são realizadas na oficina independente, sendo que os procedimentos técnicos efetuados na manutenção são de responsabilidade do profissional fonte da matéria. Nossa intenção com esta editoria é reproduzir o dia a dia destes “guerreiros” profissionais e as dificuldades que enfrentam por conta da pouca informação técnica disponível. Caso queira participar desta matéria, entre em contato conosco: redacao@oficinabrasil.com.br
Um caso raro, com grande dificuldade de solução, que ninguém resolve em sua região, requer um planejamento e administração do tempo dedicado ao trabalho, para que seja rentável e com solução efetiva
a solução, ou seja, devemos aprender que somos uma ponte para a solução, e não podemos absorver a energia e o problema para nós. É duro, mas essa é a pura realidade que devemos aplicar como gestores e gestoras de oficinas fortes.
Cada empresa tem a sua particularidade, cada mecânico ou mecânica tem suas preferências por marca, modelo ou sistema do veículo. Uma falha pode ser complicada para um generalista, mas simples para um especialista!
Eu sou o cara, eu sou o que resolve tudo, eu sou o top dos tops!!!
Cuidado amigo gestor e amiga gestora, é o momento de ser mais racional que emocional! Isso mesmo, se você quer ter alta produtividade e ter rentabilidade, tem que ter foco em seus negócios, e casos com falhas complicadas podem transformar a sua oficina em um ESTACIONAMENTO DE PROBLEMAS! E sendo um estacionamento, de uma pra outra, podemos ter um estacionamento lotado, com tantos problemas, que não damos conta que não tem entregas, ou seja, não há faturamento.
Esse problema não é meu!
Parece um simples jargão, mas esse problema não é meu, é simplesmente uma forma de enxergar de uma forma bem simples e direta, que a oficina é um meio para a solução do problema, e esse problema é do cliente. Nós não somos o problema, o problema é do carro e de seu proprietário, nós somos o caminho para
As escolhas são do gestor, os problemas também
Será que ser o “resolve tudo” é uma boa e lucrativa solução? Pode ser que sim, mas também pode ser negativa essa resposta. As escolhas são do gestor, mas quando há uma grande demanda de carros com problemas sérios em sua empresa, se não houver a saída dos mesmos, teremos verdadeiros pacientes com dias, semanas, meses ou até anos de internação na empresa de reparação automotiva! E isso, com toda a certeza, não é lucrativo para a empresa. Carro parado é dinheiro perdido, carro parado é vaga ocupada e ainda sem cobrar estacionamento. O custo do boxe de trabalho parado é algo sério para se pensar no nosso setor automotivo.
O valor do orçamento ou do diagnóstico pode ser em horas flexíveis
Uma das soluções para casos de difícil reparação é a cobrança por horas efetivamente trabalhadas, divididas em etapas, com descrição dos testes efetuados e mencionados, etapa por etapa. Como por exemplo, teste de compressão do motor, teste de vazão de cilindros, teste de bateria e sistema de carga, teste de pressão de combustível, etc. E para cada teste, devemos ter as horas trabalhadas e o valor real a
ser cobrado, e para cada etapa de testes deveremos apresentar o que será feito, e qual o tempo em horas trabalhadas será necessário, e qual valor será cobrado.
Esse BO não é meu! Portanto, pare de sofrer com os problemas financeiros do seu cliente, pare de sofrer com aquele modelo de carro que não tem peças disponíveis, pare de sofrer com aquele carro que tem uma falha crônica, pare de sofrer com aquele carro que não tem informação disponível, entre outras dificuldades do setor automotivo!
Toda empresa existe para gerar lucratividade, e isso rima com produtividade e tem ligação direta com a entrada e saída de carros em seu dia a dia, ou seja, aquele carro com aquele pequeno, mas gigante, problema, fica dias, semanas,
meses, semestres em sua empresa, e nada de sair, e nada de faturar! Podemos, como uma solução que aplicamos na Scopino Auto Club, é limitar em 3 boxes de problemas do tipo BO, ou seja, enquanto não liberar uma destas 3 vagas, não podemos receber outro problema do tipo grave. Assim nos limitamos a terminar um dos BO para receber outro veículo com sério problema. Temos que ser e pensar cada vez mais como empresários, afinal de contas, esse problema não é meu!
Pensem nisso! Mas não se esqueçam, que além de ser mecânico, tem que ser gestor. Transforme a sua empresa
em uma oficina forte! Faça a gestão da sua empresa, ela é muito importante e vital para a vida empresarial!
PRÓXIMOS TEMAS
Aula 77 Saindo de férias
Aula 78 Estoque de serviços
Aula 79 Venda mais acessórios
Aula 80 Aumentando o ticket médio
Abraço a todos e até o próximo mês e $UCE$$O!
Apoio:
Mecânico de Autos Profissional, Bacharel em ADM de Empresas, diretor da Auto Mecânica Scopino, idealizador do movimento Oficina Forte, professor do Umec e da TV Notícias da Oficina VW, integrante GOE e dos Mecânicos Premium, ministra treinamentos e palestras por todo o Brasil. Contrate um professor que tem uma empresa e experiência no setor automotivo.scopino@automecanicascopino. com.br - Instagram: @professorscopino @oficinaforte
Para quem busca praticidade e conveniência no mercado de reposição, além de peças de alta qualidade e desempenho, a ZF Aftermarket e suas marcas LEMFÖRDER, SACHS, TRW e WABCO são referências. Com vasta experiência na indústria automotiva, essas marcas são líderes em suas respectivas categorias.
A LEMFÖRDER, parceira de confiança de mais de 50 montadoras do mundo inteiro, é conhecida por seu pioneirismo e excelência no desenvolvimento de peças para veículos comerciais e de transportes de passageiros. A SACHS, por sua vez, é referência em embreagens para carros de passeio e veículos comerciais. Todos os anos, ao todo, 10 milhões de veículos novos saem das linhas de produção equipados com produtos SACHS.
A TRW, reconhecida por sua competência em tec -
nologia e segurança de alto padrão, está presente em praticamente todos os modelos de carros de passeio. Já a WABCO conta com soluções inovadoras que
garantem segurança e controle veicular para caminhões e carretas. Por fim, a marca ZF traz toda a excelência e tradição da ZF em componentes de transmissões, eixos para carros de passeio e veículos comerciais.
Além de suas reconhecidas marcas, a ZF Aftermarket possui uma ampla rede de serviços e soluções digitais para frotistas de todos os tipos. Para completar a experiência, a ZF oferece gratuitamente treinamentos para mecânicos e vendedores de autopeças. Já para os donos de oficinas nasceu a plataforma Oficinas ZF [pro] Tech, acesse https://aftermarket.zf.com/br e conheça mais.
Você que é um especialista da reparação automotiva pode contar com as soluções da ZF Aftermarket em todo o País, onde estiver e em todos os momentos.
Com um visual diferente, a Ipanema modernizava o segmento das peruas médias com motores potentes, conforto e tecnologia
Ao fazer sua apresentação pública durante o Brasil Transpo, ocorrido em outubro de 1989, em São Paulo, a General Motors preenchia a lacuna deixada pela Marajó, com a perua Kadett, batizada de Ipanema. A estratégia da marca com o novo produto era clara: aumentar significativamente sua participação de mercado, no segmento de peruas de porte médio. Neste campo, a finada Marajó nunca conseguiu competir de frente com a então líder de vendas do setor, a Parati, e a versátil Elba, da Fiat.
A Elba, aliás, inovou para melhor, já que na linha 1990 o fabricante de Betim passava a oferecer a versão de quatro portas, antes restrita à exportação. Esse era o ponto negativo da
Ipanema, que, mantinha o antigo conceito de duas portas, uma escolha que continuaria a penalizar o conforto dos fiéis seguidores da marca Chevrolet.
Com a Ipanema a General Motors incorporava todas as (modernas) soluções aplicadas no Kadett, como a dianteira dotada de linhas arredondadas, teto sem calhas e os vidros colados rentes à carroceria, recursos que buscavam a menor resistência aerodinâmica possível. Isso ficava comprovado pelo coeficiente de arrastado aerodinâmico, com um Cx de apenas 0,35, valor bem baixo para uma perua, ligeiramente maior que o do Kadett SL e SL/E, que era de 0,32.
Porém o que impressionava à primeira vista era a traseira reta, com um corte abrupto, ao contrário do que se via na produção brasileira de perua naquele período, em que esses modelos adotavam uma leve inclinação na tampa do
porta-malas. O visual da traseira, na verdade, tratava-se do caso no qual a função cedia lugar à forma, já que o desenho reto favorecia muito a arrumação da bagagem ou da carga. Também vale salientar que peruas como a Dodge Kingsway e a DKW-Vemag Vemaguete adotavam tal estilo de traseira. Era um arranjo estético que ganhou força na Europa em meados dos anos de 1980 e fez escola a partir das peruas Volvo.
Apesar do desenho da traseira dividir opiniões, o corte reto da tampa do porta-malas favorecia a visibilidade. Enquanto no Kadett as largas colunas traseiras prejudicavam a visão periférica, na perua as estreitas colunas favoreciam a visão do motorista pelo espelho retrovisor interno.
Outra vantagem da Ipanema era a sua estabilidade, pois a distribuição de peso ficava mais equilibrada, já que a carroceria com teto mais longo, um novo tanque de combustível de 50 litros (47 no Kadett) era posicionado antes do eixo traseiro, que melhorava a distribuição de peso e na segurança. Comparado ao Kadett (4,07 m) a Ipanema media 4,31 metros de comprimento e mantinha o mesmo entre-eixos de 2,52 m. Quanto à suspensão, na dianteira foi mantido o sistema independente do tipo McPherson. Na traseira é que estavam as diferenças de arranjo quando comparadas ao Kadett: o eixo rígido permaneceu o mesmo, mas os amortecedores foram reposicionados, passaram a ser inclinados ao invés de verticais. Isso contribuía para que as torres de suspensão não atrapalhassem o espaço do porta-malas.
A barra estabilizadora traseira passou de 14 mm para 16 mm de diâmetro. Outra novidade que a Ipanema oferecia no campo da segurança era referente à válvula equalizadora do freio traseiro. Ela era instalada em posição central, ao contrário das outras peruas, que ficava alojada nas extremidades; isso permitia uma melhor distribuição da pressão nas duas rodas traseiras. Os freios eram a disco ventilado na dianteira e a tambor na traseira. Um opcional interessante era o sistema para inflar os amortecedores traseiros por meio de ar comprimido. Isso permitia nivelar a altura da carroceria, independente do peso da carga transportada, o que favorecia a dirigibilidade e as frenagens.
Na parte mecânica, a Ipanema era equipada com o motor de quatro cilindros, de 1,8 litro, com potência de 95 cv tanto na gasolina como no álcool, porém
a potência máxima aparecia em regimes de rotações diferentes (5.800 rpm na gasolina e 5.600 rpm no álcool). O torque máximo era de 14,9 m.kgf no combustível fóssil e 15,1 m.kgf no álcool, ambos a 3.000 rpm. Acoplado ao motor estava o câmbio manual de cinco marchas, configuração 4+E (quatro marchas reais e uma de economia), dentro do conceito de sobremarcha (Overdrive). O comprador também tinha à disposição, como opcional, o câmbio automático de três velocidades.
A Ipanema era oferecida em duas versões de acabamento, a básica SL e a luxuosa SL/E. na versão topo de linha, o acabamento era mais aprimorado com bancos todo revestido em tecido, painel de instrumentos com hodômetro total e parcial, além do conta-giros. Também havia sistema de advertência sonoro de lanterna/farol ligados, relógio digital no console central, controle temporizador da luz de teto ligado por 15 segundos, além de iluminação no compartimento de bagagem, porta-luvas e cofre do motor.
A lista de opcionais na versão SL/E era vasta e podemos citar entre os acessórios o trio elétrico (vidros, travas e retrovisores),
coluna de direção regulável em altura, direção com assistência hidráulica, ar-condicionado, rádio toca-fitas, além do sistema de verificação de funções (check-control) e computador de bordo com 7 funções. Em ambas as versões de acabamento as rodas eram de aro 13 polegadas, calçadas com pneus radiais 165 R 13, sendo que na versão SL/E o comprador podia optar pelas rodas de alumínio.
Para a linha 1992, os fabricantes preparavam-se para normas de emissões poluentes mais rigorosas (fase 2 do Proconve) adotando catalisador e/ou injeção eletrônica. A GM fez a opção pela injeção eletrônica para as linhas Monza e Kadett, desse modo os modelos abandonavam em definitivo o carburador. Nas versões de 1,8 litro foi adotado o sistema monoponto digital com ignição integrada, designado como EFI (sigla apenas de Electronic Fuel Injection). O motor passava a 99 cv a álcool e 98 cv a gasolina.
Embora a Ipanema fosse uma perua média dotada de um bom espaço interno, principalmente no compartimento de bagagens, a versão familiar da linha Kadett carecia do fato de não oferecer uma versão dotada do motor de
2 litros, mesmo que suas rivais na ocasião também não ofertassem tal trem de força nessa cilindrada. Outro ponto desfavorável para a Ipanema era que em plena era quatro portas, ela estava restrita à opção de duas portas. E por fim, o estilo reto da traseira não agradou a todos.
Mas antes tarde do nunca, a GM fez uma correção de rota para o veículo de uso misto derivado do Kadett. Em abril de 1993, a Chevrolet decidiu incorporar as quatro portas e encerrou a produção do modelo de duas portas. Outra boa novidade, era que a versão SL/E só seria oferecida com o motor de 2 litros (a versão SL, todavia, permanecia com o motor 1,8 litro). O resultado final de todas essas mudanças foi uma perua média, que ganhava atrativos, não só por um conjunto mecânico mais potente, mas também pelas linhas que ficaram mais equilibradas com a adição de mais duas portas. Em 1º de junho, a fábrica de São José dos Campos atinge a marca de 30 mil Kadett Ipanema produzidas.
O aumento de torque e potência em relação à versão SL/E de duas portas, conjugado somente com 27 kg a mais de peso, deram vida nova à Ipanema. O modelo ficava bem mais ágil em aceleração e velocidade máxima. O motor Família II, de 2 litros com
injeção eletrônica monoponto fornecia potência de 110 cv na gasolina, quando abastecido com álcool ganhava mais 6 cv. Já o torque máximo era de 16,6 m.kgf no motor a gasolina e 18 m.kgf no combustível vegetal, ambos a 3.200 rpm.
Segundo os testes realizados pela revista Auto Esporte, a Ipanema SL/E, equipada com o motor de 2 litros a gasolina atingiu velocidade máxima de 179 km/h, e aceleração de 0 a 100 km/h foi efetuada em 12,1 s.
A publicação também notou que não era preciso reduzir tanto de quinta para quarta marcha nas ultrapassagens. Como novidade, a GM passava a oferecer como opcional o freio a disco nas rodas traseiras. Uma correção que poderia ter sido feita pela a engenharia da GM, era referente à medida dos pneus, que permaneceram na medida 165 R 13.
A novidade na linha 1994 era o tanque de combustível que aumentava para 65 litros, além da nomenclatura que passava a ser GL e GLS, unificado com o restante da linha GM. Em 1995 para atender à alta demanda pelo Corsa, a Ipanema deixa ser fabricada em São José dos Campos, interior de SP, passa a ser produzida no complexo de São Caetano do Sul, no Grande ABC. Nesse ano também a Ipanema perde a versão topo de
linha GLS, substituída pela Astra Wagon, importada da Bélgica.
Mudanças estéticas eram efetuadas para a linha 1996, que ganhava um melhor acabamento externo, com a introdução de novos para-choques, agora pintados na mesma cor da carroceria e a grade dianteira que estava mais alinhada ao estilo dos Opel alemães. A linha Ipanema passa a contar somente com a versão GL, podendo receber o motor 1,8 ou 2 litros. Outra novidade era a medida dos pneus que aumentava em largura: nas rodas de aço eram adotados pneus de medida 175/70 SR 13, já as rodas de alumínio passavam a ser cobertas com pneus 185/70 SR 13.
Na segunda metade da década de 1990 o segmento de peruas sofreu grandes mudanças com a chegada dos novos Fiat Palio Weekend e do Escort SW, a Parati passará à segunda geração em 1995. Na linha GM, a Ipanema ganhava concorrência dentro de casa, com a perua Corsa, que embora fosse compacta, trazia mais tecnologia e itens de segurança como o duplo airbag e freios com sistema antibloqueio. O ano de 1997 foi o canto do cisne da Ipanema GL, que tinha como novidade somente o motor de 2 litros equipado com a injeção eletrônica multiponto para atender às novas normas de controle de emissões de poluentes.
Bandeja • Braço oscilante • Barra de direção (linha pesada)
Barra estabilizadora
Bieleta
Coxins
Câmbio
Porta-malas, capô, banco, cabine
Coifa caixa e diversos
Motor
Pivô de suspensão
Coifa homocinética
Amortecedores, suspensão e diversos
Entre em contato com uma de nossas lojas e conheça todas as nossas linhas de motores, suspensão, freios e câmbio.
Faça revisões em seu carro regularmente, respeite a sinalização de trânsito.
.com.br
PARA
ENTRE EM CONTATO: (11) 9 98351-8871
julianna.miras@oficinabrasil.com.br
Qualidade no atendimento, Inovação em marcas próprias, know-how para fabricar, importar e distribuir peças únicas e exclusivas. Valorizando o cliente desde 1923
A Luporini agradece sua visita ao nosso estande na Automec.
Ficamos felizes em comemorar nossos 100 anos e o lançamento da Pluven ao seu lado.
Luporini. 100 anos na pole do mercado automotivo.
JUNTAS
Com aço de alta resistência, ou de Fibra, as juntas de cabeçote são produzidas com os materiais da mais alta qualidade, obedecendo o padrão estabelecido pelas montadoras
BOMBA D’AGUA
Fabricadas em liga de alumínio, aço ou ferro fundido, com rotores em alumínio, ferro ou plástico de alta resistência.
Se temos a linha de baixa pressão de combustível, com um controle em PWM totalmente eletrônico, temos um sistema mecânico com controle eletrônico na linha de alta pressão
Alguns detalhes são importantes em sistemas de injeção direta de combustível, o chamado sistema GDI, o qual tem na bomba de alta pressão o seu importante componente que eleva a baixa em alta pressão de combustível.
A bomba de alta é monitorada - Se a bomba é de acionamento mecânico, temos no sensor de pressão na linha do rail, linha de alta pressão, o componente que monitora e informa a ECU do sistema sobre a pressão de trabalho do sistema.
Podemos ter um valor entre 60 a 80 bar em marcha lenta, e valores de até 250 bar quando temos uma forte aceleração do motor.
A bomba de alta também sofre com combustível adulterado
A tampa da bomba não pode ser torcida, pois qualquer torção pode danificar facilmente o anel de vedação de cobre interno Os códigos genuínos das bombas de alta pressão são iguais no Brasil e na Europa, onde os veículos são movidos a gasolina, dessa forma podemos concluir que as bombas são super dimensionadas.
Algumas importantes dicas devemos ter na aplicação da bomba de alta pressão. Jamais retirar o eixo de acionamento da bomba de alta pressão, nos modelos de bombas mais novas o eixo não sai de sua carcaça. Se a retenção da bomba falhar, bico injetor gotejar, ou algum vazamento acontecer,
a pressão da linha de alta vai cair em vez de subir devido ao calor do motor. Essa elevação é natural e deve ser aferida com o motor desligado, com a ignição ligada e o scanner em leitura da pressão. Agora se o combustível vaza para dentro do motor, dando mistura alta na sonda por gases que são admitidos pelo sistema de ventilação do cárter, o copinho ou eixo pode se danificar, devido ao vazamento do eixo da bomba pode lavar a lubrificação do ponto de contato com o came do comando. O motor pode sofrer danos prematuros por falha na lubrificação devido a contaminação do óleo por combustível. A falta de infor-
mação faz com que alguns reparadores removam o módulo da bomba de baixa e a bomba de 3 fios, aplicam uma bomba convencional e isso pode prejudicar o fluxo para a bomba de alta. Sensor de pressão de alta pode ser validado usando uma bomba e um manômetro validado.
É mais tecnologia nos motores e maior a necessidade de conhecimento técnico. Pensem nisto.
Até a próxima edição.
Este monitor faz parte do sistema de autodiagnóstico (padrão OBDII) e tem por função avaliar a operação dos sensores e atuadores do trem de força (motor e transmissão automática) relacionados com as emissões
Este monitor tem como função Realizar testes de autodiagnóstico para detectar curtos-circuitos, interrupções e defeitos elétricos nos dispositivos sensores e atuadores.
Estão incluídos todos os componentes cujo mau funcionamento pode provocar, sob certas condições de uso do veículo, um aumento das emissões sobre o limite especificado nas resoluções do Conama (Conselho Nacional do Meio Ambiente). Os limites especificados pelo Conama são programados nas unidades de controle (UC) dos veículos e utilizados pelo sistema de autodiagnóstico OBDII.
Componentes de Entrada (sensores) - Devem ser monitorados quanto à integridade do circuito elétrico (interrupção ou curto) e quanto a valores fora da faixa incluindo a verificação de plausibilidade. Esta última verifica que, ainda dentro da faixa, o sinal do sensor seja plausível (possível). Por exemplo, um sensor TPS que emite um sinal constante e dentro da sua faixa de funcionamento, mas, com variação do sinal do MAF, aponta para um defeito no próprio sensor ou no seu circuito elétrico. Os principais sensores monitorados são:
VSS (velocidade do veículo); CKP (rotação, posição do virabrequim); KS (detonação);
TPS (posição da borboleta); ECT (temperatura do motor); IAT/ACT (temperatura do ar admitido); CMP (posição do eixo comando); MAP (pressão do coletor); MAF (massa de ar); HO2S (sensores de oxigênio); pressão de combustível (“common rail”); pressão dos gases de escape; posição da válvula EGR; pressão de sobre alimentação; pressão diferencial do filtro de particulado; componentes elétricos da transmissão automática.
Componentes de Saída (atuadores) - Devem ser monitorados para verificar a correta resposta aos comandos emitidos pela UC.
Aqueles atuadores, nos quais não é possível verificar o correto funcionamento diretamente, devem ser monitorados quanto à continuidade do circuito elétrico e valores fora da faixa, se aplicável.
Os principais atuadores monitorados são:
Atuador de controle da marcha lenta; válvula de purga do canister; válvula EGR; bobina de ignição; velas de preaquecimento; atuador do acelerador eletrônico; válvula de desvio do resfriador EGR; atuador da válvula de desvio do turbo (“wastegate”); atuadores eletroeletrônicos da transmissão.
Códigos DTC
A título ilustrativo, o exemplo a seguir mostra alguns dos DTCs associados ao sensor MAF resultantes de defeitos detectados pelo Monitor Abrangente de Componentes. Como mencionado, estes códigos refletem falhas no circuito elétrico
do sensor.
- P0100: Sensor MAF. Falha no circuito elétrico. A UC detectou uma falha elétrica, mas, sem identificar se corresponde a interrupção ou curto-circuito.
- P0101: Sensor MAF. Fal ha de faixa/desempenho do sinal. A UC detectou um sinal fora da faixa de variação normal ou um sinal que não se corresponde com o esperado (problema de desempenho). Para isto último, o sinal do sensor TPS pode ser-
utilizados para determinar se existe falha.
- O DTC P0105 corresponde a falha tipo "A" (1 ciclo de condução para acender a LIM/MIL) devido a curto ou interrupção. Aparentemente, o fabricante não discrimina entre um ou outro defeito.
- O DTC P0106 corresponde a falha tipo "B" (2 ciclos de condução para acender a LIM/MIL) causada por sinal fora da faixa.
Reparar no tempo de "maturação" necessário à detecção da falha com código P0106. Neste caso, para tempos menores de presença da falha pode ser utilizado o DTC:
- P0109:
Sensor MAPFalha intermitente.
nece uma descrição para os diversos DTC, bastante sucinta. Portanto, ainda para os códigos genéricos, é recomendável consultar a documentação do fabricante do veículo ou do equipamento de diagnóstico, para ter uma descrição mais detalhada do significado da falha.
Monitor das Velas de Pré-aquecimento
A figura 2 apresenta como exemplo a configuração de controle das velas de aquecimento utilizada em veículos Ford diesel. Representa uma configuração típica na qual as velas são controladas por um módulo de controle dedicado, que se comunica com a UC do motor através da rede CAN.
vir de comparação.
- P0102: Sensor MAF. Sinal de entrada baixo. A UC detectou um possível curto-circuito à massa.
- P0103: Sensor MAF. Sinal de entrada alto. A UC detectou um possível curto à tensão de bateria ou a um outro circuito com tensão em estado alto.
- P0104: Sensor MAF. Falha intermitente. A UC detectou uma variação momentânea e brusca do sinal.
A figura 1 mostra um exemplo de especificação de fabricante correspondente a DTCs relacionados com o sensor MAP em veículos Toyota. Nela estão especificadas as condições sob as quais o monitor realiza o teste de diagnóstico e os critérios
Ainda para discriminar curto ao positivo ou ao negativo, o fabricante dispõe dos DTCs:
- P0107: Sensor MAP. Sinal baixo
- P0108: Sensor MAP. Sinal alto
A especificação OBDII aplica a mesma estrutura de DTCs genéricos dos exemplos, de forma abrangente, a todos os dispositivos elétricos:
- Um DTC para falha no circuito elétrico;
- Um DTC para problema de faixa/desempenho;
- Um DTC para sinal baixo;
- Um DTC para sinal alto;
- Um DTC para falha intermitente.
Nota: A norma OBDII for-
O módulo controla até 8 velas de pré-aquecimento. O tempo e a intensidade do aquecimento são calculados pelo módulo, em função dos valores de: RPM, torque, temperatura do líquido arrefecedor e pressão atmosférica, informações estas recebidas da UC do motor através da rede CAN. Por sua vez, as velas são controladas com sinais de ciclo de trabalho variável, já que sobreaquecem se alimentadas com tensão constante de 12V ou superior.
Ainda, o módulo possui três circuitos de controle para o aquecimento e eventual descongelamento do líquido redutor de NOx (ARLA, DEF) do sistema catalisador SCR.
As funções do monitor são:
1. Verificar a operação do módulo de controle.
2. Verificar o circuito elétrico das velas e dos aquecedores quanto a circuito aberto, curto à massa, curto ao positivo e falhas
de faixa/desempenho.
Operação do módulo de controle. O monitor das velas de aquecimento na UC do motor verifica:
• A comunicação com o módulo. Grava falha se constata a perda de comunicação por um tempo superior a 5 seg.
• O estado da lâmpada indicadora no painel de instrumentos. Grava falha se a lâmpada estiver desligada quando foi comandada ligada.
• O estado de operação do módulo de controle detectando:
• Falhas de desempenho do próprio módulo e dos circuitos internos de controle das velas e aquecedores.
• Erro de checagem (“check sum”) da memória do módulo.
• Falha na tensão de alimentação do módulo.
• Falha no aquecedor do líquido redutor de NOx (ARLA).
Para verificação do circuito elétrico a norma tem previsão de códigos DTC para 12 cilindros e 3 aquecedores de ARLA.
As instituições que estabelecem as especificações OBDII, além de regulamentar os limites das emissões automotivas, incentivam soluções que contribuam para a melhoria da qualidade do ar ambiente. Este é o caso da tecnologia Premair de redução direta de ozônio atmosférico. Em troca da sua contribuição na melhoria do ar ambiente, o veículo que a utiliza tem aumentado o limite máximo de emissões de hidrocarbonetos não-metano.
Nota: A norma OBDII identifica a tecnologia Premair com a sigla DOR (do inglês: Direct Ozone Reduction ou redução direta de ozônio).
Ozônio Atmosférico
Diferentemente do ozônio estratosférico, presente entre 15 e 50 km de altitude e que protege contra os raios ultravioleta, o ozônio atmosférico (até 1000 metros de altitude) é o principal componente da “névoa seca”.
Os maiores geradores deste poluente são os hidrocarbonetos (HC) e os óxidos de nitrogênio (NOx) os que, pela ação dos raios solares, dão origem
ao ozônio atmosférico, cuja molécula, a diferença do oxigênio livre (O2), é composta por 3 átomos de oxigênio (O3).
O processo de geração está representado na figura 3a, em que o HC e o NOx contidos nos gases de escape, pela ação dos raios solares, geram íons de oxigênio (O-) os quais reagem com o oxigênio atmosférico (O2) dando origem ao ozônio (O3).
Um recurso que ajuda a reduzir o impacto, é a aplicação, no radiador do veículo, de um produto conhecido comercialmente com o nome de PremAir.
Este é um agente catalítico que reduz a concentração de ozônio do ar que passa sobre uma superfície recoberta com o produto, convertendo as moléculas de ozônio (O3) em moléculas de oxigênio livre (O2), instantaneamente, por contato.
O produto é utilizado principalmente, como recobrimento da superfície exposta do radiador (fig.3b) com uma eficiência de conversão, do ozônio contido no ar que o atravessa, em oxigênio livre, em torno de 75%. Os sistemas que utilizam este tipo de ra-
aplicação do Monitor Abrangente de Componentes. Em contrapartida ao aumento do limite de emissões de hidrocarbonetos, o órgão fiscalizador exige do fabricante do veículo o monitoramento contínuo do sistema PremAir, de forma a assegurar o correto funcionamento do mesmo.
- Para verificar a presença do radiador correto, o código de identificação é gravado tanto no sensor como na UC do motor. Ao dar partida, a UC do motor solicita o código de identificação o qual é retornado pelo sensor de forma criptografada. A não coincidência dos códigos é indicação de adulteração, o que resulta na gravação do DTC correspondente.
diador possuem, por sua vez, um “sensor de identificação de radiador” para alertar o condutor quando da instalação de um radiador sem o recobrimento de PremAir.
Deve ser salientado que este não é um sensor de ozônio e suas únicas funções são:
- Evitar a substituição do radiador por outro não catalisado.
- Evitar que seja removido com o propósito de reproduzir o hardware (a eletrônica) ou o software (programa).
- Evitar que seja removido e instalado em outro radiador. Para cumprir com estas funções, o sensor possui um sensor de temperatura integrado, o qual é colado no radiador durante a montagem. Assim, uma eventual tentativa de remover o sensor provocará a quebra do sensor de temperatura com o que o conjunto ficará inutilizado, elétrica e mecanicamente.
As informações de identificação e de temperatura são enviadas à UC do motor, através de uma rede LIN dedicada.
Funções de Monitoramento - Este é mais um exemplo de
- Para verificar a integridade do conjunto radiador/sensor é utilizada a informação de temperatura do sensor. A temperatura medida pelo sensor é comparada com a temperatura do líquido arrefecedor e a diferença, avaliada segundo mapas característicos armazenados na memória da UC do motor. Para o diagnóstico da integridade do conjunto assim como, do próprio sensor de temperatura, devem ser cumpridas as condições de habilitação.
Por exemplo:
• Temperatura do motor superior a 95OC; isto, para assegurar que a válvula termostática esteja aberta e, portanto, circule líquido arrefecedor pelo radiador.
• Terem transcorridos 6 minutos após a temperatura de o motor superar 95OC; isto, para assegurar máximo fluxo de líquido arrefecedor através do radiador.
Como mencionado, o sensor de identificação/temperatura não é um sensor de ozônio. No entanto, a norma OBDII tem previsão de códigos DTC para o caso em que seja utilizado um sensor de ozônio.
Para os reparadores acostumados com a rotina de serviços nos sistemas de climatização dos veículos, pode ser apenas mais um carro, mas sempre estamos aprendendo um pouco mais em cada modelo de veículo
Nesta continuação da matéria também vamos abordar o sistema de aquecimento, lembrando que o inverno está chegando e o ar quente deve estar funcionando corretamente.
O sensor de temperatura do ar de descarga do evaporador monitora a temperatura do núcleo do evaporador e controla o ciclo da embreagem do compressor do ar-condicionado. Se a temperatura do núcleo do evaporador baixar o suficiente para causar o congelamento do vapor de água condensado, a embreagem do compressor do ar-condicionado é desengatada pelo PCM. (Fig.12)
A pressão da linha do lado alto é monitorada pelo transdutor de pressão do ar-condicionado para que a operação do compressor seja interrompida se a pressão do sistema ficar muito alta ou for determinada como muito baixa (condição de carga baixa).
A válvula de alívio do compressor do ar-condicionado abre e libera o gás refrigerante para aliviar a pressão caso fique muito alta no sistema.
Ar quente - O aquecedor do New Fiesta foi projetado para garantir uma temperatura confortável no habitáculo quando o tempo está frio.
O aquecedor pode parar de
funcionar por alguns motivos como o baixo nível de líquido ou ar no sistema de arrefecimento, núcleo do aquecedor entupido, termostato ruim, atuador da porta de mistura com defeito, bomba de água ruim, filtro de ar da cabine sujo, motor do ventilador ruim ou mau funcionamento da unidade de controle do ar-condicionado.
O baixo nível de líquido no sistema de arrefecimento ou ar no sistema pode fazer com que o aquecedor pare de funcionar corretamente. Se o sistema de arrefecimento não estiver cheio e sangrado adequadamente, a bomba d’água não conseguirá bombear o líquido pelo sistema com eficiência.
O sistema de aquecimento do ar-condicionado utiliza o líquido de arrefecimento aqueci-
do pelo motor para levar calor ao interior do veículo. O líquido quente é bombeado através do radiador de ar quente, localizado dentro da caixa de ar, atrás do painel.
Se houver ar preso dentro do radiador de ar quente, o líquido não será capaz de fluir por ele adequadamente, por isso que o sistema deve ser ocupado apenas pelo líquido, a presença de ar no sistema deve ser eliminada.
O radiador do ar quente entupido é uma das principais causas do aquecimento deficiente e a sua construção é semelhante ao do radiador, com canais internos estreitos onde flui o líquido quente. Pela falta de uso e com o passar do tempo, começar a formação de depósitos minerais e de ferrugem, bloqueando o fluxo do líquido.
Uma maneira de verificar se o radiador do ar quente está entupido é verificar as duas mangueiras, a de entrada e a de saída. Colocando a mão nas duas depois que o motor esquentar, elas devem estar quentes. Se por acaso a mangueira de entrada estiver quente e a de saída estiver fria, é a indicação de radiador de ar quente entupido. Sempre existe a possibilidade de fazer a limpeza, mas para garantir a qualidade do serviço é recomendável fazer a troca da peça por uma nova.
Não esqueça de fazer o teste de estanqueidade na peça nova antes de montar na caixa de ar, isso permite ter a certeza que a peça está em condições de uso.
(Fig.13 e 14)
A válvula termostática é um componente do sistema de arrefecimento que ajuda o motor para atingir a temperatura operacional ideal o mais rápido possível.
Quando o motor é ligado, nesta fase fria, a válvula termostática se mantém fechada,
cortando o fluxo do líquido para o radiador, restringindo o circuito apenas ao bloco do motor para atingir a temperatura ideal de funcionamento.
Com um defeito nesta válvula, se estiver travada na posição aberta, o líquido vai fluir continuamente pelo radiador e o motor poderá demorar muito para atingir sua temperatura ideal de funcionamento.
Como o sistema de aquecimento depende do líquido de arrefecimento aquecido pelo motor em funcionamento, o aquecedor vai soprar ar frio até o motor atingir a temperatura ideal. Nos dias de muito frio, o motor pode nunca atingir sua temperatura ideal de funcionamento se a válvula estiver travada na posição aberta, além de consumir mais combustível do que o normal. (Fig.15)
A bomba d’água é o coração do sistema de arrefecimento, fazendo a circulação do líquido pelas galerias internas do motor e contribui no controle da temperatura de outros componentes como a transmissão, turbocompressor, válvula EGR, corpo de borboleta e permite o aquecimento da cabine.
Caso a bomba d’água venha reduzir a sua eficiência ou deixar de movimentar o líquido pelo sistema de arrefecimento, isso pode fazer com que o aquecedor pare de funcionar corretamente porque há menos líquido circulando para transferir calor entre o motor e o radiador de ar quente. Também representa um risco de danificar o motor pelo superaquecimento, por isso é importante que o reparador especializado em ar-condicionado tenha conhecimento sobre o funcionamento do motor e seus periféricos. (Fig.16)
lho de estalo ou batidas como se a engrenagem estivesse com os dentes quebrados, geralmente acontece no momento de ligar e desligar o sistema de ar-condicionado. (Fig.17)
O evaporador sujo pode reduzir o fluxo de ar e comprometer o desempenho de aquecimento. Pode não fazer sentido pelo fato de o evaporador ter a função de resfriar, mas o ar sempre passa primeiro pelo evaporador e depois flui para o radiador de ar quente.
Quando o aquecedor é ligado e o ar-condicionado desligado, o compressor não liga e o evaporador não resfria, mas ao acionar o botão do ar-condicionado no modo de aquecimento, o compressor liga e o evaporador esfria e seca o ar antes de entrar na função de aquecimento. Esta função é muito útil para desembaçar as janelas. (Fig.18 e 19)
O filtro de ar da cabine faz a retenção da maior parte da sujeira ou outras partículas transportadas pelo ar, mas algumas partículas escapam e podem se alojar no evaporador. Com o tempo, essas partículas se acumulam nas aletas e bloqueiam o
fluxo de ar através do evaporador, causando redução do fluxo de ar na cabine. (Fig.20)
A troca do filtro de cabine do New Fiesta seria simples se a caixa de ar estivesse na bancada, mas como ela está montada e o cliente quer o serviço realizado no menor tempo e com o menor custo, é preciso fazer algumas manobras para chegar até ele e fazer a troca.
O local do filtro de cabine é na lateral direita da caixa de ar (lado do porta-luvas), mas é preciso retirar uma cobertura plástica da lateral do console e um revestimento térmico que está sob o porta-luvas.
Depois destas remoções, já é possível ver uma parte da tampa do filtro de cabine, que está presa por parafusos e depois de remover a tampa, o filtro aparece. Observando a imagem, é possível ver o duto de ar que passa entre o assoalho e o carpete para ventilar o espaço do banco traseiro. (Fig.21 a 23)
Outra falha pode ocorrer no atuador da porta de mistura e direcionamento da ventilação dentro da caixa de ar e no caso de o atuador da porta de mistura não abrir totalmente na direção do radiador de ar quente, vai comprometer a eficiência e desempenho do sistema de aquecimento do veículo. Em alguns casos é possível ouvir um baru-
Uma observação no formato do filtro velho revela que ele não instalado corretamente, ele foi força para entrar e ficou deformado, deixando uma abertura por onde o ar estava passando sem ser filtrado.
Isso acontece pela posição da caixa de ar e a estrutura do painel do carro, que limita o ângulo de entrada do filtro. (Fig.24)
Nesta série de artigos conheça e entenda o conceito, a composição e os procedimentos de programação de imobilizadores automotivos, a tecnologia que surgiu para resguardar seu patrimônio
Ao falarmos dos sistemas de imobilizadores, tenha em mente que o campo é bastante abrangente, tendo em vi sta as particularidades de cada montadora. Por isso, nosso objetivo neste primeiro artigo não é detalhar cada um dos sistemas, mas apresentar de modo geral o conceito de construção do sistema, sua importância, componentes e suas funções. Em artigos futuros apresentaremos procedimentos realizados nas diversas montadoras e sistemas.
Conceito do Sistema de Imobilizadores e sua importânciaO grande objetivo do imobilizador é proteger o veículo contra furtos, de um jeito prático, inteligente e claro, tecnológico. Consegue se lembrar dos métodos antifurtos de veículos que usávamos antigamente? Travas, cadeados e inúmeros outros dispositivos. Isso tudo foi trocado por um sistema eletrônico que já vem instalado no veículo original de fábrica. O Sistema de Imobilizador era a segurança que faltava para os veículos cada vez mais tecnológicos. De modo que não conseguimos imaginar um carro moderno sem essa tecnologia.
O sistema de imobilizador é composto basicamente por quatro componentes:
• Chave (com transponder interno);
• Antena (localizada ao redor do cilindro de ignição);
• Módulo imobilizador (responsável por interpretar as informações do transponder); e
• ECU (módulo de injeção eletrônica ou simplesmente “central de injeção”). (Fig.1)
De modo simples, o seu funcionamento ocorre quando o motorista gira a chave no cilindro de ignição, nesse momento o módulo imobilizador energiza a antena ao redor do cilindro, criando uma indução através de um campo magnético gerado pela antena e energizando o transponder, que absorve esse campo. O módulo de imobilizador por sua vez, lê um código gravado no transponder (a senha do veículo), usando a antena.
Os sistemas de imobilizadores no geral funcionam de maneiras parecidas, porém cada sistema possui sua particularidade. As nomenclaturas variam de acordo com sua aplicação e cada montadora usa um nome para caracterizar o seu sistema. De modo que eles não podem ser trocados uns pelos outros. Sendo que, quando necessário a troca de algum item do sistema de imobilizador, é fundamental verificar as espe-
cificações exatas do item daquele sistema, para a troca de outro igual, que atenda às especificações originais de fábrica. Caso contrário, o sistema pode não aceitar ou funcionar corretamente.
Composição do Sistema de Imobilizadores
Transponder: Dispositivo de comunicação eletrônico, que recebe e transmite dados de modo pré-definidos ou aleatórios por meio de radiofrequência. Um transponder não recebe alimentação da bateria ou alimentação direta de outro componente. Sua alimentação é obtida pela indução da bobina no interior da antena no cilindro de ignição. As informações de um transponder podem ser gravadas
em um módulo de imobilizador, computador de bordo ou na ECU, isso depende em qual sistema e transponder que estamos utilizando. (Fig.2)
Podemos encontrar o transponder em três formatos:
• Vidro: Transponder com encapsulamento de vidro.
• Epóxi: Transponder com encapsulamento em formato de pastilha, conhecido também como transponder de carbono ou carvão.
• C.I. (Circuito Integrado): Localizado em um pequeno circuito eletrônico quando a chave está integrada ao sistema de alarme ou telecomando de travas do veículo.
Algumas características de programação do transponder são:
• Virgem: O transponder vem direto da fábrica com dados padrões, e na maioria dos casos é preciso dedicar (programar e sincronizar preenchendo os requisitos para um sistema específico) para funcionar no veículo.
• Dedicado: Quando é pré-codificado para que funcione em apenas uma marca e / ou modelo de veículo.
• Especial: Quando o transponder tem uma codificação exclusiva, como por exemplo, o transponder
TIRIS ID4D com dedicação ID63 para FORD.
Obs.: Vale lembrar que o ID é o serial de cada transponder, podendo vir de fábrica com essa numeração fixa (não sendo possível alterar) ou vir em branco para ser utilizado para clone. (Fig.3)
Antena de comunicação: É o componente responsável por localizar e energizar o transponder. Esse componente torna possível o reconhecimento das informações do transponder (senha) e habilita o módulo de imobilizador a exercer suas funções. Em muitos casos a antena de comunicação não é codificada, sendo apenas um componente que realiza todo o procedimento junto com o imobilizador. (Fig.4)
Módulo de Imobilizador: Interpreta e valida as informações do transponder. Pode ser encontrado em uma central específica com esta função, no painel de instrumentos, que além de ter informação para o condutor, também tem informações do imobilizador, gerenciando toda a segurança da partida. Ou ainda, o Imobilizador pode estar em sistemas com BCM (computador de bordo que é responsável por toda parte elétrica e eletrônica, bem como pelo próprio imobilizador. Sua aplicação dependerá muito da montadora e dos modelos de veículos específicos.) (Fig.5)
ECU (Unidade de Controle do Motor): Conhecido também como “módulo de injeção eletrônica” ou simplesmente “central de injeção”, é a unidade de controle eletrônico do veículo.
Em seu software há informações pré-definidas de fábrica que precisam ser satisfeitas para o funcionamento do motor. Entre elas, estão as codificações do imobilizador. Por isso, a ECU está diretamente conectada ao módulo de imobilizador. Assim, a ECU recebe toda a validação do sistema de imobilizador e transponder para liberar o funcionamento ou não do motor. (Fig.6)
partir de aproximação. Tecnicamente, o sistema é ativado a partir de antenas instaladas em campos específicos nos veículos, que por sua vez, geram um campo eletromagnético para energizar e captar os sinais da chave que estiverem dentro de seu campo captação (em geral cerca de 1,50 m podendo variar de acordo com a montadora).
Estando dentro do campo de captação das antenas, logo há uma comunicação entre o transponder (chip codificado localizado dentro da chave do veículo) e o sistema de imobilizador através de rádiofrequência, resultando no destravamento das portas e porta-malas. Igualmente, assim que a chave se distancia do campo de captação das antenas, as portas travam automaticamente. (Fig.7)
Além do destravamento das portas apenas por aproximação, um detalhe que mais chama a atenção em alguns modelos é o fato de não ser necessário gi-
Além da proteção do veículo em si, a tecnologia embarcada trouxe também um sistema que facilita em muito a vida dos motoristas, o sistema keyless, que traduzido literalmente significa “sem chave”. Esse sistema funciona a
rar a chave para ligar o carro. Bastando o motorista entrar no veículo com a chave no bolso e apertar o botão no console central com a indicação “Start / Stop Engine” — Ligar / Desligar motor. Com apenas um toque o condutor liga o veículo e pode sair dirigindo, de forma simples e rápida. (Fig.8)
Vale ressaltar que nem todos os modelos que possuem o sistema Keyless são iguais nesse quesito. Alguns necessitam que a chave ou cartão de ignição seja inserida (o) no painel, e somente após ação consegue-se pressionar o “Start Engine” para ligar o veículo. De qualquer forma, o sistema keyless trouxe mais comodidade e segurança ao próprio condutor do veículo.
Nos próximos artigos dessa série, vamos abordar procedimentos relacionados a programação dos sistemas de imobilizadores e as diferenças entre as montadoras e sistemas. Usaremos equipamentos profissionais e específicos para a linha de imobilizadores. (Fig.9) Esperamos que esse artigo tenha sido esclarecedor e lhe ajudado a compreender melhor o funcionamento do sistema de imobilizadores. Em artigos futuros, procuraremos trazer esclarecimentos sobre alguns procedimentos utilizados em montadoras específicas para fazer programações, emparelhamento do sistema, reset, entre outros procedimentos aplicados para veículos e modelos específicos.
O hatch da montadora norte-americana, equipado com o motor 1.4 EconoFlex família I de 105cv, quando abastecido com etanol, apresentou luz de anomalia no painel indicando falha no sensor de detonação.
DIAGNÓSTICO: O reparador recebeu em sua oficina este Corsa 1.4 Econoflex 2011, que já havia passado em várias outras oficinas, mas ninguém conseguiu solucionar o caso.
Ao consultar com o scanner para saber o motivo da luz de anomalia estar acesa no painel, viu-se que ele apresentava uma falha no sensor de detonação, porém o mesmo foi testado em bancada e também foi medida a continuidade do sensor até a ECU, além da cablagem estar íntegra.
Seguindo o diagnóstico, é possível apagar a luz de anomalia, e o carro funciona normalmente, porém após algum período, a luz volta a acender. Sem solução para o caso, o reparador optou por usar o fórum Oficina Brasil, e consultar os colegas de profissão.
A primeira contribuição postada sugeriu que se o scanner insiste em apontar problema na peça, o ideal seria trocar ela para ver o que acontece. Outra sugestão seria passar outro scanner de marca diferente para uma verificação, pois pode acontecer ser alguma interpretação errada do aparelho.
Outro colega, tomando como base os sintomas que o veículo apresenta, indicou a verificação das bobinas de ignição se não há fugas de centelha, se não há vibrações excessivas por conta dos coxins, o que pode afetar conexões e aperto correto do sensor no bloco.
Uma sugestão interessante que apareceu foi uma dica informando que na linha Fiat é muito comum aparecer o código de falha acusando sensor de detonação e o defeito não estar relacionado com a peça em si, pois se há alguma falha no sistema de ignição, o sensor identifica detonação fora dos seus
OFórum do Jornal Oficina Brasil se consagra entre os reparadores como o maior sistema de troca de informações entre profissionais do país! São mais de 130 mil profissionais cadastrados debatendo, dando dicas e sugestões para resolver os problemas mais complicados. Participe você também! Para tanto, basta cadastrar-se em nosso site (oficinabrasil.com.br). Um dia você ajuda um colega e no outro é ajudado! Confira abaixo os casos que mais se destacaram neste mês.
O sedan da montadora alemã, equipado com o motor EA888 e sistema Star Stop, de 180cv quando abastecido com gasolina, parou de entrar em funcionamento após a troca da bateria
parâmetros e a central gera um código de falha, dessa forma o colega reparador orientou que antes de trocar o sensor, é importante dar uma verificada nos bicos, velas cabos e filtros, além de um limpeza no TBI.
Outro ponto importante que foi ressaltado no Fórum foi a verificação no sistema de alternador (rolamentos folgados na carcaça), pois a vibração pode dar interferência no sensor de detonação.
SOLUÇÃO: Após ponderar as sugestões dos colegas através do Fórum OB, o reparador partiu para uma verificação mais profunda no veículo.
O primeiro ponto descoberto foi que a mangueira de combustível estava dobrada em um ponto, o que possivelmente restringia a vazão. Foi então desdobrada e o carro funcionou por muito mais tempo sem apresentar a falha, mas dentro de 15 km percorridos, a luz de anomalia acendeu novamente (antes, com menos de 300 metros percorridos, a luz MIL acendia).
Seguindo as verificações no chicote a cablagem parecia estar perfeita, porém o reparador desconfiou do conduíte que recobria o cabo, pois ele possuía uma fita isolante bem incomum. Abrindo o conduíte e a fita isolante, foi identificado que o cabo do sensor estava com uma emenda mal feita, o que fazia com que a vibração natural do motor ocasionasse perda do sinal em alguns momentos. Foi feito o reparo no cabo, utilizando de ferro de solda e estanho e o problema foi encerrado.
Logo nem seguida o reparador acessou o Fórum e agradeceu as dicas dos amigos reparadores.
DIAGNÓSTICO: O veículo chegou à oficina após descarregar a bateria, porém após a substituição ele não entrou em funcionamento.
O veículo apresenta uma iminência de partida, mas não atinge sua plena função, então o reparador desconfiou que por se tratar sistema start stop o veículo usa uma bateria própria para carros com essa tecnologia, e que após a substituição deve ser feita uma programação.
Diante dessa situação o reparador optou por consultar o Fórum OB a fim de saber como solucionar esse caso.
Após postar o caso em pouco tempo as primeiras dicas começaram a aparecer:
O primeiro colega indicou consultar se a bateria está com a aplicação correta e orientou a realizar uma apresentação de bateria via scanner, mas informou que mesmo sem esses procedimentos o veículo era para entrar em funcionamento mesmo assim.
Foi orientado também a conferência dos conectores do sensor de rotação.
Outro colega orientou medir a pressão de baixa da bomba de combustível, informou que o normal é entre 4 e 6 bar, e indicou trocar o sensor ou analisar a bomba de combustível caso estiver com valor de pressão abaixo do informado.
SOLUÇÃO: Após receber as dicas do Fórum, e trocar ideia com o pessoal participante, o reparador deu continuidade no caso do Audi e passou o scaner no carro e nenhum DTC foi indicado.
A título de teste o reparador resolveu desligar o sensor de baixa pressão da linha de combustível e para surpresa o veículo
entrou em funcionamento apresentando aceleração, porém ao religar o sensor o motor desliga e o veículo não entra mais em funcionamento
O reparador orientou também que a bateria colocada estava correta, sendo essa uma AGM 70 AH para veículos com sistema Start Stop.
Dando continuidade no diagnóstico do veículo, após medir a pressão do combustível da linha de baixa foi identificado que estava dentro dos parâmetros indicados pelos amigos do Fórum.
Foi identificado também que não havia pulsação nos bicos da injeção indireta (o veículo trabalha com injeção mista direta+indireta).
A princípio foi imaginado que o módulo tivesse queimado ou entrado em modo de proteção/emergência e então seguindo com a análise, o reparador resolveu tirar os injetores da linha de baixa pressão e foi identificado que eles estavam travados após colocá-los na máquina de limpeza.
Presumiu-se que a central desabilita o pulso deles quando essa situação acontece.
Após a limpeza dos injetores em máquina ultrassônica, eles voltaram a funcionar, foram reinstalados no veículo e o mesmo entrou em funcionamento.
Após a resolução do caso o reparador agradeceu a todos que acompanharam o caso e que contribuíram com sugestões
O SUV da montadora alemã, equipado com o motor EA888, de 200cv quando abastecido com gasolina, estava apresentando código de falha código P0132 - tensão alta sonda lambda
DIAGNÓSTICO: O veículo chegou à oficina com a luz de anomalia acesa e ao passar o scaner para checar o que estava ocorrendo, foi verificado o cód. de falha P0132, que se refere a tensão alta na sonda lambda.
Ao analisar o valor de tensão da sonda, viu-se que ela estava travada em 449 milivolts. As 2 sondas (pré- e pós-catalisador) são novas da marca MTE
Com base nesses primeiros testes, foram consultados os colegas do Fórum OB a fim de obter um norte para o diagnóstico e reparo final.
Após postar o caso em pouco tempo as primeiras dicas começaram a aparecer:
O primeiro amigo reparador orientou medir com multímetro a tensão que chega nos pinos, pois poderia ser um curto no chicote, ou bicos injetores gotejando.
O segundo reparador orientou trocar a marca da sonda lambida pois pode estar acontecendo incompati -
bilidade.
O terceiro reparador informou que a Bosch disponibilizou no YouTube um vídeo detalhado sobre sonda de banda larga e sua leitura. Informou que é bem diferente da sonda de banda estreita convencional.
O quarto reparador indicou um tipo de teste no qual é pulverizado um desingripante no coletor de admissão e simultaneamente verificar o comportamento da sonda.
SOLUÇÃO: Seguindo as orientações dos amigos do Fórum OB o reparador começou alguns testes pontuais no veículo para tentar solucionar o problema.
Analisou todos os pontos indicados pelos colegas contribuintes do Fórum e por fim descobriu que o diafragma da tampa de válvulas estava furado, e após a troca o veículo voltou ao funcionamento normal.
Logo o reparador voltou ao Fórum para agradecer as sugestões.
O hatch da montadora italiana, equipado com o motor Fire, de 75cv quando abastecido com etanol, acusa erro de comparação de sinal de ABS em uma determinada velocidade.
DIAGNÓSTICO: O veículo chegou à oficina após acender a luz do ABS no painel, e de primeiro momento foi passado o scanner para analisar o que seria.
Foi acusada pelo aparelho a seguinte situação: ao chegar por volta de 80 km/h é apresentado erro de comparação de sinal - um ou mais sensores. Com objetivo de tentar solucionar foram trocados os sensores e rolamentos, mas não houve resultado positivo.
Sem saída para o caso, o reparador buscou ajuda no Fórum OB.
Após postar o caso em pouco tempo as primeiras dicas começaram a aparecer:
O primeiro e o segundo colega a deixar sua sugestão orientaram consultar a aplicação dos rolamentos para ver se está compatível com o sistema do veículo
Outro colaborador do Fórum orientou verificar a velocidade das rodas em um teste de rua, pois para dar erro, uma roda deve estar com a velocidade diferente.
Outro colega questionou se não havia algum pneu com diâmetro diferente, pois dessa forma a leitura seria incorreta
Outra sugestão foi sobre verificar o chicote, e se a distância do sensor até o rolamento está fora do indicado, ou mesmo na hora de prensar o rolamento, o mesmo não desceu até o final.
SOLUÇÃO: Baseando-se nas dicas dos colegas, foi analisado minuciosamente cada detalhe do sistema de ABS do veículo, e foi encontrado na pista do rolamento uma leve deformação, a qual estaria gerando o erro de leitura.
Foi substituído o rolamento e o problema foi sanado, e com isso o reparador retornou ao Fórum OB para agradecer ajuda de seus colegas e finalizar o tópico.
Estas matérias, extraídas de nosso fórum, são fruto da participação dos reparadores que fazem parte da grande família chamada Oficina Brasil.
Acesse você também o nosso Fórum e compartilhe suas experiências com essa comunidade.
Lembre-se, o seu conhecimento poderá ajudar milhares de reparadores em todo o Brasil.
Saiba mais em www.oficinabrasil.com.br